Reference-Free Dynamic Voltage Scaler Based on Swapping Switched-Capacitors
Abstract
:1. Introduction
2. The Architecture of the Swapping Switched-Capacitor-Based DVS
2.1. Circuit Operation
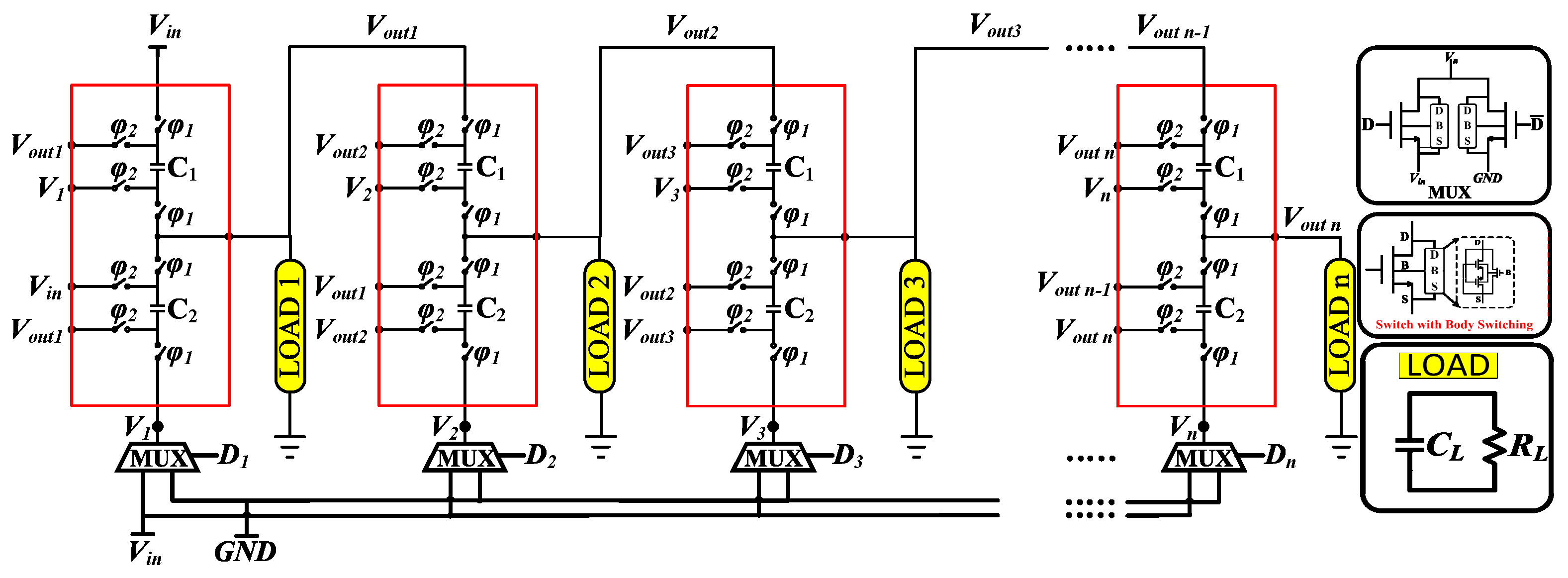
- Two inputs and are applied to the SSC-DVS input ports to generate the average value .
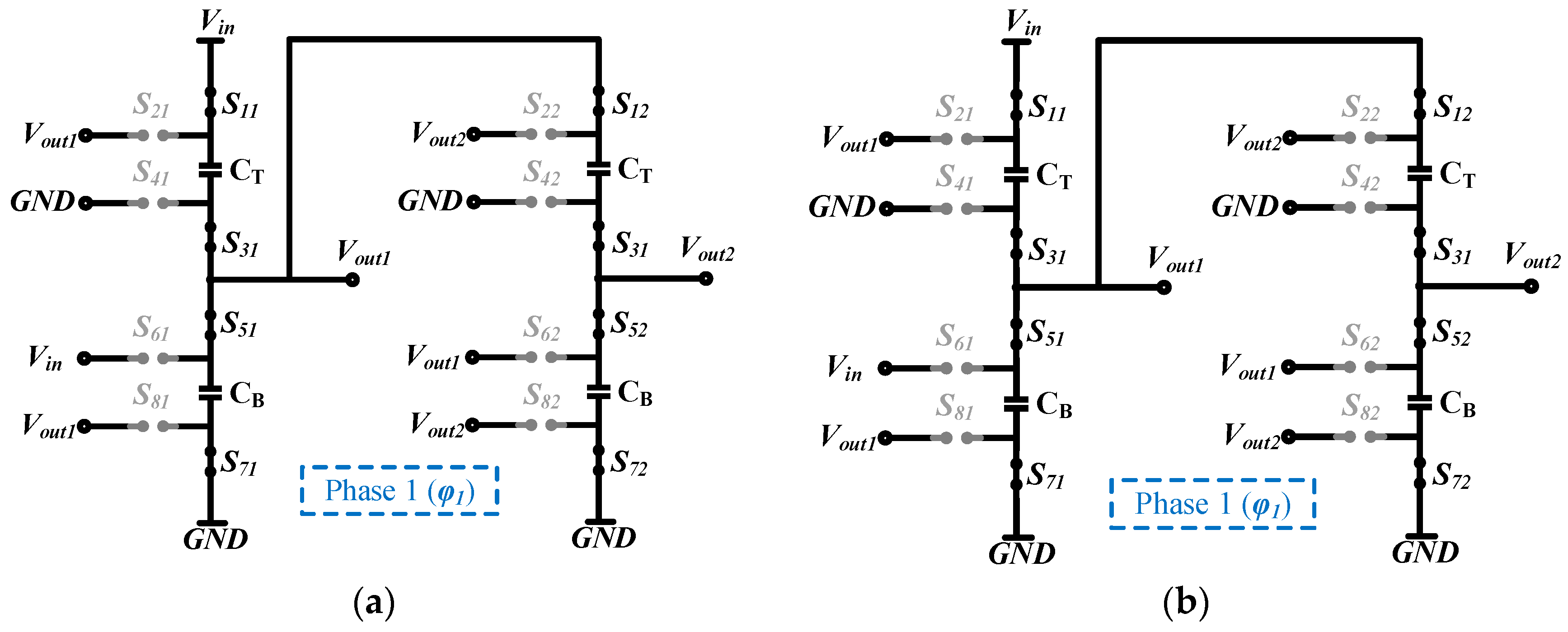
- In phase 1, the bottom capacitor, CB, delivers the charges to the load circuit, and thus the amount of CB’s charge decreases. Therefore, the voltage across CB decreases while the voltage across CT increases over time. When at the middle of switching time , the controller switches to phase 2.
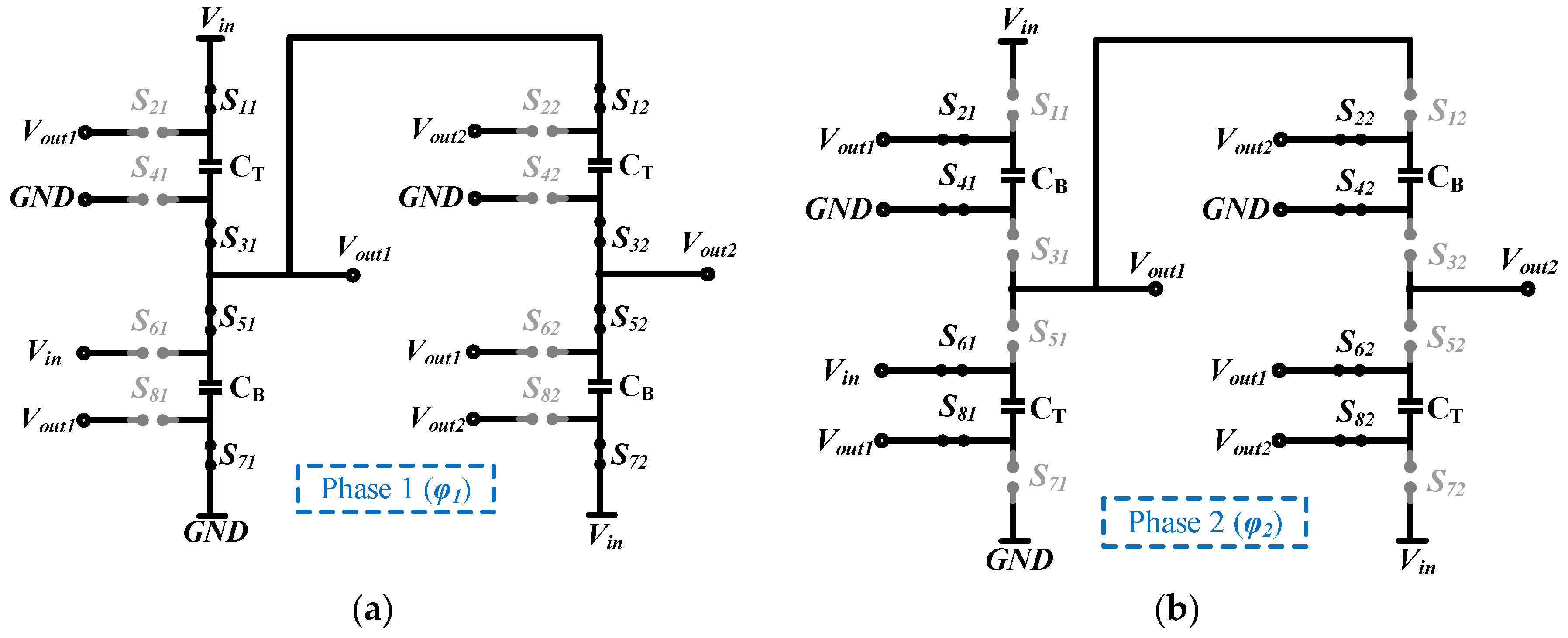
- In phase 2, the controller reconfigures the cell by swapping CB and CT. Then CB’s positive terminal is connected to V1, while its negative terminal is connected to Vout, as illustrated by Figure 1c. On the other hand, CT’s positive terminal is connected to Vout while its negative terminal is connected to V2, as illustrated by Figure 1c.
- In phase 2, CT supplies the load.
- When TS, the controller switches back to phase 1, and the above steps are repeated.
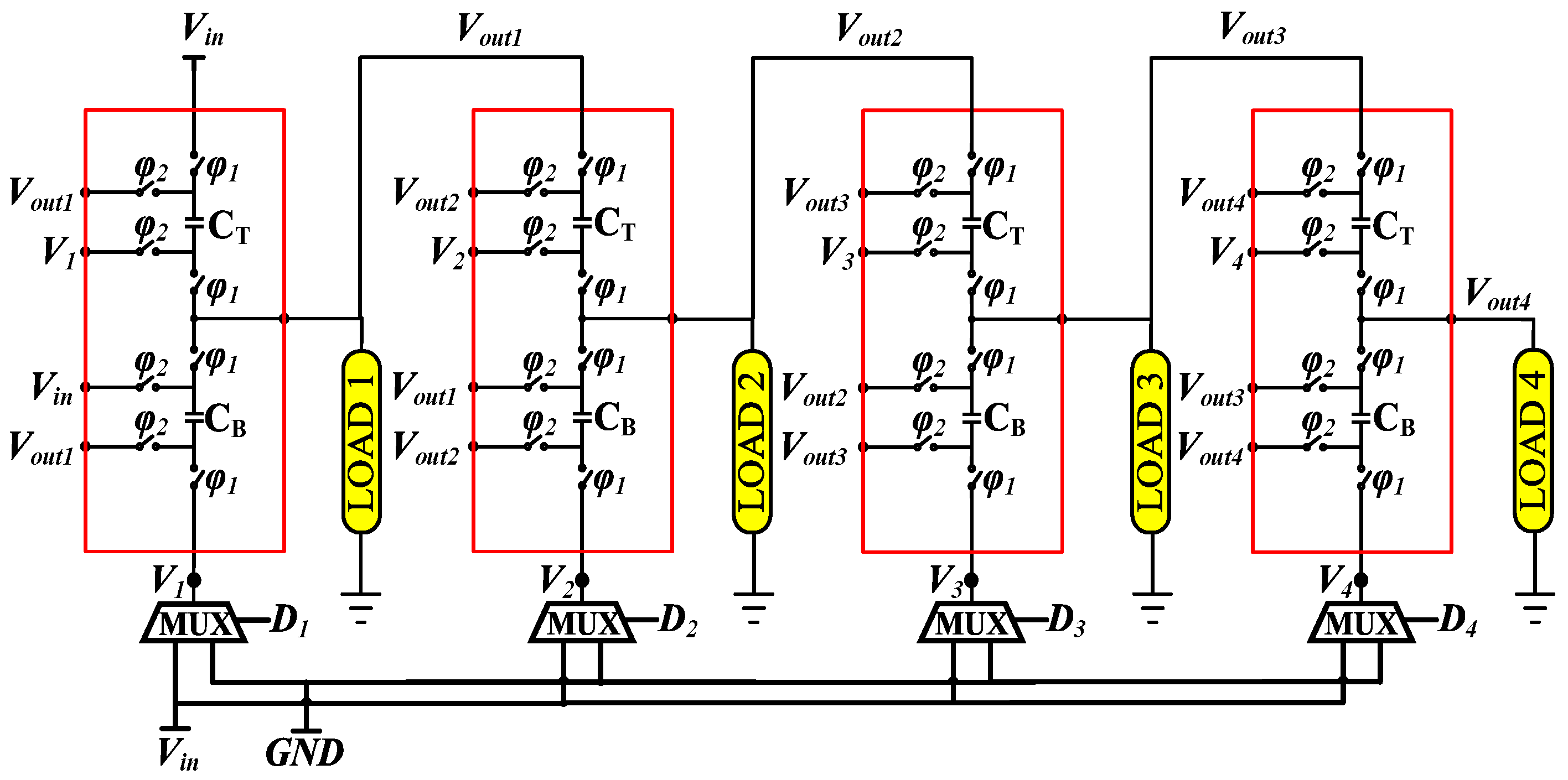
2.2. SSC-DVS Architecture
3. Analytic Model
3.1. Steady-State Output Voltage
3.2. Analysis of Steady-State Current Flows in Each Stage
3.2.1. SingleOutput Case
3.2.2. Multi-Output Case
3.3. Efficiency Analysis
3.3.1. Charge Distribution Phase
3.3.2. Delivery Phase
3.3.3. Losses Analysis
4. Experimental Results
4.1. Experimental Environment
4.2. Performance of thePproposed Swapping DVS
4.2.1. Target Output Voltage
4.2.2. Voltage Ripples
4.2.3. Efficiency
4.3. Comparison
5. Conclusions
Author Contributions
Funding
Conflicts of Interest
References
- Bang, S.Y.; Lee, Y.Y.; Kim, Y.J.; Blaauw, D.; Sylvester, D. A Fully Integrated Switched-Capacitor Based PMU with Adaptive Energy Harvesting Technique for Ultra-Low Power Sensing Applications. In Proceedings of the 2013 IEEE International Symposium on Circuits and Systems (ISCAS2013), Beijing, China, 19–23 May 2013. [Google Scholar]
- Kilani, D.; Alhawari, M.; Mohammad, B.; Saleh, H.; Ismail, M. An Efficient Switched-Capacitor DC-DC Buck Converter for Self-Powered Wearable Electronics. IEEE Trans. Circuits Syst. 2016, 63, 1557–1566. [Google Scholar] [CrossRef]
- Hasib, O.A.; Sawan, M.; Savaria, Y. A Low-Power Asynchronous Step-Down DC-DC Converter for Implantable Devices. IEEE Trans. Circuits Syst. 2011, 5, 292–301. [Google Scholar] [CrossRef]
- Jung, W.Y.; Oh, S.C.; Bang, S.Y.; Lee, Y.Y.; Foo, Z.; Kim, G.H.; Zhang, Y.; Sylvester, D.; Blaauw, D. An Ultra-Low Power Fully Integrated Energy Harvester Based on Self-Oscillating Switched-Capacitor Voltage Doubler. IEEE J. Solid-State Circuits 2014, 49, 2800–2811. [Google Scholar] [CrossRef]
- Lueders, M.; Evermann, B.; Gerber, J.; Huber, K.; Kuhn, R.; Zwerg, M.; Schmitt-Landsiedel, D.; Brederlow, R. Architectural and Circuit Design Techniques for Power Management of Ultra-Low-Power MCU Systems. IEEE Trans. Very Large Scale Integr. (VLSI) Syst. 2014, 22, 2287–2296. [Google Scholar] [CrossRef]
- Ragheb, A.; Kim, H. Ultra-low power OTA based on bias recycling and subthreshold operation with phase margin enhancement. Microelectron. J. 2017, 60, 94–101. [Google Scholar] [CrossRef]
- Huang, C.; Mok, P.K.T. A 100 Mhz 82.4% efficiency package bondwire based four-phase fully-integrated buck converter with flying capacitor for area reduction. IEEE J. Solid-State Circuits 2013, 48, 2977–2988. [Google Scholar] [CrossRef]
- Xiao, J.; Peterchev, A.; Zhang, J.; Sanders, S. An ultra-low-power digitally controlled buck converterIC for cellular phone applications. In Proceedings of the Nineteenth Annual IEEE Applied Power Electronics Conference and Exposition (APEC’04), Anaheim, CA, USA, 22–26 February 2004; pp. 383–391. [Google Scholar]
- Bang, S.Y.; Blaauw, D.; Sylvester, D. A Successive-Approximation Switched-Capacitor DC-DC Converter with Resolution of VIN/2N for a Wide Range of Input and Output Voltages. IEEE J. Solid-State Circuits 2016, 51, 543–556. [Google Scholar]
- Kim, W.Y.; Brooks, D.; Wei, G.-Y. A Fully-Integrated 3-Level DC-DC Converter for Nanosecond-Scale DVFS. IEEE J. Solid-State Circuits 2012, 47, 206–219. [Google Scholar] [CrossRef]
- Hua, Z.; Lee, H. A Reconfigurable Dual-Output Switched-Capacitor DC-DC Regulator with Sub-Harmonic Adaptive-On-Time Control for Low-Power Applications. IEEE J. Solid-State Circuits 2015, 50, 724–736. [Google Scholar] [CrossRef]
- Sanders, S.R.; Alon, E.; Le, H.P.; Seeman, M.D.; John, M.; Ng, V.W. The road to fully integrated DC–DC conversion via the switched-capacitor approach. IEEE Trans. Power Electron. 2013, 28, 4146–4155. [Google Scholar] [CrossRef]
- Ragheb, A.N.; Kim, H.; Lee, J.-J. 84% High efficiency dynamic voltage scaler with nano-second settling time based on charge-pump and BWC-DAC. Microelectron. J. 2018, 79, 91–97. [Google Scholar] [CrossRef]
- Salem, L.G.; Mercier, P.P. A Recursive Switched-Capacitor DC-DC Converter Achieving 2N-1 Ratios with High Efficiency over a Wide Output Voltage Range. IEEE J. Solid-State Circuits 2014, 49, 2773–2787. [Google Scholar] [CrossRef]
- Turnquist, M.; Hiienkari, M.; Mäkipää, J.; Koskinen, L. A fully integrated 2:1 self-oscillating switched-capacitor DC-DC converter in 28 nm UTBB FD-SOI. J. Low Power Electron. Appl. 2016, 6, 17. [Google Scholar] [CrossRef]
- Nielsen-Lónn, M.; Angelov, P.; Wikner, J.J.; Alvandpour, A. Self-oscillating multilevel switched-capacitor DC/DC converter for energy harvesting. In Proceedings of the 2017 IEEE Nordic Circuits and Systems Conference (NORCAS): NORCHIP and International Symposium of System-on-Chip (SoC), Linkoping, Sweden, 23–25 October 2017; pp. 1–5. [Google Scholar]
- Butzen, N.; Steyaert, M.S.J. Design of Soft-Charging Switched-Capacitor DC–DC Converters Using Stage Outphasing and Multiphase Soft-Charging. IEEE J. Solid-State Circuits 2017, 52, 3132–3141. [Google Scholar] [CrossRef]
- Rodríguez-Pérez, A.; Delgado-Restituto, M.; Medeiro, F. Impact of parasitics on even symmetric split-capacitor arrays. Int. J. Circuit Theor. Appl. 2013, 41, 972–987. [Google Scholar] [CrossRef]
- Chiu, P.-Y.; Ker, M.-D. Metal-layer Capacitors in the 65nm CMOS Process and the Application for Low-Leakage Power-Rail ESD Clamp Circuit. Microelectron. Reliab. 2013, 54, 64–70. [Google Scholar] [CrossRef]
- Ju, Y.M.; Shin, S.-U.; Huh, Y.; Park, S.-H.; Bang, J.-S.; Kim, K.-D.; Choi, S.-W.; Lee, J.-H.; Cho, G.-H. 10.4 A hybrid inductor-based flying-capacitor-assisted step-up/step-down DC-DC converter with 96.56% efficiency. In Proceedings of the 2017 IEEE International Solid-State Circuits Conference (ISSCC), San Francisco, CA, USA, 5–9 February 2017; pp. 184–185. [Google Scholar]
- Favrat, P.; Deval, P.; Declercq, M.J. A high-efficiency CMOS voltage doubler. IEEE J. Solid-State Circuits 1998, 33, 410–416. [Google Scholar] [CrossRef]
- Le, H.; Sanders, S.R.; Alon, E. Design Techniques for Fully Integrated Switched-Capacitor DC-DC Converters. IEEE J. Solid-State Circuits 2011, 46, 2120–2131. [Google Scholar] [CrossRef]
- Seeman, M. A Design Methodology for Switched-Capacitor DC-DC Converters. Ph.D. Dissertation, University of California, Berkeley, CA, USA, May 2009. [Google Scholar]





























| CL (nF) | VRipple1 (mV) | VRipple2 (mV) | VRipple3 (mV) | VRipple4 (mV) |
|---|---|---|---|---|
| 0.5 | 2.16 | 1.72 | 1.67 | 1.72 |
| 1 | 1.1 | 0.854 | 0.849 | 0.955 |
| 1.5 | 0.74 | 0.568 | 0.567 | 0.575 |
| 2 | 0.556 | 0.424 | 0.425 | 0.43 |
| 2.5 | 0.44 | 0.335 | 0.338 | 0.337 |
| 3 | 0.363 | 0.28 | 0.283 | 0.288 |
| 3.5 | 0.317 | 0.237 | 0.242 | 0.245 |
| 4 | 0.275 | 0.21 | 0.199 | 0.212 |
| Bcode = (010110)2 | Bcode = (001100)2 | ||||
|---|---|---|---|---|---|
| Voutk | CR | Value (V) | Voutk | CR | Value (V) |
| Vout1 | 0.75 | Vout1 | 0.75 | ||
| Vout2 | 1.125 | Vout2 | 0.375 | ||
| Vout3 | 0.5625 | Vout3 | 0.9375 | ||
| Vout4 | 1.03125 | Vout4 | 1.2187 | ||
| Vout5 | 1.26562 | Vout5 | 0.609 | ||
| Vout6 | 0.6328 | Vout6 | 0.304 | ||
| Parameter | RL = 10 KΩ, | RL = 2 KΩ, | |||
|---|---|---|---|---|---|
| Simulated | Calculated | Simulated | Calculated | ||
| Vout (mV) | 745.66 | 745.7 | 728.881 | 728.95 | |
| Iout (µA) | 74.566 | 74.57 | 364.4405 | 364.475 | |
| Iloss (µA) | 0.434 | 0.43 | 10.5595 | 10.525 | |
| Pout (µW) | 55.6009 | 55.6068 | 265.6337 | 265.684 | |
| Ploss (µW) | 0.649 | 0.646 | 15.616 | 15.565 | |
| η (%) | 98.8 | 98.85 | 94.447 | 94.465 | |
| [9] | [14] | [15] | [16] | [17] | This Work | |
|---|---|---|---|---|---|---|
| Year | 2016 | 2014 | 2016 | 2017 | 2017 | 2018 |
| Tech. (nm) | 180 | 250 | 28 | 180 | 28 | 130 |
| Topology | 7-bit SAR | 4-bit recursive | Self-oscillation | Multi-level self-oscillation | Soft-charging | 4-bit swapping |
| Vin (V) | 3.4–4.3 | 2.5 | 1–1.2 | 0.7–20 | 3.2 | 1.5 |
| Fsw (MHz) | 0.08–2.7 | 0.2–10 | - | - | 1600 | 50 |
| Conversion Ratio | 117 | 15 | 2:1 | 3:1 | 16 | |
| Step Size (mV) | 31.25 @ Vin = 4V | 156 | - | - | - | 85 |
| Vout (V) | >0.45 | 0.1–2.18 | 0.38–0.485 | 0.7–5.5 | 0.95 | 0.085–1.424 |
| Vripple (mV) | ≥17.15 | - | ≤48.5 | - | - | 2.656 |
| Iout (µA) | 300 | 2000 | 0.172–435 | 10.7 | 40.5–550 | |
| C (nF) | 2.5 | 3 | 0.135 | 0.722 | 1.5 | 0.4 |
| Efficiency (%) | 72 | 85 | 87 @ Vout = 0.46 | 68.7 @ Vin = 7.5 | 82.6 | 85 |
| Area (mm2) | 1.69 | 4.645 | 0.104 | 0.55 | 0.117 | 0.334 |
© 2019 by the authors. Licensee MDPI, Basel, Switzerland. This article is an open access article distributed under the terms and conditions of the Creative Commons Attribution (CC BY) license (http://creativecommons.org/licenses/by/4.0/).
Share and Cite
Ragheb, A.N.; Kim, H.W. Reference-Free Dynamic Voltage Scaler Based on Swapping Switched-Capacitors. Energies 2019, 12, 625. https://doi.org/10.3390/en12040625
Ragheb AN, Kim HW. Reference-Free Dynamic Voltage Scaler Based on Swapping Switched-Capacitors. Energies. 2019; 12(4):625. https://doi.org/10.3390/en12040625
Chicago/Turabian StyleRagheb, A. N., and Hyung Won Kim. 2019. "Reference-Free Dynamic Voltage Scaler Based on Swapping Switched-Capacitors" Energies 12, no. 4: 625. https://doi.org/10.3390/en12040625
APA StyleRagheb, A. N., & Kim, H. W. (2019). Reference-Free Dynamic Voltage Scaler Based on Swapping Switched-Capacitors. Energies, 12(4), 625. https://doi.org/10.3390/en12040625

