An Overview of Ancillary Services and HVDC Systems in European Context
Abstract
1. Introduction
2. Ancillary Services Overview
- Loss compensation
- Frequency Control
- Black start capability
- Voltage or reactive power Control
- Oscillation damping
- Congestion management
2.1. Loss Compensation
2.2. Frequency Control
- a
- Time to recover frequency: The maximum expected time (for the synchronous area of Continental Europe (CE), Great Britain (GB) and Ireland & Northern Ireland (IE/NI)) after the occurrence of an imbalance (smaller than or equal to the reference incident) in which the system frequency returns to the maximum steady-state frequency deviation [15]. This time varies depending upon the time constants of equipments participating in the frequency control. The different time constants associated with AC and DC systems are presented in more detail in Section 4.
- b
- Frequency recovery range: The range for the system frequency within which the system frequency is expected to be restored within the time of recover frequency in event of an imbalance (equal to or smaller than the reference incident) in the synchronous area of CE, GB and IE/NI [15].
- c
- Frequency restoration range: The system frequency range (for GB, IE/NI and Nordic synchronous areas) to which the system frequency is expected to return within the time to restore frequency, after the occurrence of an imbalance (equal to or smaller than the reference incident) [15].
- d
- Standard frequency range: Defined symmetrical interval around the nominal frequency within which the system frequency of a synchronous area is supposed to be operated [15].
- e
- Standard frequency deviation: Absolute value of the frequency deviation limiting the standard frequency range [15].
- f
- Steady-state frequency deviation: Absolute value of frequency deviation once the system frequency has stabilized after occurrence of an imbalance [15].
- i
- Inertia Support
- ii
- Frequency Containment Reserve or Primary Control
- iii
- Frequency Restoration Reserve or Secondary Control
- iv
- Replacement Reserve or Tertiary Control
- i
- Inertia Support: Inertia support is the autonomous response of power system components to frequency deviations. When provided by synchronous machines, it represents the kinetic energy in rotating parts of the synchronous generators which is released on occurrence of system imbalance events [17]. Whenever there is any deviation in the frequency (from predefined nominal frequency value), the generators vary the power generation accordingly and makeup for the small deviations in frequency. For frequency decrease below the nominal frequency value, the power generation is increased by the synchronous generators which in turn brings the frequency back to its nominal value and the reverse happens in case of an increase in frequency [18]. The inertial response is the fastest response for any deviation in frequency (it starts as soon as any deviation in the system frequency is observed) [19]. Inertia of power system is an important parameter for frequency stability, and it influences the initial rate of change of frequency after a system imbalance. If a system has higher inertia the frequency deviation will be slower and hence TSO will have margin for activation of reserves [20].
- ii
- Frequency Containment Reserve or Primary Control: Active power reserves available to contain the deviation in the frequency whenever there is mismatch between load and generation (system imbalance) are termed as ‘frequency containment reserves’ or ‘FCR’ [15]. The FCR are activated within a few seconds of imbalance and remains active for a limited period of time. The active power injection set points of the generators remains unchanged during this time [21].
- iii
- Frequency Restoration Reserve or Secondary Control: ‘Frequency restoration reserves’ or ‘FRR’ are active power reserves which are available to recover the frequency back to nominal frequency value after any disturbance. FRR are also used for fine regulation of frequency. FRR reestablish the power balance to scheduled value for a control area with more than one Load frequency control (LFC) areas [15]. FRR brings the area control error (ACR) to zero by restoring the power exchanges between different zones to original values. The active power set points of various generators in the control area with imbalance are changed so that the committed FCR are again available [21]. FRR can be activated automatically and manually [10].
- iv
- Replacement Reserve or Tertiary Control: ‘Replacement reserves’ or ‘RR’ are the active power reserves available to restore and support the required level of FRR and to be prepared for further system imbalances, including generation reserves [15]. RR are activated manually as a result of system optimization by the system operator [21].
2.3. Black Start Capability
2.4. Voltage or Reactive Power Control
- i
- ii
- Centralized control: ‘Centralized voltage control’ is a national/utility level manual voltage control that is activated on the request of the TSO by the control service provider. This control is aimed at optimizing the set points of pilot nodes based on centralized power flow studies. Centralized control manages the reactive power in the system so as to minimize system losses, increase dispatch control efficiency, reactive power resources co-ordination in real time in normal grid operation and recover the voltage level deviation [31].
2.5. Oscillation Damping
2.6. Congestion Management
3. Ancillary Services in De-Regularized Electricity Market Context
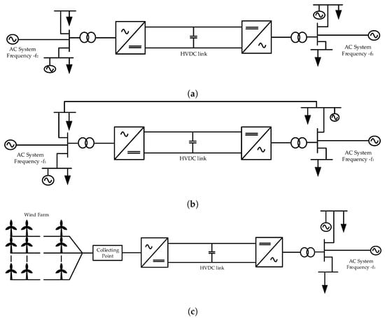
4. HVDC Transmission Systems, Control and Dynamics
5. Ancillary Services and HVDC Systems
- i
- LCC-based HVDC system: The authors in [59,60,61,62] have proposed some approaches to control the system voltage from LCC-based HVDC systems. Voltage stability analysis for multi-feed HVDC system using STATCOM has been presented by authors in [63]. Various methods for providing frequency control service from such HVDC systems are presented in [64,65]. In [66], the authors have proposed virtual synchronous generators (VSG) approach for providing frequency control from islanded windfarms. Methods for providing blackstart service with LCC-based HVDC systems has been detailed in [67,68]. Methods for power oscillation damping using LCC-based HVDC systems for connected AC systems are detailed in [62,69,70].
- ii
- VSC-based HVDC system: In [71,72], the authors have proposed VSG approach for providing fast frequency control and virtual inertia from the VSC-based HVDC converter stations. Fast frequency and AC system voltage control has been proposed by the authors in [73]. For providing primary frequency support (FCR) from offshore windfarms, HVDC converter control techniques have been proposed in [74,75,76,77,78]. In [59,79,80,81], the authors have discussed the provisions for AC system voltage control service from HVDC systems. The method for providing frequency from the energy stored in HVDC link is highlighted in [82]. The authors in [83,84,85] have presented the various studies on blackstart capabilities of VSC-based HVDC systems. In [86,87,88,89,90], the authors have highlighted the control aspects for oscillation damping for VSC-based HVDC systems.
6. Conclusions
Funding
Conflicts of Interest
References
- Rebours, Y.G.; Kirschen, D.S.; Trotignon, M.; Rossignol, S. A Survey of Frequency and Voltage Control Ancillary Services—Part I: Technical Features. IEEE Trans. Power Syst. 2007, 22, 350–357. [Google Scholar] [CrossRef]
- Australian Energy Market Operator: Ancillary Services. Available online: https://www.aemo.com.au/Electricity/National-Electricity-Market-NEM/Security-and-reliability/Ancillary-services (accessed on 9 September 2019).
- PJM: Ancillary Services Market: Reserves. Available online: https://learn.pjm.com/three-priorities/buying-and-selling-energy/ancillary-services-market/reserves.aspx (accessed on 9 September 2019).
- PJM: Ancillary Services Market. Available online: https://learn.pjm.com/three-priorities/buying-and-selling-energy/ancillary-services-market.aspx (accessed on 9 September 2019).
- California ISO: Market Operations: Market Processes. Available online: http://www.caiso.com/market/Pages/MarketProcesses.aspx (accessed on 9 September 2019).
- AEMO: Guide to Ancillary Services in the National Electricity Market. Available online: https://www.aemo.com.au/-/media/Files/PDF/Guide-to-Ancillary-Services-in-the-National-Electricity-Market.pdf (accessed on 9 September 2019).
- Official Journal of the European Union: Commission Regulation(EU) 2017/2195 of 23 November 2017 Establishing a Guideline on Electricity Balancing. Available online: https://eur-lex.europa.eu/legal-content/EN/TXT/PDF/?uri=CELEX:32017R2195&from=GA (accessed on 9 September 2019).
- Australian Energy Market Operator: Non-Market Ancillary Services. Available online: https://www.aemo.com.au/-/media/Files/Electricity/NEM/Security_and_Reliability/Power_System_Ops/Procedures/SO_OP_3708---Non-market-Ancillary-Services.pdf (accessed on 9 September 2019).
- ANEXT: KRAFTWERKE: Balancing Markets. Available online: https://www.next-kraftwerke.be/en/knowledge-hub/balancing-markets/ (accessed on 9 September 2019).
- ENTSO-E: Balancing and Ancillary Services Markets. Available online: https://www.entsoe.eu/about/market/#balancing-and-ancillary-services-markets (accessed on 9 September 2019).
- Survey on Ancillary Services Procurement, Balancing Market Design 2018 by ENTSO-E WGAS, March 2019. Available online: https://www.entsoe.eu/publications/market-reports/#survey-on-ancillary-services-procurement-and-electricity-balancing-market-design (accessed on 9 September 2019).
- Van Hertem, D.; Robert, H.; Renner, R.H.; Johan Rimez, J. Chapter 10—Power system operation with HVDC grids. In HVDC Grids For Offshore and Supergrid of the Future; Van Hertem, D., Gomis-Bellmunt, O., Liang, J., Eds.; IEEE Press Series on Power Engineering; John Wiley & Sons: Hoboken, NJ, USA, 2016; pp. 230–235. ISBN 978-1-118-85915-5. [Google Scholar]
- ENTSO-E. Requirements for Grid Connection Applicable to All Generators; Technical Report; ENTSO-E: Brussels, Belgium, 2013. [Google Scholar]
- Renner, R.H.; Van Hertem, D. Ancillary services in electric power systems with HVDC grids. IET Gener. Transm. Distrib. 2015, 9, 1179–1185. [Google Scholar] [CrossRef]
- Official Journal of the European Union: Commission Regulation(EU) 2017/1485 of 2 August 2017 Establishing a Guideline on Electricity Transmission System Operation. Available online: https://eur-lex.europa.eu/legal-content/EN/TXT/PDF/?uri=CELEX:32017R1485&from=EN (accessed on 9 September 2019).
- Kirschen, D.S.; Strbac, G. Chapter 5—System security and ancillary services. In Fundamental of Power System Ecconomics; John Wiley & Sons Ltd.: Chichester, UK, 2004; pp. 105–139. ISBN 0-470-84572-4. [Google Scholar]
- Tielens, P.; Van Hertem, D. The relevance of inertia in power systems. Renew. Sustain. Energy Rev. 2016, 55, 999–1009. [Google Scholar] [CrossRef]
- Future System Inertia: ENTSO-E Report. Available online: https://docstore.entsoe.eu/Documents/Publications/SOC/Nordic/Nordic_report_Future_System_Inertia.pdf (accessed on 9 September 2019).
- Future Ancillary Services in ERCOT. ERCOT concept paper, Draft version 1.0, 2013. Available online: https://www.ferc.gov/CalendarFiles/20140421084800-ERCOT-ConceptPaper.pdf (accessed on 9 September 2019).
- Need for Synthetic Inertia (SI) for Frequency Regulation: ENTSO-E Guidance Document for National Implementation for Network Codes on Grid Connection 2 November 2017. Available online: https://consultations.entsoe.eu/system-development/entso-e-connection-codes-implementationguidance-d-4/user_uploads/6---igd-on-si.pdf (accessed on 9 September 2019).
- Beerten, J. Chapter 15—Control Principles of HVDC Grids. In HVDC Grids For Offshore and Supergrid of the Future; Van Hertem, D., Gomis-Bellmunt, O., Liang, J., Eds.; IEEE Press Series on Power Engineering; John Wiley & Sons: Hoboken, NJ, USA, 2016; pp. 315–331. ISBN 978-1-118-85915-5. [Google Scholar]
- Elia Product Desciption for Ancillary Services. Available online: http://www.elia.be/en/suppliers/purchasing-categories/energy-purchases/Ancillary-services/Product-Description (accessed on 9 September 2019).
- Final Report on “Qualitative Analysis of Cross-Border Exchange of Balancing Energy and Operational Reserves between Netherlands and Belgium”; DNV KEMA Energy & Sustainability: Bonn, Germany, August 2013.
- Renner, R.H. Interaction of HVDC Grids and AC Power Systems Operation and Control. Ph.D. Thesis, KU Leuven, Leuven, Belgium, 2016. [Google Scholar]
- Knight, U.G. Power Systems in Emergencies: From Contingency Planning to Crisis Management; John Wiley & Sons: Hoboken, NJ, USA, 2001; ISBN 978-0-471-49016-6. [Google Scholar]
- Pentayya, P.; Gartia, A.; Das, A.P.; Kumar, C. Black Start Exercises Experience in Western Region, India. In Proceedings of the 2013 Annual IEEE India Conference (INDICON), Mumbai, India, 13–15 December 2013; pp. 1–5. [Google Scholar] [CrossRef]
- Sun, W.; Liu, C.; Zhang, L. Optimal Generator Start-Up Strategy for Bulk Power System Restoration. IEEE Trans. Power Syst. 2011, 26, 1357–1366. [Google Scholar] [CrossRef]
- Saraf, N.; McIntyre, K.; Dumas, J.; Santoso, S. The Annual Black Start Service Selection Analysis of ERCOT Grid. IEEE Trans. Power Syst. 2009, 24, 1867–1874. [Google Scholar] [CrossRef]
- Elia pRoduct Desciption for Ancillary Services-Voltage and Reactive Power Control. Available online: http://www.elia.be/~/media/files/Elia/Products-and-services/ProductSheets/S-Ondersteuning-net/S6_EN_2016.pdf (accessed on 9 September 2019).
- IEEE Recommended Practice for Excitation System Models for Power System Stability Studies; IEEE Std 421.5-2005 (Revision of IEEE Std 421.5-1992); IEEE: Piscataway, NJ, USA, 2006; pp. 1–93. [CrossRef]
- Corsi, S. Voltage Control and Protection in Electrical Power Systems—From System Components to Wide-Area Control; Springer: London, UK, 2015; pp. 163–190. ISBN 978-1-4471-6636-8. [Google Scholar]
- Panda, S. Multi-objective evolutionary algorithm for SSSC-based controller design. Electric Power Syst. Res. 2009, 79, 937–944. [Google Scholar] [CrossRef]
- Mithulananthan, N.; Canizares, C.A.; Reeve, J.; Rogers, G.J. Comparison of PSS, SVC, and STATCOM controllers for damping power system oscillations. IEEE Trans. Power Syst. 2003, 18, 786–792. [Google Scholar] [CrossRef]
- Dominguez-Garcia, J.L.; Ugalde-Loo, C.E. Chapter 19—Power System Oscillation damping by means of VSC-HVDC systems. In HVDC Grids For Offshore and Supergrid of the Future; Van Hertem, D., Gomis-Bellmunt, O., Liang, J., Eds.; IEEE Press Series on Power Engineering; John Wiley & Sons: Hoboken, NJ, USA, 2016; pp. 315–331. ISBN 978-1-118-85915-5. [Google Scholar]
- Klein, M.; Rogers, G.J.; Kundur, P. A fundamental study of inter-area oscillations in power systems. IEEE Trans. Power Syst. 1991, 6, 914–921. [Google Scholar] [CrossRef]
- Larsen, E.V.; Sanchez-Gasca, J.J.; Chow, J.H. Concepts for design of FACTS controllers to damp power swings. IEEE Trans. Power Syst. 1995, 10, 948–956. [Google Scholar] [CrossRef]
- Kumar, A.; Srivastava, S.C.; Singh, S.N. A zonal congestion management approach using real and reactive power rescheduling. IEEE Trans. Power Syst. 2004, 19, 554–562. [Google Scholar] [CrossRef]
- Yusoff, N.I.; Zin, A.A. Congestion Management in Power Systems—A review. In Proceedings of the 3rd International Conference on Power Generation Systems and Renewable Energy Technologies (PGSRET), Johor Bahru, Malaysia, 4–6 April 2017; pp. 22–27. [Google Scholar] [CrossRef]
- Official Journal of the European Union: Commission Regulation(EU) 2015/1222 of 24 July 2015 Establishing a Guideline on Capacity Allocation and Congestion Management. Available online: https://eur-lex.europa.eu/legal-content/EN/TXT/PDF/?uri=CELEX:32015R1222&from=EN (accessed on 9 September 2019).
- CREG Paper (Z)1847: Paper on the Belgian Day-Ahead Wholesale Electricity Market from 1 to 7 October 2018, Focusing on the Market Outcomes for 3 October 2018. Available online: https://www.creg.be/sites/default/files/assets/Publications/Notes/Z1847EN.pdf (accessed on 9 September 2019).
- Emami, H.; Sadri, J.A. Congestion management of transmission lines in the market environment. Int. Res. J. Appl. Basic Sci. 2012, 3, 2572–2580. [Google Scholar] [CrossRef]
- Singh, N.; David, A.K. Towards dynamic security-constrained congestion management in open power market. IEEE Power Eng. Rev. 2000, 20, 45–47. [Google Scholar] [CrossRef]
- Yousefi, A.; Nguyen, T.T.; Zareipour, H.; Malik, O.P. Congestion management using demand response and FACTS devices. Int. J. Electr. Power Energy Syst. 2012, 37, 78–85. [Google Scholar] [CrossRef]
- Pillay, A.; Karthikeyan, S.P.; Kothari, D.P. Congestion management in power systems—A review. Int. J. Electr. Power Energy Syst. 2015, 70, 83–90. [Google Scholar] [CrossRef]
- Mwanza, K.; Shi, Y. Congestion Management: Re-Dispatch and Application of Facts. Master’s Thesis, Department of Energy and Environment, Chalmers University of Technology, Goteborg, Sweden, 2006. [Google Scholar]
- Regelleistung Website. Available online: https://www.regelleistung.net (accessed on 9 September 2019).
- Wang, H.; Redfern, M.A. The advantages and disadvantages of using HVDC to interconnect AC networks. In Proceedings of the 45th International Universities Power Engineering Conference UPEC, Cardiff, Wales, UK, 31 August–3 September 2010; pp. 1–5. [Google Scholar]
- Flourentzou, N.; Agelidis, V.G.; Demetriades, G.D. VSC-Based HVDC Power Transmission Systems: An Overview. IEEE Trans. Power Electron. 2009, 24, 592–602. [Google Scholar] [CrossRef]
- ENTSO-E report on Technologies for Transmission Systems. Available online: https://tyndp.entsoe.eu/2016/insight-reports/technology/#line-commutated-converter-lcc-technology (accessed on 9 September 2019).
- Egea-Alvarez, A.; Beerten, J.; Van Hertem, D.; Gomis-Bellmunt, O. Primary and secondary power control of multiterminal HVDC grids. In Proceedings of the IET International Conference on AC and DC Power Transmission, Birmingham, UK, 4–5 December 2012; pp. 1–6. [Google Scholar] [CrossRef]
- Egea-Alvarez, A.; Junyent-Ferre, A.; Gomis Bellmunt, O. Modeling and Control of Sustainable Power Systems: Towards Smarter and Greener Electric Grids; Series: Green energy and technology; Springer: Berlin, Germany, 2012; pp. 47–81. [Google Scholar]
- Beerten, J.; Diaz, G.B.; D’Arco, S.; Suul, J.A. Comparison of small-signal dynamics in MMC and two-level VSC HVDC transmission schemes. In Proceedings of the IEEE International Energy Conference (ENERGYCON), Leuven, Belgium, 4–8 April 2016; pp. 1–6. [Google Scholar] [CrossRef]
- Loh, P.C.; Li, D.; Chai, Y.K.; Blaabjerg, F. Autonomous Operation of Hybrid Microgrid with AC and DC Subgrids. IEEE Trans. Power Electron. 2013, 28, 2214–2223. [Google Scholar] [CrossRef]
- Beerten, J.; Gomis-Bellmunt, O.; Guillaud, X.; Rimez, J.; van der Meer, A.; Van Hertem, D. Modeling and control of HVDC grids: A key challenge for the future power system. Power Syst. Comput. Conf. 2014, 1–21. [Google Scholar] [CrossRef]
- Kou, P.; Liang, D.; Wu, Z.; Ze, Q.; Gao, L. Frequency Support From a DC-Grid Offshore Wind Farm Connected Through an HVDC Link: A Communication-Free Approach. IEEE Trans. Energy Convers. 2018, 33, 1297–1310. [Google Scholar] [CrossRef]
- De Haan, J.E.S.; Concha, C.E.; Gibescu, M.; van Putten, J.; Doorman, G.L.; Kling, W.L. Stabilising system frequency using HVDC between the Continental European, Nordic, and Great Britain systems. Sustain. Energy Grids Netw. 2016, 5, 125–134. [Google Scholar] [CrossRef]
- Official Journal of the European Union: Commission Regulation(EU) 2016/1447 of 26 August 2016 Establishing a Network Code on Requirements for Grid Connection of High Voltage Direct Current Systems and Direct Current-Connected Power Park Modules. Available online: https://eur-lex.europa.eu/legal-content/EN/TXT/PDF/?uri=CELEX:32016R1447&from=EN (accessed on 9 September 2019).
- Renner, R.H.; Van Hertem, D. Potential of Wind Farms Connected to HVdc Grid to Provide DC Ancillary Services. IEEE Trans. Sustain. Energy 2018, 9, 1011–1020. [Google Scholar] [CrossRef]
- Xue, Y.; Zhang, X. Reactive Power and AC Voltage Control of LCC HVDC System with Controllable Capacitors. IEEE Trans. Power Syst. 2017, 32, 753–764. [Google Scholar] [CrossRef]
- Yin, H.; Fan, L.; Miao, Z. Fast Power Routing Through HVDC. IEEE Trans. Power Deliv. 2012, 27, 1432–1441. [Google Scholar] [CrossRef]
- Liu, H.; Sun, J. Small-signal stability analysis of offshore wind farms with LCC HVDC. In Proceedings of the 2013 IEEE Grenoble Conference, Grenoble, France, 16–20 June 2013; pp. 1–8. [Google Scholar] [CrossRef]
- Azad, S.P.; Taylor, J.A.; Iravani, R. Decentralized Supplementary Control of Multiple LCC-HVDC Links. IEEE Trans. Power Syst. 2016, 31, 572–580. [Google Scholar] [CrossRef]
- Saichand, K.; Padiyar, K.R. Analysis of voltage stability in multi-infeed HVDC systems with STATCOM. In Proceedings of the 2012 IEEE International Conference on Power Electronics, Drives and Energy Systems (PEDES), Bengaluru, India, 16–19 December 2012; pp. 1–6. [Google Scholar] [CrossRef]
- Kaur, J.; Yogarathinam, A.; Chaudhuri, N.R. Frequency control for weak AC grid connected to wind farm and LCC-HVDC system: Modeling and stability analysis. In Proceedings of the IEEE Power and Energy Society General Meeting (PESGM), Boston, MA, USA, 17–21 July 2016; pp. 1–5. [Google Scholar] [CrossRef]
- Fan, L.; Miao, Z.; Osborn, D. Wind Farms With HVDC Delivery in Load Frequency Control. IEEE Trans. Power Syst. 2009, 24, 1894–1895. [Google Scholar] [CrossRef]
- He, X.; Geng, H.; Yang, G.; Zou, X. VSG Control for DFIG-based Islanded Wind Farm with LCC-HVDC Integration. In Proceedings of the IEEE Power & Energy Society General Meeting (PESGM), Portland, OR, USA, 5–10 August 2018; pp. 1–5. [Google Scholar] [CrossRef]
- Xue, Y.; Yang, C.; Zhang, X. Investigation of black start capability of LCC HVDC system with controllable capacitors. In Proceedings of the 12th IET International Conference on AC and DC Power Transmission (ACDC 2016), Beijing, China, 28–29 May 2016; pp. 1–6. [Google Scholar] [CrossRef]
- Andersson, M.; Cai, R.; Yang, C. Black start of a passive AC network using bipolar LCC HVDC. In Proceedings of the 3rd Annual Conference of HVDC and Power Electronics Special Committee, Wuhan, China, 29 October–1 November 2014. [Google Scholar]
- Azad, S.P.; Iravani, R.; Tate, J.E. Stability Enhancement of a DC-Segmented AC Power System. IEEE Trans. Power Deliv. 2015, 30, 737–745. [Google Scholar] [CrossRef]
- Rauhala, T.; Järventausta, P. On feasibility of SSDC to improve the effect of HVDC on subsynchronous damping on several lower range torsional oscillation modes. In Proceedings of the IEEE PES General Meeting, Providence, RI, USA, 25–29 July 2010; pp. 1–8. [Google Scholar] [CrossRef]
- Driesen, J.; Visscher, K. Virtual synchronous generators. In Proceedings of the IEEE Power and Energy Society General Meeting—Conversion and Delivery of Electrical Energy in the 21st Century, Pittsburgh, PA, USA, 20–24 July 2008; pp. 1–3. [Google Scholar] [CrossRef]
- D’Arco, S.; Suul, J.A.; Fosso, O.B. Small-Signal Modeling and Parametric Sensitivity of a Virtual Synchronous Machine in Islanded Operation. Int. J. Electr. Power Energy Syst. 2015, 72, 3–15. [Google Scholar] [CrossRef]
- Musa, A.; Kaushal, A.; Gurumurthy, S.K.; Raisz, D.; Ponci, F.; Monti, A. Development and Stability Analysis of LSD-Based Virtual Synchronous Generator for HVDC Systems. In Proceedings of the 44th Annual Conference of the IEEE Industrial Electronics Society, Washington, DC, USA, 21–23 October 2018; pp. 3535–3542. [Google Scholar] [CrossRef]
- Hughes, F.M.; Anaya-Lara, O.; Jenkins, N.; Strbac, G. Control of DFIG-based wind generation for power network support. IEEE Trans. Power Syst. 2005, 20, 1958–1966. [Google Scholar] [CrossRef]
- Ullah, N.R.; Thiringer, T.; Karlsson, D. Temporary Primary Frequency Control Support by Variable Speed Wind Turbines—Potential and Applications. IEEE Trans. Power Syst. 2008, 23, 601–612. [Google Scholar] [CrossRef]
- Keung, P.; Li, P.; Banakar, H.; Ooi, B.T. Kinetic Energy of Wind-Turbine Generators for System Frequency Support. IEEE Trans. Power Syst. 2009, 24, 279–287. [Google Scholar] [CrossRef]
- Vidyanandan, K.V.; Senroy, N. Primary frequency regulation by deloaded wind turbines using variable droop. IEEE Trans. Power Syst. 2013, 28, 837–846. [Google Scholar] [CrossRef]
- Tavakoli, M.; Pouresmaeil, E.; Adabi, J.; Godina, R.; Catalão, J.P.S. Load-frequency control in a multi-source power system connected to wind farms through multi terminal HVDC systems. Comput. Oper. Res. 2018, 96, 305–315. [Google Scholar] [CrossRef]
- Li, S.; Haskew, T.A.; Xu, L. Control of HVDC Light System Using Conventional and Direct Current Vector Control Approaches. IEEE Trans. Power Electron. 2010, 25, 3106–3118. [Google Scholar] [CrossRef]
- Rabiee, A.; Soroudi, A.; Keane, A. Risk-Averse Preventive Voltage Control of AC/DC Power Systems Including Wind Power Generation. IEEE Trans. Sustain. Energy 2015, 6, 1494–1505. [Google Scholar] [CrossRef]
- Li, Z.; He, Y.; Li, Y.; Gu, W.; Tang, Y.; Zhang, X. Hybrid Control Strategy for AC Voltage Stabilization in Bipolar VSC-MTDC. IEEE Trans. Power Syst. 2019, 34, 129–139. [Google Scholar] [CrossRef]
- Junyent-Ferr, A.; Pipelzadeh, Y.; Green, T.C. Blending HVDC-Link Energy Storage and Offshore Wind Turbine Inertia for Fast Frequency Response. IEEE Trans. Sustain. Energy 2015, 6, 1059–1066. [Google Scholar] [CrossRef]
- Becker, H.; Naranovich, A.; Hennig, T.; Akbulut, A.; Mende, D.; Stock, S.; Hofmann, L. System restoration using VSC-HVDC connected offshore wind power plant as black-start unit. In Proceedings of the 19th European Conference on Power Electronics and Applications (EPE’17 ECCE Europe), Warsaw, Poland, 11–14 September 2017; pp. 1–8. [Google Scholar] [CrossRef]
- Macleod, N.; Cowton, N.; Egan, J. System restoration using the “black” start capability of the 500MW EIRGRID East- West VSC-HVDC interconnector. In Proceedings of the IET International Conference on Resilience of Transmission and Distribution Networks (RTDN), Birmingham, UK, 22–24 September 2015; pp. 1–5. [Google Scholar] [CrossRef]
- Li, L.; Zhou, M.; Li, S.; Li, Y. A New Method of Black Start Based on VSC-HVDC. In Proceedings of the International Conference on Computing, Control and Industrial Engineering, Wuhan, China, 5–6 June 2010; pp. 300–303. [Google Scholar] [CrossRef]
- Preece, R.; Milanović, J.V.; Almutairi, A.M.; Marjanovic, O. Damping of inter-area oscillations in mixed AC/DC networks using WAMS based supplementary controller. IEEE Trans. Power Syst. 2013, 28, 1160–1169. [Google Scholar] [CrossRef]
- Pipelzadeh, Y.; Chaudhuri, B.; Green, T.C. Control Coordination Within a VSC HVDC Link for Power Oscillation Damping: A Robust Decentralized Approach Using Homotopy. IEEE Trans. Control Syst. Technol. 2013, 21, 1270–1279. [Google Scholar] [CrossRef]
- D’Arco, S.; Suul, J.A.; Molinas, M. Implementation and analysis of a control scheme for damping of oscillations in VSC-based HVDC grids. In Proceedings of the 16th International Power Electronics and Motion Control Conference and Exposition, Antalya, Turkey, 21–24 September 2014; pp. 586–593. [Google Scholar] [CrossRef]
- Preece, R.; Almutairi, A.M.; Marjanovic, O.; Milanović, J.V. Damping of inter-area oscillations using WAMS based supplementary controller installed at VSC based HVDC line. In Proceedings of the IEEE Trondheim PowerTech, Trondheim, Norway, 19–23 June 2011; pp. 1–8. [Google Scholar] [CrossRef]
- Corsi, S.; Danelli, A.; Pozzi, M. Emergency-stability controls through HVDC links. In Proceedings of the IEEE Power Engineering Society Summer Meeting, Chicago, IL, USA, 21–25 July 2002; Volume 2, pp. 774–779. [Google Scholar] [CrossRef]











| Parameter | CE | GB | IE/NI | Nordic System |
|---|---|---|---|---|
| Standard frequency range (mHz) | ±50 | ±200 | ±200 | ±100 |
| Maximum instantaneous deviation (mHz) | 800 | 800 | 1000 | 1000 |
| Maximum steady-state deviation (mHz) | 200 | 500 | 500 | 500 |
| CE | Nordic | GB | IE & NI | Baltic | |
|---|---|---|---|---|---|
| Connection point voltage 110 kV–300 kV | |||||
| Voltage range (pu) | 0.9–1.118 | 0.9–1.05 | 0.9–1.10 | 0.9–1.118 | 0.9–1.118 |
| Connection point voltage 300 kV–400 kV | |||||
| Voltage range (pu) | 0.9–1.05 | 0.9–1.05 | 0.9–1.05 | 0.9–1.05 | 0.9–1.097 |
| Frequency Restoration Reserve—Energy | ||||
|---|---|---|---|---|
| Germany | Belgium | France | Norway | |
| Activation rule | Merit order | Pro rata | ||
| Procurement Scheme | Market only | Mandatory only | - | |
| Product Resolution (MW) | 1 < x ≤ 5 | x ≤ 1 | no minimum bid size | - |
| Product Resolution (in time) | 1 h | 15 min | 30 min | - |
| Distance to real time for auction | x ≤ 1 min | 5 < x ≤ 15 min | - | |
| Provider | Generators + load + pump storage | Generators+ pump storage | Generators | |
| Activation time (0 to max) | 90 s < x ≤ 5 min | 5 min < x ≤ 15 min | 90 s < x ≤ 5 min | |
| Settlement rule | Bid price | - | Marginal price | |
| Cost Recovery Scheme | Balance responsible party | Grid users | Balance responsible party | Grid users |
| System | Asynchronous | Synchronous | Offshore | Remarks | ||||
|---|---|---|---|---|---|---|---|---|
| Services | LCC Based | VSC Based | LCC Based | VSC Based | LCC Based | VSC Based | ||
| Inertia | NA | NA | VSC-based HVDC systems offer better controllability for offshore connections | |||||
| FCR | NA | NA | Synchronous zone embedded HVDC systems cannot provide Inertia and FCR | |||||
| FRR | NA | NA | HVDC systems provide better controllability as compared to AC systems | |||||
| RR | NA | NA | ||||||
| Voltage control | − | − | − | LCC-based HVDC systems cannot provide voltage control and Black start capability | ||||
| Black start | − | − | − | |||||
| Congestion Management | − | − | HVDC systems have better power carrying capability than AC systems | |||||
| Oscillation damping | + | + | VSC-based HVDC systems have better oscillation damping capabilities | |||||
© 2019 by the authors. Licensee MDPI, Basel, Switzerland. This article is an open access article distributed under the terms and conditions of the Creative Commons Attribution (CC BY) license (http://creativecommons.org/licenses/by/4.0/).
Share and Cite
Kaushal, A.; Van Hertem, D. An Overview of Ancillary Services and HVDC Systems in European Context. Energies 2019, 12, 3481. https://doi.org/10.3390/en12183481
Kaushal A, Van Hertem D. An Overview of Ancillary Services and HVDC Systems in European Context. Energies. 2019; 12(18):3481. https://doi.org/10.3390/en12183481
Chicago/Turabian StyleKaushal, Abhimanyu, and Dirk Van Hertem. 2019. "An Overview of Ancillary Services and HVDC Systems in European Context" Energies 12, no. 18: 3481. https://doi.org/10.3390/en12183481
APA StyleKaushal, A., & Van Hertem, D. (2019). An Overview of Ancillary Services and HVDC Systems in European Context. Energies, 12(18), 3481. https://doi.org/10.3390/en12183481

