Energy Modelling and Calibration of Building Simulations: A Case Study of a Domestic Building with Natural Ventilation
Abstract
1. Introduction
2. Description of the Experimental System and Methods
2.1. Building Description
2.2. Measurement and Monitoring
- air temperature, humidity, solar radiation, wind velocity, and wind direction, collected from a MIDAS (Met Office Integrated Data Archive System) [25] located at Sutton Bonington, 6.5 km from the house;
- indoor temperature;
- gas consumption (m3);
- electricity consumption (W); and,
- windows opening position (0 = closed–1 = opened).
3. Simulation Methodology
3.1. Simulation Software
3.2. Model Description
- -
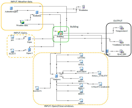
- Model 1. In this model the infiltration and ventilation were considered when windows were open on the house using Type-56 TRNFlow. An input for each window was introduced to signal when the window was opened or closed. The air infiltration is considered by estimated cracks and gaps based on the construction process and the building lifetime [27]. Figure 3 shows the developed thermal model.
- -
- Model 2. The second model developed used TRNSYS Type-56, where air infiltration and ventilation rates were established as a constant value, the output average from Model 1. When Model 1 was validated, the average from natural ventilation and infiltration was used as an input to develop Model 2, remaining constant all the other inputs for Model 1. The validation was based on the analysis of the indoor air temperature estimated using TRNSYS and the measured values.
- -
- Model 3. This model was used to compare estimated energy demand to the measured gas consumption, using the Type-56 TRNSFlow. Model 1 was used removing the gas consumption measurement as a heat gain in the house. Then, a heating system was considered, where the energy demand was obtained introducing the set-point at 18.7 °C, as suggested in previous work [4]. The remaining data for window position and infiltration remains the same as in Model 1.
- -
- Model 4. This model was developed using TRNSYS Type-56, where air infiltration and ventilation rates were established as a constant value, the output average from Model 1 without measured gas gains, and as in Model 3, the energy demand was obtained when the set-point is at 18.7 °C, considering the same constant value for infiltration and ventilation. In this case, temperature and energy demand can be compared with the collected data to validate the model.
3.3. Calibration
4. Results
4.1. Calibration Results
4.2. Model Validation
4.3. Energy Demand
4.4. Air Change Rates
5. Discussion
6. Conclusions
Author Contributions
Funding
Conflicts of Interest
References
- Grygierek, K.; Ferdyn-Grygierek, J. Multi-Objective Optimization of the Envelope of Building with Natural Ventilation. Energies 2018, 11, 1383. [Google Scholar] [CrossRef]
- Moran, P.; Goggins, J.; Hajdukiewicz, M. Super-insulate or use renewable technology? Life cycle cost, energy and global warming potential analysis of nearly zero energy buildings (NZEB) in a temperate oceanic climate. Energy Build. 2017, 139, 590–607. [Google Scholar] [CrossRef]
- Allouhi, A.; El Fouih, Y.; Kousksou, T.; Jamil, A.; Zeraouli, Y.; Mourad, Y. Energy consumption and efficiency in buildings: Current status and future trends. J. Clean. Prod. 2015, 109, 118–130. [Google Scholar] [CrossRef]
- Cosar-Jorda, P.; Buswell, R.A.; Mitchell, V.A. Determining of the role of ventilation in residential energy demand reduction using a heat-balance approach. Build. Environ. 2018, 144, 508–518. [Google Scholar] [CrossRef]
- Jesús, F.M.; Irene, P.C.; Alonso, G.L.R.; Cristina, P.; Víctor, E.; De Larriva Rafael, A.; Jesica, F.A.; Jesús, D.V.M.; José, D.C.D.V.; Manuel, M.C.; et al. Methodology for the study of the envelope airtightness of residential buildings in Spain: A case study. Energies 2018, 11, 704. [Google Scholar] [CrossRef]
- Domínguez-Amarillo, S.; Fernández-Agüera, J.; Campano, M.Á.; Acosta, I. Effect of Airtightness on Thermal Loads in Legacy Low-Income Housing. Energies 2019, 12, 1677. [Google Scholar] [CrossRef]
- Cheng, P.L.; Li, X. Air infiltration rates in the bedrooms of 202 residences and estimated parametric infiltration rate distribution in Guangzhou, China. Energy Build. 2018, 164, 219–225. [Google Scholar] [CrossRef]
- Hou, J.; Zhang, Y.; Sun, Y.; Wang, P.; Zhang, Q.; Kong, X.; Sundell, J. Air change rates at night in northeast Chinese homes. Build. Environ. 2018, 132, 273–281. [Google Scholar] [CrossRef]
- Zhai, Z.; El Mankibi, M.; Zoubir, A. Review of natural ventilation models. Energy Procedia 2015, 78, 2700–2705. [Google Scholar] [CrossRef]
- Han, G.; Srebric, J.; Enache-Pommer, E. Different modeling strategies of infiltration rates for an office building to improve accuracy of building energy simulations. Energy Build. 2015, 86, 288–295. [Google Scholar] [CrossRef]
- Laverge, J.; Janssens, A. Optimization of design flow rates and component sizing for residential ventilation. Build. Environ. 2013, 65, 81–89. [Google Scholar] [CrossRef]
- Bhandari, M.; Hun, D.; Shrestha, S.; Pallin, S.; Lapsa, M. A Simplified Methodology to Estimate Energy Savings in Commercial Buildings from Improvements in Airtightness. Energies 2018, 11, 3322. [Google Scholar] [CrossRef]
- Pisello, A.L.; Castaldo, V.L.; Taylor, J.E.; Cotana, F. The impact of natural ventilation on building energy requirement at inter-building scale. Energy Build. 2016, 127, 870–883. [Google Scholar] [CrossRef]
- Tronchin, L.; Fabbri, K.; Bertolli, C. Controlled Mechanical Ventilation in Buildings: A Comparison between Energy Use and Primary Energy among Twenty Different Devices. Energies 2018, 11, 2123. [Google Scholar] [CrossRef]
- Ashdown, M.M.A.; Crawley, J.; Biddulph, P.; Wingfield, J.; Lowe, R.; Elwell, C.A. Characterising the airtightness of dwellings. Int. J. Build. Pathol. Adapt. 2019. [Google Scholar] [CrossRef]
- Crawley, J.; Wingfield, J.; Elwell, C. The relationship between airtightness and ventilation in new UK dwellings. Build. Serv. Eng. Res. Technol. 2019, 40, 274–289. [Google Scholar] [CrossRef]
- Jones, B.; Das, P.; Chalabi, Z.; Davies, M.; Hamilton, I.; Lowe, R.; Mavrogianni, A.; Robinson, D.; Taylor, J. Assessing uncertainty in housing stock infiltration rates andassociated heat loss: English and UK case studies. Build. Environ. 2015, 92, 644–656. [Google Scholar] [CrossRef]
- Schulze, T.; Eicker, U. Controlled natural ventilation for energy efficient buildings. Energy Build. 2013, 56, 221–232. [Google Scholar] [CrossRef]
- Ogando, A.; Cid, N.; Fernández, M. Energy Modelling and Automated Calibrations of Ancient Building Simulations: A Case Study of a School in the Northwest of Spain. Energies 2017, 10, 807. [Google Scholar] [CrossRef]
- Stavridou, A.D.; Prinos, P.E. Unsteady CFD Simulation in a Naturally Ventilated Room with a Localized Heat Source. Procedia Environ. Sci. 2017, 38, 322–330. [Google Scholar] [CrossRef]
- Klein, S.A. TRNSYS 16 Manual. Trnsys 16 2007. Available online: https://www.uni-kassel.de/maschinenbau/fileadmin/datas/fb15/instruction_trnsys_16_exercises_2007_01.pdf (accessed on 31 August 2019).
- American Society of Heating, Ventilating, and Air Conditioning Engineers (ASHRAE). Guideline 14-2014, Measurement of Energy and Demand Savings; Technical Report; American Society of Heating, Ventilating, and Air Conditioning Engineers: Atlanta, GA, USA, 2014. [Google Scholar]
- Buswell, R.; Webb, L.; Cosar-Jorda, P.; Marini, D.; Brownlee, S.; Thomson, M.; Yang, S.H.; Kalawsky, R. LEEDR Project Home Energy Dataset. Available online: https://repository.lboro.ac.uk/articles/LEEDR_project_home_energy_dataset/6176450 (accessed on 12 June 2018).
- Buswell, R. Uncertainty in whole house monitoring. In Proceedings of the 13th International Conference of the International Building Performance Simulation Association, Chambery, France, 25–28 August 2013; pp. 2403–2410. [Google Scholar]
- Met Office Integrated Data Archive System (MIDAS) Land and Marine Surface Stations Data (1853-current). NCAS British Atmospheric Data Centre, 2012. Available online: http://catalogue.ceda.ac.uk/uuid/220a65615218d5c9cc9e4785a3234bd0 (accessed on 12 June 2018).
- Buswell, R.; Webb, L.; Mitchell, V.; Leder Mackley, K. Multidisciplinary research: should effort be the measure of success? Build. Res. Inf. 2017, 45, 539–555. [Google Scholar] [CrossRef]
- Orme, M.; Liddament, M.W.; Wilson, A. Numerical Data for Air Infiltration & Natral Ventilation Calculations; AIVC: Coventry, UK, 1998. [Google Scholar]
- National Grid. National Grid UK. 2018. Available online: https://www.nationalgrid.com/uk/gas/market-operations-and-data/calorific-value-cv (accessed on 11 July 2018).
- HHG. Home Heating Guide: Boiler Efficiency Tables. 2018. Available online: https://www.homeheatingguide.co.uk/efficiency-tables (accessed on 11 July 2018).
- Hosni, M.H.; Jones, B.W.; Xu, H. Experimental results for heat gain and radiant/convective split from equipment in buildings. ASHRAE Trans. 1999, 105, 527–539. [Google Scholar]
- Ruiz, G.; Bandera, C. Validation of Calibrated Energy Models: Common Errors. Energies 2017, 10, 1587. [Google Scholar] [CrossRef]
- Hong, T.; Piette, M.A.; Chen, Y.; Lee, S.H.; Taylor-Lange, S.C.; Zhang, R.; Sun, K.; Price, P. Commercial Building Energy Saver: An energy retrofit analysis toolkit. Appl. Energy 2015, 159, 298–309. [Google Scholar] [CrossRef]
- Nasir, Z.A.; Colbeck, I. Particulate pollution in different housing types in a UK suburban location. Sci. Total Environ. 2013, 445, 165–176. [Google Scholar] [CrossRef] [PubMed]
- Dimitroulopoulou, C. Ventilation in European dwellings: A review. Build. Environ. 2012, 47, 109–125. [Google Scholar] [CrossRef]








| Room | Number of Hours | Percentage |
|---|---|---|
| Front door | 24.6 | 1.6% |
| Kitchen and dining room | 44.2 | 2.9% |
| Living room | 0.02 | 0.0% |
| Bedroom 1 | 399.0 | 26.0% |
| Bedroom 2 | 0.00 | 0.0% |
| Bedroom 3 | 53.1 | 3.5% |
| Bedroom 4 | 95.6 | 6.2% |
| Bathroom | 83.1 | 5.4% |
| Period | Initial Date | Final Date | Hours | Days |
|---|---|---|---|---|
| 1 | 31 January 2013 | 20 February 2013 | 504 | 21 |
| 2 | 23 February 2013 | 04 March 2013 | 240 | 10 |
| 3 | 06 March 2013 | 19 March 2013 | 312 | 13 |
| 4 | 23 March 2013 | 26 March 2013 | 96 | 4 |
| 5 | 01 April 2013 | 07 April 2013 | 144 | 6 |
| 6 | 16 April 2013 | 25 April 2013 | 240 | 10 |
| Index | MODEL 1 | MODEL 2 | MODEL 3 | MODEL 4 |
|---|---|---|---|---|
| CV(RMSE) | 5.25% | 7.37% | 6.40% | 8.74% |
| NMBE | −0.38% | 5.71% | −2.17% | 7.64% |
| Model | Minimum | Average | Maximum |
|---|---|---|---|
| Models 1 and 3 | 0.34 | 0.61 | 1.79 |
| Models 2 and 4 | 0.72 | 0.72 | 0.72 |
| HHB method [4] | 0.04 | 1.18 | 4.86 |
© 2019 by the authors. Licensee MDPI, Basel, Switzerland. This article is an open access article distributed under the terms and conditions of the Creative Commons Attribution (CC BY) license (http://creativecommons.org/licenses/by/4.0/).
Share and Cite
Aparicio-Fernández, C.; Vivancos, J.-L.; Cosar-Jorda, P.; Buswell, R.A. Energy Modelling and Calibration of Building Simulations: A Case Study of a Domestic Building with Natural Ventilation. Energies 2019, 12, 3360. https://doi.org/10.3390/en12173360
Aparicio-Fernández C, Vivancos J-L, Cosar-Jorda P, Buswell RA. Energy Modelling and Calibration of Building Simulations: A Case Study of a Domestic Building with Natural Ventilation. Energies. 2019; 12(17):3360. https://doi.org/10.3390/en12173360
Chicago/Turabian StyleAparicio-Fernández, Carolina, José-Luis Vivancos, Paula Cosar-Jorda, and Richard A. Buswell. 2019. "Energy Modelling and Calibration of Building Simulations: A Case Study of a Domestic Building with Natural Ventilation" Energies 12, no. 17: 3360. https://doi.org/10.3390/en12173360
APA StyleAparicio-Fernández, C., Vivancos, J.-L., Cosar-Jorda, P., & Buswell, R. A. (2019). Energy Modelling and Calibration of Building Simulations: A Case Study of a Domestic Building with Natural Ventilation. Energies, 12(17), 3360. https://doi.org/10.3390/en12173360

