A Different Voltage-Source Power Inverter with Carrier Based SPWM for Open-End Connection Loads
Abstract
1. Introduction
2. Proposed New Inverter Circuit
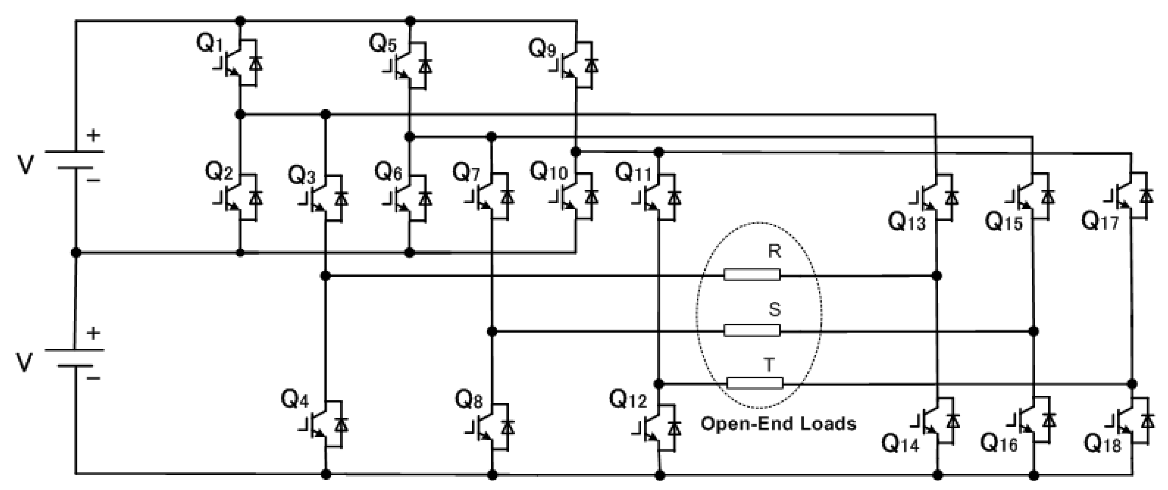
2.1. Proposed Inverter Circuit Configuration with Two DC Sources
2.2. Proposed Inverter Circuit Configuration with Single DC Power Source
2.3. PWM Modulation Strategy
3. Test Results and Discussion
3.1. Computer Simulation Examinations
3.2. Experimental Examinations
4. Conclusions
Author Contributions
Funding
Conflicts of Interest
References
- Rodriguez, J.; Lai, J.-S.; Peng, F.Z. Multilevel inverter: A survey of topologies, controls, and application. IEEE Trans. Ind. Electron. 2002, 49, 724–738. [Google Scholar] [CrossRef]
- Suroso; Noguchi, T. A multilevel voltage-source inverter using H-bridge and two-level power modules with a single power source. In Proceedings of the IEEE International Conference on Power Electronics and Drive System (PEDS), Singapore, 5–8 December 2011; pp. 262–266. [Google Scholar]
- Salem, A.; Ahmed, E.M.; Orabi, M. New three-phase symmetrical multilevel voltage source inverter. IEEE J. Emerg. Sel. Top. Circuits Syst. 2015, 5, 430–442. [Google Scholar] [CrossRef]
- Bai, Z.; Zhang, Z. Conformation of multilevel current source converter topologies using the duality principle. IEEE Trans. Power Electron. 2008, 23, 2260–2267. [Google Scholar] [CrossRef]
- Ceglia, G.; Guzman, V.; Sanchez, C.; Ibanez, F.; Walter, J.; Giménez, M.I. A new simplified multilevel inverter topology for DC-AC conversion. IEEE Trans. Power Electron. 2006, 21, 1311–1319. [Google Scholar] [CrossRef]
- Suroso; Nugroho, D.T.; Winasis. A three-level common-emitter current source inverter with reduced device count. In Proceedings of the International Conference on Information Technology, Computer and Electrical Engineering, Semarang, Indonesia, 18–19 October 2017; pp. 77–80. [Google Scholar]
- Malinowski, M.; Gopakumar, K.; Rodriguez, J.; Perez, M.A. A survey on cascaded multilevel inverters. IEEE Trans. Ind. Electron. 2010, 57, 2197–2206. [Google Scholar] [CrossRef]
- Corzine, K.; Familiant, Y. A new cascaded multilevel H-bridge Drive. IEEE Trans. Power Electron. 2002, 17, 125–131. [Google Scholar] [CrossRef]
- Babaei, E. A cascade multilevel converter topology with reduced number of switches. IEEE Trans. Power Electron. 2008, 23, 2657–2664. [Google Scholar] [CrossRef]
- Waltrich, G.; Barbi, I. Three-phase cascaded multilevel inverter using power cells with two inverter legs in series. IEEE Trans. Ind. Electron. 2010, 57, 2605–2612. [Google Scholar] [CrossRef]
- Ruiz-Caballero, D.; Sanhueza, R.; Vergara, H.; López, M.; Heldwein, M.L.; Mussa, S.A. Cascaded symmetrical hybrid multilevel DC-AC converter. In Proceedings of the IEEE Energy Conversion Congress and Exposition 2010, Atlanta, GA, USA, 12–16 September 2010; pp. 4012–4019. [Google Scholar]
- Suroso; Aziz, A.N. Voltage balancing circuits for five-level power inverter with a single dc voltage source. In Proceedings of the 3rd International Conference on Information Technology, Computer, and Electrical Engineering (ICITACEE), Semarang, Indonesia, 6 April 2017; pp. 147–150. [Google Scholar]
- Kang, D.-W.; Lee, B.-K.; Jeon, J.-H.; Kim, T.-J.; Hyun, D.-S. A symmetric carrier technique of CRPWM for voltage balance method of flying-capacitor multilevel inverter. IEEE Trans. Ind. Electron. 2005, 52, 879–888. [Google Scholar] [CrossRef]
- Baiju, M.; Mohapatra, K.; Kanchan, R.; Gopakumar, K. A dual two-level inverter scheme with common mode voltage elimination for an induction motor drive. IEEE Trans. Power Electron. 2004, 19, 794–805. [Google Scholar] [CrossRef]
- Lakshminarayanan, S.; Mondal, G.; Tekwani, P.; Mohapatra, K.; Gopakumar, K. Twelve-sided polygonal voltage space vector based multilevel inverter for an induction motor drive with common-mode voltage elimination. IEEE Trans. Ind. Electron. 2007, 54, 2761–2768. [Google Scholar] [CrossRef]
- Reddy, B.P.; Keerthipati, S.A. A multilevel inverter configuration for an open-end-winding pole-phase-modulated-multiphase induction motor drive using dual inverter principle. IEEE Trans. Ind. Electron. 2018, 65, 3035–3044. [Google Scholar] [CrossRef]
- Somasekhar, V.; Srinivas, S.; Reddy, B.P.; Reddy, C.N.; Sivakumar, K. Pulse width-modulated switching strategy for the dynamic balancing of zero-sequence current for a dual-inverter fed open-end winding induction motor drive. IET Electr. Power Appl. 2007, 1, 591–600. [Google Scholar] [CrossRef]
- Jain, S.; Thopukara, A.K.; Karampuri, R.; Somasekhar, V.T. A single-stage photovoltaic system for a dual-inverter fed open-end winding induction motor drive for pumping applications. IEEE Trans. Power Electron. 2015, 30, 4809–4818. [Google Scholar] [CrossRef]
- Mondal, G.; Sivakumar, K.; Ramchand, R.; Gopakumar, K.; Levi, E. A dual seven-level inverter supply for an open-end winding induction motor drive. IEEE Trans. Ind. Electron. 2009, 56, 1665–1673. [Google Scholar] [CrossRef]
- Rajeevan, P.P.; Sivakumar, K.; Patel, C.; Ramchand, R.; Gopakumar, K. A seven-level inverter topology for induction motor drive using two-level inverters and floating capacitor fed H-bridges. IEEE Trans. Power Electron. 2011, 26, 1733–1740. [Google Scholar] [CrossRef]
- Kim, J.; Jung, J.; Nam, K. Dual-inverter control strategy for high-speed operation of EV induction motors. IEEE Trans. Ind. Electron. 2004, 51, 312–320. [Google Scholar] [CrossRef]
- Somasekhar, V.; Gopakumar, K.; Baiju, M.; Mohapatra, K.; Umanand, L. A multilevel inverter system for an induction motor with open-end windings. IEEE Trans. Ind. Electron. 2005, 52, 824–836. [Google Scholar] [CrossRef]
- Das, A.; Sivakumar, K.; Ramchand, R.; Patel, C.; Gopakumar, K. A pulse width modulated control of induction motor drive using multilevel 12-sided polygonal voltage space vectors. IEEE Trans. Ind. Electron. 2009, 56, 2441–2449. [Google Scholar] [CrossRef]
- Chowdhury, S.; Wheeler, P.; Gerada, C.; Arevalo, S.L. A dual inverter for an open end winding induction motor drive without an isolation transformer. In Proceedings of the IEEE Applied Power Electronics Conference and Exposition (APEC), Charlotte, NC, USA, 15–19 March 2015; pp. 283–289. [Google Scholar]
- Tekwani, P.; Kanchan, R.; Gopakumar, K. A dual five-level inverter-fed induction motor drive with common-mode voltage elimination and DC-link capacitor voltage balancing using only the switching-state redundancy—Part II. IEEE Trans. Ind. Electron. 2007, 54, 2609–2617. [Google Scholar] [CrossRef]
- Sivakumar, K.; Das, A.; Ramchand, R.; Patel, C.; Gopakumar, K. A Hybrid Multilevel Inverter Topology for an Open-End Winding Induction-Motor Drive Using Two-Level Inverters in Series with a Capacitor-Fed H-Bridge Cell. IEEE Trans. Ind. Electron. 2010, 57, 3707–3714. [Google Scholar] [CrossRef]
- Suroso, S.; Aziz, A.N.; Noguchi, T. Five-level PWM inverter with a single dc Power Source for dc-ac power conversion. Int. J. Power Electron. Drive Syst. 2017, 8, 1212–1219. [Google Scholar] [CrossRef][Green Version]
- Kanchan, R.S.; Tekwani, P.N.; Gopakumar, K. Three-level inverter scheme with common mode voltage elimination and DC link capacitor voltage balancing for an open-end winding induction motor drive. IEEE Trans. Power Electron. 2006, 21, 1676–1683. [Google Scholar] [CrossRef]
- McGrath, B.; Holmes, D.; McGrath, B. An analytical technique for the determination of spectral components of multilevel carrier-based PWM methods. IEEE Trans. Ind. Electron. 2002, 49, 847–857. [Google Scholar] [CrossRef]
- Naderi, R.; Rahmati, A. Phase-shifted carrier PWM technique for general cascaded inverters. IEEE Trans. Power Electron. 2008, 23, 1257–1269. [Google Scholar] [CrossRef]






















| Components | Conventional 5-Level Inverter | Proposed 5-Level Inverter |
|---|---|---|
| Controlled switch number | 24 | 18 |
| Isolated gate drive power supply | 14 | 11 |
| Driving circuits | 24 | 18 |
| DC input power | 2 | 2 or 1 |
| Q1 | Q2 | Q3 | Q4 | Q13 | Q14 | VOut |
|---|---|---|---|---|---|---|
| ON | OFF | ON | OFF | OFF | ON | +2V |
| OFF | ON | ON | OFF | OFF | ON | +V |
| OFF | OFF | OFF | ON | OFF | ON | 0 |
| OFF | OFF | ON | OFF | ON | OFF | 0 |
| OFF | ON | OFF | ON | ON | OFF | −V |
| ON | OFF | OFF | ON | ON | OFF | −2V |
| DC Input Voltage | 100 V |
| Switching frequency of power switches | 22 kHz |
| Inductor of stabilizing circuit, Lc | 100-µH |
| Modulation index | 0.975 |
| Load | R = 20 Ω, L = 5 mH |
| Basic frequency of voltage | 50 Hz |
© 2019 by the authors. Licensee MDPI, Basel, Switzerland. This article is an open access article distributed under the terms and conditions of the Creative Commons Attribution (CC BY) license (http://creativecommons.org/licenses/by/4.0/).
Share and Cite
Suroso; Tri Nugroho, D.; Noguchi, T. A Different Voltage-Source Power Inverter with Carrier Based SPWM for Open-End Connection Loads. Energies 2019, 12, 3251. https://doi.org/10.3390/en12173251
Suroso, Tri Nugroho D, Noguchi T. A Different Voltage-Source Power Inverter with Carrier Based SPWM for Open-End Connection Loads. Energies. 2019; 12(17):3251. https://doi.org/10.3390/en12173251
Chicago/Turabian StyleSuroso, Daru Tri Nugroho, and Toshihiko Noguchi. 2019. "A Different Voltage-Source Power Inverter with Carrier Based SPWM for Open-End Connection Loads" Energies 12, no. 17: 3251. https://doi.org/10.3390/en12173251
APA StyleSuroso, Tri Nugroho, D., & Noguchi, T. (2019). A Different Voltage-Source Power Inverter with Carrier Based SPWM for Open-End Connection Loads. Energies, 12(17), 3251. https://doi.org/10.3390/en12173251
