Study of a Low-Power-Consumption Piezoelectric Energy Harvesting Circuit Based on Synchronized Switching Technology
Abstract
:1. Introduction
2. System Design and Theoretical Analysis
2.1. System Design
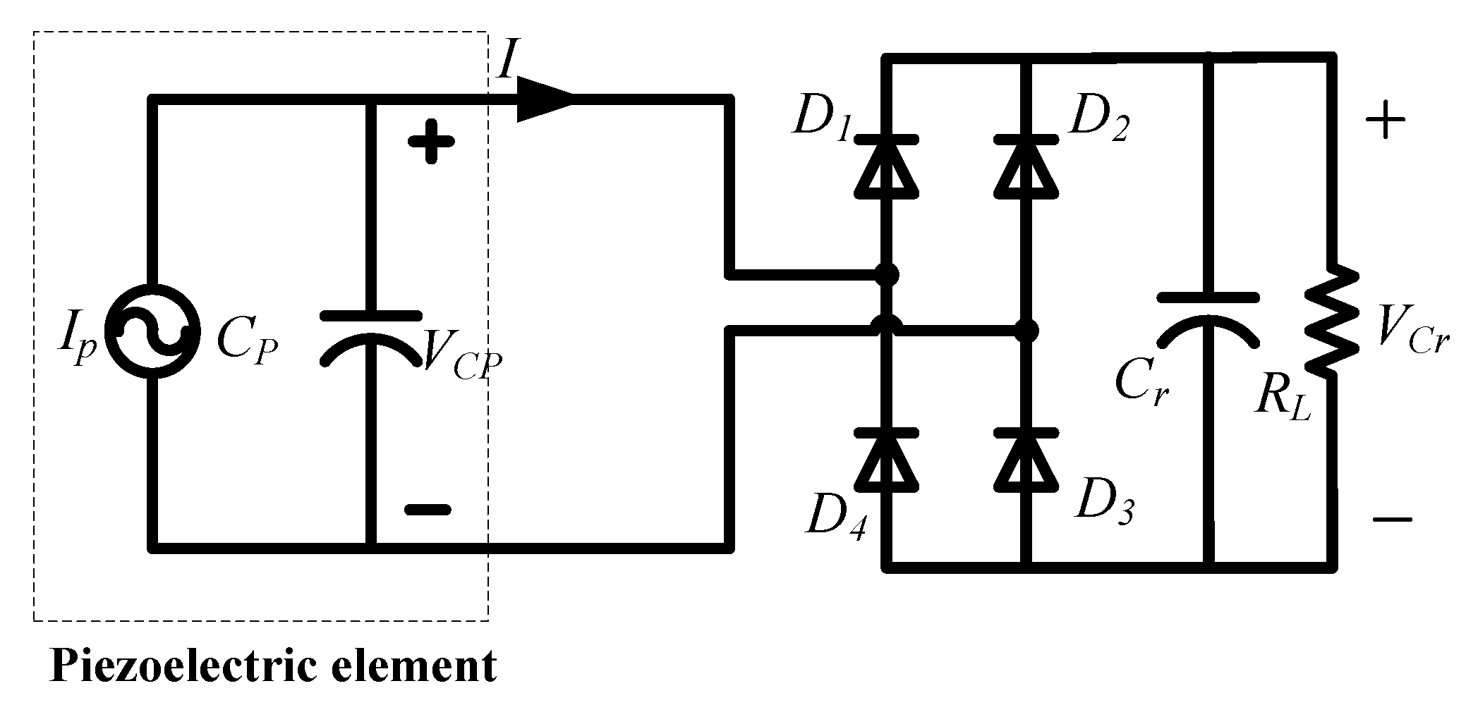
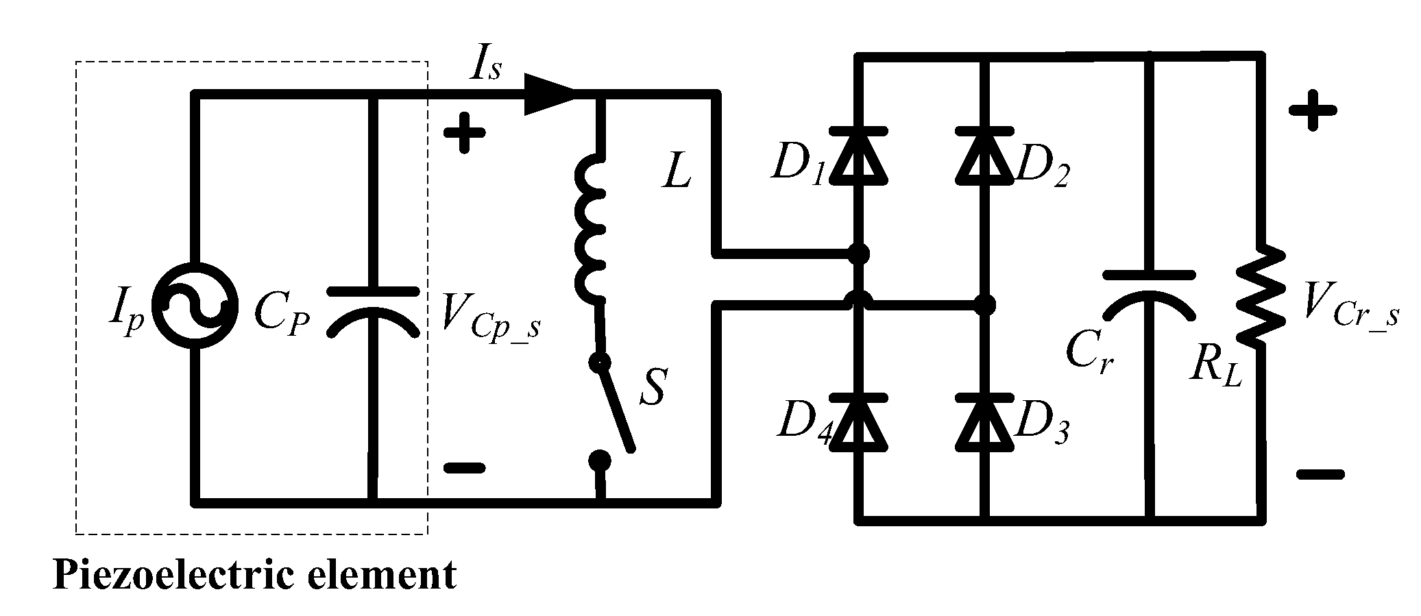
2.2. Interface Circuits and Theoretical Analysis
2.3. DC-DC Converter
3. Simulations
4. Experimental Validations
4.1. Prototype and Experimental Setup
4.2. Experimental Results
5. Conclusions and Discussion
Author Contributions
Funding
Conflicts of Interest
References
- An, X.Y.; Song, B.W.; Tian, W.L.; Ma, C.C. Design and CFD simulations of a vortex-induced piezoelectric energy converter (VIPEC) for underwater environment. Energies 2018, 11, 330. [Google Scholar] [CrossRef]
- Vasiliev, M.; Nur-E-Alam, M.; Alameh, K. Recent developments in solar energy-harvesting technologies for building integration and distributed energy generation. Energies 2019, 12, 1080. [Google Scholar] [CrossRef]
- Ando Junior, O.H.; Calderon, N.H.; de Souza, S.S. Characterization of a thermoelectric generator (TEG) system for waste heat recovery. Energies 2018, 11, 1555. [Google Scholar] [CrossRef]
- Choi, Y.M.; Lee, M.G.; Jeon, Y. Wearable biomechanical energy harvesting technologies. Energies 2017, 10, 1483. [Google Scholar] [CrossRef]
- Roundy, S.; Leland, E.S.; Baker, J.; Carleton, E.; Reilly, E.; Lai, E.; Otis, B.; Rabaey, J.M.; Wright, P.K.; Sundararajan, V. Improving power output for vibration-based energy scavengers. IEEE Pervasive Comput. 2005, 4, 28–36. [Google Scholar] [CrossRef]
- Elahi, H.; Eugeni, M.; Gaudenzi, P. A review on mechanisms for piezoelectric-based energy harvesters. Energies 2018, 11, 1850. [Google Scholar] [CrossRef]
- Liu, W.Q.; Feng, Z.H.; He, J.; Liu, R.B. Maximum mechanical energy harvesting strategy for a piezoelement. Smart Mater. Struct. 2007, 16, 2130–2136. [Google Scholar] [CrossRef]
- Shu, Y.C.; Lien, I.C. A comparison between the standard and SSHI interfaces used in piezoelectric power harvesting. In Proceedings of SPIE, Active & Passive Smart Structures and Integrated Systems; Society of Photo Optical: Bellingham, WA, USA, 2007; Volume 6525, p. 652509. [Google Scholar] [CrossRef]
- Richard, C.; Guyomar, D.; Audigier, D.; Ching, G. Semi-passive damping using continuous switching of a piezoelectric device. In Proceedings of SPIE, Smart Structures and Materials 1999: Passive Damping and Isolation; International Society for Optics and Photonics: Bellingham, WA, USA, 1999; Volume 3672, pp. 104–111. [Google Scholar] [CrossRef]
- Richard, C.; Guyomar, D.; Audigier, D.; Bassaler, H. Enhanced semi-passive damping using continuous switching of a piezoelectric device on an inductor. In Proceedings of SPIE, Smart Structures and Materials 2000: Damping and Isolation; International Society for Optics and Photonics: Bellingham, WA, USA, 2000; Volume 3989, pp. 288–299. [Google Scholar] [CrossRef]
- Guyomar, D.; Badel, A.; Lefeuvre, E.; Richard, C. Toward energy harvesting using active materials and conversion improvement by nonlinear processing. IEEE Trans. Ultrason. Ferrol. Freq. Control. 2005, 52, 584–595. [Google Scholar] [CrossRef]
- Krihely, N.; Ben-Yaakov, S. Self-contained resonant rectifier for piezoelectric sources under variable mechanical excitation. IEEE Trans. Power Electron. 2011, 26, 612–621. [Google Scholar] [CrossRef]
- Liang, J.; Zhao, Y.; Zhao, K. Synchronized triple bias-flip interface circuit for piezoelectric energy harvesting enhancement. IEEE Trans. Power Electron. 2019, 34, 275–286. [Google Scholar] [CrossRef]
- Wu, L.; Do, X.D.; Lee, S.G.; Ha, D.S. A self-powered and optimal SSHI circuit integrated with an active rectifier for piezoelectric energy harvesting. IEEE Trans. Circuits Syst. I Regul. Pap. 2017, 64, 537–549. [Google Scholar] [CrossRef]
- Kim, H.; Priya, S.; Stephanou, H.; Uchino, K. Consideration of impedance matching techniques for efficient piezoelectric energy harvesting. IEEE Trans. Ultrason. Ferroelectr. Freq. Control 2007, 54, 1851–1859. [Google Scholar] [CrossRef] [PubMed]
- Liang, J.R.; Liao, W.H. Impedance modeling and analysis for piezoelectric energy harvesting systems. IEEE/ASME Trans. Mechatron. 2012, 17, 1145–1157. [Google Scholar] [CrossRef]
- Dorsch, P.; Bartsch, T.; Hubert, F.; Milosiu, H.; Rupitsch, S.J. Implementation and validation of a two-stage energy extraction circuit for a self sustained asset-tracking system. Sensors 2019, 19, 1330. [Google Scholar] [CrossRef] [PubMed]
- Kawai, N.; Kushino, Y.; Koizumi, H. MPPT controled piezoelectric energy harvesting circuit using synchronized switch harvesting on inductor. In Proceedings of the IECON 2015—41st Annual Conference of the IEEE Industrial Electronics Society, Yokohama, Japan, 9–12 November 2015; pp. 1121–1126. [Google Scholar] [CrossRef]
- Chew, Z.J.; Zhu, M. Combined power extraction with adaptive power management module for increased piezoelectric energy harvesting to power wireless sensor nodes. In Proceedings of the 2016 IEEE SENSORS, Orlando, FL, USA, 30 October–3 November 2016; pp. 1–3. [Google Scholar] [CrossRef]
- Zouari, M.; Naifar, S.; Bouattour, G.; Derbel, N.; Kanoun, O. Energy management based on fractional open circuit and P-SSHI techniques for piezoelectric energy harvesting. Technisches Messen 2019, 86, 14–24. [Google Scholar] [CrossRef]
- Abdelkefi, A. Aeroelastic energy harvesting: A review. Int. J. Eng. Sci. 2016, 100, 112–135. [Google Scholar] [CrossRef]
- Elahi, H.; Eugeni, M.; Gaudenzi, P. Design and performance evaluation of a piezoelectric aeroelastic energy harvester based on the limit cycle oscillation phenomenon. Acta Astronautica 2019, 157, 233–240. [Google Scholar] [CrossRef]
- Elahi, H.; Eugeni, M.; Gaudenzi, P.; Qayyum, F.; Swati, R.F.; Khan, H.M. Response of piezoelectric materials on thermomechanical shocking and electrical shocking for aerospace applications. Microsyst. Technol. 2018, 9, 3791–3798. [Google Scholar] [CrossRef]













| Components/Parameters | Type/Values |
|---|---|
| Piezoelectric element | 41.4 × 17.0 × 0.76 (mm3) |
| Cantilever beam | 300 × 20 × 2 (mm3) |
| CP | 59.8 nF |
| f | 10 Hz |
| L0 | 1 mH |
| L1 | 1 mH |
| G0, G1 | WNM4153 |
| Comparator | MAX921 |
| Diodes | 1N4004 |
© 2019 by the authors. Licensee MDPI, Basel, Switzerland. This article is an open access article distributed under the terms and conditions of the Creative Commons Attribution (CC BY) license (http://creativecommons.org/licenses/by/4.0/).
Share and Cite
Hong, J.; Chen, F.; He, M.; Wang, S.; Chen, W.; Guan, M. Study of a Low-Power-Consumption Piezoelectric Energy Harvesting Circuit Based on Synchronized Switching Technology. Energies 2019, 12, 3166. https://doi.org/10.3390/en12163166
Hong J, Chen F, He M, Wang S, Chen W, Guan M. Study of a Low-Power-Consumption Piezoelectric Energy Harvesting Circuit Based on Synchronized Switching Technology. Energies. 2019; 12(16):3166. https://doi.org/10.3390/en12163166
Chicago/Turabian StyleHong, Jianfeng, Fu Chen, Ming He, Sheng Wang, Wenxiang Chen, and Mingjie Guan. 2019. "Study of a Low-Power-Consumption Piezoelectric Energy Harvesting Circuit Based on Synchronized Switching Technology" Energies 12, no. 16: 3166. https://doi.org/10.3390/en12163166
APA StyleHong, J., Chen, F., He, M., Wang, S., Chen, W., & Guan, M. (2019). Study of a Low-Power-Consumption Piezoelectric Energy Harvesting Circuit Based on Synchronized Switching Technology. Energies, 12(16), 3166. https://doi.org/10.3390/en12163166

