Next Article in Journal
Establishment, Validation, and Application of a Comprehensive Thermal Hydraulic Model for a Parabolic Trough Solar Field
Next Article in Special Issue
Earth Fault Location Using Negative Sequence Currents
Previous Article in Journal
Study on Fault Current Characteristics and Current Limiting Method of Plug-In Devices in VSC-DC Distribution System
Previous Article in Special Issue
Greedy Algorithm for Minimizing the Cost of Routing Power on a Digital Microgrid
 
 
Font Type:
Arial Georgia Verdana
Font Size:
Aa Aa Aa
Line Spacing:
Column Width:
Background:
Article

An Effective Passive Islanding Detection Algorithm for Distributed Generations

1
School of Electrical and Computer Engineering, University of Tehran, Tehran 395515, Iran
2
Faculty of Electrical and Computer Engineering, Tarbiat Modares University, Tehran 115111, Iran
3
Department of Electrical Power Engineering, Faculty of Mechanical and Electrical Engineering, Tishreen University, Lattakia 2230, Syria
4
Department of Management & Innovation Systems, University of Salerno, 84084 Salerno, Italy
5
School of Technology and Innovations, University of Vaasa, 65200 Vaasa, Finland
*
Author to whom correspondence should be addressed.
Energies 2019, 12(16), 3160; https://doi.org/10.3390/en12163160
Submission received: 1 July 2019 / Revised: 11 August 2019 / Accepted: 12 August 2019 / Published: 16 August 2019

Abstract

Different issues will be raised and highlighted by emerging distributed generations (DGs) into modern power systems in which the islanding detection is the most important. In the islanding situation, a part of the system which consists of at least one DG, passive grid, and local load, becomes fully separated from the main grid. Several detection methods of islanding have been proposed in recent researches based on measured electrical parameters of the system. However, islanding detection based on local measurements suffers from the non-detection zone (NDZ) and undesirable detection during grid-connected events. This paper proposes a passive islanding detection algorithm for all types of DGs by appropriate combining the measured frequency, voltage, current, and phase angle and their rate of changes at the point of common coupling (PCC). The proposed algorithm detects the islanding situation, even with the exact zero power mismatches. Proposed algorithm discriminates between the islanding situation and non-islanding disturbances, such as short circuit faults, capacitor faults, and load switching in a proper time and without mal-operation. In addition, the performance of the proposed algorithm has been evaluated under different scenarios by performing the algorithm on the IEEE 13-bus distribution system.

1. Introduction

Modern power systems are facing high complexity and sensitivity. One of the aspects of these grids and also future power system is the high penetration of distribution generations (DGs) into the network, which raises several issues. Islanding detection is a serious problem that emerges in this environment. In the islanding situation, one or more of the DGs and a portion of the network become separated from the main grid and continue to energize the islanded network. Due to several concerns, such as safety hazard, personal safety, and out-of-phase reclosing, islanding detection has vital importance. The islanding should be detected less than two seconds, according to the IEEE 1547 standard [1] and also with the respect of the re-closer operation. The re-closer constant time usually is less than 500 ms, hence the time of detection is a critical issue to discriminate islanding before the operation of the re-closer. Furthermore, some grid codes [2] imply that the DG should have the capability to continue to operate in the autonomous islanded mode. Therefore, the islanding is detected to the purpose of disconnecting the DG or preparing the DG to operate in the new control mode after the occurrence of the islanding.
In general, islanding detection methods can be classified into remote and local techniques. Remote techniques detect the islanding situation using communication links between the DG and the point of common coupling (PCC), which connects the network to the upstream grid [3,4,5,6]. In Reference [5], islanding can be detected using PMU measurements. Power line signaling utilized in Reference [6] to detect the islanding by transmitting and an insignificant signal from the DG bus and receiving it at the circuit breaker point. Remote methods detect the islanding with a negligible or even zero none detection zone (NDZ). In addition, these techniques are fast in the detection of the islanding situation and discriminating islanding from grid-connected disturbances. However, the main drawbacks of the remote methods are their high cost, risk of loss of communication links, and requiring to the backup protection problem.
Local methods can be divided into active and passive ones. A disturbance is added to the system deliberately to detect the islanding situation in the active methods. Consequently, active methods can be designed based on the type of DG. Hence, the active methods are used for specified types of DGs. In addition, in some active methods, the disturbance signal is not added to the system by means of the DG. For instance, inserted capacitor or condenser to intentionally disturbing the equality power mismatches to detect the islanding situation [7,8]. Some of the active methods for inverter-based generators are Sandia frequency shift [9], current harmonic injection [10], active frequency drift [11], voltage drifting technique [12], and positive feedback method [13]. Capability issue of current injection method is investigated in Reference [14] and a solution to solve this problem is also introduced based on considering only certain high frequency components as injected current. Likewise, in References [15,16,17], islanding detection methods for synchronous based generators are presented. In Reference [15], two positive feedback for active and reactive power control loops are presented to make the system unstable in the islanding situation. Afterwards, in Reference [17], new active and passive power control loops proposed to simultaneously improve the ride-through capability of the synchronous generator, as well as detecting islanding-situation. Integral controllers are added to the governor, and excitation system of the synchronous generator are added in Reference [16] to make the system marginally unstable in the islanding situation. In Reference [18], two modified active and reactive power control loops of synchronous DG is presented to make the system marginally unstable in islanding situation. Moreover, a signal processing technique is used to detect a feature which indicates the islanding conditions. A method to control the active and reactive power outputs of inverter-based DGs using two probabilistic phasing neural network controllers has been presented in Reference [19]. Active techniques can interfere with other devices which inject the disturbance to the system and also non-linear loads. Also, power quality degradation is another drawback of the active islanding methods.
Passive methods are based on monitoring the electrical quantities of the system. In this manner, the islanding is detected by violating the presets thresholds. Over/under voltage or frequency relays are the most common passive loss of mains detection [20]. Vector surge relays [21] are another type of passive islanding detection technique. Rate of change of frequency (ROCOF) is another common islanding detection method [22] which has large NDZ. In addition, setting the threshold of the ROCOF is a direct compromise between reducing the NDZ and maloperation in non-islanding events. Also, the voltage measurement-based methods, such as the rate of change of voltage (ROCOV) [8] have an unsuccessful operation to distinguish islanding condition, especially in the case of reactive power imbalance. Afterwards, the rate of change of phase angle difference (ROCPAD) is presented in Reference [23]. The maloperation in short circuit fault is the main drawback of these methods. Signal processing techniques are other passive methods that have been introduced recently [24,25,26]. The wavelet transform is used in References [25,26] to detect the islanding and minimize the NDZ. A passive method for inverter-based DGs introduced in Reference [27] by combining the help of close loop frequency control and a high frequency impedance detection method. In Reference [28], learning methods have been developed to extract the features which illustrate the difference between islanding and grid connected conditions. At first, different features are analyzed using signal processing methods and then these features applied to a deep learning-based algorithm to classified islanding and grid connected disturbances. A voltage index has been used in Reference [29] to detect the islanding condition for large power imbalances, also for small power imbalances, the line current measured to disconnect some loads, due to transfer small imbalances to large power mismatches.
This paper proposes a passive islanding detection technique to eliminate the NDZ and improve the detection time. The measured values of the frequency, voltage, and current are used in the proposed technique to discriminate between islanding and non-islanding conditions. Also, a method to accurately calculate the phase angle difference between voltage and current is proposed in this paper for real-time applications. In addition, the proposed islanding detection technique can be used for all types of the DGs and without depending on the load type of the system. Performance of the proposed method can be retained when multiple DGs are connected to the islanded network. The maximum islanding detection time using the proposed islanding technique is 6 ms even though the power mismatch is zero. The detection time is reduced by increasing the power imbalances based on the proposed technique. The main contributions of this paper can be summarized as follows:
  • The detection time of islanding conditions is improved significantly using the proposed novel islanding detection method;
  • Mal-operation in grid connected disturbances, such as short circuit faults are well-prevented using the proposed method;
  • Since the proposed method is simple and is based on common protection relays, and it can be easily implemented practically;
  • The proposed method can be applied for all types of DGs without degrading the power quality of the system.

2. Proposed Algorithm

Many methods have been proposed for islanding detection. The main concept of most islanding detection methods is that some system parameters (like the voltage, frequency, etc.) change greatly in islanding mode, while they do not change significantly when the distribution system is grid connected. In some cases, existing methods do not recognize islanding mode and cause mal-operation. In addition, these methods may have maloperation in power system disturbances like short circuit faults. This paper, by combining different methods that are described below, provides a new algorithm that has a better operation for islanding detection.
One method for generator’s islanding detection is the use of under frequency (UF) and over frequency (OF) relays (Figure 1). When islanding mode happens due to the power mismatch between load and generation, generator’s speed changes according to Equation (1) [30].
2 × H × d ω d t = P m P e = P m i s m a t c h ,
where:
HInertia constant (MW-s/MVA)
ωSynchronous speed (p.u.)
PmMechanical power (p.u.)
PeElectrical real power (p.u.)
Frequency depends on speed; therefore, when speed changes, the frequency will also change. If the generation is greater than demand, the frequency will increase, and it will decrease if the generation is less than load. The islanding mode will be detected if the frequency drops below or increases above a defined setting for a time greater than a defined delay.
In this paper, frequency is calculated using the PCC voltage. First, the frequency range is estimated using the zero-crossing method. Then, using the least squares error (LSE) method, it is calculated accurately.
Consider the main signal as follows:
V t = V p S i n ω t + θ ,
where:
V(t)Measured voltage (V)
ωAngular speed (rad/s)
VPPeak of voltage (V)
θAngle (rad)
tTime (s)
By sinusoidal expansion, Equation (2) becomes Equation (3).
V t = V p C o s θ S i n ω t + V p S i n θ C o s ω t .
Equation (3) is expended by using Taylor’s sinus and cosine expansions to obtain Equation (4).
V t = S i n ω t V p C o s θ + Δ ω t C o s ω t V p C o s θ + C o s ω t V p S i n θ Δ ω t S i n ω t V p S i n θ t 2 2 S i n ω t Δ ω 2 C o s θ t 2 2 C o s ω t Δ ω 2 S i n θ
where Δω is equal to change in angular speed. There are six unknowns in Equation (4), so at least seven equations are needed to calculate the unknowns by LSE method. In other words, at least seven samples are required to estimate the frequency. To calculate angular speed variations, the known variable and unknown variable of Equation (4) are separated and written as Equation (5). Finally, by adding frequency changes to the base frequency obtained from zero crossings, the frequency is calculated according to Equation (7).
V ( t ) = S 11 X 1 + S 12 X 2 + S 13 X 3 + S 14 X 4 + S 15 X 5 + S 16 X 6 ,
Where,
S 11 = V p C o s θ S 12 = t V p C o s θ S 13 = V p S i n θ S 14 = t V p S i n θ S 15 = t 2 2 C o s θ S 16 = t 2 2 S i n θ
X 11 = S i n ω t X 12 = Δ ω C o s ω t X 13 = C o s ω t X 14 = Δ ω S i n ω t X 15 = S i n ω t Δ ω 2 X 16 = C o s ω t Δ ω 2
Δ ω = X 2 + X 4 X 1 + X 3
f = f z e r o + Δ ω 2 π f 0
Rate of change of frequency (ROCOF) is an important technique for islanding detection. In low power mismatches, the frequency decreases slowly, and it takes a long time to exceed the relay set point. Therefore, islanding mode is detected faster using the ROCOF method. The ROCOF method is based on the theory that there is a mismatch between generation and load when islanding mode happens. Immediately after islanding, because of the power mismatch, the frequency will change dynamically, which neglecting the governor action can be approximated by Equation (8).
d f d t = P L P G 2 H × S G N × f r ,
where:
fFrequency (Hz)
PLLoad in the island (MW)
PGOutput of the distributed generator (MW)
SGNDistributed generator rating (MW)
HInertia constant of generating plant (MW-s/MVA)
frRated frequency (Hz)
ROCOF is determined by deriving of the frequency which is obtained by the LSE method. The ROCOF is measured to compare it with the set threshold limit. If its value exceeds the pre-specified threshold limit, islanding is detected. The block diagram of the ROCOF method is shown in Figure 2.
Another method of islanding detection is ROCPAD. The fundamental of this method is based on the rate of change of phase angle difference at DG end. The process starts with measuring voltage and current signal at the DG end, and then from the phase angle information of the voltage and current signals, the ROCPAD is computed for islanding detection. The five-sample LSE method is used to find the current and voltage angle.
The voltage signal is sampled at t = t0:
V t 0 = V p Sin ω 0 t 0 + θ V ,
where θv is the phase angle of the voltage signal. Equation (9) can be written as Equation (10):
V t 0 = V p Cos θ V Sin ω 0 t 0 + V p Sin θ V Cos ω 0 t 0 .
Consider Equation (10) as Equation (11):
V t 0 = a 01 X 1 + a 02 X 2 ,
where,
a 01 = Sin   ( ω 0 t 0 ) a 02 = Cos   ( ω 0 t 0 ) ,
X 1 = V p Cos θ V X 2 = V p Sin θ V .
It is done for four other voltage samples, and five equations are obtained similar to Equation (11). The matrix form of these equations is given by Equation (12),
A 5 × 2 . X 2 × 1 = V 5 × 1 .
The unknown values of matrix X can be calculated from Equation (13),
X 2 × 1 = A 2 × 5 + .   V 5 × 1 ,
A + = A T . A 1 . A T .
Finally, voltage angle is calculated from Equation (15). It is also done for the current signal to get the current angle.
θ = tan 1 X 2 X 1
The ROCPAD can be calculated by deriving of the difference between the voltage and current angle. Islanding happened when its value exceeds a defined threshold. The block diagram of the ROCPAD method is shown in Figure 3.
The rate of change of voltage, which is known as ROCOV index is one of the islanding detection methods. Most of DGs are required to operate at unit power factor. Thus, the lack of active power will be possible. Change of voltage is a function of reactive power, and as a result of the change of reactive power, the voltage will be changed. Capacitor banks may be the only available source of reactive power in the islanded network with DG operating in unit power factor. The amount of reactive power generated by capacitor banks is a function of the voltage. When the voltage changes, as a result of islanding, the reactive power which capacitor banks generate will also change, and it will change the voltage further. Thus, when reactive power mismatch has a large value, this causes a change in the voltage, so ROCOV value exceeds a preset threshold and islanding mode is detected.
Different methods of Islanding detection are described above. Each of these methods has problems that cause mal-operation or maloperation. The operation of OF/UF relays depends on the frequency. If the mismatch between the generation and load in the islanded network is low, then the frequency will have small changes. Therefore, it may not exceed the threshold limit and leads to false detection. On the other hand, when short circuit faults happen in power systems, the frequency decreases, due to a sudden decrease in load. In this situation, this method may operate incorrectly.
ROCOF method measures the rate of change of frequency, and once the rate of change of frequency exceeds the pre-determined setting, a trip signal is initiated. Similar to OF/UF relays, when active power imbalance in the islanding system is low, the frequency changes slightly. Therefore, the ROCOF method may become ineffective. In addition, network transient events may also cause changes in system frequency, resulting in the incorrect operation of the ROCOF method.
The reactive power imbalance is the detection criterion of the ROCOV method. If a load with a low power factor is disconnected from the network in a normal situation, the reactive power imbalance will have a large value. Therefore, the voltage changes and the ROCOV method may operate incorrectly. On the other hand, when reactive power imbalance in the islanding mode has small variation, the ROCOV value does not sense the threshold and cannot detect the islanding mode.
The ROCPAD method was proposed to solve the maloperation of the ROCOF, and OF/UF relays in the low power mismatch. This method even detects islanding mode with 0% power mismatch. However, the ROCPAD method may have mal-operation during a short circuit fault.
This paper, by combining ROCOF, ROCPAD, ROCOV, and OF/UF relays, presents an algorithm that solves the problems of previous methods. All previous methods can detect islanding mode. However, a more secure operation is achieved using the proposed algorithm. The proposed islanding detection algorithm is shown in Figure 4.
In the proposed algorithm, the combination of ROCOF, ROCPAD, ROCOV and OF/UF relays is used to detect islanding mode fast. The operation time is an important parameter in protection algorithms. There is a direct relationship between the time of detection and the threshold value in classic methods. In order to fast operation, the ROCOV, ROCOF, OF/UF and ROCPAD methods with suitable setting are combined in the proposed method. As the operation speed of the classic algorithm increases, the probability of mal-operation will also increase. The proposed method can provide security and fast operation simultaneously.
The proposed algorithm can tackle the problems of classic algorithms by a logical combination of their output. The ROCPAD relay may have mal-operation in power system short circuit faults. While the mal-operation problem is solved by raising the threshold of this relay, the operation time increases. In the proposed method, two ROCPAD relays with different threshold are used for fast and secure operation. The first ROCPAD relay (ROCPAD-threshold1) has a lower threshold and is faster.
As mentioned above, the ROCOF, ROCPAD and OF/UF relays may have mal operation in power system short circuits. In short circuit faults, the voltage suddenly drops and reaches to a new value after a short time, but the voltage drops slowly in islanding mode. Using this rule, short circuit faults are separated from islanding modes. The ROCOV relay which measures the rate of change of voltage can separate short circuit faults from islanding mode. Therefore, the output of the ROCOV, ROCOF, ROCPAD and OF/UF relays are connected together by a logical AND gate to limit their operation in short circuit faults.
The second ROCPAD relay (ROCPAD-threshold2) has a higher threshold. Hence, it does not recognize short circuit faults as islanding mode. Its trip signal is connected to the output with a logical OR gate. If the first ROCPAD relay is limited, islanding will be detected through the second ROCPAD relay.
There is a direct relationship between the time of detection and the threshold of ROCOF relay. By reducing the threshold, as the islanding detection speed is increased, the probability of wrong detection increases. Therefore, Similar to ROCPAD relay, two ROCOF relays with different threshold are used in the proposed method. The first ROCOF relay (ROCOF-threshold1) has a lower threshold and operate faster. Noises and the transient faults change the frequency quickly. In this situation, the ROCOF value may exceed its threshold, while the frequency does not change significantly. In order to block the operation of the first ROCOF relay under transient faults and noises, the trip signal of it and OF/UF relay combined with a logical AND gate. The second ROCOF relay (ROCOF-threshold2) with higher threshold operates in parallel with second ROCPAD relay to enhance security.
The operation of the proposed algorithm in three general network modes is as follows:
  • When islanding mode happens with high power mismatch, the frequency and voltage change significantly. As a result, the ROCOF, ROCOV and OF/UF relays detect islanding mode, and the output of their AND gate becomes one. On the other hand, the voltage and current phase angle difference begin to increase in islanding network and lead to the output of ROCPAD relay become one. Finally, the output of the second AND gate becomes one and islanding will be detected. In this case, the second ROCPAD and ROCOF relays will detect islanding mode with a time delay after islanding detection by a combination of the first ROCPAD. First, ROCOF, ROCOV and OF/UF relays. Fast operation in high power mismatch is essential, due to high power mismatch causes the generator to become unstable and damages to network equipment. The proposed algorithm by a combination of ROCPAD, ROCOF, ROCOV, and OF/UF relays with low threshold provides fast operation in high power mismatch.
  • When islanding mode happens with low power mismatch, ROCOF, ROCOV, and OF/UF relays may not detect islanding mode. As a result, the output of their AND gate becomes zero. The voltage and current phase angle difference even in low power mismatch increases. Thus, the ROCPAD value exceeds the threshold limits, and the output of ROCPAD relay becomes one. The output of AND gate related to the output of ROCPAD relay and output of first and gate becomes zero. Therefore, the ROCOF, ROCOV and OF/UF relays limit the operation of the first ROCPAD relay. In this situation, the islanding mode is detected by the second ROCPAD relay with a time delay. In islanding mode with low power mismatch, the voltage and frequency change slightly in the islanded grid. Thus, it is last a longer time for the generator to become unstable, and the generator can be separated from the islanded grid with more time delay.
  • When short circuit faults happen, ROCPAD, ROCOF, and OF/UF relays may have mal-operation. Their operation is limited by the ROCOV relay, and the output of second AND gate becomes zero. The second ROCPAD and ROCOF relays, due to their higher threshold do not have mal-operation during short circuit faults. Finally, the output of the trip signal combination becomes zero, and the proposed algorithm does not operate in short circuit faults properly.

3. Simulation and Results

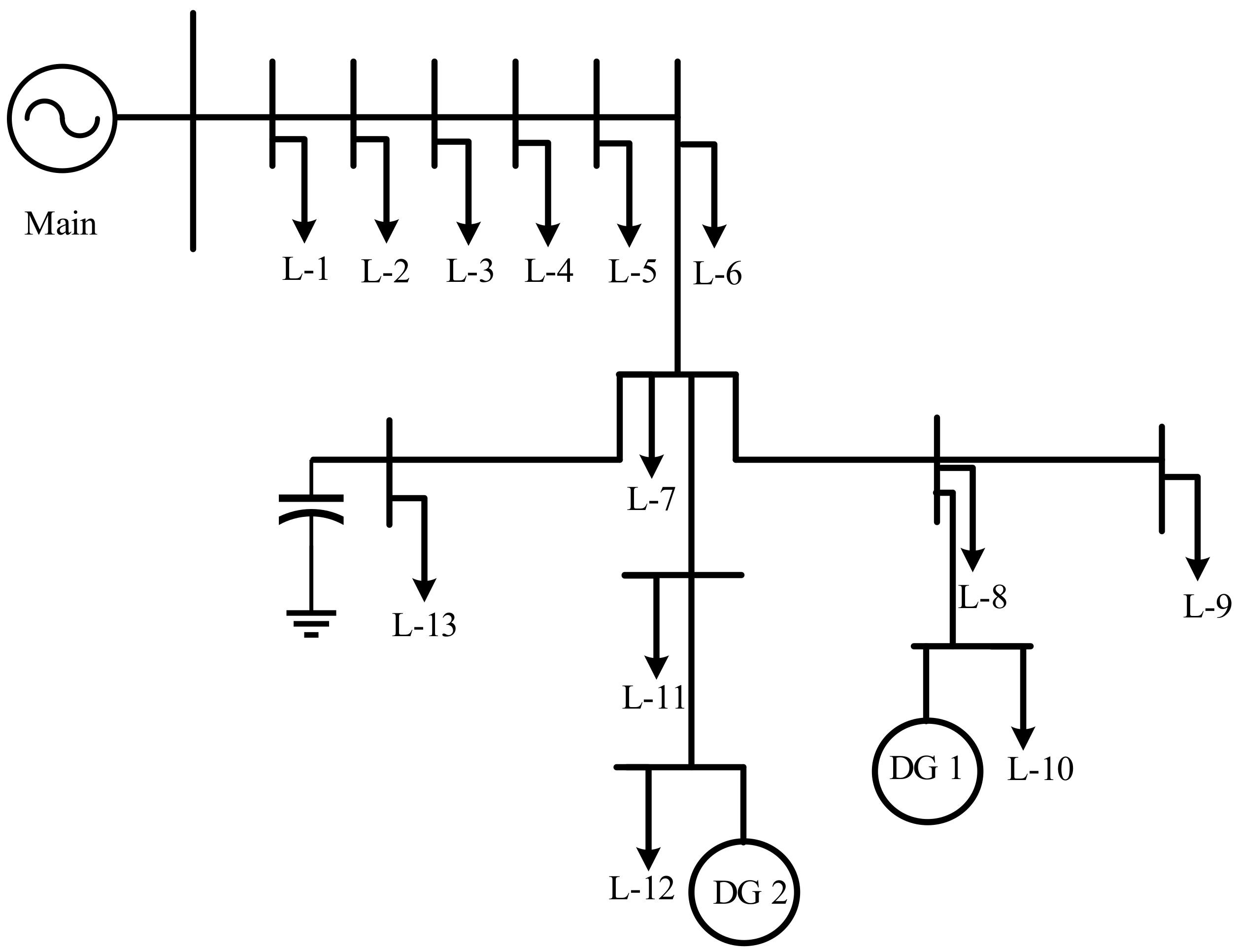
In this paper, the voltage and current measured at the PCC by using capacitor voltage transformer (CVT) and current transformer (CT). Moreover, the least square error algorithm with five samples and seven samples, respectively, has been used to find the voltage and current phase angle and frequency of power system. The sampling rate is 1000 Hz. IEEE 13-bus distribution test feeder, shown in Figure 5, is used to simulate the proposed algorithm. The power system frequency is 60 Hz. Two gas generators are connected to the bus 12. The rated power of each generator is 2 megawatts. At bus 10, there is a 1 megawatt solar power plant connected to the network by an inverter. More details about generators are described in the Appendix A. There is also a 1.2 MVAr compensation capacitor on the network connected to the bus 13.
There is a fuse in the transmission line between the bus 6 and bus 7. The islanding mode happens due to burning the fuse. In all the cases in this paper, the islanding mode has happened, the transmission line between the bus 6 and bus 7 is disconnected. Simulations are performed using MATLAB and PSCAD software. In this paper, IEEE 13-bus distribution system is simulated by PSCAD software. The voltage and current obtained from the PSCAD at PCC location are used for islanding detection. The frequency estimation and the voltage and current phase angle extraction algorithms are developed in MATLAB software. Moreover, the proposed islanding detection method is simulated in MATLAB software. Specifically, the PSCAD is used to simulate the studied system and to generating the data considering different simulation scenarios as explained in the paper, while the MATLAB is used to implement the proposed islanding detection algorithm. In this case, the real power system behavior and the implementation of islanding detection are modeled the same to the reality. As a result, by the parallel execution of the PSCAD and MATLAB, the detection time and other implementation technical issues can be well-considered and determined.

3.1. Islanding with High Power Mismatch

In the first case study, the power mismatch is very high. At t = 3, islanding mode happens with 50% power mismatch. The output of the ROCPAD-1, ROCPAD-2, ROCOF-1, ROCOF-2, ROCOV, and OF/UF relays is shown in Figure 6, Figure 7, Figure 8 and Figure 9.
As shown in Figure 6, after the islanding happens, the frequency begins to increase immediately and after a short time exceeds the threshold. Figure 7 shows that the ROCOF value increases rapidly and exceeds both thresholds, due to high power mismatch. The ROCPAD value is shown in Figure 8. The phase angle difference between the voltage and current begin to increase rapidly, and ROCPAD value exceeds both thresholds in a short time. Figure 9 shows that the ROCOV value increases rapidly and exceeds its threshold of less than 10 ms.
The trip signal of relays and the proposed algorithm is shown in Figure 10. It can be seen that islanding has been quickly detected by all relays and the proposed algorithm.

3.2. Short Circuit Fault

In the second case study, a short circuit fault occurs in the middle of the transmission line between bus 11 and bus 12 at t = 3. The short circuit resistance is equal to 1.5 Ω. The output of the ROCPAD-1, ROCPAD-2, ROCOF-1, ROCOF-2, ROCOV and OF/UF relays is shown in Figure 11, Figure 12, Figure 13 and Figure 14.
As shown in Figure 11 in the short circuit fault, the frequency remains in an acceptable range. Therefore, the OF/UF relay does not work. Figure 12 and Figure 13 show the ROCPAD and ROCOF value, respectively. It can be seen that the ROCPAD-threshold1 and ROCOF-threshold1 relays exceed their threshold. Thus, they operate incorrectly in short circuit faults. As mentioned above, after short circuit faults, the voltage drops immediately and reaches to a new value. On the other hand, the voltage drops with a lower slop in islanding modes. Thus, the ROCOV relay can separate islanding modes from non-islanding modes. As shown in Figure 14, the ROCOV value does not exceed the threshold and works correctly. Therefore, the output of the combination of these 4 relays with AND gate is zero. In this situation, if the ROCPAD and ROCOF are used, the generator is wrongly separated from the power grid.
Raising the ROCOF and ROCPAD relays threshold makes them secure in short circuit faults. As seen in Figure 12 and Figure 13 the ROCOF and ROCPAD value in ROCOF-threshold2 and ROCPAD-threshold2 relays does not exceed the threshold. The trip signal of these relays is equal to zero. So, the output of these two relays with a logical OR gate is zero. Finally, the output signal of the proposed algorithm is equal to zero, and it does not work in short circuit faults.
The trip signal of relays and the proposed algorithm is shown in Figure 15. It can be seen that the trip signal of the proposed algorithm is zero. So, the proposed algorithm does not work in short circuit faults.

3.3. Islanding with Zero Power Mismatch

In the third case study, islanding mode happens with 0% power mismatch at t = 3. The trip signal of relays and the proposed algorithm is shown in Figure 16.
The frequency and voltage are not significantly low regarding power mismatch. The ROCOV, ROCOF, and OF/UF relays do not exceed their threshold. So, these relays do not detect islanding mode with low power mismatch. The ROCPAD relays can detect islanding mode even in 0% power mismatch. As seen in Figure 16, the trip signal of the ROCOV, ROCOF, and OF/UF is zero. The ROCPAD-threshold1 relay finds the islanding mode sooner than the ROCPAD-threshold2. The operation of ROCPAD-threshold1 is limited by ROCOV, ROCOF, and OF/UF relays. So, when the ROCPAD-thereshold2 exceeds its threshold, the proposed algorithm operates, and the generator will be separated from the power grid.

3.4. Load Shedding

In the fourth case study, at bus 7, a 1 MVA load with a power factor of 0.8 is disconnected from the power network at t = 3 s. The trip signal of relays and the proposed algorithm is shown in Figure 17.
As seen in Figure 17, load shedding does not affect the operation of the relays. Thus, the output of the proposed algorithm is zero.

3.5. Capacitor Bank Switching

In the fifth case study, at bus 13, a 1.2 MVAr capacitor is connected to the power network at t = 3 s. The trip signal of relays and the proposed algorithm is shown in Figure 18.
As seen in Figure 18, capacitor switching does not affect the operation of the relays. Thus, the output of the proposed algorithm is zero.

3.6. Motor Switching

In the sixth case study, at bus 11, a 2.2 MW motor is connected to the power network at t = 3 s. The trip signal of relays and the proposed algorithm is shown in Figure 19. As seen in Figure 19, due to starting, the inrush current the voltage of PCC decreases. Therefore, the ROCOV value exceeds the pre-defined threshold. In this situation the ROCOV relay has mal-operation, but the proposed method operates correctly.
The proposed algorithm has been investigated in different islanding mode, different short circuit faults with different fault resistance, different load connecting, load shedding and capacitor bank disconnecting. The results show that the proposed algorithm separates clearly islanding mode from the non-islanding mode. Table 1 shows the comparison of detection time between the proposed algorithm and classic algorithms at different power mismatches. It can be seen that the proposed algorithm detects the island condition in less than 6 ms time delay. Moreover, in all cases, the speed of the proposed algorithm is faster than the classic algorithm.
Table 2 shows the mal-operation of the proposed algorithm and classic algorithms in non-islanding events. It can be seen that the proposed algorithm, unlike classic algorithms, has not maloperation on non-islanding events.

4. Conclusions

Islanding detection becomes very important by employing distributed generation in the power network. If the islanding is not detected correctly, it will damage to the network equipment. This paper presents a new algorithm for islanding detection in distributed generation. The proposed algorithm by combining different islanding detection methods presents a new method that detects islanding mode very fast. It does not suffer from drawbacks, which may be seen in other methods. It works effectively under a wide range of power mismatch. The proposed algorithm does not require much data. It detects islanding modes only by using the voltage and current at DG’s locations. Mal-operation during short circuit faults is one of the major problems of most of the islanding detection methods. The proposed algorithm can distinguish between short circuit faults and islanding mode. The operation of the proposed algorithm was investigated in various conditions, including different short circuit faults with different fault resistance, different load connection and rejection and disconnection of compensator capacitor. In all cases, the proposed algorithm works correctly.

Author Contributions

All authors worked on this manuscript together. All authors read and approved the final manuscript.

Funding

This research received no external funding.

Conflicts of Interest

The authors declare no conflict of interest.

Appendix A

Table A1. The parameters of synchronous DG
Table A1. The parameters of synchronous DG
ParametersValue
Rate power2 MVA
Voltage380 V
Inertia constant (H)1 s
Xd1.44 pu
Table A2. The parameters of inverter-based DG
Table A2. The parameters of inverter-based DG
Power factor range0.8 to 1 (lead and lag)
Nominal ac voltage350 V rms
Maximum ac output current1040 A rms
Nominal frequency50/60 Hz
Reactive power range ± 380 kVAr
Output power473 KVA
Maximum PV operating current1280 A
Suggested PV array peak power725 Kw
Maximum array short circuit current at standard test conditions1600 A
Maximum array short circuit current2000 A
PV operating voltage range510 to 850 V

References

  1. Basso, T.; DeBlasio, R. IEEE 1547 Series of Standards: Interconnection Issues. IEEE Trans. Power Electron. 2004, 19, 1159–1162. [Google Scholar] [CrossRef]
  2. Code, E.E. Requirements for Grid Connection Applicable to All Generators; ENTSO-E: Brussels, Belgium, 2013. [Google Scholar]
  3. Tang, Y.; Li, F.; Zheng, C.; Wang, Q.; Wu, Y. PMU Measurement-Based Intelligent Strategy for Power System Controlled Islanding. Energies 2018, 11, 143. [Google Scholar] [CrossRef]
  4. Almas, M.S.; Vanfretti, L. RT-HIL implementation of the hybrid synchrophasor and GOOSE-based passive islanding schemes. IEEE Trans. Power Deliv. 2015, 31, 1299–1309. [Google Scholar] [CrossRef]
  5. Werho, T.; Vittal, V.; Kolluri, S.; Wong, S.M. A potential island formation identification scheme supported by PMU measurements. IEEE Trans. Power Syst. 2015, 31, 423–431. [Google Scholar] [CrossRef]
  6. Xu, W.; Zhang, G.; Li, C.; Wang, W.; Wang, G.; Kliber, J. A Power Line Signaling Based Technique for Anti-Islanding Protection of Distributed Generators—Part I: Scheme and Analysis. IEEE Trans. Power Deliv. 2007, 22, 1758–1766. [Google Scholar] [CrossRef]
  7. Bejmert, D.; Sidhu, T.S. Investigation Into Islanding Detection With Capacitor Insertion-Based Method. IEEE Trans. Power Deliv. 2014, 29, 2485–2492. [Google Scholar] [CrossRef]
  8. Rostami, A.; Abdi, H.; Moradi, M.; Olamaei, J.; Naderi, E. Islanding detection based on ROCOV and ROCORP parameters in the presence of synchronous DG applying the capacitor connection strategy. Electr. Power Compon. Syst. 2017, 45, 315–330. [Google Scholar] [CrossRef]
  9. Azim, R.; Li, F.; Xue, Y.; Starke, M.; Wang, H. An islanding detection methodology combining decision trees and Sandia frequency shift for inverter-based distributed generations. IET Gener. Transm. Distrib. 2017, 11, 4104–4113. [Google Scholar] [CrossRef]
  10. Voglitsis, D.; Papanikolaou, N.; Kyritsis, A.C. Incorporation of harmonic injection in an interleaved flyback inverter for the implementation of an active anti-islanding technique. IEEE Trans. Power Electron. 2016, 32, 8526–8543. [Google Scholar] [CrossRef]
  11. Wen, B.; Boroyevich, D.; Burgos, R.; Shen, Z.; Mattavelli, P. Impedance-based analysis of active frequency drift islanding detection for grid-tied inverter system. IEEE Trans. Ind. Appl. 2015, 52, 332–341. [Google Scholar] [CrossRef]
  12. Emadi, A.; Afrakhte, H.; Sadeh, J. Fast active islanding detection method based on second harmonic drifting for inverter-based distributed generation. IET Gener. Transm. Distrib. 2016, 10, 3470–3480. [Google Scholar] [CrossRef]
  13. Sun, Q.; Guerrero, J.M.; Jing, T.; Vasquez, J.C.; Yang, R. An islanding detection method by using frequency positive feedback based on FLL for single-phase microgrid. IEEE Trans. Smart Grid 2015, 8, 1821–1830. [Google Scholar] [CrossRef]
  14. Liu, M.; Zhao, W.; Wang, Q.; Huang, S.; Shi, K. Compatibility Issues with Irregular Current Injection Islanding Detection Methods and a Solution. Energies 2019, 12, 1467. [Google Scholar] [CrossRef]
  15. Du, P.; Nelson, J.; Ye, Z. Active anti-islanding schemes for synchronous-machine-based distributed generators. IEE Proc. Gener. Transm. Distrib. 2005, 152, 597–606. [Google Scholar] [CrossRef]
  16. Roscoe, A.J.; Burt, G.M.; Bright, C.G. Avoiding the Non-Detection Zone of Passive Loss-of-Mains (Islanding) Relays for Synchronous Generation by Using Low Bandwidth Control Loops and Controlled Reactive Power Mismatches. IEEE Trans. Smart Grid 2014, 5, 602–611. [Google Scholar] [CrossRef]
  17. Zamani, R.; Hamedani-Golshan, M.-E.; Alhelou, H.H.; Siano, P.; Pota, H.R. Islanding Detection of Synchronous Distributed Generator Based on the Active and Reactive Power Control Loops. Energies 2018, 11, 2819. [Google Scholar] [CrossRef]
  18. Zamani, R.; Golshan, M.E.H.; Alhelou, H.H.; Hatziargyriou, N. A novel hybrid islanding detection method using dynamic characteristics of synchronous generator and signal processing technique. Electr. Power Syst. Res. 2019, 175, 105911. [Google Scholar] [CrossRef]
  19. Tan, K.H.; Lan, C.W. DG System Using PFNN Controllers for Improving Islanding Detection and Power Control. Energies 2019, 12, 506. [Google Scholar] [CrossRef]
  20. Vieira, J.C.; Freitas, W.; Xu, W.; Morelato, A. An Investigation on the Nondetection Zones of Synchronous Distributed Generation Anti-Islanding Protection. IEEE Trans. Power Deliv. 2008, 23, 593–600. [Google Scholar] [CrossRef]
  21. Xu, W.; Freitas, W.; Huang, Z. A practical method for assessing the effectiveness of vector surge relays for distributed generation applications. IEEE Trans. Power Deliv. 2005, 20, 57–63. [Google Scholar]
  22. Vieira, J.C.; Freitas, W.; Xu, W.; Morelato, A. Efficient Coordination of ROCOF and Frequency Relays for Distributed Generation Protection by Using the Application Region. IEEE Trans. Power Deliv. 2006, 21, 1878–1884. [Google Scholar] [CrossRef]
  23. Samui, A.; Samantaray, S.R. Assessment of ROCPAD Relay for Islanding Detection in Distributed Generation. IEEE Trans. Smart Grid 2011, 2, 391–398. [Google Scholar] [CrossRef]
  24. Zamani, R.; Golshan, M.E.H. Islanding Detection of Synchronous Machine-Based Distributed Generators Using Signal Trajectory Pattern Recognition. In Proceedings of the 6th International Istanbul Smart Grids and Cities Congress and Fair (ICSG), Istanbul, Turkey, 25–26 April 2018; pp. 91–95. [Google Scholar]
  25. Pigazo, A.; Liserre, M.; Mastromauro, R.A.; Moreno, V.M.; Dell’Aquila, A. Wavelet-based islanding detection in grid-connected PV systems. IEEE Trans. Ind. Electron. 2008, 56, 4445–4455. [Google Scholar] [CrossRef]
  26. Ning, J.; Wang, C. Feature Extraction for Islanding Detection Using Wavelet Transform-Based Multi-Resolution Analysis. In Proceedings of the 2012 IEEE Power and Energy Society General Meeting, San Diego, CA, USA, 22–26 July 2012; pp. 1–6. [Google Scholar]
  27. Liu, X.; Zheng, X.; He, Y.; Zeng, G.; Zhou, Y. Passive Islanding Detection Method for Grid-Connected Inverters Based on Closed-Loop Frequency Control. J. Electr. Eng. Technol. 2019, 1, 1–10. [Google Scholar] [CrossRef]
  28. Kong, X.; Xu, X.; Yan, Z.; Chen, S.; Yang, H.; Han, D. Deep learning hybrid method for islanding detection in distributed generation. Appl. Energy 2018, 210, 776–785. [Google Scholar] [CrossRef]
  29. Abd-Elkader, A.G.; Saleh, S.M.; Eiteba, M.M. A passive islanding detection strategy for multi-distributed generations. Int. J. Electr. Power Energy Syst. 2018, 99, 146–155. [Google Scholar] [CrossRef]
  30. Horowitz, S.H.; Phadke, A.G. Power System Relaying, 4th ed.; John Wiley & Sons: Hoboken, NJ, USA, 2013. [Google Scholar]
Figure 1. Islanding detection using under frequency (UF) and over frequency (OF) relays.
Figure 1. Islanding detection using under frequency (UF) and over frequency (OF) relays.
Energies 12 03160 g001
Figure 2. Islanding detection using rate of change of frequency (ROCOF) method.
Figure 2. Islanding detection using rate of change of frequency (ROCOF) method.
Energies 12 03160 g002
Figure 3. Islanding detection using rate of change of phase angle difference (ROCPAD) method.
Figure 3. Islanding detection using rate of change of phase angle difference (ROCPAD) method.
Energies 12 03160 g003
Figure 4. Proposed islanding detection algorithm.
Figure 4. Proposed islanding detection algorithm.
Energies 12 03160 g004
Figure 5. IEEE 13-bus distribution test feeder.
Figure 5. IEEE 13-bus distribution test feeder.
Energies 12 03160 g005
Figure 6. The output of OF/UF relay in islanding mode with high power mismatch.
Figure 6. The output of OF/UF relay in islanding mode with high power mismatch.
Energies 12 03160 g006
Figure 7. The output of ROCOF relay in islanding mode with high power mismatch.
Figure 7. The output of ROCOF relay in islanding mode with high power mismatch.
Energies 12 03160 g007
Figure 8. The output of ROCPAD relay in islanding mode with high power mismatch.
Figure 8. The output of ROCPAD relay in islanding mode with high power mismatch.
Energies 12 03160 g008
Figure 9. The output of ROCOV relay in islanding mode with high power mismatch.
Figure 9. The output of ROCOV relay in islanding mode with high power mismatch.
Energies 12 03160 g009
Figure 10. Trip signal of relays and the proposed algorithm in islanding mode with high power mismatch.
Figure 10. Trip signal of relays and the proposed algorithm in islanding mode with high power mismatch.
Energies 12 03160 g010
Figure 11. The output of OF/UF relay in short circuit fault.
Figure 11. The output of OF/UF relay in short circuit fault.
Energies 12 03160 g011
Figure 12. The output of ROCOF relay in short circuit fault.
Figure 12. The output of ROCOF relay in short circuit fault.
Energies 12 03160 g012
Figure 13. The output of ROCPAD relay in short circuit fault.
Figure 13. The output of ROCPAD relay in short circuit fault.
Energies 12 03160 g013
Figure 14. The output of ROCOV relay in short circuit fault.
Figure 14. The output of ROCOV relay in short circuit fault.
Energies 12 03160 g014
Figure 15. Trip signal of relays and the proposed algorithm in short circuit fault.
Figure 15. Trip signal of relays and the proposed algorithm in short circuit fault.
Energies 12 03160 g015
Figure 16. Trip signal of relays and the proposed algorithm in islanding mode with 0% power mismatch.
Figure 16. Trip signal of relays and the proposed algorithm in islanding mode with 0% power mismatch.
Energies 12 03160 g016
Figure 17. Trip signal of relays and the proposed algorithm in load shedding.
Figure 17. Trip signal of relays and the proposed algorithm in load shedding.
Energies 12 03160 g017
Figure 18. Trip signal of relays and the proposed algorithm in capacitor switching.
Figure 18. Trip signal of relays and the proposed algorithm in capacitor switching.
Energies 12 03160 g018
Figure 19. Trip signal of relays and the proposed algorithm in motor switching.
Figure 19. Trip signal of relays and the proposed algorithm in motor switching.
Energies 12 03160 g019
Table 1. Result of islanding detection using the proposed algorithm and classic algorithms for different active and reactive power mismatches.
Table 1. Result of islanding detection using the proposed algorithm and classic algorithms for different active and reactive power mismatches.
Active Power Mismatch ( Δ P ) Reactive Power Mismatch ( Δ Q ) Detection Time (ms)
The Proposed MethodUF/OFROCOFROCPAD
80%60%3.213.73.213.56
60%45%3.924.13.924.2
40%25%4.134.54.134.2
20%15%5.2276.55.22
15%12%5.371075.37
10%8%5.56NOT detect125.56
5%2%5.89NOT detectNOT detect5.89
3%1.5%5.91NOT detectNOT detect5.91
2%1%5.94NOT detectNOT detect5.94
0.5%0%5.98NOT detectNOT detect5.98
0%0%6.00NOT detectNOT detect6.00
−0.5%−0.5%5. 94NOT detectNOT detect5.94
−3%−1%5.93NOT detectNOT detect5.93
−5%−2%5.91NOT detectNOT detect5.91
−10%−12%5.25NOT detect12.55.25
−20%−15%4.816.55.74.81
−40%−25%4.204.44.34.20
−60%−45%3.733.93.373.58
−80%−60%3.423.73.423.75
−85%−70%2.112.252.112.45
Table 2. Result of operation of the proposed method and classic methods in the non-islanding event.
Table 2. Result of operation of the proposed method and classic methods in the non-islanding event.
Grid-Connected DisturbancesOperation
EventDescriptionThe Proposed MethodUF/OFROCOFROCPAD
Capacitor entry1.2MVARnon operationnon operationnon operationnon operation
2.2MVARnon operationnon operationnon operationnon operation
3.3MVARnon operationnon operationnon operationnon operation
4.4MVARnon operationnon operationnon operationnon operation
5.5MVARnon operationnon operationnon operationmal-operation
Motor switching2MWnon operationnon operationnon operationnon operation
4MWnon operationnon operationnon operationnon operation
6MWnon operationnon operationnon operationnon operation
8MWnon operationnon operationmal-operationmal-operation
10MWnon operationnon operationmal-operationmal-operation
faultsSingle phase to groundnon operationnon operationmal-operationmal-operation
Two phasenon operationnon operationmal-operationmal-operation
Two phase to groundnon operationnon operationmal-operationmal-operation
Three phasenon operationnon operationmal-operationmal-operation
Load shedding1MVAnon operationnon operationnon operationnon operation
2MVAnon operationnon operationmal-operationmal-operation
3MVAnon operationnon operationmal-operationmal-operation
4MVAnon operationnon operationmal-operationmal-operation

Share and Cite

MDPI and ACS Style

Abyaz, A.; Panahi, H.; Zamani, R.; Haes Alhelou, H.; Siano, P.; Shafie-khah, M.; Parente, M. An Effective Passive Islanding Detection Algorithm for Distributed Generations. Energies 2019, 12, 3160. https://doi.org/10.3390/en12163160

AMA Style

Abyaz A, Panahi H, Zamani R, Haes Alhelou H, Siano P, Shafie-khah M, Parente M. An Effective Passive Islanding Detection Algorithm for Distributed Generations. Energies. 2019; 12(16):3160. https://doi.org/10.3390/en12163160

Chicago/Turabian Style

Abyaz, Arash, Habib Panahi, Reza Zamani, Hassan Haes Alhelou, Pierluigi Siano, Miadreza Shafie-khah, and Mimmo Parente. 2019. "An Effective Passive Islanding Detection Algorithm for Distributed Generations" Energies 12, no. 16: 3160. https://doi.org/10.3390/en12163160

APA Style

Abyaz, A., Panahi, H., Zamani, R., Haes Alhelou, H., Siano, P., Shafie-khah, M., & Parente, M. (2019). An Effective Passive Islanding Detection Algorithm for Distributed Generations. Energies, 12(16), 3160. https://doi.org/10.3390/en12163160

Note that from the first issue of 2016, this journal uses article numbers instead of page numbers. See further details here.

Article Metrics

Back to TopTop