Study on Fault Current Characteristics and Current Limiting Method of Plug-In Devices in VSC-DC Distribution System
Abstract
1. Introduction
- (1)
- The study on current limiting methods mainly focuses on the aspect of a single VSC converter when the pole-to-pole fault occurs at the line side. However, the interaction and protection methods of main converters and plug-in devices, which are connected to the medium voltage DC line, are neglected when the fault occurs.
- (2)
- The study on current limiting methods of VSC converter mainly focuses on the main converter. However, the voltage level at the load side of the plug-in device is low, and the process of fault discharge is different from the main converter.
2. System Topology and Design Principle of Current Limiting Reactor Value
2.1. DC Distribution System Topology
2.2. Design Principle of Current Limited Reactor Value
- (1)
- For F1 fault: the current limiting reactor should limit the discharge current from the capacitor at the line side of the plug-in device within the breaking capacity of the DC circuit breaker.
- (2)
- For F2 fault: the sum of discharge current from the other device’s capacitors should be limited to the breaking capacity of the DC circuit breaker.
3. Causes of Fault Current and Design Method of Current Limiting Reactor Value
3.1. F1 Pole-To-Pole Fault
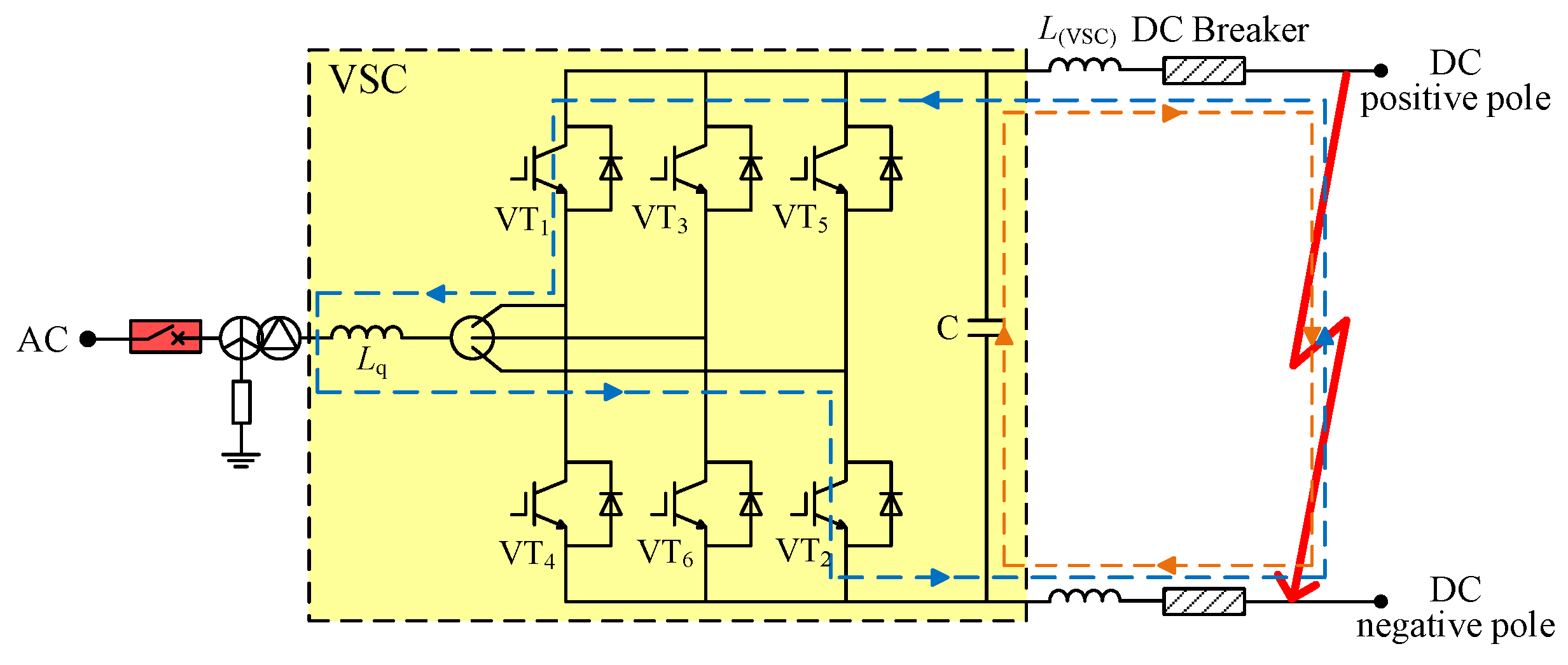
3.1.1. Analysis of Pole-To-Pole Fault Current at the Line Side of VSC
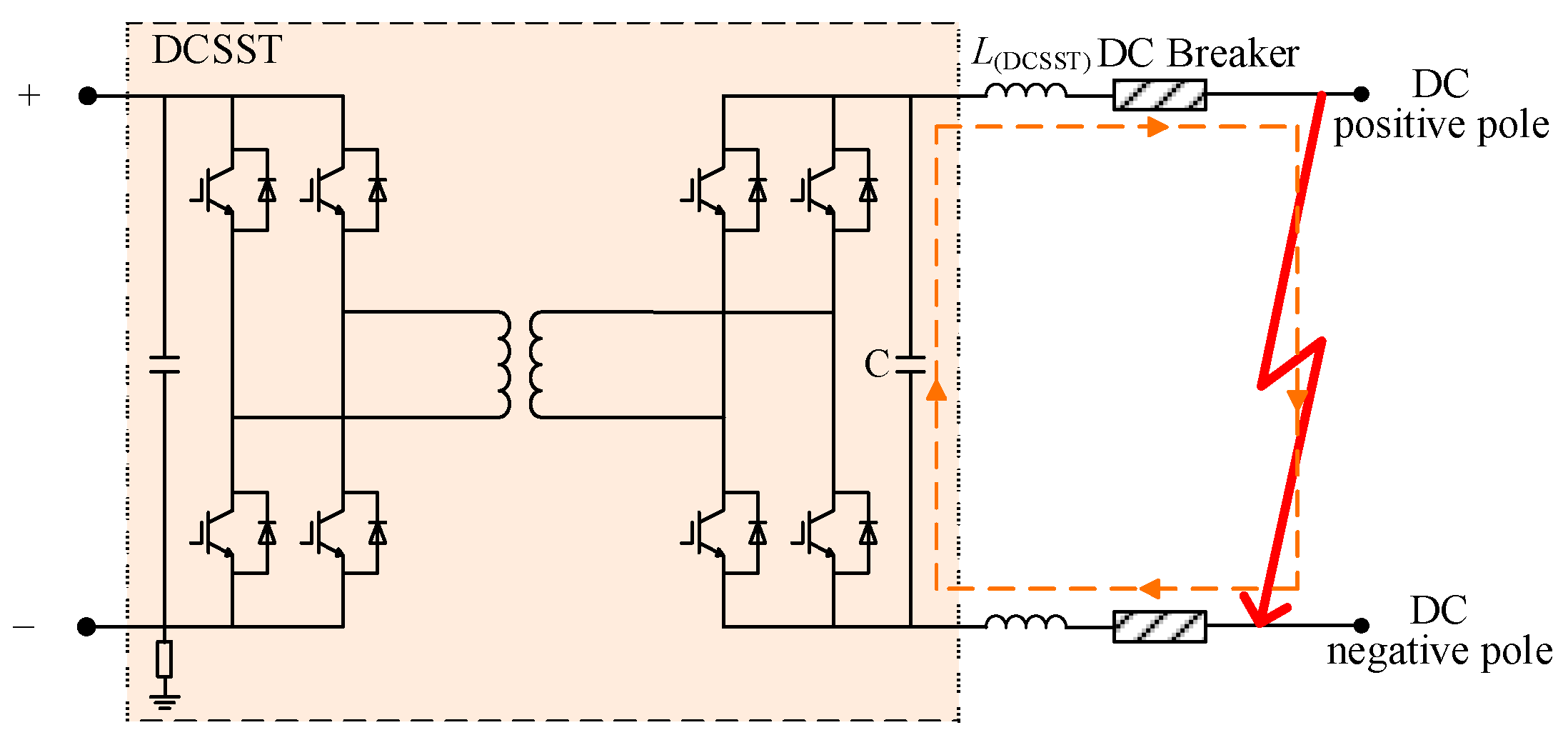
3.1.2. Analysis of Pole-To-Pole Fault Current at the Line Side of DCSST
3.2. F2 Pole-To-Pole Fault
3.3. Design Method of Current Limiting Reactor Value
4. Simulation
4.1. Simulation Modeling
4.2. Theoretical Selection and Simulation Verification of Current Limiting Reactors
5. Conclusions
- (a)
- The generation mechanism of F1, F2 and F3 fault current are analyzed theoretically, in which F1 and F2 need to be taken into consideration when designing the current limiting reactors.
- (b)
- The generation mechanism and influencing factors of typical fault current in VSC and DCSST are analyzed theoretically, and the calculation methods of fault current are proposed, such as (1), (2), (5), (6), (9), (10). Also, the current magnitude at different time can be obtained by these calculation methods, so it can provide reference for the setting value of overcurrent protection.
- (c)
- Based on the generation mechanism of fault current and the breaking capacity of the DC circuit breaker, the calculation and selected methods of current limiter reactor value are proposed, such as (4), (8), (12), (13), (14), (15). The size of the current limiting reactor can be determined according to different system parameters and different breaking capacity of the DC circuit breaker. For different breaking capacities of DC circuit breakers, the corresponding current limiting reactor can be obtained by these calculation methods.
- (d)
- The accuracy and reliability of theoretical calculation methods are verified by simulation in PSCAD/EMTDC.
Author Contributions
Funding
Conflicts of Interest
References
- Zhao, B.; Zhao, Y.; Wang, Y.; Liu, G.; Song, Q.; Yuan, Z.; Yao, S. Energy Internet Based on Flexible Medium-voltage DC Distribution. Proc. CSEE 2015, 35, 4843–4851. [Google Scholar]
- Huang, A.Q.; Crow, M.L.; Heydt, G.T.; Zheng, J.P.; Dale, S.J. The Future Renewable Electric Energy Delivery and Management (FREEDM) System: The Energy Internet. Proc. IEEE 2011, 99, 133–148. [Google Scholar] [CrossRef]
- Has the Spring of VSC-DC Distribution System Come Yet? Available online: http://shupeidian.bjx.com.cn/html/20190103/953912.shtml (accessed on 1 March 2019).
- Wang, Y.; Yuan, Z.; Wen, W.; Ji, Y.; Fu, J.; Li, Y.; Zhao, Y. Generalised protection strategy for HB-MMC MTDC systems with RL-FCL under DC faults. IET Gener. Transm. Distrib. 2018, 12, 1231–1239. [Google Scholar] [CrossRef]
- Raza, A.; Akhtar, A.; Jamil, M.; Abbas, G.; Gilani, S.O.; Liu, Y.; Khan, M.N.; Izhar, T.; Xu, D.; Williams, B.W. A Protection Scheme for Multi-Terminal VSC-HVDC Transmission Systems. IEEE Access 2017, 6, 3159–3166. [Google Scholar] [CrossRef]
- Hӓfner, J.; Jacobson, B. Proactive Hybrid HVDC Breakers—A key innovation for reliable HVDC grids. In Proceedings of the Electric Power System of the Future Integrating Super Grids and Micro-grids International Symposium, Bologna, Italy, 13–15 September 2011. [Google Scholar]
- Huang, R.; Zhu, Z.; Chen, J.; Chen, M.; Zou, C.; Xu, S. Research and experimental validation of control and protection strategy of HVDC circuit breaker in fault condition application in Nan’ao multi-terminal VSC-HVDC system. Power Syst. Technol. 2018, 42, 2339–2345. [Google Scholar]
- Zhang, Z.; Li, X.; Chen, M.; Huang, Y.; Xu, S.; Zhao, X. Research on critical technical parameters of HVDC circuit breakers applied in Nan’ao multi-terminal VSC-HVDC project. Power Syst. Technol. 2017, 41, 2417–2422. [Google Scholar]
- Chen, Z.; Yu, Z.; Zhang, X.; Wei, T.; Lyu, G.; Qu, L.; Huang, Y.; Zeng, R. Analysis and Experiments for IGBT, IEGT, and IGCT in Hybrid DC Circuit Breaker. IEEE Trans. Ind. Electron. 2018, 65, 2883–2892. [Google Scholar] [CrossRef]
- Lyu, G.; Yu, Z.; Zeng, R.; Liu, J.; Zhang, X.; Long, T.; Palmer, P. Optimisation of gate-commutated thyristors for hybrid DC breakers. IET Power Electron. 2017, 10, 2002–2009. [Google Scholar] [CrossRef]
- Wen, W.; Huang, Y.; Cheng, T.; Gao, S.; Chen, Z.; Zhang, X.; Yu, Z.; Zeng, R.; Liu, W. Research on a current commutation drive circuit for hybrid dc circuit breaker and its optimisation design. IET Gener. Transm. Distrib. 2016, 10, 3119–3126. [Google Scholar] [CrossRef]
- Zhu, T.; Yu, Z.; Zeng, R.; Lü, G.; Chen, Z.; Zhang, X.; Zhao, Y.; Chen, M.; Huang, Y.; Wen, W. Transient Model and Operation Characteristics Researches of Hybrid DC Circuit Breaker. Proc. CSEE 2016, 36, 18–30. [Google Scholar]
- Chen, M.; Zhao, Y.; Li, X.; Xu, S.; Sun, W.; Zhu, T.; Zeng, R.; Chen, Z.; Yu, Z. Development of topology and power electronic devices for solid-state circuit breakers. In Proceedings of the 2nd International Symposium on Instrumentation and Measurement, Sensor Network and Automation (IMSNA), Toronto, ON, Canada, 23–24 December 2013. [Google Scholar]
- Liu, J.; Ta, N.; Fan, C.; Shi, C. A Hybrid Current-limiting Circuit for DC Line Fault in Multi-terminal VSC-HVDC System. IEEE Trans. Ind. Electron. 2017, 64, 5595–5607. [Google Scholar] [CrossRef]
- Guo, Z.; Han, Y.; Zhao, Y.; He, Q.; Liu, G.; Li, L. Study on Transient Current of the Key Equipment in Flexible DC Power Distribution System. High Volt. Eng. 2017, 43, 1280–1288. [Google Scholar]
- Morishita, Y.; Ishikawa, T.; Yamaguchi, I.; Okabe, S.; Ueta, G.; Yanabu, S. Applications of DC Breakers and Concepts for Superconducting Fault-Current Limiter for a DC Distribution Network. IEEE Trans. Appl. Supercond. 2009, 19, 3658–3664. [Google Scholar] [CrossRef]
- Xie, S.; Qiu, Y.; Bi, T. Resistive DC fault current limiter. J. Eng. 2017, 2017, 1682–1685. [Google Scholar]
- Xu, K.; Wang, T.; Zhu, Y.; Xia, R. Fault Current Limiting Strategy for Flexible Power Distribution System Based on Voltage Source Converters. Autom. Electr. Power Syst. 2017, 41, 118–123. [Google Scholar]
- Li, B.; He, J. Studies on the Application of R-SFCL in the VSC-Based DC Distribution System. IEEE Trans. Appl. Supercond. 2016, 26, 5601005. [Google Scholar] [CrossRef]
- Li, B.; He, J. DC Fault Analysis and Current Limiting Technique for VSC-based DC Distribution System. Proc. CSEE 2015, 35, 3026–3036. [Google Scholar]
- Callavik, M.; Blomberg, A.; Häfner, J.; Jacobson, B. Breakthrough! ABB’s hybrid HVDC breaker, an innovation breakthrough enabling reliable HVDC grids. ABB Rev. 2013, 2, 7–13. [Google Scholar]
- Steven, D.A.F.; Patrick, J.N.; Kenny, F.; Stuart, J.G.; Graeme, M.B. High-Speed Differential Protection for Smart DC Distribution Systems. IEEE Trans. Smart Grid 2014, 5, 2610–2617. [Google Scholar]
- Li, B.; He, J.; Li, Y.; Ou, Y. Single-ended Protection Scheme Based on Boundary Characteristic for the Multi-terminal VSC-based DC Distribution System. Proc. CSEE 2016, 36, 5741–5749. [Google Scholar]
- Wang, Y.; Yuan, Z.; Fu, J.; Li, Y.; Zhao, Y. A feasible coordination protection strategy for MMC-MTDC systems under DC faults. Int. J. Electr. Power Energy Syst. 2017, 90, 103–111. [Google Scholar] [CrossRef]
- Luo, Y.; He, J.; Luo, G.; Zhang, Y. Fast DC fault location and isolation strategy for the flexible multi-terminal DC system. J. Eng. 2018, 2018, 908–912. [Google Scholar] [CrossRef]
- Li, C.; Zhao, C.; Xu, J.; Ji, Y.; Zhang, F.; An, T. A Pole-to-Pole Short-Circuit Fault Current Calculation Method for DC Grids. IEEE Trans. Power Syst. 2017, 32, 4943–4953. [Google Scholar] [CrossRef]
- Li, B.; He, J.; Jie, T.; Feng, Y.; Dong, Y. DC fault analysis for modular multilevel converter-based system. J. Mod. Power Syst. Clean Energy 2017, 5, 275–282. [Google Scholar] [CrossRef]
- Shuai, Z.; He, D.; Xiong, Z.; Lei, Z.; Shen, Z.J. Comparative Study of Short-Circuit Fault Characteristics for VSC-Based DC Distribution Networks with Different Distributed Generators. IEEE J. Emerg. Sel. Topics Power Electron. 2019, 7, 528–540. [Google Scholar] [CrossRef]
- Ji, Y.; Yuan, Z.; Zhao, J.; Lu, C.; Wang, Y.; Zhao, Y.; Li, Y.; Han, Y. Hierarchical control strategy for MVDC distribution network under large disturbance. IET Generat. Transm. Distrib. 2018, 12, 2557–2565. [Google Scholar] [CrossRef]
- Jian, S.; Fan, C.; Ning, N.; Zeng, J. Fault Characteristic Analysis of DC Pole-to-Pole Fault in Power Electronic Transformer. Proc. CSEE 2018, 38, 1301–1309. [Google Scholar]
- Liu, G.; Zhao, B.; Zhao, Y.; Wang, Y.; Song, Q.; Yuan, Z.; Yao, S. Application Framework of VSC Medium-voltage DC Distribution Technology in Shenzhen Power Grid. South. Power Syst. Technol. 2015, 9, 1–10. [Google Scholar]
- Liu, G.; Zhao, Y.; Yuan, Z.; Zhao, B.; Yu, Z.; Si, Z.; Sun, G.; Xu, X.; Han, Y.; He, Q.; et al. Study on Demonstration Project Technical Scheme of VSC-DC Distribution System in Shenzhen. South. Power Syst. Technol. 2016, 10, 1–7. [Google Scholar]
- Wang, Y.; Song, Q.; Sun, Q.; Zhao, B.; Li, J.; Liu, W. Multilevel MVDC Link Strategy of High-Frequency-Link DC Transformer Based on Switched Capacitor for MVDC Power Distribution. IEEE Trans. Ind. Electron. 2017, 64, 2829–2835. [Google Scholar] [CrossRef]
- Zhao, B.; Song, Q.; Liu, W.; Zhao, Y. Transient DC Bias and Current Impact Effects of High-Frequency-Isolated Bidirectional DC–DC Converter in Practice. IEEE Trans. Power Electron. 2016, 31, 3203–3216. [Google Scholar] [CrossRef]

















| Device | Converter station I | Converter station II |
|---|---|---|
| Capacity | 25 MW | 25 MW |
| Submodule number | 25 | 25 |
| Bridge arm reactor | 2.5 mH | 2.5 mH |
| Submodule capacitor | 31,178 μF | 31,178 μF |
| Device | VSC1 | DCSST1 | VSC2 | DCSST2 |
|---|---|---|---|---|
| Load side voltage | 10 kVac | 400 Vdc | 380 Vac | 400 Vdc |
| Line side capacitor | 1500 μF | 10,000 μF | 1500 μF | 10,000 μF |
| Load type | AC load | DC load | AC micro-grid | DC micro-grid |
| Capacity | 8 MW | 4 MW | 5 MW | 2.5 MW |
| Number | Length/km | Inductance/mH | Resistance/Ω |
|---|---|---|---|
| 1 | 2.3 | 1.0974 | 0.106 |
| 2 | 0.9 | 0.4294 | 0.0415 |
| 3 | 0.9 | 0.4294 | 0.0415 |
| 4 | 0.9 | 0.4294 | 0.0415 |
| 5 | 1.0 | 0.4771 | 0.0461 |
| Device | LF1/mH | LF2/mH | L = max[LF1, LF2]/mH |
|---|---|---|---|
| VSC1 | 3 | 19 | 19 |
| DCSST1 | 5 | 26.5 | 26.5 |
| VSC2 | 3 | 26.5 | 26.5 |
| DCSST2 | 5 | 28 | 28 |
© 2019 by the authors. Licensee MDPI, Basel, Switzerland. This article is an open access article distributed under the terms and conditions of the Creative Commons Attribution (CC BY) license (http://creativecommons.org/licenses/by/4.0/).
Share and Cite
Gao, Y.; Han, Y.; Zhang, J.; Xiao, F.; Zhao, Y.; Li, L. Study on Fault Current Characteristics and Current Limiting Method of Plug-In Devices in VSC-DC Distribution System. Energies 2019, 12, 3159. https://doi.org/10.3390/en12163159
Gao Y, Han Y, Zhang J, Xiao F, Zhao Y, Li L. Study on Fault Current Characteristics and Current Limiting Method of Plug-In Devices in VSC-DC Distribution System. Energies. 2019; 12(16):3159. https://doi.org/10.3390/en12163159
Chicago/Turabian StyleGao, Yuqun, Yongxia Han, Jinghan Zhang, Fanglei Xiao, Yuming Zhao, and Licheng Li. 2019. "Study on Fault Current Characteristics and Current Limiting Method of Plug-In Devices in VSC-DC Distribution System" Energies 12, no. 16: 3159. https://doi.org/10.3390/en12163159
APA StyleGao, Y., Han, Y., Zhang, J., Xiao, F., Zhao, Y., & Li, L. (2019). Study on Fault Current Characteristics and Current Limiting Method of Plug-In Devices in VSC-DC Distribution System. Energies, 12(16), 3159. https://doi.org/10.3390/en12163159

