Next Article in Journal
Control Strategy of Mode Transition with Engine Start in a Plug-in Hybrid Electric Bus
Next Article in Special Issue
A Family of High Step-Up Quasi Z-Source Inverters with Coupled Inductor
Previous Article in Journal
Pathways for Germany’s Low-Carbon Energy Transformation Towards 2050
 
 
Font Type:
Arial Georgia Verdana
Font Size:
Aa Aa Aa
Line Spacing:
Column Width:
Background:
Article

Discrete Sliding Mode Control Strategy for Start-Up and Steady-State of Boost Converter

State Key Laboratory of Power Transmission Equipment & System Security and New Technology, Chongqing University, Chongqing 400044, China
*
Author to whom correspondence should be addressed.
Energies 2019, 12(15), 2990; https://doi.org/10.3390/en12152990
Submission received: 25 June 2019 / Revised: 23 July 2019 / Accepted: 30 July 2019 / Published: 2 August 2019
(This article belongs to the Special Issue Boost Converters: Design and Applications)

Abstract

Since the zero initial conditions of the boost converter are far from the target equilibrium point, the overshoot of the input current and the output voltage will cause energy loss during the start-up process when the converter adopts the commonly used small-signal model design control method. This paper presents a sliding mode control strategy that combines two switching surfaces. One switching surface based on the large-signal model is employed for the start-up to minimize inrush current and voltage overshoot. The stability of this strategy is verified by Lyapunov theory and simulation. Once the converter reaches the steady-state, the other switching surface with PI compensation of voltage error is employed to improve the robustness. The latter switching surface, which is adopted to regulate the voltage, can not only suppress the perturbation of input voltage and load, but also achieve a better dynamic process and a zero steady-state error. Furthermore, the discrete sliding mode controller is implemented by digital signal processor (DSP). Finally, the results of simulation, experiment and theoretical analysis are consistent.

1. Introduction

Nowadays, the research of renewable energy is increasing due to energy shortages and pressure to reduce greenhouse gas emissions [1]. Power converters play an important role in renewable energy conversion [2]. Fuel cell hybrid electric vehicles need a DC–DC boost converter to suppress the variations of the fuel cell output voltage [3,4]. The nonlinearity of the boost converter is an obstacle when we analyze its characters [5,6,7]. To overcome this problem, a linear model of the boost converter should be built. The state-space averaging method is a commonly used linear modeling method, that is, its linear small-signal model is established around the steady-state operating point [8]. However, in the start-up process, the initial value of output voltage and the initial value of input current are both equal to zero and there is a large deviation from the target equilibrium point. The inrush current and voltage overshoot occur during the start-up process. Moreover, there is a nonminimum phase phenomenon in the control method of a boost converter based on the small-signal model, Therefore, it is impossible to deal with the system parameter changes and large-signal transient caused by start-up or load changes [9,10,11].
In a practical application, the sliding mode control (SMC) has the advantages of a fast dynamic response, good stability and strong anti-disturbance ability [12,13,14]. A grid voltage observer based on a sliding mode is proposed in [15] and verified by experiments. The basic positive and negative sequences can be accurately estimated and separated for voltage sensorless operation in an unbalanced network. An extended Luenberger-sliding mode observer is proposed in [16], which can estimate the rotor flux and resistance along with the adaptation method to compensate for the error caused by the mismatch between the motor parameter and the model in the controller. A novel adaptive-gain sliding mode observer is proposed in [17], which can improve the precision of sensorless control of permanent magnet linear synchronous motors. In [18], an improved sliding controller design method for the photovoltaic system is proposed, which can alleviate the disturbance caused by irradiance change and oscillation in large capacity voltage. Moreover, the controller designed by the improved method can drive photovoltaic voltage to accurately track MPPT reference value obtained from external calculation. For the quadratic boost converter, a sliding-mode controller based on a fixed-frequency pulse-width modulation (PWM) is proposed in [19]. A feed-forward control technique is proposed in [20] to improve the steady-state performance of the DC–DC asymmetric Multistage Stacked Boost Architecture converter. A sliding mode controller of the boost converter based on a robust pulse-width modulation is proposed in [21], which supplies power to constant power load in typical DC micro-grid. The methods of [19,20,21] do not consider the start-up situation and are only suitable for the steady-state.
The inrush current or voltage overshoot occurs in many power electronic converters during the start-up process. An input-adaptive boost converter that can start up by itself is proposed in [22], which has the advantages of strict input regulation and high efficiency. However, due to many passive devices in a boost converter, the efficiency is reduced. The inrush current analysis is given in [23,24], where the auxiliary diode and inductor of a boost converter are connected in parallel to obtain the minimum inrush current. However, although the inrush current can be reduced by an auxiliary diode branch, high du/dt happens in the filter capacitor, which may damage the components and devices.
Based on the analysis given above, a sliding mode control method combining two switching surfaces is proposed for different operating conditions of the boost converter in the start-up and the steady-state in this paper. The first switching surface is based on the big-signal model for start-up processes, to reduce the inrush current and voltage overshoot. The second surface with the PI controller is adopted to regulate the output voltage and suppress the perturbation of the input voltage and load when the boost converter is in the steady-state.
The rest of this paper is arranged as follows. In Section 2, the first switching surface S1 (t) is proposed in the start-up process of the boost converter, and its stability is analyzed. In Section 3, the other switching surface S2 (t) is proposed to regulate the output voltage in the steady-state. After that, the proposed discrete sliding mode control strategy is implemented based on DSP in Section 4. Then the experimental results are shown and analyzed in Section 5. Finally, conclusions are summarized in Section 6.

2. Sliding Control Strategy for Start-Up

Figure 1a,b corresponds to the circuit states of the boost converter in the switching-on state and switching-off state of a switching tube VT, respectively. The corresponding Equations (1) and (2) of Figure 1a is as follows:
L d i L d t = u in
C d u o d t = u o R
where L, iL, uin, C, uo and R represent inductor, inductor current, input voltage, capacitor, output voltage and load resistance, respectively. The corresponding Equations (3) and (4) of Figure 1b is as follows:
L d i L d t = u in u o ,
C d u o d t = i L u o R .
Variable p is defined as a switching state variable, if VT is switching-on, p = 1; else p = 0, the equations of boost converter can be expressed as:
L d i L d t = u in ( 1 p ) u o ,
C d u o d t = ( 1 p ) i L u o R .

2.1. Sliding Function for Start-Up

The average input power of the battery in one switching period is equal to the output power of load when the boost converter operates at a steady state. Ignoring the internal resistance and voltage drop of tube and diode, the relationship between iL and uo at steady-state is satisfied as follows:
i L = u o 2 u in R u o > u in .
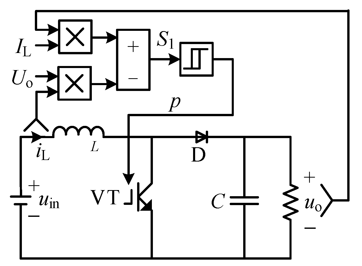
Due to uo > uin, the trajectory of Equation (7) is a part of a parabola. Define S1 (t) as the switching surface for the start-up process, as shown below:
S 1 ( t ) = I L u o ( t ) U o i L ( t ) .
(IL, Uo) is the target equilibrium point satisfying Equation (7) at steady-state. IL and Uo represent the inductor current and output voltage at the target equilibrium point respectively. The sliding mode control law is shown as:
p = 1   if   S 1 ( t ) > 0 p = 0   if   S 1 ( t ) < 0
Figure 2 shows the sliding mode control model for start-up process, iL and uo are detected in the sampling period and substitute into Equation (8), so S1 can be obtained. Finally, the switching signal of VT is generated by Equation (9).

2.2. Stability Analysis of the Sliding Function

Define the Lyapunov function as follows:
P = 1 2 S 1 2 ,
where the derivative of P is:
P ˙ = S 1 S ˙ 1 .
According to Equations (5), (6) and (8), the expression of S ˙ 1 can be obtained:
S ˙ 1 = I L C ( i L p i L u o R ) U o L ( u in u o + p u o ) .
According to Equation (9), if S1 > 0, S ˙ 1 can be rewritten as:
S ˙ 1 = I L u o R C u in U o L .
Due to uo > uin > 0, so S ˙ 1 < 0.
If S1 < 0, S ˙ 1 is:
S ˙ 1 = I L C ( i L u o R ) U o L ( u in u o ) .
According to the characteristics of voltage boost and current buck, iL > uo/R, so S ˙ 1 > 0.
Based on the above analysis, regardless of the value of S1, P P ˙ < 0 can be satisfied. Therefore, the proposed sliding mode control system is stable in this paper, iL and uo can move to the trajectory of S1 from any initial state, then reach the equilibrium point (IL, Uo) along the switching surface.

2.3. Simulation of the Sliding Mode Control Based on S1 in the Start-Up Process

The parameters of the boost converter adopted in this paper are shown in Table 1, where the values of inductance and capacitance are satisfied as follows:
L > u in D max Δ i Lmax f s ,
C > D max R f s η max ,
where Dmax is the max duty, fs is switching frequency, ΔiLmax is the max current ripple, and ηmax is the max voltage ripple ratio. After setting Dmax = 0.8, ΔiLmax = 0.5 A, ηmax = 1%, fs = 10 kHz, Equations (15) and (16), can get the range of L and C is L > 1.9 mH and, C > 192 μF, respectively. In this paper, L take the value of 2 mH and C is set to 265 μF.
The target equilibrium point is set as IL = 1.02 A, Uo = 24 V. Figure 3a shows the trajectory from original point (0 A, 0 V) to the target equilibrium point (IL, Uo) by Matlab. The motion process of iL and uo is divided into two steps: Firstly, they deviate from TS1 and increase simultaneously until uo > uin; then they start to approach TS1. After that, when they reach TS1, they move along TS1 to the target equilibrium point (IL, Uo). Even if the initial point is not at the original point, iL and uo can still adjust to the target equilibrium point by S1. The trajectory from the initial point (2.5 A, 30 V) to the target equilibrium point is shown in Figure 3b.
Figure 4a shows the simulation results of the control strategy based on the small-signal model in the start-up process. For comparison, Figure 4b shows the simulation results of the sliding mode control strategy proposed in this paper. In Figure 4a, the peak of iL and uo is corresponding to 5.86 A and 28.75 V, respectively. However, there is no voltage overshoot in Figure 4b, and the peak of iL is only 4.12 A, which is lower than iL shown in Figure 4a. Moreover, current discontinuation occurs in Figure 4a, therefore the time from the zero initial state to a steady state is much longer than Figure 4b. The results show that the sliding mode control of S1 is correct and feasible.

3. Voltage Control Strategy for Steady-State

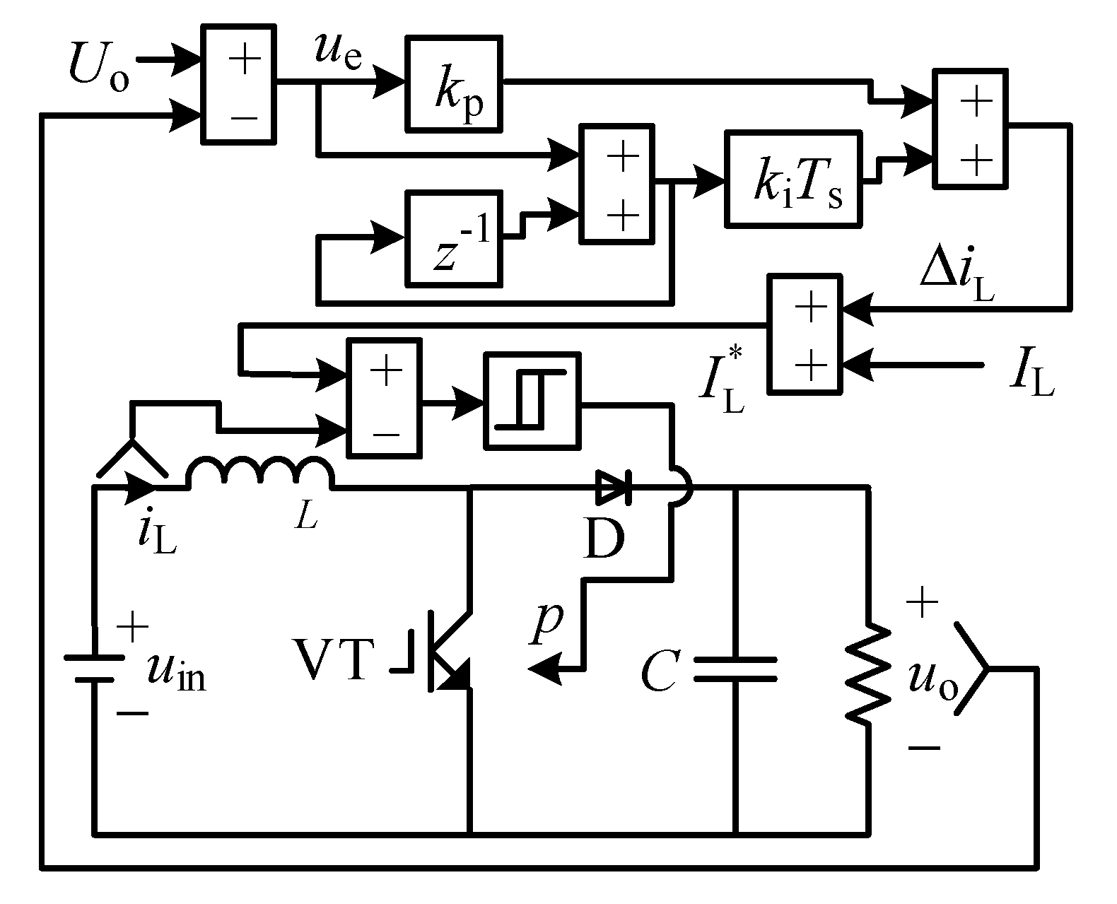
Since the control strategy based on S1 has a long time along the sliding line and poor robustness, it is only suitable for the start-up process. During steady-state, an error will occur when uin or R changes, therefore, another control strategy should be adopted to regulate the output voltage at this stage. Define switching surface S2 (t) as follows:
S 2 ( t ) = I L + Δ i L ( t ) i L ( t )
where ΔiL is current error compensation. When uin or R is perturbed, if Uo is constant, the target equilibrium point changes from (IL, Uo) to (IL+ ΔiL, Uo). ΔiL can be expressed as
Δ i L ( t ) = k p ( U o u o ( t ) ) + k i t 1 U o u o ( t ) d t
where kp is the proportional gain and ki is the integral gain of the voltage PI controller. t1 is the moment that the switching surface is switched from S1 to S2. Substituting Equation (18) into Equation (17), S2 (t) can be expressed as:
S 2 ( t ) = I L i L ( t ) + k p ( U o u o ( t ) ) + k i t 1 U o u o ( t ) d t .
The sliding control law of S2 is shown as:
p = 1   if   S 2 ( t ) > 0 p = 0   if   S 2 ( t ) < 0
Figure 5 shows the discrete sliding mode control model for steady-state. ΔiL is obtained by discrete PI operation of voltage error ue, then the switching signal of VT is generated by Equation (20). z−1 is the delay unit, which is used to implement the discrete integral operation.

3.1. Analysis of Transient Process under Input Voltage Perturbations

Figure 6 shows the transient trajectory of iL and uo under different input voltage perturbations. The increase or decrease of uin will lead to the deviation of the equilibrium point locus (EPL). Therefore, the steady-state equilibrium operating point will change from O (IL, Uo) to Q (ILQ, Uo) or P (ILP, Uo). ILP and ILQ represent the inductor current at P and Q points respectively. When uin steps from U1 to U3 (U1 > U3), (iL, uo) immediately move from initial equilibrium operating point O (IL, Uo) to Q1. The new reference value of iL can be obtained by PI operation of voltage error and generates the VT switching signal according to the sliding control law of S2, makes iL equal to ILQ and uo recovers to Uo correspondingly due to power conservation. A symmetrical situation will occur when uin steps from U1 to U2. As shown in the same figure, the correction effects make iL equal to ILP. Along the trajectory O→P1→P, (iL, uo) reach to the new equilibrium point P (ILP, Uo).

3.2. Analysis of Transient Process under Load Perturbations

Figure 7 shows the transient trajectory of iL and uo under different load perturbations. When R decreases from R0 to R1, the transient output power is larger than the input power, which results in uo decreases and iL increases. Therefore, (iL, uo) immediately move from the initial equilibrium operating point O (IL, Uo) to M1, then reach the new equilibrium operating point M (ILM, Uo) under the control of the sliding law of S2. A symmetrical situation will occur when load resistance R increases from R0 to R2. As shown in the same figure, the correction effects make iL equal to ILN. Along the trajectory O→N1→N, (iL, uo) reach to the new equilibrium point N (ILN, Uo).

3.3. Simulation of the Sliding Control Based on S2 in Steady-State

Figure 8 shows the simulation result of the transition between switching sliding function S1 and S2 when the uo increases to Uo (24 V), there is only a small dynamic voltage deviation from Uo due to the PI regulator of uo. As shown in Figure 8, the duration of the start-up is 13 ms. The ripple of uo is less than 0.05 V.
Figure 9 shows the simulation response of the step perturbation superimposed on the input voltage. The nominal value of the input voltage is 12 V in Figure 9a. uin is reduced from 12 V to 9 V at 0.15 s, which leads to a deviation of uo. However, it only takes 22 ms for uo to recover to nominal value due to the sliding mode control based on S2. Moreover, the maximum reduction value is only 1.28 V. Figure 9b also shows good dynamic and steady-state performance when uin increases from 12 V to 15 V. The transient process is consistent with the (iL, uo) trajectory shown in Figure 6.
Figure 10 shows the simulation responses of uo and iL under the perturbation of load from 40 Ω to 50 Ω and from 50 Ω to 40 Ω respectively. After a slight transient oscillation, uo returned to the nominal value of 24 V. The maximum reduction value is 0.7 V and dynamic adjustment time is 15 ms. The transient process is consistent with the track of (iL, uo) shown in Figure 7.

4. Electronic Implementation Based on DSP

Figure 11 is a photograph of the boost converter experimental platform. In this platform for experimental verification, an oscilloscope is used to distinguish the voltage. The input voltage is supplied by a programmable power source. The type of DSP is TMS320F28335, which supports floating-point operation. The type of IGBT is PM400HSA120 and the type of diode is RM300HA-24F, which have a sample frequency up to 40 kHz.

4.1. Detection and Conversion of Input Current and Output Voltage

Figure 12 shows the detection and filter circuit of iL and uo, current sensor (LA200-P) and voltage sensor (LV28-P) are adopted to detect iL and uo, respectively. The output current iIM of LA200-P is proportional to iL.
i IM = k 1 i L
k1, which is the conversion ratio of LA200-P, equal to 0.0005. For voltage detection, an input resistance R10 is used to convert the voltage to the primary current, so the relationship between the output current iUM of LV28-P and uo is
i UM = k 2 u o / R 10 .
k2 is the conversion ratio of LV28-P and equal to 2.5, then iUM and iIM generate voltage across the sample resistance RM. Before enforcing A/D conversion by DSP, the voltage of RM should be filtered by a low pass filter circuit with a bandwidth of 200 Hz.
Since the size of the result register in TMS28335 is 12-bits and the maximum conversion analog voltage is 3 V, the digital value (XIM) of the result register used to obtain iL can be expressed as:
X IM = ( 2 12 1 ) i IM R M / 3 .
According to Equations (21) and (23), DSP can calculate iL from XIM by:
i L = 3 X IM ( 2 12 1 ) k 1 R M .
The calculation method of uo from the digital value (XUM) of result register is given directly:
u o = 3 X IM R 10 ( 2 12 1 ) k 2 R M .

4.2. Software Implementation for Sliding Mode Control

The discrete program of sliding mode control based on S1 and S2 is enforced in the interrupt program caused by A/D conversion. A Boolean type variable flag is created to determine whether uo is in the steady-state. If flag = 0, uo is still in the start-up process, so the switching signal generated by the discrete program of sliding mode control is based on S1. Otherwise, S2 is adopted to replace S1. The flow chart is shown in Figure 13.

5. Experimental Results

Figure 14 shows the experimental waveform of uo from the zero initial-state to the steady-state. Compared to the results shown in Figure 4a, there is no overshoot of uo in the start-up process under the effect of sliding mode control based on S1. When uo first increases to 24 V, sliding mode control based on S2 is adopted, the transition between switching surface S1 and S2 is in an agreement with the simulation results shown in Figure 8. As shown in this figure, good performance of the boost converter in the start-up process can be obtained by the switching surface S1. The duration of the start-up is 20 ms and the voltage overshoot is only 4.1%.
Figure 15 illustrates the experimental response of the input voltage step decreasing from 12 V to 9 V. In contrast, Figure 16 illustrates the response of the input voltage, increasing from 12 V to 15 V. The experimental results are in good agreement with the simulation results shown in Figure 9. After ignoring the transient state, the action of the switching surface S2 can realize a zero steady-state error of uo. The maximum deviation value is 1.3 V and the dynamic adjustment time is less than 20 ms.
Figure 17 shows the experimental response of the perturbation of load from 40 Ω to 50 Ω and from 50 Ω to 40 Ω respectively. A resistance of 200 Ω series connected with an auxiliary tube is parallel in the nominal load. The perturbation of load is achieved by controlling the auxiliary tube by the switching-on or switching-off state, the switching signal of the auxiliary tube is shown in Figure 17. Under the action of the switching surface S2, A zero steady-state error of uo is also achieved after ignoring the transient state. The maximum deviation value is 2.5 V and the dynamic adjustment time is less than 22 ms. The robustness is proved by simulation and experimental results.

6. Conclusions

For the different conditions of the start-up process and steady-state process of the boost converter, two switching surfaces are proposed in this paper respectively. In the start-up process of the boost converter, switching surface S1, which based on the large-signal model to minimize inrush current, voltage overshoot and adjustment time, is adopted. When the converter operates at a steady-state, the other switching surface S2 including PI compensator is employed to regulate the output voltage, which can suppress the perturbation of input voltage and load fluctuation on the output voltage. Furthermore, the effectiveness of the control strategy proposed in this paper is verified by simulation and experiment. The research results can provide a reference for the engineering design of the sliding mode boost controller, so that the minimum value of the inrush current is compatible with the high voltage regulation value. In electric vehicle applications, the sliding mode control strategy proposed in this paper can be used in a boost converter between the battery and the inverter to suppress battery voltage fluctuations and improve system efficiency.

Author Contributions

Investigation, T.Y.; Software, T.Y.; Writing—original draft preparation, T.Y.; Writing—review and editing, T.Y. and Y.L.

Funding

This research received no external funding.

Conflicts of Interest

The authors declare no conflict of interest.

References

  1. He, J.P.; Jun, Y.; Gong, B.; Lei, J.S.; Liu, Y.; Long, F. Analysis of start-up inrush current and its mitigation control strategy for grid connected voltage source inverter. In Proceedings of the 2014 IEEE Conference and Expo Transportation Electrification Asia-Pacific (ITEC Asia-Pacific), Beijing, China, 31 August–3 September 2014; pp. 1–4. [Google Scholar]
  2. Wu, Y.; Huangfu, Y.; Zhang, L.; Zhou, L. A Robust High Order Sliding Mode for Buck-Boost Converters With Large Disturbances. Proc. CSEE 2015, 35, 1740–1748. [Google Scholar]
  3. Wang, Y.X.; Yu, D.H.; Kim, Y.B. Robust time-delay control for the DC–DC Boost Converter. IEEE Trans. Ind. Electron. 2014, 61, 4829–4837. [Google Scholar] [CrossRef]
  4. Barhoumi, E.M.; Belgacem, I.B.; Khiareddine, A.; Zghaibeh, M.; Tlili, I. A Neural Network-Based Four Phases Interleaved Boost Converter for Fuel Cell System Applications. Energies 2018, 11, 3423. [Google Scholar] [CrossRef]
  5. Rodič, M.; Milanovič, M.; Truntič, M.; Ošlaj, B. Switched-Capacitor boost converter for low power energy harvesting applications. Energies 2018, 11, 3156. [Google Scholar] [CrossRef]
  6. Baždarić, R.; Vončina, D.; Škrjanc, I. Comparison of novel approaches to the predictive control of a DC-DC boost converter based on heuristics. Energies 2018, 11, 3300. [Google Scholar] [CrossRef]
  7. Bai, H.; Mi, C.T.; Wang, C.W.; Gargies, S. The dynamic model and hybrid phase-shift control of a dual-active-bridge converter. In Proceedings of the 34th Annual Conference of IEEE Industrial Electronics, Orlando, FL, USA, 10–13 November 2008; pp. 2840–2845. [Google Scholar]
  8. Su, J.H.; Chen, J.J.; Wu, D.S. Learning feedback controller design of switching converters via MATLAB/SIMULINK. IEEE Trans. Educ. 2002, 45, 307–315. [Google Scholar]
  9. Sreekumar, C.; Agarwal, V. A hybrid control algorithm for voltage regulation in DC–DC Boost Converter. IEEE Trans. Ind. Electron. 2008, 55, 2530–2538. [Google Scholar] [CrossRef]
  10. Anzehaee, M.M.; Behzad, B.; Hajihosseini, P. Augmenting ARMarkov-PFC predictive controller with PID-Type III to improve boost converter operation. Control Eng. Pract. 2018, 79, 65–77. [Google Scholar] [CrossRef]
  11. Chan, C.Y. A Nonlinear Control for DC-DC Power Converters. IEEE Trans. Power Electron. 2007, 22, 216–222. [Google Scholar] [CrossRef]
  12. Martínez-Salamero, L.; García, G.; Orellana, M.; Lahore, C.; Estibals, B.; Alonso, C.; Carrejo, C.E. Analysis and design of a sliding-mode strategy for start-up control and voltage regulation in a buck converter. IET Power Electron. 2013, 6, 52–59. [Google Scholar] [CrossRef]
  13. RakhtAla, S.M.; Yasoubi, M.; HosseinNia, H. Design of second order sliding mode and sliding mode algorithms: A practical insight to DC-DC buck converter. IEEE/CAA J. Autom. Sin. 2017, 4, 483–497. [Google Scholar] [CrossRef]
  14. Lai, N.O.; Edwards, C.; Spurgeon, S.K. On output tracking using dynamic output feedback discrete-time sliding-mode controllers. IEEE Trans. Autom. Control 2007, 52, 1975–1981. [Google Scholar] [CrossRef]
  15. Yang, H.T.; Zhang, Y.C.; Liang, J.J.Y.; Gao, J.H.; Walker, P.D.; Zhang, N. Sliding-Mode observer based voltage-sensorless model predictive power control of PWM rectifier under unbalanced grid conditions. IEEE Trans. Ind. Electron. 2018, 65, 5550–5560. [Google Scholar] [CrossRef]
  16. Kim, J.K.; Ko, J.S.; Lee, J.; Lee, Y. Rotor flux and rotor resistance estimation using extended Luenberger-Sliding mode observer (ELSMO) for three phase induction motor control. Can. J. Electr. Comput. Eng. 2017, 40, 181–188. [Google Scholar]
  17. Yang, C.Y.; Ma, T.T.; Che, Z.; Zhou, L. An adaptive-gain sliding mode observer for sensorless control of permanent magnet linear synchronous motors. IEEE Access 2018, 6, 3469–3478. [Google Scholar] [CrossRef]
  18. Montoya, D.G.; Ramos-Paja, C.A.; Giral, R. Improved design of sliding-mode controllers based on the requirements of MPPT techniques. IEEE Trans. Power Electron. 2016, 31, 235–247. [Google Scholar] [CrossRef]
  19. Chincholkar, S.H.; Chan, C.Y. Design of fixed-frequency pulsewidth-modulation-based sliding-mode controllers for the quadratic boost converter. IEEE Trans. Circuits Syst. II Express Briefs 2017, 64, 51–55. [Google Scholar] [CrossRef]
  20. Mademlis, G.; Steinke, G.K.; Rufer, A. Feed-Forward-Based control in a DC–DC converter of asymmetric multistage-stacked boost architecture. IEEE Trans. Power Electron. 2017, 32, 1507–1517. [Google Scholar] [CrossRef]
  21. Singh, S.; Fulwani, D.; Kumar, V. Robust sliding-mode control of dc/dc boost converter feeding a constant power load. IET Power Electron. 2015, 8, 1230–1237. [Google Scholar] [CrossRef]
  22. Chen, Y.; Nan, Y.R.; Kong, Q.G.; Zhong, S. An Input-Adaptive Self-Oscillating Boost Converter for Fault-Tolerant LED Driving with Wide-Range Ultralow Voltage Input. IEEE Trans. Power Electron. 2015, 30, 2743–2752. [Google Scholar] [CrossRef]
  23. Martínez-Treviño, B.A.; Aroudi, A.E.; Martínez-Salamero, L. Sliding-mode approach for start-up control and voltage regulation of a boost converter driving a constant power load. In Proceedings of the 2017 IEEE International Symposium on Circuits and Systems (ISCAS), Baltimore, MD, USA, 28–31 May 2017. [Google Scholar]
  24. Martínez-Salamero, L.; García, G.; Orellana, M.; Lahore, C.; Estibals, B. Start-Up control and voltage regulation in a boost converter under sliding-mode operation. IEEE Trans. Ind. Electron. 2013, 60, 4637–4649. [Google Scholar] [CrossRef]
Figure 1. Circuit configurations of the boost converter in different switch state. (a) VT is switching-on. (b) VT is switching-off.
Figure 1. Circuit configurations of the boost converter in different switch state. (a) VT is switching-on. (b) VT is switching-off.
Energies 12 02990 g001
Figure 2. The sliding-mode control model for the start-up process.
Figure 2. The sliding-mode control model for the start-up process.
Energies 12 02990 g002
Figure 3. Start-up trajectory in the iL-uo plane. TS1 is the sliding curve of S1, T1 is the trajectory of (7), T2 is the tracking of the motion of iL and uo, respectively. (a) The initial point is (0 A, 0 V). (b) The initial point is (2.5 A, 30 V).
Figure 3. Start-up trajectory in the iL-uo plane. TS1 is the sliding curve of S1, T1 is the trajectory of (7), T2 is the tracking of the motion of iL and uo, respectively. (a) The initial point is (0 A, 0 V). (b) The initial point is (2.5 A, 30 V).
Energies 12 02990 g003
Figure 4. The simulation result of iL and uo in the start-up process. (a) Control based on the small-signal model. (b) Sliding control based on the big-signal model.
Figure 4. The simulation result of iL and uo in the start-up process. (a) Control based on the small-signal model. (b) Sliding control based on the big-signal model.
Energies 12 02990 g004
Figure 5. The discrete sliding mode control model for steady-state.
Figure 5. The discrete sliding mode control model for steady-state.
Energies 12 02990 g005
Figure 6. The transient trajectory in the iL-uo plane for input voltage perturbations.
Figure 6. The transient trajectory in the iL-uo plane for input voltage perturbations.
Energies 12 02990 g006
Figure 7. The transient trajectory in the iL-uo plane for load perturbations.
Figure 7. The transient trajectory in the iL-uo plane for load perturbations.
Energies 12 02990 g007
Figure 8. Simulation results of the transition between the two sliding functions.
Figure 8. Simulation results of the transition between the two sliding functions.
Energies 12 02990 g008
Figure 9. Simulation response to input voltage perturbations. (a) Reduction of uin. (b) Increase of uin.
Figure 9. Simulation response to input voltage perturbations. (a) Reduction of uin. (b) Increase of uin.
Energies 12 02990 g009
Figure 10. Simulation response to load perturbations.
Figure 10. Simulation response to load perturbations.
Energies 12 02990 g010
Figure 11. Picture of the experimental setup for the boost converter.
Figure 11. Picture of the experimental setup for the boost converter.
Energies 12 02990 g011
Figure 12. Detection and filter circuit of iL and uo.
Figure 12. Detection and filter circuit of iL and uo.
Energies 12 02990 g012
Figure 13. Interrupt program flow chart caused by A/D conversion.
Figure 13. Interrupt program flow chart caused by A/D conversion.
Energies 12 02990 g013
Figure 14. Experimental results from the zero steady-state to the steady-state.
Figure 14. Experimental results from the zero steady-state to the steady-state.
Energies 12 02990 g014
Figure 15. Experimental response of input voltage step increasing.
Figure 15. Experimental response of input voltage step increasing.
Energies 12 02990 g015
Figure 16. Experimental response of input voltage step decreasing.
Figure 16. Experimental response of input voltage step decreasing.
Energies 12 02990 g016
Figure 17. Experimental response to load perturbations.
Figure 17. Experimental response to load perturbations.
Energies 12 02990 g017
Table 1. Main parameters for the boost converter in the simulation and experiment.
Table 1. Main parameters for the boost converter in the simulation and experiment.
ParametersValues
Input Voltage uin12 V
Input Inductance L2 mH
Filter Capacitance C265 μF
Resistance Load R50 Ω

Share and Cite

MDPI and ACS Style

Yang, T.; Liao, Y. Discrete Sliding Mode Control Strategy for Start-Up and Steady-State of Boost Converter. Energies 2019, 12, 2990. https://doi.org/10.3390/en12152990

AMA Style

Yang T, Liao Y. Discrete Sliding Mode Control Strategy for Start-Up and Steady-State of Boost Converter. Energies. 2019; 12(15):2990. https://doi.org/10.3390/en12152990

Chicago/Turabian Style

Yang, Tao, and Yong Liao. 2019. "Discrete Sliding Mode Control Strategy for Start-Up and Steady-State of Boost Converter" Energies 12, no. 15: 2990. https://doi.org/10.3390/en12152990

APA Style

Yang, T., & Liao, Y. (2019). Discrete Sliding Mode Control Strategy for Start-Up and Steady-State of Boost Converter. Energies, 12(15), 2990. https://doi.org/10.3390/en12152990

Note that from the first issue of 2016, this journal uses article numbers instead of page numbers. See further details here.

Article Metrics

Back to TopTop