Analysis and Mitigation of Subsynchronous Resonance in a Korean Power Network with the First TCSC Installation
Abstract
1. Introduction
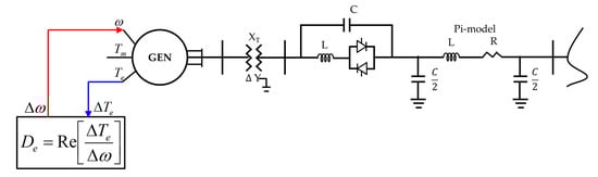
2. Configuration of a 345 kV Transmission System Equipped with TCSCs
2.1. Study Model of the 345 kV Transmission System
2.2. Detailed Design of the TCSCs
- , , and ,
- tZ: the desired time when the capacitor voltage becomes zero,
- tM: the sampling time when the capacitor voltage uCM and line current iLM are measured,
- tF: the thyristor firing time,
- uCZ: the capacitor voltage at the desired time tZ,
- uCM: the capacitor voltage at the sampling time tM,
- iLM: the line current at the sampling time tM,
- β: the conduction angle of the thyristor.
3. Analysis Method of Subsynchronous Resonance
3.1. Torsional Natural Frequency and Mode Shapes Analysis
3.2. Frequency Scanning Method for SSR Analysis
4. Simulation and the Results
4.1. Normal Operation of the 345 kV Power Network
4.2. Sensitive Cases of the 345 kV Power Network
5. Conclusions
Author Contributions
Funding
Conflicts of Interest
Appendix A
| From Bus | To Bus | Length [km] | R [p.u] | X [p.u] | B [p.u] |
|---|---|---|---|---|---|
| 5750 | 5700 | 67.85 | 0.00095 | 0.01728 | 0.42727 |
| 5700 | 5600 | 97.50 | 0.00144 | 0.02504 | 0.60843 |
| 5700 | 5500 | 76.70 | 0.00113 | 0.01944 | 0.48060 |
| 5500 | 5151 | 91.50 | 0.00135 | 0.02348 | 0.57333 |
| 5151 | 5150 | 1.16 | 0.00004 | 0.02068 | 0.01701 |
| 5150 | 5350 | 18.08 | 0.00027 | 0.01416 | 0.11328 |
| 5350 | 5600 | 6.60 | 0.00089 | 0.00079 | 0.37672 |
| Description | Symbol | Value | Unit |
|---|---|---|---|
| Unsaturated d-axis synchronous reactance | Xd | 1.998 | [p.u] |
| Unsaturated d-axis transient reactance | X’d | 0.49 | [p.u] |
| Unsaturated d-axis transient time | T’d0 | 9.5 | [s] |
| Unsaturated d-axis sub−transient reactance | X’’d | 0.47 | [p.u] |
| Unsaturated d-axis sub−transient time | T’’d0 | 0.032 | [s] |
| Unsaturated q-axis synchronous reactance | Xq | 1.61 | [p.u] |
| Unsaturated q-axis transient reactance | X’q | 0.617 | [p.u] |
| Unsaturated q-axis transient time | T’q0 | 0.78 | [s] |
| Unsaturated q-axis sub−transient reactance | X’’q | 0.47 | [p.u] |
| Unsaturated q-axis sub−transient time | T’’q0 | 0.047 | [s] |
References
- Joshi, S.R.; Kulkarni, A.M. Analysis of SSR Performance of TCSC Control Schemes Using a Modular High Bandwidth Discrete-Time Dynamic Model. IEEE Trans. Power Syst. 2009, 24, 840–848. [Google Scholar] [CrossRef]
- Johansson, N.; Angquist, L.; Nee, H. A Comparison of Different Frequency Scanning Methods for Study of Subsynchronous Resonance. IEEE Trans. Power Syst. 2011, 26, 356–363. [Google Scholar] [CrossRef]
- Han, Y.; Shi, W. Frequency response of the thyristor controlled series capacitor. In Proceedings of the International Conference on Power System Technology, Kunming, China, 13–17 October 2002; Volume 1893, pp. 1895–1897. [Google Scholar]
- Fan, Z.; Zheng, X. SSR damping study on a generator connected to TCSC. In Proceedings of the IEEE PES Power Systems Conference and Exposition, New York, NY, USA, 10–13 October 2004; Volume 672, pp. 673–678. [Google Scholar]
- Mohammadpour, H.A.; Santi, E. Sub-synchronous resonance analysis in DFIG-based wind farms: Mitigation methods—TCSC, GCSC, and DFIG controllers—Part II. In Proceedings of the 2014 IEEE Energy Conversion Congress and Exposition (ECCE), Pittsburgh, PA, USA, 14–18 September 2014; pp. 1550–1557. [Google Scholar]
- Kakimoto, N.; Phongphanphanee, A. Calculation of damping torque of power systems compensated with TCSC. Electr. Eng. Japan 2003, 143, 39–49. [Google Scholar] [CrossRef]
- Lei, X.; Buchholz, B.; Povh, D. Analysing subsynchronous resonance phenomena in the time- and frequency domain. Eur. Trans. Electr. Power 2007, 10, 203–211. [Google Scholar] [CrossRef]
- Baker, D.H.; Boukarim, G.E.; Aquila, R.D.; Piwko, R.J. Subsynchronous resonance studies and mitigation methods for series capacitor applications. In Proceedings of the 2005 IEEE Power Engineering Society Inaugural Conference and Exposition in Africa, Durban, South Africa, 11–15 July 2005; pp. 386–392. [Google Scholar]
- Pilotto, L.A.S.; Bianco, A.; Long, W.F.; Edris, A. Impact of TCSC control methodologies on subsynchronous oscillations. IEEE Trans. Power Deliv. 2003, 18, 243–252. [Google Scholar] [CrossRef]
- Grunbaum, R.; Halvarsson, P.; Jones, P. Series compensation for increased power transmission capacity. In Proceedings of the 5th IET International Conference on Power Electronics, Machines and Drives, Brighton, UK, 19–21 April 2010; pp. 1–6. [Google Scholar]
- Ängquist, L.; Ingestrom, G.; Jonsson, A.K. Dynamical Performance of TCSC Schemes. CIGRE- 2006 14:302; ABB Power System. Available online: https://library.e.abb.com/public/11125766c267c954c1257d55004d7034/14_302e.pdf (accessed on 22 July 2019).
- Zhang, X.; Song, Y.; Wang, D.; Zheng, Z.; Li, G. Simulation of SSR evoked by TCSC for UHVAC transmission system from Yimin to fengtun on RTDS. In Proceedings of the International Conference on Sustainable Power Generation and Supply (SUPERGEN 2012), Hangzhou, China, 8–9 September 2012; pp. 1–7. [Google Scholar]
- Meikandasivam, S.; Nema, R.K.; Jain, S.K. Performance of installed TCSC projects. In Proceedings of the India International Conference on Power Electronics 2010 (IICPE2010), New Delhi, India, 28–30 January 2011; pp. 1–8. [Google Scholar]
- Tran, M.Q.; Lee, S.J.; Lee, J.I.; Park, M.; Yu, I.K.; Yoon, J.; Sim, H. Design and performance analysis of a TCSC for real grid application. In Proceedings of the KIEE Annual Conference 2018, Pyeongchang, Korea, 11–13 July 2018; pp. 178–179. [Google Scholar]
- Zhu, W.; Spee, R.; Mohler, R.R.; Alexander, G.C.; Mittelstadt, W.A.; Maratukulam, D. An EMTP study of SSR mitigation using the thyristor controlled series capacitor. IEEE Trans. Power Deliv. 1995, 10, 1479–1485. [Google Scholar] [CrossRef]
- Liu, Q.; Zhou, C.; Angquist, L.; Rudin, S. Using TCSC scheme for SSR mitigation in a radial transfer corridor. In Proceedings of the 2006 International Conference on Power System Technology, Chongqing, China, 22–26 October 2006; pp. 1–6. [Google Scholar]
- KEPCO. Technical Specification for Shin-Youngju and Shin-Jecheon; TCSC Project; KEPCO: Naju-si, Korea, 2017; Available online: http://www.alio.go.kr/informationBidView.do?seq=2335741 (accessed on 23 July 2019).
- Meikandasivam, S.; Nema, R.K.; Jain, S.K. Selection of TCSC parameters: Capacitor and inductor. In Proceedings of the India International Conference on Power Electronics 2010 (IICPE2010), New Delhi, India, 28–30 January 2011; pp. 1–5. [Google Scholar]
- Dinh, M.; Park, S.; Kim, S.; Park, M.; Yu, I. Suggestion of a novel PHILS method for operation analysis of a thyristror controlled series capacitor. In Proceedings of the 2015 IEEE 11th International Conference on Power Electronics and Drive Systems, Sydney, NSW, Australia, 9–12 June 2015; pp. 715–720. [Google Scholar]
- Qianjin, L.; Changchun, Z.; Angquist, L.; Rehtanz, C. A novel active damping control of TCSC for SSR suppression in a radial corridor. In Proceedings of the 2008 Third International Conference on Electric Utility Deregulation and Restructuring and Power Technologies, Nanjing, China, 6–9 April 2008; pp. 136–142. [Google Scholar]
- Ängquist, L. Synchronous Voltage Reversal Control of Thyristor Controlled Series Capacitor. Ph.D. Thesis, KTH Royal Institute of Technology, Department of Electrical Engineering, Stockholm, Sweden, 2002. [Google Scholar]
- Kundur, P. Power System Stability and Control; McGraw-Hill: New York, NY, USA, 1994. [Google Scholar]
- Harnefors, L. Proof and Application of the Positive-Net-Damping Stability Criterion. IEEE Trans. Power Syst. 2011, 26, 481–482. [Google Scholar] [CrossRef]
- Prabhu, N.; Padiyar, K.R. Investigation of Subsynchronous Resonance With VSC-Based HVDC Transmission Systems. IEEE Trans. Power Deliv. 2009, 24, 433–440. [Google Scholar] [CrossRef]
- Das, M.K.; Kulkarni, A.M.; Darji, P.B. Comparison of DQ and Dynamic Phasor based frequency scanning analysis of grid-connected Power Electronic Systems. In Proceedings of the 2016 Power Systems Computation Conference (PSCC), Genoa, Italy, 20–24 June 2016; pp. 1–7. [Google Scholar]














| Items | ShinYoungju-Hanul | ShinJecheon-Donghae |
|---|---|---|
| Inductor [mH] | 5.23 | 5.23 |
| Capacitor [μF] | 198.94 | 186.93 |
| Mass | Inertial [kg.m2] | Shaft | Stiffness [106 N.m/rad] |
|---|---|---|---|
| 1 | 13,040 | 1–2 | 218.51 |
| 2 | 80,860 | 2–3 | 356.20 |
| 3 | 81,700 | 3–4 | 638.32 |
| 4 | 82,980 | 4–5 | 447.23 |
| 5 | 114,800 | - | - |
| Mode | Eigenvalues | fm [Hz] | Hm [s] | Dm [p.u] |
|---|---|---|---|---|
| 0 | −0.0919 ± j5.2 × 10−7 | 0 | 5.44 | 1.09 |
| 1 | −0.0412 ± j52.4039 | 8.3 | 3.93 | 0.79 |
| 2 | −0.0443 ± j92.0062 | 14.6 | 7.29 | 1.46 |
| 3 | −0.0213 ± j139.596 | 22.2 | 92.6 | 18.52 |
| 4 | −0.0419 ± j149.387 | 23.8 | 86.1 | 17.22 |
| Simulation Scenarios | Bus 5151–Bus 5152 | Bus 5151–Bus 5150 | ||
|---|---|---|---|---|
| Cases | Line 1 | Line 2 | Line 1 | Line 2 |
| 1 (normal operation) | Connected | Connected | Connected | Connected |
| 2 (disconnected one line) | Connected | Disconnected | Connected | Connected |
| 3 (worst case) | Disconnected | Disconnected | Disconnected | Disconnected |
| Case | Mode | Compensation Level [%] | ||||
|---|---|---|---|---|---|---|
| 50 | 55 | 60 | 65 | 70 | ||
| 1 | 1 | 1.25528 | 1.25798 | 1.25798 | 1.25845 | 1.25769 |
| 2 | 1.48328 | 1.48675 | 1.48676 | 1.4879 | 1.48668 | |
| 3 | 18.5972 | 18.5934 | 18.59344 | 18.5906 | 18.5919 | |
| 4 | 17.2500 | 17.2525 | 17.25251 | 17.2539 | 17.2531 | |
| 2 | 1 | 1.24981 | 1.2565 | 1.2565 | 1.25405 | 1.25193 |
| 2 | 1.47807 | 1.48131 | 1.48131 | 1.48016 | 1.47926 | |
| 3 | 18.5909 | 18.5914 | 18.5914 | 18.5914 | 18.5912 | |
| 4 | 17.2448 | 17.2452 | 17.2452 | 17.2455 | 17.2453 | |
| 3 | 1 | 0.57817 | 0.50929 | 0.46084 | 0.67178 | 0.62506 |
| 2 | 0.96332 | 0.90498 | 0.86561 | 1.19998 | 1.01243 | |
| 3 | 18.4042 | 18.3814 | 18.3674 | 18.4928 | 18.4364 | |
| 4 | 17.1124 | 17.1001 | 17.0797 | 17.2351 | 17.1368 | |
© 2019 by the authors. Licensee MDPI, Basel, Switzerland. This article is an open access article distributed under the terms and conditions of the Creative Commons Attribution (CC BY) license (http://creativecommons.org/licenses/by/4.0/).
Share and Cite
Tran, M.-Q.; Dinh, M.-C.; Lee, S.-J.; Lee, J.-I.; Park, M.; Lee, C.H.; Yoon, J. Analysis and Mitigation of Subsynchronous Resonance in a Korean Power Network with the First TCSC Installation. Energies 2019, 12, 2847. https://doi.org/10.3390/en12152847
Tran M-Q, Dinh M-C, Lee S-J, Lee J-I, Park M, Lee CH, Yoon J. Analysis and Mitigation of Subsynchronous Resonance in a Korean Power Network with the First TCSC Installation. Energies. 2019; 12(15):2847. https://doi.org/10.3390/en12152847
Chicago/Turabian StyleTran, Minh-Quan, Minh-Chau Dinh, Seok-Ju Lee, Jea-In Lee, Minwon Park, Chur Hee Lee, and JongSu Yoon. 2019. "Analysis and Mitigation of Subsynchronous Resonance in a Korean Power Network with the First TCSC Installation" Energies 12, no. 15: 2847. https://doi.org/10.3390/en12152847
APA StyleTran, M.-Q., Dinh, M.-C., Lee, S.-J., Lee, J.-I., Park, M., Lee, C. H., & Yoon, J. (2019). Analysis and Mitigation of Subsynchronous Resonance in a Korean Power Network with the First TCSC Installation. Energies, 12(15), 2847. https://doi.org/10.3390/en12152847

