The Design of a Low Cost Phasor Measurement Unit
Abstract
1. Introduction
2. Fundamentals of PMU
3. Hardware Implementation
3.1. System Architecture
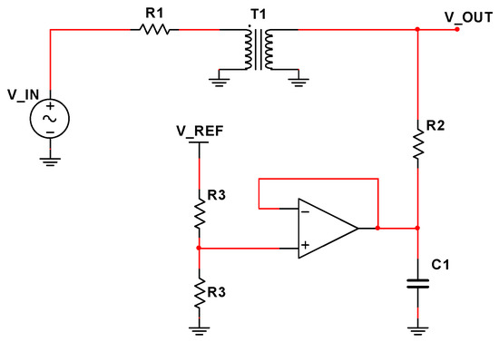
3.2. Input Stage
3.3. Microcontroller
3.4. GPS Receiver
4. Firmware Implementation
4.1. Synchronization
4.2. PID Control
4.3. Time-Base
4.4. AD Conversion
4.5. Resampling
- N, the number of samples acquired in the k-th frame;
- , the value of the system clock counts (systick) read when the last event of the TB occurs;
- PPStick, the systick read when the last PPS event occurs.
4.6. Synchrophasor Calculation
4.7. Execution Times
5. Experimental Results
- Sinewaves with off-nominal frequency deviations within ±2 Hz (class P) and ±5 Hz (class M);
- Sinewaves with off-nominal frequency deviations within ±2 Hz (class P) and ±5 Hz (class M) affected by one single harmonic component, from 2nd to 50th, of amplitude equal to 1% (class P) and 10% (class M) of the fundamental;
- Amplitude Modulated (AM) sinewaves affected by a 2 Hz (class P) and 5 Hz (class M) modulating tone of amplitude equal to 10% of the fundamental;
- Phase Modulated (PM) sinewaves affected by a 2 Hz (class P) and 5 Hz (class M) modulating tone of amplitude equal to 0.1 rad;
- 50 Hz sinewaves corrupted by a single out-of-band inter-harmonic (only class M) of amplitude equal to 10% of the fundamental at 24.9 Hz;
- Chirp waveforms with the fundamental frequency increasing linearly from about 48 Hz to 52 Hz (class P) and from 45 Hz to 55 Hz (class M), and vice versa, at a rate of ±1 Hz/s.
6. Conclusions
Author Contributions
Funding
Conflicts of Interest
References
- Bose, A. Smart transmission grid applications and their supporting infrastructure. IEEE Trans. Smart Grid 2010, 1, 11–19. [Google Scholar] [CrossRef]
- IEEE Standard for Synchrophasor Measurements for Power Systems. In IEEE Std C37.118.1-2011 (Revision of IEEE Std C37.118-2005); IEEE: Piscataway, NJ, USA, 2011; pp. 1–61. [CrossRef]
- IEEE Standard for Synchrophasor Measurements for Power Systems—Amendment 1: Modification of Selected Performance Requirements. In IEEE Std C37.118.1a-2014 (Amendment to IEEE Std C37.118.1-2011); IEEE: Piscataway, NJ, USA, 2014; pp. 1–25. [CrossRef]
- De La Ree, J.; Centeno, V.; Thorp, J.S.; Phadke, A.G. Synchronized Phasor Measurement Applications in Power Systems. IEEE Trans. Smart Grid 2010, 1, 20–27. [Google Scholar] [CrossRef]
- Silverstein, A. Synchrophasors & the Grid. In Proceedings of the Electricity Advisory Committee Meeting, Arlington, VA, USA, 13 September 2017. [Google Scholar]
- U.S. Department of Energy. Advancement of Synchrophasor Technology in Projects Funded by the American Recovery and Reinvestment Act of 2009; U.S. Department of Energy: Washington, DC, USA, 2016.
- U.S. Department of Energy. Office of Electricity Delivery and Energy Reliability, Factors Affecting PMU Installation Costs; U.S. Department of Energy: Washington, DC, USA, 2014.
- Lelic, D. PMU Cost & Benefits Study. In Proceedings of the Center for Advanced Power Engineering Research Meeting. Available online: http://caper-usa.com/wp-content/uploads/2017/08/Session-IV-PMU-Cost-Benefits-Studies-DLelic_8-8-17.pdf (accessed on 10 July 2019).
- Baldwin, T.L.; Mili, L.; Boisen, M.B.; Adapa, R. Power system observability with minimal phasor measurement placement. IEEE Trans. Power Syst. 1993, 8, 707–715. [Google Scholar] [CrossRef]
- Nuqui, R.F.; Phadke, A.G. Phasor measurement unit placement techniques for complete and incomplete observability. IEEE Trans. Power Deliv. 2005, 20, 2381–2388. [Google Scholar] [CrossRef]
- Zhong, Z.; Xu, C.; Billian, B.J.; Zhang, L.; Tsai, S.-J.S.; Conners, R.W.; Centeno, V.A.; Phadke, A.G.; Liu, Y. Power system frequency monitoring network (FNET) implementation. IEEE Trans. Power Syst. 2005, 20, 1914–1921. [Google Scholar] [CrossRef]
- Phadke, A.G.; Kasztenny, B. Synchronized Phasor and Frequency Measurement Under Transient Conditions. IEEE Trans. Power Deliv. 2009, 24, 89–95. [Google Scholar] [CrossRef]
- De la O Serna, J.A.; Platas, M.A. Maximally flat differentiators through WLS Taylor decomposition. Elsevier Digit. Signal Process. 2011, 21, 183–194. [Google Scholar] [CrossRef]
- Belega, D.; Petri, D. Accuracy Analysis of the Multicycle Synchrophasor Estimator Provided by the Interpolated DFT Algorithm. IEEE Trans. Instrum. Meas. 2013, 62, 942–953. [Google Scholar] [CrossRef]
- Petri, D.; Fontanelli, D.; Macii, D. A Frequency-Domain Algorithm for Dynamic Synchrophasor and Frequency Estimation. IEEE Trans. Instrum. Meas. 2014, 63, 2330–2340. [Google Scholar] [CrossRef]
- Bertocco, M.; Frigo, G.; Narduzzi, C.; Muscas, C.; Pegoraro, P.A. Compressive Sensing of a Taylor-Fourier Multifrequency Model for Synchrophasor Estimation. IEEE Trans. Instrum. Meas. 2015, 64, 3274–3283. [Google Scholar] [CrossRef]
- Cuccaro, P.; Gallo, D.; Landi, C.; Luiso, M.; Romano, G. Recursive phasor estimation algorithm for synchrophasor measurement. In Proceedings of the 2015 IEEE International Workshop on Applied Measurements for Power Systems (AMPS), Aachen, Germany, 23–25 September 2015; pp. 90–95. [Google Scholar]
- Cuccaro, P.; Gallo, D.; Landi, C.; Luiso, M.; Romano, G. Phase-based estimation of synchrophasors. In Proceedings of the 2016 IEEE International Workshop on Applied Measurements for Power Systems (AMPS), Aachen, Germany, 28–30 September 2016; pp. 1–6. [Google Scholar]
- Tosato, P.; Macii, D.; Luiso, M.; Brunelli, D.; Gallo, D.; Landi, C. A Tuned Lightweight Estimation Algorithm for Low-Cost Phasor Measurement Units. IEEE Trans. Instrum. Meas. 2018, 67, 1047–1057. [Google Scholar] [CrossRef]
- Jiang, J.A.; Yang, J.Z.; Lin, Y.H.; Liu, C.W.; Ma, J.C. An adaptive PMU based fault detection/location technique for transmission lines. I. Theory and algorithms. IEEE Trans. Power Deliv. 2000, 15, 486–493. [Google Scholar] [CrossRef]
- Tate, J.; Overbye, T.J. Line Outage Detection Using Phasor Angle Measurements. IEEE Trans. Power Syst. 2008, 23, 1644–1652. [Google Scholar] [CrossRef]
- Von Meier, A.; Culler, D.; McEachern, A.; Arghandeh, R. Microsynchrophasors for distribution system. In Proceedings of the 5th IEEE PES Innovative Smart Grid Technologies Conference (ISGT), Washington, DC, USA, 19–22 February 2014; pp. 1–5. [Google Scholar]
- Romano, P.; Paolone, M. Enhanced interpolated-DFT for synchrophasor estimation in FPGAs: Theory, implementation, and validation of a PMU prototype. IEEE Trans. Instrum. Meas. 2014, 63, 2824–2836. [Google Scholar] [CrossRef]
- Das, H.P.; Pradhan, A.K. Development of a micro-phasor measurement unit for distribution system applications. In Proceedings of the National Power Systems Conference (NPSC), Bhubaneswar, India, 19–21 December 2016; pp. 1–5. [Google Scholar]
- Laverty, D.M.; Best, R.J.; Brogan, P.; al Khatib, I.; Vanfretti, L.; Morrow, D.J. The OpenPMU Platform for Open-Source Phasor Measurements. IEEE Trans. Instrum. Meas. 2013, 62, 701–709. [Google Scholar] [CrossRef]
- Zhao, X.; Laverty, D.M.; McKernan, A.; Morrow, D.J.; McLaughlin, K.; Sezer, S. GPS-Disciplined Analog-to-Digital Converter for Phasor Measurement Applications. IEEE Trans. Instrum. Meas. 2017, 66, 2349–2357. [Google Scholar] [CrossRef]
- Yao, Y.; Zhan, L.; Liu, Y.; Till, M.J.; Zhao, J.; Wu, L.; Teng, Z. A Novel Method for Phasor Measurement Unit Sampling Time Error Compensation. IEEE Trans. Smart Grid 2018, 9, 1063–1072. [Google Scholar]
- Cataliotti, A.; di Cara, D.; Emanuel, A.E.; Nuccio, S. Improvement of Hall Effect Current Transducer Metrological Performances in the Presence of Harmonic Distortion. IEEE Trans. Instrum. Meas. 2010, 59, 1091–1097. [Google Scholar] [CrossRef]
- Faifer, M.; Laurano, C.; Ottoboni, R.; Toscani, S.; Zanoni, M. Characterization of Voltage Instrument Transformers Under Nonsinusoidal Conditions Based on the Best Linear Approximation. IEEE Trans. Instrum. Meas. 2018, 67, 2392–2400. [Google Scholar] [CrossRef]
- Crotti, G.; Delle Femine, A.; Gallo, D.; Giordano, D.; Landi, C.; Letizia, P.S.; Luiso, M. Calibration of Current Transformers in distorted conditions. In Journal of Physics: Conference Series; IOP Publishing: Bristol, UK, 2018. [Google Scholar] [CrossRef]
- Del Prete, S.; Delle Femine, A.; Gallo, D.; Landi, C.; Luiso, M. Implementation of a distributed Stand Alone Merging Unit. In Journal of Physics: Conference Series; IOP Publishing: Bristol, UK, 2018. [Google Scholar] [CrossRef]
- Crotti, G.; Delle Femine, A.; Gallo, D.; Giordano, D.; Landi, C.; Luiso, M. Measurement of the Absolute Phase Error of Digitizers. IEEE Trans. Instrum. Meas. 2019, 68, 1724–1731. [Google Scholar] [CrossRef]
- Crotti, G.; Giordano, D.; Delle Femine, A.; Gallo, D.; Landi, C.; Luiso, M. A Testbed for Static and Dynamic Characterization of DC Voltage and Current Transducers. In Proceedings of the 9th IEEE International Workshop on Applied Measurements for Power Systems (AMPS), Bologna, Italy, 26–28 September 2018; pp. 1–6. [Google Scholar] [CrossRef]
- Collin, A.J.; Delle Femine, A.; Gallo, D.; Langella, R.; Luiso, M. Compensation of Current Transformers’ Non-Linearities by Means of Frequency Coupling Matrices. In Proceedings of the 9th IEEE International Workshop on Applied Measurements for Power Systems (AMPS), Bologna, Italy, 26–28 September 2018; pp. 1–6. [Google Scholar] [CrossRef]
- Delle Femine, A.; Gallo, D.; Giordano, D.; Landi, C.; Luiso, M.; Signorino, D. Synchronized Measurement System for Railway Application. In Journal of Physics: Conference Series; IOP Publishing: Bristol, UK, 2018. [Google Scholar] [CrossRef]
- Cataliotti, A.; Cosentino, V.; Crotti, G.; Femine, A.D.; Di Cara, D.; Gallo, D.; Giordano, D.; Landi, C.; Luiso, M.; Modarres, M.; et al. Compensation of Nonlinearity of Voltage and Current Instrument Transformers. IEEE Trans. Instrum. Meas. 2019, 68, 1322–1332. [Google Scholar] [CrossRef]
- Crotti, G.; Femine, A.D.; Gallo, D.; Giordano, D.; Landi, C.; Luiso, M.; Mariscotti, A.; Roccato, P.E. Pantograph-to-OHL Arc: Conducted Effects in DC Railway Supply System. In Proceedings of the 9th IEEE International Workshop on Applied Measurements for Power Systems (AMPS), Bologna, Italy, 26–28 September 2018; pp. 1–6. [Google Scholar] [CrossRef]
- Luiso, M.; Macii, D.; Tosato, P.; Brunelli, D.; Gallo, D.; Landi, C. A Low-Voltage Measurement Testbed for Metrological Characterization of Algorithms for Phasor Measurement Units. IEEE Trans. Instrum. Meas. 2018, 67, 2420–2433. [Google Scholar] [CrossRef]
- IEEE Standard for Synchrophasor Data Transfer for Power Systems. In IEEE Std C37.118.2-2011 (Revision of IEEE Std C37.118-2005); IEEE: Piscataway, NJ, USA, 2011; pp. 1–53. [CrossRef]
- AN4073. ST Application Note How to Improve ADC Accuracy When Using STM32F2xx and STM32F4xx Microcontrollers DocID022945 Rev 5 July 2013. Available online: https://www.st.com/content/ccc/resource/technical/document/application_note/a0/71/3e/e4/8f/b6/40/e6/DM00050879.pdf/files/DM00050879.pdf/jcr:content/translations/en.DM00050879.pdf (accessed on 10 July 2019).









| Test Type | TVE max [%] | FE max [mHz] | RFE max [Hz/s] | |||
|---|---|---|---|---|---|---|
| Limit | Meas. | Limit | Meas. | Limit | Meas. | |
| Frequency offset (±2 Hz) | 1 | 0.11 | 5 | 1.0 | 0.4 | 0.13 |
| Frequency offset (±2 Hz) | 1 | 0.19 | 5 | 4.7 | 0.4 | 0.19 |
| +1% 2nd harmonic | ||||||
| Frequency offset (±2 Hz) | 1 | 0.15 | 5 | 1.1 | 0.4 | 0.15 |
| +1% 3rd harmonic | ||||||
| Frequency ramp | 1 | 0.35 | 10 | 7.7 | 0.4 | 0.19 |
| (±2 Hz at 1 Hz/s) | ||||||
| AM (10% at 2 Hz) | 3 | 1.8 | 60 | 27.0 | 2.3 | 2.1 |
| PM (0.1 rad at 2 Hz) | 3 | 1.4 | 60 | 45.0 | 2.3 | 1.5 |
| Test Type | TVE max [%] | FE max [mHz] | RFE max [Hz/s] | |||
|---|---|---|---|---|---|---|
| Limit | Meas. | Limit | Meas. | Limit | Meas. | |
| Frequency offset (±5 Hz) | 1 | 0.21 | 5 | 1.0 | 0.1 | 0.14 |
| Frequency offset (±5 Hz) | 1 | 0.22 | 25 | 9.5 | - | 0.45 |
| +1% 2nd harmonic | ||||||
| Frequency offset (±5 Hz) | 1 | 0.21 | 25 | 1.2 | - | 0.16 |
| +1% 3rd harmonic | ||||||
| Frequency ramp | 1 | 0.44 | 10 | 8.7 | 0.2 | 0.21 |
| (±5 Hz at 1 Hz/s) | ||||||
| AM (10% at 5 Hz) | 3 | 2.3 | 300 | 153.0 | 14 | 12 |
| PM (0.1 rad at 5 Hz) | 3 | 2.5 | 300 | 253.0 | 14 | 14 |
| 10% out-of-band inter-harmonic @ ≈ 25 Hz | 1.3 | 2.7 | 10 | 854.0 | - | 45 |
© 2019 by the authors. Licensee MDPI, Basel, Switzerland. This article is an open access article distributed under the terms and conditions of the Creative Commons Attribution (CC BY) license (http://creativecommons.org/licenses/by/4.0/).
Share and Cite
Delle Femine, A.; Gallo, D.; Landi, C.; Luiso, M. The Design of a Low Cost Phasor Measurement Unit. Energies 2019, 12, 2648. https://doi.org/10.3390/en12142648
Delle Femine A, Gallo D, Landi C, Luiso M. The Design of a Low Cost Phasor Measurement Unit. Energies. 2019; 12(14):2648. https://doi.org/10.3390/en12142648
Chicago/Turabian StyleDelle Femine, Antonio, Daniele Gallo, Carmine Landi, and Mario Luiso. 2019. "The Design of a Low Cost Phasor Measurement Unit" Energies 12, no. 14: 2648. https://doi.org/10.3390/en12142648
APA StyleDelle Femine, A., Gallo, D., Landi, C., & Luiso, M. (2019). The Design of a Low Cost Phasor Measurement Unit. Energies, 12(14), 2648. https://doi.org/10.3390/en12142648

