Electro-Thermal Modeling of Metal-Oxide Arrester under Power Frequency Applied Voltages
Abstract
:1. Introduction
- Firstly, the conventional electric model of an MOA is introduced; based on the conventional model, the diagram and calculation algorithm of the electrothermal model is proposed.
- Secondly, in order to build the electric part of the electrothermal model, experiments were carried out to obtain the voltage–current–temperature (V–I–T) characteristics of the tested ZnO varistors. According to the experimental results, the electric model of the tested ZnO varistors considering the temperature effects is built using the artificial neural network (ANN) method. Using temperature and applied voltage as input data, the leakage current flowing through the varistors can be obtained, and the electric part of the electrothermal model has been validated through experimental results.
- Thirdly, a thermal resistance circuit model is introduced to build the thermal part of the model. Using power loss and ambient temperature as input data, the temperature of the MOA is calculated, which is used as the input data of the electric model. By doing so, the electrothermal model can be obtained combining the electric and thermal model built above. Compared with the existing studies, the interaction between the resistive leakage current and the temperature rise of ZnO varistors has been considered in this paper, and the electric and thermal characteristics can be simulated at the same time.
- Finally, experiments were carried out to validate the simulation model, and its electric and thermal characteristics have been studied. Compared with the existing studies, the relationship between arrester temperature and time under different applied voltages is studied, and the experimental and simulated results show good agreement with each other.
2. Diagram and Calculation Algorithm of Electrothermal Model
Conventional Electric Model Review
- Firstly, the V–I characteristics of ZnO varistors are measured under different temperatures experimentally. Using the applied voltage and varistor temperature as input data and the measured leakage current as output data, an artificial neural network is trained; thus, the V–I–T characteristics of the tested ZnO varistors can be obtained using the ANN method. The power losses of the varistors are calculated in order to be used in the thermal model.
- Secondly, an equivalent thermal circuit of MOA is built; using the ambient temperature, power loss, and MOA temperature at time t as input data, the temperature changes of the MOA can be obtained, and the MOA temperature at the next time-step (t + Δt) is calculated as the output data of the thermal model.
- Finally, according to the last two steps, setting an ambient temperature, initial MOA temperature, and applied voltage, the electrothermal characteristics at different times can be calculated. If the difference between the electrothermal characteristics of two adjacent time steps is smaller than a threshold value, the electrothermal state reaches a steady state. Once the simulation time reaches the end, or the electrothermal simulation reaches a steady state, the simulation process reaches the end.
3. Electric Model Considering Temperature Effects
3.1. Experimental Setup, Test Species, and Procedures
3.2. ANN Modeling of V–I Characteristic Considering Temperature Effects
3.3. Capacitive Component Model of Leakage Current
3.4. Experimental Validation of the ANN Model
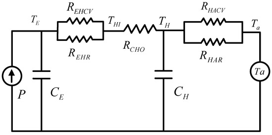
4. Thermal Model
5. Experimental Validations
6. Discussions
7. Conclusions
Author Contributions
Funding
Acknowledgments
Conflicts of Interest
References
- Gu, S.Q.; Chen, W.J.; He, J.L.; Shen, H.B.; Zhang, S. Development of Surge Arresters with Series Gap Against Lightning Breakage of Covered Conductors on Distribution Lines. IEEE Trans. Power Deliv. 2007, 4, 2191–2198. [Google Scholar] [CrossRef]
- Toshihiro, T.; Jun, T.; Shigemitsu, O. Energy Absorption Capacity of a 500 kV Surge Arrester for Direct and Multiple Lightning Strokes. IEEE Trans. Dielectr. Electr. Insul. 2015, 2, 916–924. [Google Scholar] [CrossRef]
- Brito, V.S.; Lira, G.R.S.; Costa, E.G.; Maia, M.J.A. A Wide-Range Model for Metal-Oxide Surge Arrester. IEEE Trans. Power Deliv. 2018, 1, 102–109. [Google Scholar] [CrossRef]
- Tominaga, S.; Azumi, K.; Shibuya, Y.; Imataki, M.; Fujiwara, Y.; Nishida, S. Protective Performance of Metal Oxide Surge Arrester Based on the Dynamic V-I Characteristics. IEEE Trans. Power Apparatus Syst. 1979, 6, 1860–1871. [Google Scholar] [CrossRef]
- Magro, M.C.; Giannettoni, M.; Pinceti, P. Validation of ZnO surge arresters model for overvoltage studies. IEEE Trans. Power Deliv. 2004, 4, 1692–1695. [Google Scholar] [CrossRef]
- Nigol, O. Methods for analyzing the performance of gapless metal oxide surge arresters. IEEE Trans. Power Deliv. 1992, 3, 1256–1264. [Google Scholar] [CrossRef]
- Li, S.T.; He, J.Q.; Lin, J.J.; Wang, H.; Liu, W.F.; Liao, Y.L. Electrical-Thermal Failure of Metal-Oxide Arrester by Successive Impulses. IEEE Trans. Power Deliv. 2016, 6, 2538–2545. [Google Scholar] [CrossRef]
- He, J.Q.; Lin, J.; Liu, W.Q.; Wang, H.; Liao, Y.; Li, S.T. Structure-Dominated Failure of Surge Arresters by Successive Impulses. IEEE Trans. Power Deliv. 2017, 4, 1907–1913. [Google Scholar] [CrossRef]
- Christodoulou, C.; Vita, V.; Perantzakis, G.; Ekonomou, L.; Milushev, G. Adjusting the Parameters of Metal Oxide Gapless Surge Arresters’ Equivalent Circuits Using the Harmony Search Method. Energies 2017, 10, 2168. [Google Scholar] [CrossRef]
- Tuczek, M.N.; Hinrichsen, V. Recent Experimental Findings on the Single and Multi-Impulse Energy Handling Capability of Metal-Oxide Varistors for Use in High-Voltage Surge Arresters. IEEE Trans. Power Deliv. 2014, 5, 2197–2205. [Google Scholar] [CrossRef]
- Stojanovi, Z.N.; Stojkovi, Z.M. Evaluation of MOSA condition using leakage current method. Electr. Power Energy Syst. 2013, 52, 87–95. [Google Scholar] [CrossRef]
- Bargigia, A.; De, N.; Pigini, A. Comparison of Different Test Method to Assess the Thermal Stresses of Metal Oxid Surge Arrester under Pollution Condition. IEEE Trans. Power Deliv. 1993, 1, 146–155. [Google Scholar] [CrossRef]
- Spack-Leigsnering, Y.; Gjonaj, E.; De Gersem, H.; Weiland, T.; GieBel, M.; Hinrichsen, V. Electroquasi static-Thermal Modeling and Simulation of Station Class Surge Arresters. IEEE Trans. Magnet. 2016, 3, 1–4. [Google Scholar] [CrossRef]
- Lundquist, J.; Stenstrom, L.; Schei, A.; Hansen, B. New method for measurement of the resistive leakage currents of metal-oxide surge arresters in service. IEEE Trans. Power Deliv. 1990, 5, 1811–1822. [Google Scholar] [CrossRef]
- Seyyedbarzegar, S.M.; Mirzaie, M. Heat Transfer Analysis of Metal Oxide Surge Arrester under Power Frequency Applied Voltage. Energy 2015, 93, 141–153. [Google Scholar] [CrossRef]
- Schmidt, W.; Meppelink, J.; Richter, B.; Feser, K.; Kehl, L.E.; Qui, D. Behaviour of MO-surge-arrester blocks to fast transients. IEEE Trans. Power Deliv. 1989, 1, 292–300. [Google Scholar] [CrossRef]
- Vita, V.; Mitropoulou, A.D.; Ekonomou, L.; Panetsos, S.; Stathopulos, I.A. Comparison of metal-oxide surge arresters circuit models and implementation on high-voltage transmission lines of the Hellenic network. IET Gen. Transm. Distrib. 2010, 5, 846–853. [Google Scholar] [CrossRef]
- Kim, I.; Funabashi, T.; Sasaki, H.; Hagiwara, T.; Kobayashi, M. Study of ZnO arrester model for steep front wave. IEEE Trans. Power Deliv. 1996, 2, 834–841. [Google Scholar] [CrossRef]
- He, J.L.; Zeng, R.; Chen, S.M.; Tu, Y.P. Thermal Characteristics of High Voltage Whole-solid-insulated Polymeric ZnO Surge Arrester. IEEE Trans. Power Deliv. 2003, 4, 1221–1227. [Google Scholar] [CrossRef]
- Bartkowiak, M.; Comber, M.G.; Mahan, G.D. Failure modes and energy absorption capability of ZnO varistors. IEEE Trans. Power Deliv. 1999, 1, 152–162. [Google Scholar] [CrossRef]
- Petit, A.; Do, X.D.; Jean, G.S. An experimental method to determine the electro-thermal model parameters of metal oxide surge arresters. IEEE Trans. Power Deliv. 1991, 2, 715–721. [Google Scholar] [CrossRef]
- Lat, M.V. Thermal Properties of Metal Oxide Surge Arresters. IEEE Trans. Power Apparatus Syst. 1983, 7, 2194–2202. [Google Scholar] [CrossRef]
- Lat, M.V. Analytical Method for Performance Prediction of Metal Oxide Surge Arresters. IEEE Trans. Power Apparatus Syst. 1985, 10, 2664–2674. [Google Scholar] [CrossRef]
- Zheng, Z.; Boggs, S.A.; Imai, T.; Nishiwaki, S. Computation of Arrester Thermal Stability. IEEE Trans. Power Deliv. 2010, 3, 1526–1529. [Google Scholar] [CrossRef]
- Zhao, G.; Joshi, R.P.; Lakdawala, V.K.; Hjalmarson, H.P. Electro-thermal Simulation Studies for Pulsed Voltage Induced Energy Absorption and Potential Failure in Microstructured ZnO Varistors. IEEE Trans. Dielectr. Electr. Insul. 2007, 4, 1007–1015. [Google Scholar] [CrossRef]
- Latiff, N.A.A.; Illias, H.A.; Bakar, A.H.A.; Dabbak, S.Z.A. Measurement and Modelling of Leakage Current Behaviour in ZnO Surge Arresters under Various Applied Voltage Amplitudes and Pollution Conditions. Energies 2018, 4, 875. [Google Scholar] [CrossRef]
- Seyyedbarzegar, S.M.; Mirzaie, M. Thermal balance diagram modelling of surge arrester for thermal stability analysis considering ZnO varistor degradation effect. IET Gen. Transm. Distrib. 2016, 7, 1570–1581. [Google Scholar] [CrossRef]
- Seyyedbarzegar, S.M. A new approach to electrical modeling of surge arrester considering temperature effect on V-I characteristic. Measurement 2017, 111, 295–306. [Google Scholar] [CrossRef]












© 2018 by the authors. Licensee MDPI, Basel, Switzerland. This article is an open access article distributed under the terms and conditions of the Creative Commons Attribution (CC BY) license (http://creativecommons.org/licenses/by/4.0/).
Share and Cite
Lu, J.; Xie, P.; Fang, Z.; Hu, J. Electro-Thermal Modeling of Metal-Oxide Arrester under Power Frequency Applied Voltages. Energies 2018, 11, 1610. https://doi.org/10.3390/en11061610
Lu J, Xie P, Fang Z, Hu J. Electro-Thermal Modeling of Metal-Oxide Arrester under Power Frequency Applied Voltages. Energies. 2018; 11(6):1610. https://doi.org/10.3390/en11061610
Chicago/Turabian StyleLu, Jiazheng, Pengkang Xie, Zhen Fang, and Jianping Hu. 2018. "Electro-Thermal Modeling of Metal-Oxide Arrester under Power Frequency Applied Voltages" Energies 11, no. 6: 1610. https://doi.org/10.3390/en11061610
APA StyleLu, J., Xie, P., Fang, Z., & Hu, J. (2018). Electro-Thermal Modeling of Metal-Oxide Arrester under Power Frequency Applied Voltages. Energies, 11(6), 1610. https://doi.org/10.3390/en11061610

