Design and Implementation of the Battery Energy Storage System in DC Micro-Grid Systems
Abstract
:1. Introduction
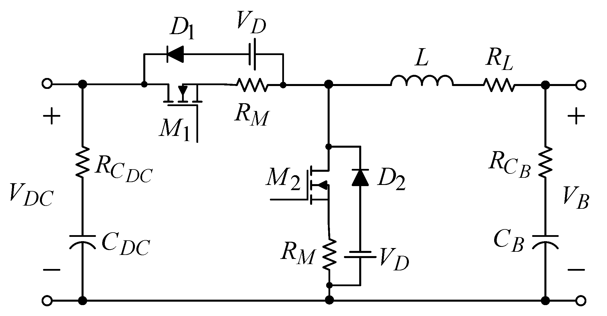
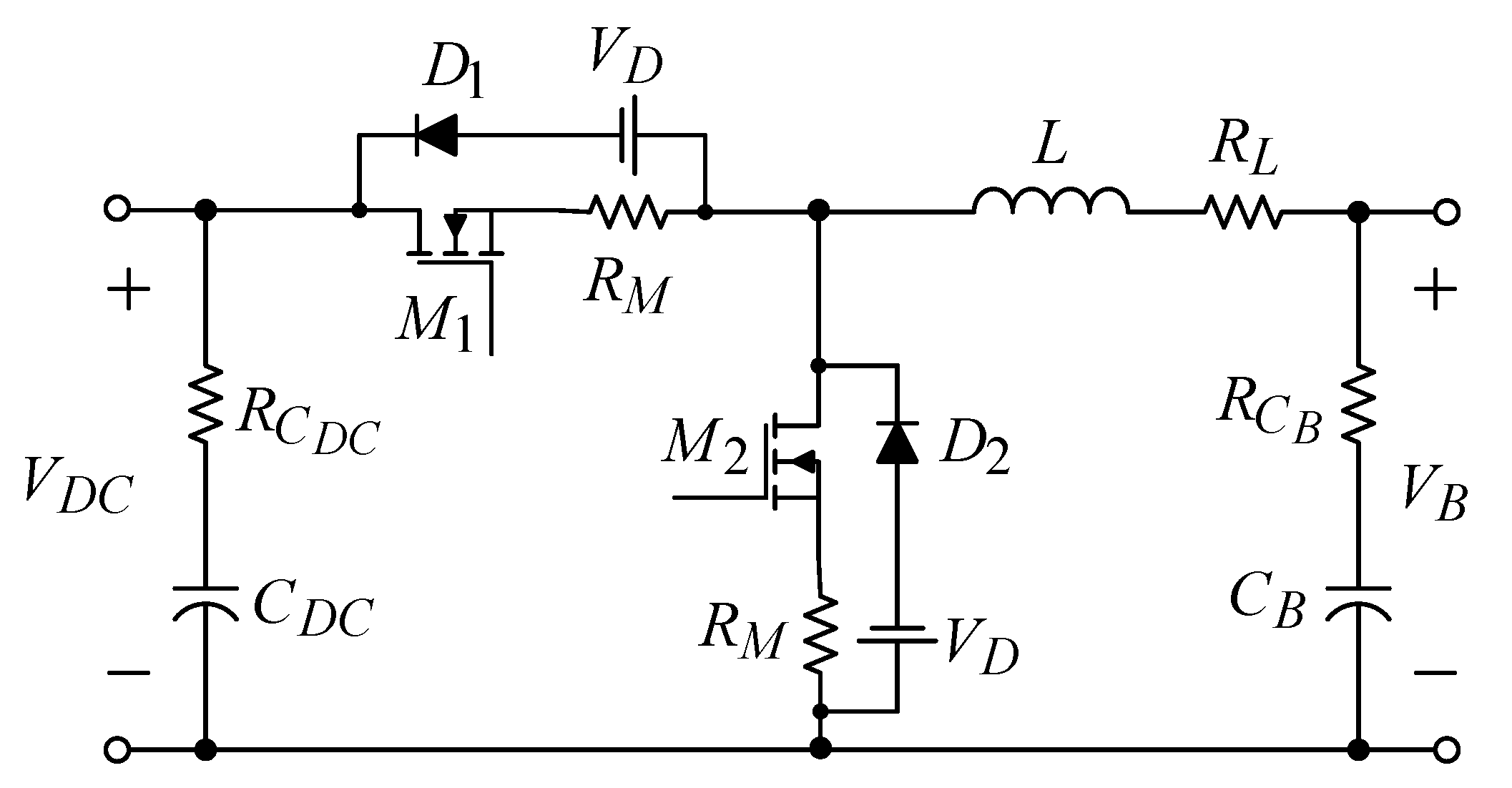
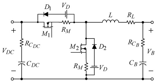
2. System Configuration
3. Operation Modes and State Equations
3.1. Charging Mode
3.2. Discharging Mode
4. Design of Current Controller and Voltage Controller
5. Results and Discussions
5.1. Charging Mode
5.2. Discharging Mode
6. Conclusions
Author Contributions
Funding
Conflicts of Interest
References
- Carrizosa, M.J.; Arzandé, A.; Navas, F.D.; Damm, G.; Vannier, J.-C. A control strategy for multiterminal DC grids with renewable production and storage devices. IEEE Trans. Sustain. Energy 2018, 9, 930–939. [Google Scholar] [CrossRef]
- Dahmani, O.; Bourguet, S.; Machmoum, M.; Guerin, P.; Rhein, P.; Josse, L. Optimization and reliability evaluation of an offshore wind farm architecture. IEEE Trans. Sustain. Energy 2017, 8, 542–550. [Google Scholar] [CrossRef]
- Sharma, S.K.; Chandra, A.; Saad, M.; Lefebvre, S.; Asber, D.; Lenoir, L. Voltage flicker mitigation smart loads with high penetration of renewable energy in distribution systems. IEEE Trans. Sustain. Energy 2017, 8, 414–424. [Google Scholar] [CrossRef]
- Sahoo, S.K.; Sinha, A.K.; Kishore, N.K. Control techniques in AC, DC, and hybrid AC-DC microgrid: A review. IEEE J. Emerg. Sel. Top. Power Electron. 2018, 6, 738–759. [Google Scholar] [CrossRef]
- Kim, J.; Guerrero, J.M.; Rodriguez, P.; Teodorescu, R.; Nam, K. Mode adaptive droop control with virtual output impedances for an inverter-based flexible AC microgrid. IEEE Trans. Power Electron. 2011, 26, 689–701. [Google Scholar] [CrossRef]
- Han, R.; Meng, L.; Ferrari-Trecate, G.; Coelho, E.A.A.; Vasquez, J.C.; Guerrero, J.M. Containment and consensus-based distributed coordination control to achieve bounded voltage and precise reactive power sharing in islanded AC microgrids. IEEE Trans. Ind. Appl. 2017, 53, 5187–5199. [Google Scholar] [CrossRef]
- Wang, M.-H.; Mok, K.-T.; Tan, S.-C.; Hui, S.Y. Multifunctional DC electric springs for improving voltage quality of DC grids. IEEE Trans. Smart Grid 2018, 9, 2248–2258. [Google Scholar] [CrossRef]
- Kumar, M.; Srivastava, S.C.; Singh, S.N. Control strategies of a DC microgrid for grid connected and islanded operations. IEEE Trans. Smart Grid 2015, 6, 1558–1601. [Google Scholar] [CrossRef]
- Radwan, A.A.A.; Mohamed, Y.A.-R.I. Linear active stabilization of converter-dominated DC microgrids. IEEE Trans. Smart Grid 2012, 3, 203–216. [Google Scholar] [CrossRef]
- Abeywardana, D.B.W.; Hredzak, B.; Agelidis, V.G. A fixed-frequency sliding mode controller for a boost-inverter-based battery-supercapacitor hybrid energy storage system. IEEE Trans. Power Electron. 2017, 32, 668–680. [Google Scholar] [CrossRef]
- Ciccarelli, F.; Iannuzzi, D.; Kondo, K.; Fratelli, L. Line-voltage control based on wayside energy storage systems for tramway networks. IEEE Trans. Power Electron. 2016, 31, 884–899. [Google Scholar] [CrossRef]
- Akter, M.P.; Mekhilef, S.; Tan, N.M.L.; Akagi, H. Modified model predictive control of a bidirectional AC-DC converter based on Lyapunov function for energy storage systems. IEEE Trans. Ind. Electron. 2016, 63, 704–715. [Google Scholar] [CrossRef]
- Cacciato, M.; Nobile, G.; Scarcella, G.; Scelba, G. Real-time model-based estimation of SOC and SOH for energy storage systems. IEEE Trans. Power Electron. 2017, 32, 794–803. [Google Scholar] [CrossRef]
- Takagi, T.; Sugeno, M. Fuzzy identification of systems and its applications to modeling and control. IEEE Trans. Syst. Man Cybern. 1985, SMC-1, 116–132. [Google Scholar] [CrossRef]
- Lam, H.K.; Leung, F.H.F. LMI-based stability and performance conditions for continuous-time nonlinear systems in Takagi-Sugeno’s form. IEEE Trans. TSMCB 2007, 37, 1396–1406. [Google Scholar] [CrossRef]
- Tanaka, K.; Sugeno, M. Stability analysis and design of fuzzy control systems. Fuzzy Sets Syst. 1992, 45, 135–156. [Google Scholar] [CrossRef]
- Lian, K.Y.; Liou, J.J.; Huang, C.Y. LMI-based integral fuzzy control of DC-DC converters. IEEE Trans. Fuzzy Syst. 2006, 14, 71–80. [Google Scholar] [CrossRef]
- Mehran, K.; Giaouris, D.; Zahawi, B. Stability analysis and control of nonlinear phenomena in boost converters using model-based Takagi-Sugeno fuzzy approach. IEEE Trans. Circuits Syst. I Reg. Pap. 2010, 57, 200–212. [Google Scholar] [CrossRef]
- Chang, Y.C.; Chen, C.H.; Zhu, Z.C.; Huang, Y.W. Speed control of the surface-mounted permanent-magnet synchronous motor based on Takagi-Sugeno fuzzy models. IEEE Trans. Power Electron. 2016, 31, 6504–6510. [Google Scholar] [CrossRef]






| Rated power | 2 kW | VD | 1.5 V |
| Inductance | 1.97 mH | RM | 0.079 Ù |
| Input voltage | 380 V (DC) | Input capacitance | 560 µF |
| Output voltage | 100 V (DC) | Output capacitance | 440 µF |
© 2018 by the authors. Licensee MDPI, Basel, Switzerland. This article is an open access article distributed under the terms and conditions of the Creative Commons Attribution (CC BY) license (http://creativecommons.org/licenses/by/4.0/).
Share and Cite
Chang, Y.-C.; Chang, H.-C.; Huang, C.-Y. Design and Implementation of the Battery Energy Storage System in DC Micro-Grid Systems. Energies 2018, 11, 1566. https://doi.org/10.3390/en11061566
Chang Y-C, Chang H-C, Huang C-Y. Design and Implementation of the Battery Energy Storage System in DC Micro-Grid Systems. Energies. 2018; 11(6):1566. https://doi.org/10.3390/en11061566
Chicago/Turabian StyleChang, Yuan-Chih, Hao-Chin Chang, and Chien-Yu Huang. 2018. "Design and Implementation of the Battery Energy Storage System in DC Micro-Grid Systems" Energies 11, no. 6: 1566. https://doi.org/10.3390/en11061566
APA StyleChang, Y.-C., Chang, H.-C., & Huang, C.-Y. (2018). Design and Implementation of the Battery Energy Storage System in DC Micro-Grid Systems. Energies, 11(6), 1566. https://doi.org/10.3390/en11061566
