Hybrid HVDC (H2VDC) System Using Current and Voltage Source Converters
Abstract
:1. Introduction
- In the case of a collapsed receiving AC network, the H²VDC can be totally or partially restored by the “black-start” capability of the MMC.
- Active and reactive power at the MMC can be controlled independently, limited only by its rating. The reactive power can be used to control the voltage at its AC terminal, and this characteristic reduces the reactive power compensation equipment. In addition, it gives more reliability to the AC receiving system. Naturally, when the MMC is operating with its maximum power, the AC voltage control cannot be done since the power factor is equal to unity.
- There is no need for minimum short-circuit ratio (SCR) at the AC receiving network, which may be even a passive network. Therefore, no equipment such as a synchronous generator or synchronous compensator is necessary to increase the SCR, which means that the footprint may be smaller if compared with conventional CSC-HVDC.
- DC short-circuit current can be controlled by using full-bridge (FB) submodules (SM) in the MMC.
- It is possible to transmit more power (4 GW) than in the case of a pure MMC-HVDC system at lower cost.
2. System Configuration and Control
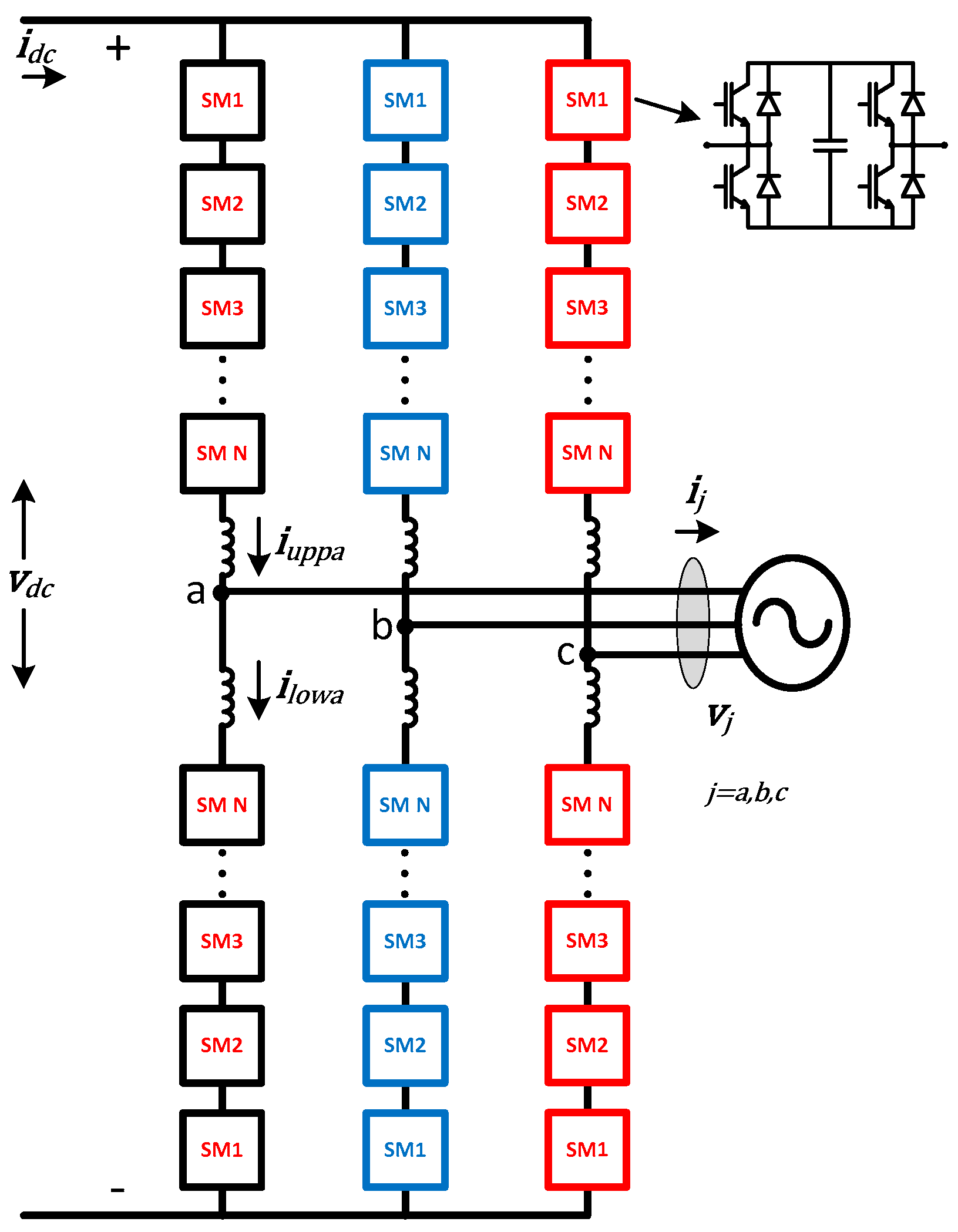
2.1. System Configuration
2.2. Control System
2.2.1. Current Source Converter
2.2.2. The Voltage Source Converter (FBMMC)
- FBMMC1 operates controlling DC voltage and reactive power;
- FBMMC2 operates controlling active and reactive power.
2.3. Master-Slave Control
2.4. Dc Faults Protections and Management
- Blocking all the IGBTs and forcing the DC current to flow through the SM capacitors; or
- By control actions, forcing the DC voltage or the DC current fall to zero.
2.4.1. Dc Voltage Control Under Short-Circuit Condition
3. Simulations
3.1. Single Phase Short Circuit at the AC Grid 1
3.2. Short Circuit At the DC Line
4. Possible Application
5. Conclusions
Author Contributions
Acknowledgments
Conflicts of Interest
Glossary
| v*dc, vdc | DC voltage reference and measured, respectively. |
| i*dc, idc | DC current reference and measured, respectively. |
| vj | abc phase-to-neutral voltages at the AC bar for j = a, b, c. |
| ij | abc line currents at the AC bar for j = a, b, c. |
| iuppa, ilowa | Phase a upper and lower arm currents. |
| P*, P | There-phase active power reference and measured, respectively. |
| Q*, Q | There-phase reactive power reference and measured, respectively. |
| αor | Alfa order for the CSC. |
| ω | Grid frequency. |
| vd*, vd, id*, id | d axis voltage and current references and measured, respectively. |
| vq*, vq, iq*, iq | q axis voltage and current references and measured, respectively. |
| Gp, Ti | Proportional gain and time constant for the PI controllers (empirically tuned). |
| K | Proportional gain to set the sensibility of the CVC error signal. |
| L, r | Reactance and resistance for decoupling the dq control. |
| idmax, iqmax | d and q axis maximum current limit for the outer control. |
| iuppj, ilowj | Upper and lower arm currents for j = a, b, c. |
| v*∑cap | Reference value for the sum of all capacitor’s voltages in one FBMMC. |
| v∑cap | Sum of all capacitor’s voltages measured in one FBMMC. |
| v*j | Voltages references from outer control output (vd*, vq*) for j = a, b, c. |
| v*diffj | Leg common voltage for j = a, b, c. |
| vdc-base | DC base voltage. |
| vac-base | AC base voltage for the FBMMC. |
| v*uppj, v*lowj | Upper and lower arm reference voltages for the modulation control for j = a, b, c. |
| NVL | Nearest voltage level modulation control. |
| VBA | Voltage Balancing Algorithm. |
References
- C-EPRI. Available online: http://www.cepri.com.cn/aid/details_72_272.html (accessed on 10 March 2018).
- Francos, P.L.; Verdugo, S.S.; Alvarez, H.F.; Guyomarch, S.; Loncle, J. INELFE Europe’s first integrated onshore HVDC interconnection. In Proceedings of the 2012 IEEE Power and Energy Society General Meeting, San Diego, CA, USA, 22–26 July 2012; pp. 1–8. [Google Scholar] [CrossRef]
- Portugal, P.M.M.; Watanabe, E.H.; Macedo, N.J.P. Hybrid HVDC system using current and voltage source converter. In Proceedings of the CIGRE CE-B4 Colloquium HVDC and Power Electronics to Boost Network Performance, Brasilia, Brazil, 2–3 October 2013. [Google Scholar]
- Portugal, P.M.M.; Watanabe, E.H.; Macedo, N.J.P. Study and development of a hybrid HVDC System composed by current and voltage source converters. In Proceedings of the XIII Symposium of Specialists in Electric Operational and Expansion Planning, Foz do Iguaçu, Brazil, 18–21 May 2014. [Google Scholar]
- Tang, G.; Xu, Z. A LCC and MMC hybrid HVDC topology with DC line fault clearance capability. Int. J. Electr. Power Energy Syst. 2014, 62, 419–428. [Google Scholar] [CrossRef]
- Lee, Y.; Cui, S.; Kim, S.; Sul, S.K. Control of hybrid HVDC transmission system with LCC and FB-MMC. In Proceedings of the 2014 IEEE Energy Conversion Congress and Exposition (ECCE), Pittsburgh, PA, USA, 14–18 September 2014; pp. 475–482. [Google Scholar] [CrossRef]
- Jung, J.J.; Cui, S.; Lee, J.H.; Sul, S.K. A New Topology of Multilevel VSC Converter for a Hybrid HVDC Transmission System. IEEE Trans. Power Electron. 2017, 32, 4199–4209. [Google Scholar] [CrossRef]
- Xu, Z.; Wang, S.; Xiao, H. Hybrid high-voltage direct current topology with line commutated converter and modular multilevel converter in series connection suitable for bulk power overhead line transmission. IET Power Electron. 2016, 9, 2307–2317. [Google Scholar] [CrossRef]
- Nguyen, M.H.; Saha, T.K.; Eghbal, M. Hybrid multi-terminal LCC HVDC with a VSC Converter: A case study of Simplified South East Australian system. In Proceedings of the IEEE Power and Energy Society General Meeting, San Diego, CA, USA, 22–26 July 2012. [Google Scholar] [CrossRef]
- Marquardt, R. Modular Multilevel Converter: An universal concept for HVDC-Networks and extended DC-bus-applications. In Proceedings of the 2010 International Power Electronics Conference—ECCE Asia—(IPEC), Sapporo, Japan, 21–24 June 2010; pp. 502–507. [Google Scholar] [CrossRef]
- Sharifabadi, K.; Harnefors, L.; Nee, H.P.; Norrga, S.; Teodorescu, R. Design, Control and Application of Modular Multilevel Converters for HVDC Transmission Systems; John Wiley & Sons: Hoboken, NJ, USA, 2016; ISBN 9781118851562. [Google Scholar]
- Wenig, S.; Goertz, M.; Prieto, J.; Suriyah, M.; Leibfried, T. Effects of DC fault clearance methods on transients in a full-bridge monopolar MMC-HVDC link. In Proceedings of the 2016 IEEE PES Innovative Smart Grid Technologies Conference Europe, Melbourne, VIC, Australia, 28 November–1 December 2016; pp. 850–855. [Google Scholar] [CrossRef]
- Lebre, J.R.; Watanabe, E.H. Fullbridge MMC control for hybrid HVDC systems. In Proceedings of the 2017 Brazilian Power Electronics Conference (COBEP), Juiz de Fora, Brazil, 19–22 November 2017; pp. 1–6. [Google Scholar] [CrossRef]
- Moon, J.W.; Kim, C.S.; Park, J.W.; Kang, D.W.; Kim, J.M. Circulating current control in MMC under the unbalanced voltage. IEEE Trans. Power Deliv. 2013, 28, 1952–1959. [Google Scholar] [CrossRef]
- Kouro, S.; Bernal, R.; Miranda, H.; Silva, C.A.; Rodríguez, J. High-performance torque and flux control for multilevel inverter fed induction motors. IEEE Trans. Power Electron. 2007, 22, 2116–2123. [Google Scholar] [CrossRef]














| Parameter | Value |
|---|---|
| Rated DC voltage | 500 kV |
| FBMMC Rated AC voltage | 280 kV |
| Rated DC power | 1000 MW |
| CSC AC system reactance | 150 mH |
| FBMMC1 AC system reactance | 42 mH |
| CSC transformers rated voltages | 345/220/220 kV |
| FBMMC transformers rated voltages | 280/280 kV |
| Transformers equivalent reactance | 0.15 pu |
| Transformers equivalent resistance | 0.001 pu |
| CSC smoothing reactance | 500 mH |
| FBMMC smoothing reactance | 50 mH |
| Number of SMs per arm | 20 |
| SM rated voltage | 25 kV |
| SM capacitance | 1 mF |
| Arm inductance | 5 mH |
| FBMMC’s inertia constant, H | 37.5 ms |
| Line resistance per unit length | 0.015 Ω/km |
| Line inductance per unit length | 0.792 mH/km |
| Line inductance per unit length | 14.4 nF/km |
| Line 1 length | 1000 km |
| Line 2 length | 200 km |
© 2018 by the authors. Licensee MDPI, Basel, Switzerland. This article is an open access article distributed under the terms and conditions of the Creative Commons Attribution (CC BY) license (http://creativecommons.org/licenses/by/4.0/).
Share and Cite
Lebre, J.R.; Portugal, P.M.M.; Watanabe, E.H. Hybrid HVDC (H2VDC) System Using Current and Voltage Source Converters. Energies 2018, 11, 1323. https://doi.org/10.3390/en11061323
Lebre JR, Portugal PMM, Watanabe EH. Hybrid HVDC (H2VDC) System Using Current and Voltage Source Converters. Energies. 2018; 11(6):1323. https://doi.org/10.3390/en11061323
Chicago/Turabian StyleLebre, José Rafael, Paulo Max Maciel Portugal, and Edson Hirokazu Watanabe. 2018. "Hybrid HVDC (H2VDC) System Using Current and Voltage Source Converters" Energies 11, no. 6: 1323. https://doi.org/10.3390/en11061323
APA StyleLebre, J. R., Portugal, P. M. M., & Watanabe, E. H. (2018). Hybrid HVDC (H2VDC) System Using Current and Voltage Source Converters. Energies, 11(6), 1323. https://doi.org/10.3390/en11061323

