A Multiple Legs Inverter with Real Time–Reflected Load Detection Used in the Dynamic Wireless Charging System of Electric Vehicles
Abstract
:1. Introduction
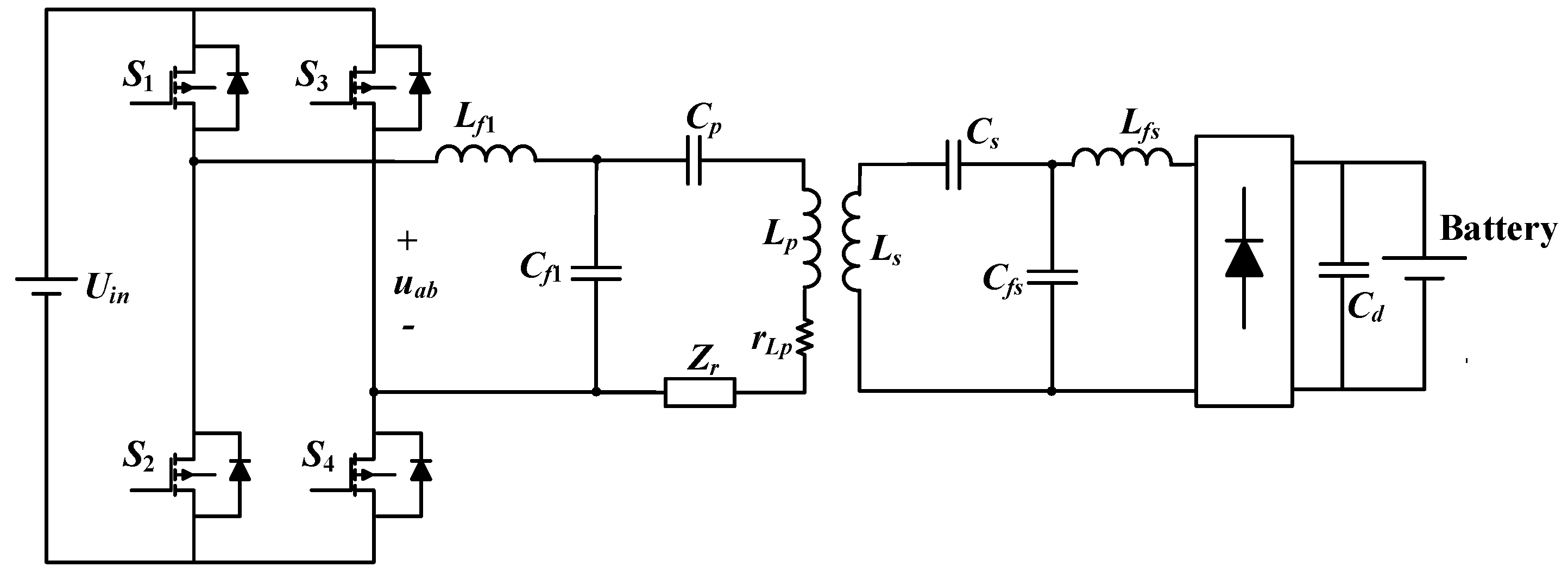
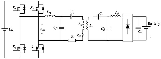
2. LCC Network for the Dynamic WPT System
2.1. Fundamentals of WPT System
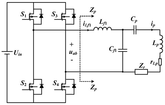
2.2. LCC Resonant Network in the Primary Side
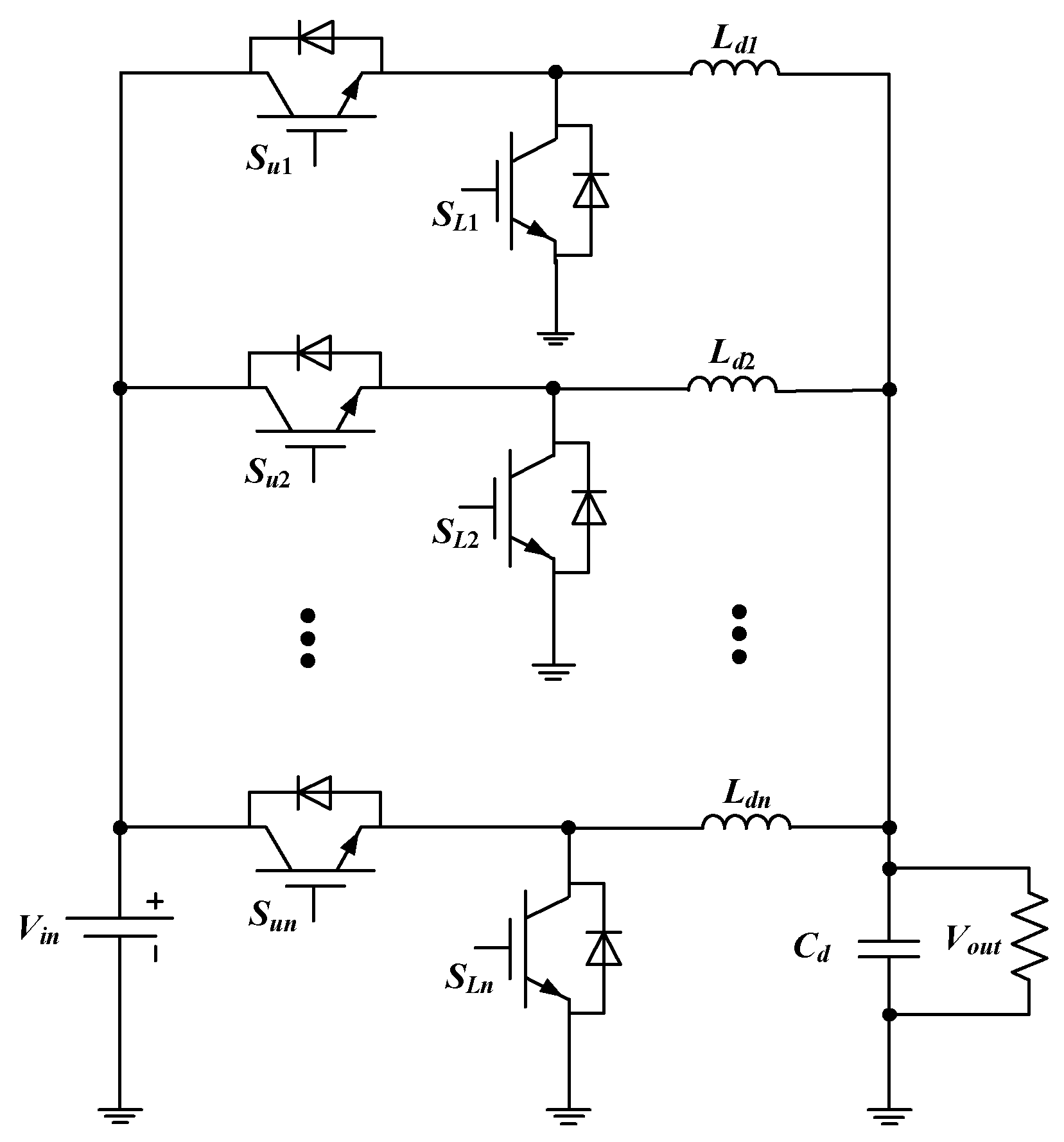
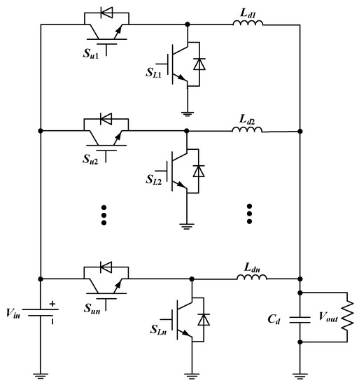
3. Multiple Legs Inverter for Dynamic WPT System
3.1. Characteristic of the Dynamic WPT System
3.2. The Multiple Legs Inverter for Dynamic WPT System
3.3. Simulation Verification
4. Reflected Load Identification for LCC Topology
4.1. Principle of the Identification Method
4.2. Simulation Verification
5. Power Control for the Proposed System
5.1. Design of Fuzzy Control DC-DC Converter
5.2. PSFB Control for Multiple Legs Inverter
6. Experimental Verification and Analysis
6.1. Experimental Verification
6.2. Cost Analysis
7. Conclusions
Author Contributions
Acknowledgments
Conflicts of Interest
References
- Düsterwald, H.G.; Günnewig, J.; Radtke, P. DRIVE-The future of automotive power: Fuel cells perspective. Fuel Cells 2007, 7, 183–189. [Google Scholar] [CrossRef]
- Tian, Y.; Chen, C.R.; Xia, B.Z.; Sun, W.; Xu, Z.H.; Zheng, W.W. An Adaptive Gain Nonlinear Observer for State of Charge Estimation of Lithium-Ion Batteries in Electric Vehicles. Energies 2014, 7, 5995–6012. [Google Scholar] [CrossRef]
- García-Vazquez, C.A.; Llorens-Iborra, F.; Fernandez-Ramírez, L.M.; Sanchez-Sainz, H.; Jurado, F. Comparative study of dynamic wireless charging of electric vehicles in motorway, highway and urban stretches. Energy 2017, 137, 42–57. [Google Scholar] [CrossRef]
- Rakhymbay, A.; Khamitov, A.; Bagheri, M.; Alimkhanuly, B.; Lu, M.; Phung, T. Precise Analysis on Mutual Inductance Variation in Dynamic Wireless Charging of Electric Vehicle. Energies 2018, 11, 624. [Google Scholar] [CrossRef]
- Jeong, S.; Jang, Y.J.; Kum, D. Economic analysis of the dynamic charging electric vehicle. IEEE Trans. Power Electron. 2015, 30, 6368–6377. [Google Scholar] [CrossRef]
- Suh, I.S.; Lee, M.; Kim, J.; Oh, S.T.; Won, J.P. Design and experimental analysis of an efficient HVAC (heating, ventilation, air-conditioning) system on an electric bus with dynamic on-road wireless charging. Energy 2015, 81, 262–273. [Google Scholar] [CrossRef]
- Yin, J.; Lin, D.; Lee, C.K.; Parisini, T.; Hui, S.Y. Front-end monitoring of multiple loads in wireless power transfer systems without wireless communication systems. IEEE Trans. Power Electron. 2016, 31, 2510–2517. [Google Scholar]
- Mai, R.K.; Li, H.C.; Liu, Y.R.; Zhou, K.Z.; Fu, L.; He, Z.Y. A Three-Phase Dynamic Wireless Charging System with Constant Output Voltage. Energies 2018, 11, 45. [Google Scholar] [CrossRef]
- Naberezhnykh, D.; Reed, N.; Ognissanto, F.; Theodoropoulos, T.; Bludszuweit, H. Operational requirements for dynamic wireless power transfer systems for electric vehicles. In Proceedings of the IEEE International Electric Vehicle Conference (IEVC), Florence, Italy, 17–19 December 2014; pp. 1–8. [Google Scholar]
- Marchukov, R.; Masotti, D.; Costanzo, A. Dynamic wireless power transfer by time-modulated arrays. In Proceedings of the IEEE Antennas and Propagation Society International Symposium (APS), Vancouver, BC, Canada, 19–24 July 2015; pp. 808–809. [Google Scholar]
- Sampath, J.P.K.; Vilathgamuwa, D.M.; Alphones, A. Efficiency enhancement for dynamic wireless power transfer system with segmented transmitter array. IEEE Trans. Transp. Electrification 2016, 2, 76–85. [Google Scholar] [CrossRef]
- Throngnumchai, K.; Hanamura, A.; Naruse, Y.; Takeda, K. Design and evaluation of a wireless power transfer system with road embedded transmitter coils for dynamic charging of electric vehicles. In Proceedings of the 27th World Electric Vehicle Symposium and Exhibition (EVS), Barcelona, Spain, 17–20 November 2013; pp. 1–10. [Google Scholar]
- Zhong, W.; Hui, S.Y.R. Auxiliary circuits for power flow control in multifrequency wireless power transfer systems with multiple receivers. IEEE Trans. Power Electron. 2015, 3, 5902–5910. [Google Scholar] [CrossRef]
- Vassis, D.; Kormentzas, G.; Rouskas, A.; Maglogiannis, I. The IEEE 802.11g Standard for High Data Rate WLANs. IEEE Netw. Mag. 2005, 19, 21–26. [Google Scholar] [CrossRef]
- Yoon, S.W.; Dang, T.S.; Lai, N.D.H.; Park, J.Y. Efficient Wi-Fi power amplifier LTCC module using a buck converter with a power inductor implemented in ferrite-filled PCB technology. IEEE Trans. Compon. Packag. Manuf. Technol. 2015, 5, 887–894. [Google Scholar] [CrossRef]
- Golsorkhi, M.; Lu, D.; Guerrero, J.A. GPS-based decentralized control method for islanded microgrids. IEEE Trans. Power Electron. 2017, 32, 1615–1625. [Google Scholar] [CrossRef]
- Kim, Y.J.; Ha, D.; Chappell, W.J.; Irazoqui, P.P. Selective wireless power transfer for smart power distribution in a miniature-sized multiple-receiver system. IEEE Trans. Ind. Electron. 2016, 63, 1853–1862. [Google Scholar] [CrossRef]
- Choi, B.H.; Thai, V.X.; Lee, E.S.; Kim, J.H.; Rim, C.T. Dipole-coil-based wide-range inductive power transfer systems for wireless sensors. IEEE Trans. Ind. Electron. 2016, 63, 3158–3167. [Google Scholar] [CrossRef]
- Abdolkhani, A.; Hu, A.P. Improved coupling design of contactless slipring for rotary applications. IEEE J. Emerg. Sel. Top. Power Electron. 2015, 3, 288–295. [Google Scholar] [CrossRef]
- Nagendra, G.R.; Covic, G.A.; Boys, J.T. Determining the physical size of inductive couplers for IPT EV systems. IEEE J. Emerg. Sel. Top. Power Electron. 2014, 2, 571–583. [Google Scholar] [CrossRef]
- Xiang, L.J.; Sun, Y.; Ye, Z.H.; Wang, Z.H.; Zhou, S.J. Combined primary coupler design and control for EV dynamic wireless charging system. In Proceedings of the 2016 IEEE PELS Workshop on Emerging Technologies: Wireless Power Transfer (WoW), Knoxville, TN, USA, 4–6 October 2016; pp. 174–179. [Google Scholar]
- Nagendra, G.R.; Boys, J.T.; Covic, G.A.; Riar, B.S.; Sondhi, A. Design of a double coupled IPT EV highway. In Proceedings of the 39th Annual Conference of the IEEE Industrial Electronics Society, Vienna, Austria, 10–13 November 2013; pp. 4606–4611. [Google Scholar]
- Choi, S.Y.; Huh, J.; Lee, W.Y.; Rim, C.T. Asymmetric coil sets for wireless stationary EV chargers with large lateral tolerance by dominant field analysis. IEEE Trans. Power Electron. 2014, 29, 6406–6420. [Google Scholar] [CrossRef]
- Ye, Z.H.; Sun, Y.; Dai, X.; Tang, C.S.; Wang, Z.H.; Su, Y.G. Energy efficiency analysis of u-coil wireless power transfer system. IEEE Trans. Power Electron. 2016, 31, 4809–4817. [Google Scholar] [CrossRef]
- Li, S.Q.; Li, W.H.; Deng, J.J.; Nguyen, T.D.; Mi, C.C. A double-sided LCC compensation network and its tuning method for wireless power transfer. IEEE Trans. Veh. Technol. 2015, 64, 2261–2273. [Google Scholar] [CrossRef]
- Zhu, Q.W.; Wang, L.F.; Guo, Y.J.; Liao, C.L.; Li, F. Applying LCC compensation network to dynamic wireless EV charging system. IEEE Trans. Ind. Electron. 2016, 63, 6557–6567. [Google Scholar] [CrossRef]
- Zhang, X.; Lai, Z.Y.; Xiong, R.; Li, Z.; Zhang, Z.L.; Song, L. Switching Device Dead Time Optimization of Resonant Double-Sided LCC Wireless Charging System for Electric Vehicles. Energies 2017, 10, 1772. [Google Scholar] [CrossRef]
- Deng, J.J.; Pang, B.; Shi, W.L.; Wang, Z.P. A new integration method with minimized extra coupling effects using inductor and capacitor series-parallel compensation for wireless EV charger. Appl. Energy 2017, 207, 405–416. [Google Scholar] [CrossRef]
- Miller, J.M.; Jones, P.T.; Li, J.M.; Onar, O.C. ORNL experience and challenges facing dynamic wireless power charging of EV’s. IEEE Circuits Syst. Mag. 2015, 15, 40–53. [Google Scholar] [CrossRef]
- Li, W.H.; Zhao, H.; Deng, J.J.; Li, S.Q.; Mi, C.C. Comparison study on SS and double-sided LCC compensation topologies for EV/PHEV wireless chargers. IEEE Trans. Veh. Technol. 2016, 65, 4429–4439. [Google Scholar] [CrossRef]
- Kim, Y.G.; Lim, Y.; Yun, S.; Nam, S. Mutual coupling analysis of antennas in layered media through equivalent sources for wireless power transfer. In Proceedings of the 2014 USNC-URSI Radio Science Meeting (Joint with AP-S Symposium) (USNC-URSI), Memphis, TN, USA, 6–11 July 2014; p. 115. [Google Scholar]
- Su, Y.P.; Liu, X.; Hui, S.Y.R. Mutual inductance calculation of movable planar coils on parallel surfaces. IEEE Trans. Power Electron. 2004, 24, 1115–1123. [Google Scholar] [CrossRef]
- Pevere, A.; Petrella, R.; Mi, C.C.; Zhou, S.J. Design of a high efficiency 22 kW wireless power transfer system for EVs fast contactless charging stations. In Proceedings of the 2014 IEEE International Electric Vehicle Conference, Florence, Italy, 17–19 December 2014; pp. 1–7. [Google Scholar]
- Muralidharan, G.P.; Bhaskarar, K. Interleaved Synchronous Buck Converter with High Conversion Ratio and Voltage Regulation. In Proceedings of the 2015 International Conference on Circuit, Power and Computing Technologies (ICCPCT), Nagercoil, India, 19–20 March 2015; p. 7159339. [Google Scholar]
- Debbou, M.; Colet, F. Interleaved DC/DC Charger for Wireless Power Transfer. In Proceedings of the 2017 IEEE International Conference on Industrial Technology (ICIT), Toronto, ON, Canada, 22–25 March 2017; pp. 1555–1560. [Google Scholar]
- Patil, B.U.; Jagtap, S.R. Adaptive Fuzzy Logic Controller for Buck Converter. In Proceedings of the 2015 International Conference on Computation of Power, Energy Information and Communication (ICCPEIC), Chennai, India, 22–23 April 2015; pp. 78–82. [Google Scholar]
- Hao, H.; Covic, G.A.; Boys, J.T. An approximate dynamic model of LCL-T-based inductive power transfer power supplies. IEEE Trans. Power Electron. 2014, 29, 5554–5567. [Google Scholar] [CrossRef]
- Budhia, M.; Boys, J.T.; Covic, G.A.; Huang, C.Y. Development of a single-sided flux magnetic coupler for electric vehicle IPT charging systems. IEEE Trans. Ind. Electron. 2013, 60, 318–328. [Google Scholar] [CrossRef]

















| eu′(k)/Δeu′(k) | NB | NS | ZE | PS | PB |
|---|---|---|---|---|---|
| NB | NB | NB | NB | NS | ZE |
| NS | NB | NB | NS | ZE | PS |
| ZE | NB | NS | ZE | PS | PB |
| PS | NS | ZE | PS | PB | PB |
| PB | ZE | PS | PB | PB | PB |
| Parameters | Values | Parameters | Values |
|---|---|---|---|
| Uin | 600 V (DC) | f | 85 kHz |
| Cs | 15.8 nF | Ls | 264.2 μH |
| Lsf | 42.3 μH | Csf | 82.9 nF |
| DD coils size | 400 mm × 450 mm | Battery nominal voltage | 330 V |
| Litz wire | AWG38×800 | Maligned | 85.6 μH |
| Buck inductors | 132 μH | Distance | 10 cm |
| Parameters | Values |
|---|---|
| Lfi (i = 1, 2, 3) | 42.5 μH, 42.7 μH, 42.2 μH |
| Cfi (i = 1, 2, 3) | 82.5 nF, 82.1 nF, 83.1 nF |
| Lpi (i = 1, 2, 3) | 255.2 μH, 257.3 μH, 259.6 μH |
| Cpi (i = 1, 2, 3) | 16.5 nF, 16.3 nF, 16.1 nF |
| rLpi (i = 1, 2, 3) | 0.02 ohm |
| Items | Conventional Scheme | Proposed Scheme | ||
|---|---|---|---|---|
| Unit Price ($) | Quantity Demand | Unit Price ($) | Quantity Demand | |
| Primary DC-DC converter and driver | 800 | 30 | 800 | 1 |
| Secondary DC-DC converter | 800 | 1 | - | 0 |
| Inverter MOSFETs | 40 | 4 × 30 = 120 | 40 | 2 + 30 × 2 = 62 |
| Inverter isolated gate driver channels | 25 | 4 × 30 = 120 | 25 | 2 + 30 × 2 = 62 |
| Position detector | 150 | 30 | - | 0 |
| Wireless communication | 20 | 30 | 20 | 1 |
| Speed sensor | 50 | 30 | - | 0 |
| Central control board | 300 | 30 | 800 | 1 |
| Electrical case | 150 | 30 | 800 | 1 |
| Total cost | $31,100 | $6750 | ||
© 2018 by the authors. Licensee MDPI, Basel, Switzerland. This article is an open access article distributed under the terms and conditions of the Creative Commons Attribution (CC BY) license (http://creativecommons.org/licenses/by/4.0/).
Share and Cite
Tian, Y.; Tian, J.; Li, D.; Zhou, S. A Multiple Legs Inverter with Real Time–Reflected Load Detection Used in the Dynamic Wireless Charging System of Electric Vehicles. Energies 2018, 11, 1275. https://doi.org/10.3390/en11051275
Tian Y, Tian J, Li D, Zhou S. A Multiple Legs Inverter with Real Time–Reflected Load Detection Used in the Dynamic Wireless Charging System of Electric Vehicles. Energies. 2018; 11(5):1275. https://doi.org/10.3390/en11051275
Chicago/Turabian StyleTian, Yong, Jindong Tian, Dong Li, and Shijie Zhou. 2018. "A Multiple Legs Inverter with Real Time–Reflected Load Detection Used in the Dynamic Wireless Charging System of Electric Vehicles" Energies 11, no. 5: 1275. https://doi.org/10.3390/en11051275
APA StyleTian, Y., Tian, J., Li, D., & Zhou, S. (2018). A Multiple Legs Inverter with Real Time–Reflected Load Detection Used in the Dynamic Wireless Charging System of Electric Vehicles. Energies, 11(5), 1275. https://doi.org/10.3390/en11051275
