Next Article in Journal
Triple Line-Voltage Cascaded VIENNA Converter Applied as the Medium-Voltage AC Drive
Previous Article in Journal
Numerical Study on the Effect of Distribution Plates in the Manifolds on the Flow Distribution and Thermal Performance of a Flat Plate Solar Collector
 
 
Font Type:
Arial Georgia Verdana
Font Size:
Aa Aa Aa
Line Spacing:
Column Width:
Background:
Article

Investigation of a Resonant dc–dc Converter for Light Rail Transportation Applications

Department of Electrical Engineering, National Yunlin University of Science and Technology, Yunlin 640, Taiwan
Energies 2018, 11(5), 1078; https://doi.org/10.3390/en11051078
Submission received: 10 April 2018 / Revised: 20 April 2018 / Accepted: 24 April 2018 / Published: 27 April 2018

Abstract

:
A high efficiency dc–dc converter is studied for light rail transportation applications on DC microgrid systems. The adopted structure includes two series-connected resonant circuits with single isolated transformer from input 750 V to output 48 V. Two half-bridge resonant circuits and one voltage balance capacitor are used to reduce voltage rating of active devices and to realize split voltages balance. Two series resonant circuits are connected with input-series by single transformer to reduce primary root-mean-square currents. Therefore, power devices with low voltage rating are selected in studied circuit to reduce power loss on sower devices and transformer winding of the isolated transformer. Frequency control approach is adopted to adjust load voltage under different voltage condition and current variations. Since the equivalent resonant tank of the studied circuit is activated under inductive load, active devices are easily operated at zero-voltage switching over wide voltage and current operation range. The feasibility of the studied circuit has been verified with a 1 kW prototype.

1. Introduction

Renewable clean energy sources, wind energy, and solar photovoltaic (PV) energy, have been developed and researched to produce the clean energy to overcome the exhaustion of fossil fuels and electric vehicles and hybrid electric vehicles are developing to reduce environmental pollution and climbing temperature issues. Direct current (dc) microgrid systems have developed in order to incorporate energy storage systems, PV power, wind power, utility systems, local residential homes, and industrial factories with a common dc voltage. The dc bus voltage on the dc microgrid system can be 1500, 750, or 380 V for traction system, light rail transit, or residential building applications. Power transformers are widely employed to provide electrical isolation and voltage conversion levels. However, line frequency transformer [1,2] has a bulky size especially at traction and light rail applications. A high-performance dc–dc converter with high frequency and galvanic isolation is demanded as the interface between dc bus voltage and output voltage in light rail transportation vehicles. To prevent using low frequency transformer in traction and light rail applications, one possible solution is the transformerless converters [3,4,5,6] with series-parallel combination to reduce semiconductor blocking-voltage capability and current rating. The high frequency transformers are used in transformerless topologies to achieve electrical insulation demand. Conventional full-bridge dc–dc circuits use the insulated gate bipolar transistors (IGBT) devices with 1200 V voltage rating for high input voltage applications. Three-level converters [7,8,9] based on high frequency Metal-Oxide-Semiconductor Field-Effect Transistor (MOSFET) power semiconductors were widely used in modern power converters to overcome low frequency problem of IGBT-based full-bridge converters. Soft switching dc–dc converters [10,11,12,13] have been studied and presented to realize high efficiency power circuits. Phase-shift duty-cycle controls have been successfully used in full-bridge dc–dc converters to have the benefits of no switching loss at heavy load and low switching losses at light load. However, the low circuit efficiency and high circulating current loss at light load are the main disadvantages. Half-bridge resonant converters have the benefits of no switching loss for all power active devices and low reverse recovery loss for fast recovery diodes. However, half-bridge resonant converters are difficult to apply in high voltage input products. Full-bridge multilevel resonant circuit [13] was proposed to lessen voltage rating of power semiconductors and realize high efficiency converter. However, the control strategy is very difficult to implement using the general commercial integrated circuit with cost issue.
This paper studies a cascade resonant dc–dc circuit with a transformer for dc transportation vehicles. Due to series connection of two resonant circuits at input side, power semiconductors with low blocking-voltage and low turn-on resistance MOSFETs instead of Insulated Gate Bipolar Transistors (IGBTs) can be adopted to decrease conduction losses and lessen voltage rating of power active devices. Two half-bridge circuits are controlled with frequency modulation. The adopted series-connected resonant converter is operated under inductive load. Therefore, power active devices can be easily turned on under zero-voltage and fast recovery diodes are turned off under zero-current without reverse recovery current loss. Two half-bridge resonant circuits use the sane isolated transformer to lessen primary root-mean-square currents and conduction losses on active devices. The circuit schematic and system analysis are discussed in Section 2. The converter characteristics in steady state, design procedure and test results are discussed and presented in Section 3, followed by the conclusions.

2. Proposed Circuit and System Operation

The simplified circuit blocks in a dc microgrid system are shown in Figure 1 to combine clean energy sources, energy storage systems, utility systems, residential loads, and industrial applications. Ac–dc converters with bidirectional power flow are adopted between utility power and dc microgrid. Bidirectional dc–dc converter is adopted between dc microgrid and energy/power storage systems. For residential or commercial loads, unidirectional dc–dc converter or dc to ac converter is adopted to supply low dc voltage output or ac voltage output. The dc bus voltage in dc microgrid systems supplies 1500 V or 750 V for dc transportation systems and 380 V for local residential houses and industry factories. This study focused on dc–dc power converters for light rail transit systems. The dc microgrid for light rail applications is shown in Figure 2a. The input voltage 750 Vdc is supplied from dc microgrid to conductor rail for power demand in each transportation vehicle. The simplified circuit diagrams of the distributed power in conventional transportation vehicles and trams. A dc– ac inverter is first used to convert input dc voltage into three-phase ac voltage. Second, an ac–dc converter converts ac voltage into low dc voltage for auxiliary power demand and an ac–dc–ac converter is adopted for ac motor drive. Figure 2c shows the distributed power in the studied light rail transportation system. In this system, a dc–dc converter is directly converting 750 V voltage to supply auxiliary power in transportation vehicles. The dc–ac converters are adopted to drive AC motor and air and refrigerant compressors. In this way, the ac–dc converters are not necessary.
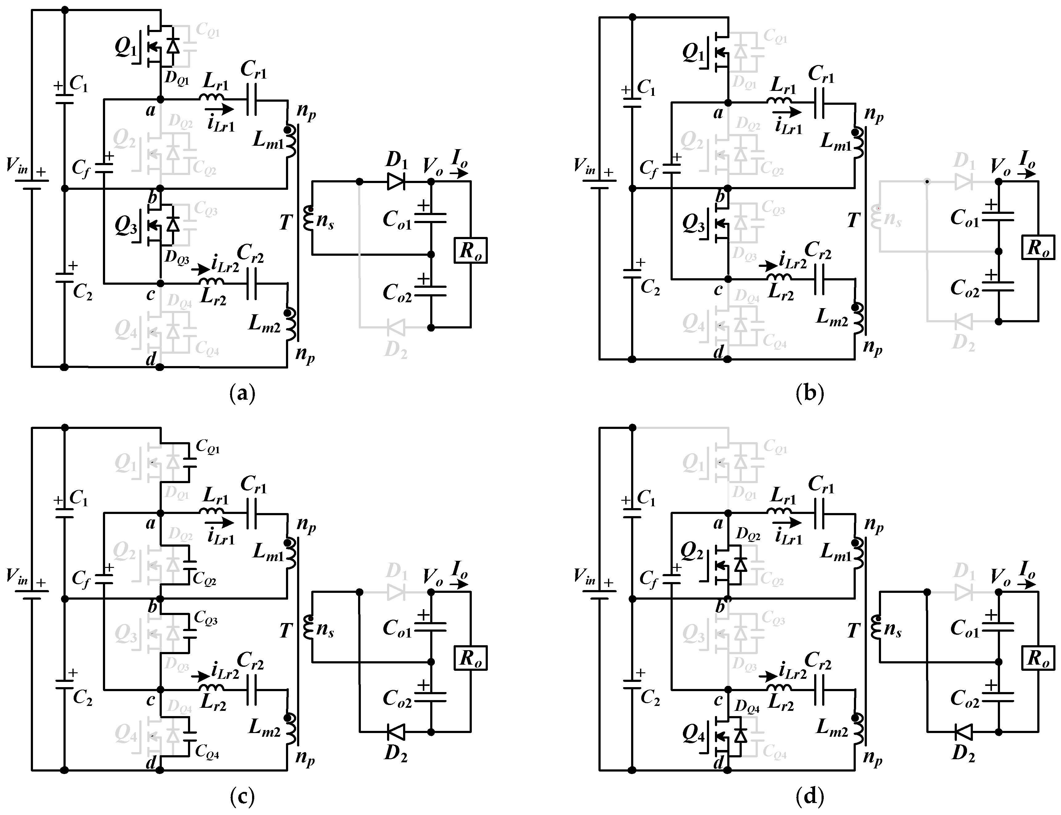
The circuit schematic of the developed converter for auxiliary circuit in light rail transportation system is given in Figure 3. Two half-bridge circuits by input-series output-parallel connected transformer is used in the studied converter. Since two resonant circuits are series connection, the voltage rating of power devices Q1~Q4 is reduced. The low turn-on resistance and high frequency operation of power semiconductors such as MOSFETs are selected to decrease conduction losses and reduce converter size. A voltage balance capacitor Cf is adopted in order to balance VC1 and VC2. The resonant tanks (Lr1, Cr1, and Lm1) and (Lr2, Cr2, and Lm2) are resonant to help power active devices with zero-voltage switching and fast recovery diodes with zero-current switching. Thus, the power losses are reduced in the studied circuit. The driving signals of half-bridge circuits are based on frequency modulation to adjust AC voltage gain and to operate at inductive load. Figure 4 illustrates the main current and voltage signals in the studied circuit. The converter operation are based on the assumptions: (1) output capacitors Co1 and Co2 are larger enough to treat as the constant voltages; (2) Q1~Q4, D1 and D2 are all ideal; (3) Cr1 = Cr2, Lr1 = Lr2, and Lm1 = Lm2; (4) VC1 = VC2; and (5) the resonant tanks are operated at inductive load. Figure 5 demonstrates the topological circuits according to the conducting states of power devices under fsw (switching frequency) < fr (series resonant frequency). If fsw > fr, then only modes 1, 3, 4, and 6 are operated in this region.
Mode 1 [t0~t1]: The voltages of CQ1 and CQ3 are reduced to zero at t0. Then, the body diodes DQ1 and DQ3 conduct. Thus, Q1 and Q3 can be turned on to achieve zero voltage. In mode 1, Q1, Q3, and D1 conduct and VC1 = VCf. The primary voltages vns = VCo1 = Vo/2 and the primary voltages vnp = (np/ns)Vo/2 = nVo/2. Therefore, the slope of the magnetizing currents, diLm1/dt and diLm2/dt, increases with nVo/(2Lm), where Lm = Lm1 = Lm2. The relationships of the primary currents and the secondary current are n(iLr1 + iLr2iLm1iLm2) = iD1. Since Cr1 = Cr2, Lr1 = Lr2, Lm1 = Lm2 and VC1 = VC2, it can obtain iLm1 = iLm2 and iLr1 = iLr2 = iD1/(2n) + iLm. In this mode, (Lr1 and Cr1) and (Lr2 and Cr2) are resonant with Cr = Cr1 = Cr2 and Lr = Lr1 = Lr2.
v C r 1 ( t ) = v C r 2 ( t ) = v C r ( t ) = [ V i n / 2 n V o / 2 ] [ 1 cos ω r ( t t 0 ) ] + v C r ( t 0 ) cos ω r ( t t 0 )   + i L r ( t 0 ) Z r sin ω r ( t t 0 )
i L r 1 ( t ) = i L r 2 ( t ) = i L r ( t ) = [ V i n / 2 n V o / 2 v C r ( t 0 ) ] sin ω r ( t t 0 ) Z r + i L r ( t 0 ) cos ω r ( t t 0 )
where f r = 1 / 2 π L r C r , Z r = L r / C r , vCr = vCr1 = vCr2 and iLr = iLr1 = iLr2. When the magnetizing currents iLm1 and iLm2 increase and equal iLr1 and iLr2 at time t1. Diode D1 becomes reverse biased.
Mode 2 [t1~t2]: At t1, iD1 = 0 and D1 is reverse biased. iLr1 flows through C1, Q1, Lr1, Cr1, and Lm1, and iLr2 flows through C2, Q3, Lr2, Cr2, and Lm2. Since C1 >> Cr1 and C2 >> Cr2, Lr1, Cr1 and Lm1 are resonant, and Lr2, Cr2, and Lm2 are resonant.
v C r 1 ( t ) = v C r 2 ( t ) = v C r ( t ) = V i n [ 1 cos ω p ( t t 1 ) ] / 2 + v C r ( t 1 ) cos ω p ( t t 1 ) + i L r ( t 1 ) Z p sin ω p ( t t 1 )
i L r 1 ( t ) = i L r 2 ( t ) = i L r ( t ) = [ V i n / 2 v C r ( t 1 ) ] sin ω p ( t t 1 ) Z p + i L r ( t 1 ) cos ω p ( t t 1 )
where Z p = ( L m + L r ) / C r and ω p = 1 / ( L m + L r ) C r .
Mode 3 [t2~t3]: At t3, active devices Q1 and Q3 turn off. iLr1(t2) will charge CQ1 and discharge CQ2, and iLr1(t2) will charge CQ3 and discharge CQ4. During this time interval, D2 conducts and vLm1 = vLm2 = −nVo/2. Since CQ1~CQ4 are so small, the time interval is neglected and iLr1 and iLr2 are considered constant.
Mode 4 [t3~t4]: This mode starts at t3 if vCQ1 = vC1, vCQ3 = vC2 and vCQ2 = vCQ4 = 0. Due to iLr1(t3) > 0 and iLr2(t3) > 0, DQ2 and DQ4 conduct. Therefore, active devices Q2 and Q4 turn on after t3 to have the characteristic of zero voltage turn-on operation. In this mode, vCf = VC2. Since D2 is forward biased, vLm1 = vLm2 = −nVo/2 so that iLm1 and iLm2 decreases. vCr1, vCr2, iLr1, and iLr2 in mode 4 are calculated in (5) and (6).
v C r 1 ( t ) = v C r 2 ( t ) = v C r ( t ) = n V o [ 1 cos ω r ( t t 3 ) ] + v C r ( t 3 ) cos ω r ( t t 3 ) + i L r ( t 3 ) Z r sin ω r ( t t 3 )
i L r 1 ( t ) = i L r 2 ( t ) = i L r ( t ) = [ n V o v C r ( t 3 ) ] sin ω r ( t t 3 ) Z r + i L r ( t 3 ) cos ω r ( t t 3 )
When iLm1 = iLr1 and iLr2 = iLm2 at time t4. Diode D2 is reverse biased.
Mode 5 [t4t < t5]: After t4, D2 is reverse biased and vCf = VC2. iLr1 flows through Q2, Lr1, Cr1, and Lm1, and iLr2 flows through Q4, Lr2, Cr2; Lm2. Lr1, Cr1, and Lm1 are resonant; and Lr2, Cr2, and Lm2 are resonant.
Mode 6 [t5 ≤ t < t0]: Q2 and Q4 turn off at time t5. iLr1(t5) will charge CQ2 and discharge CQ1, and iLr1(t5) will charge CQ4 and discharge CQ3. Since D1 is forward biased, vLm1 = vLm2 = nVo/2. At t0, vCQ1 = vCQ3 = 0.

3. Circuit Characteristics, Design Example, and Test Results

If active devices Q1 and Q3 conduct as shown in Figure 6a, it obtains vCf = VC1. If VC1 is greater (or less) than VC2, then C1 will charge (or discharge) Cf via active devices Q1 and Q3. In a similar way, vCf is equal to VC2 if active devices Q2 and Q4 conduct as shown in Figure 6b. If VC1 is greater (or less) then VC2, Cf will charge (or discharge) C2 via active devices Q2 and Q4. Therefore, VC1 and VC2 are controlled to be balanced at Vin/2. Fundamental frequency analysis is selected to analyze the transfer function of the studied circuit. The primary inductor voltages vLm1 = vLm2 = nVo/2. According to fundamental harmonic frequency analysis, the equivalent ac resistance is calculated in (7).
R a c = R a c , 1 = R a c , 2 = 4 n 2 π 2 R o
Based on the voltage divider of the resonant tank by Cr1, Lr1, Lm1, and Rac1, the voltage gain of the resonant circuit is calculated in (8).
| G a c ( f ) | = 1 [ 1 + 1 m ( 1 f r 2 f s w 2 ) ] 2 + Q 2 ( f s w f r f r f s w ) 2
where m = Lm/Lr and Q = L r / C r / R a c .
The electrical specifications of the proposed circuit in a laboratory prototype are: Vin = 750 V~800 V, Vo = 48 V, Io,max = 21 A, and series resonant frequency fr = 100 kHz. The unity DC gain of resonant circuit is designed at Vin = 800 V. The turn-ratio of T is expressed in (9).
n = V i n , max 2 V o = 800 2 × 48 8.33
The magnetic core TDK EER-42 (TDK Corporation, Tokyo, Japan) with Ae = 1.94 cm2 is selected for transformer with np = 25 turns and ns = 3 turns. Then the maximum DC voltage gain at Vin = 750 V is obtained in (10).
G d c , max = 2 n V o V i n , min = 2 × 8.33 × 48 750 1.066
From (7), Rac under full load is derived in (11).
R a c = 4 n 2 π 2 R o , r a t e d = 4 × 8 . 33 2 π 2 × 48 21 64.28 Ω
The selected inductor ratio m = Lm/Lr = 10 and quality factor Q = 0.3. From the given Q = 0.3 at full load and fr = 100 kHz, the series resonant inductors and resonant capacitors are obtained in (12) and (13).
L r 1 = L r 2 = R a c Q 2 π f r = 64.28 × 0.3 2 π × 100,000 31 μ H
C r 1 = C r 2 = 1 4 π 2 L r f r 2 = 1 4 π 2 × 57 × 10 6 × ( 100,000 ) 2 82 n F
The magnetizing inductances Lm1 and Lm2 are obtained in (14).
L m 1 = L m 2 = m × L r = 10 × 31 = 310 μ H
The current and voltage ratings of Cr1 and Cr2 are obtained in (15) and (16).
i C r 1 , r m s = i C r 2 , r m s = ( π I o , max 2 n 2 ) 2 + ( n V o / 2 4 3 L m 1 f r ) 2 2.95 A
v C r 1 , max = v C r 2 , max = V i n , max / 2 + 2 i C r , r m s / ( 2 π f r C r ) 281 V
The average current and voltage ratings of fast recovery diodes are expressed in (17) and (18).
i D 1 , a v = i D 2 , a v = I o / 2 = 10.5 A
v D 1 , s t r e s s = v D 2 , s t r e s s = V o = 48 V
Diodes MBR40200PT are selected for D1 and D2 in the studied converter. The voltage rating of Q1~Q4 equals Vin/2 = 400 V. MOSFETs G20N50C (Vishay Dale Electronics Inc., Pennsylvania, USA) with 500 V voltage stress instead of 1200 V IGBT are used for Q1~Q4. The other capacitors C1 = C2 = 220 μF, Cf = 2.2 μF, and Co1 = Co2 = 2200 μF. A type 2 voltage controller with a shunt voltage regulator based on the TL431 and a photocoupler based on PC817 are used to achieve output voltage control. The frequency control IC with Texas Instruments UCC25600 is selected to control Q1~Q4.
A 1 kW circuit was built and the test results are demonstrated to show the performance of the studied converter. The circuit components of the proposed circuit are obtained from previous section. Figure 7a gives the photograph of the proposed prototype and Figure 7b gives the block diagram of the experimental circuit model. The test waveforms shown in Figure 8, Figure 9, Figure 10, Figure 11, Figure 12 and Figure 13 of the converter is supplying 1 kW of output power under Vin = 750 V. The PWM signals of Q1~Q4 of 50% load and 100% load are shown in Figure 8. The switching frequency at 100% load is less than the frequency at 50% load. Figure 9 demonstrates the measured waveforms of VC1, VC2, and VCf at 50% load and 100% load. The test experimental waveforms of VC1, VC2, and VCf are balanced. Figure 10 gives the test waveforms of vCr1, vCr2, iLr1, and iLr2 at 50% and 100% loads. The test results show that vCr1 and vCr2 are balanced and iLr1 and iLr2 are balanced. Figure 11 demonstrates the measured iD1, iD2, iD1 + iD2 and Vo at 50% and 100% loads. It is observed that the zero-current turn-off of D1 and D2 are realized. Figure 12 demonstrates the measured voltage and current of Q1~Q4 at 20% load. It can observe that CQ is discharged to zero voltage before switch Q is active. It can also observe that the voltage stress of each active devices is equal to Vin/2 = 375 V instead of Vin = 750 V. Since power devices with low voltage stress are used in the studied converter, the conduction losses due to turn-on resistance of MOSFETs are reduced. Therefore, the power losses on power devices are improved. Figure 13a the measured circuit efficiencies of the proposed converter and the conventional three-level phase-shift PWM converter with the same power devices, capacitors, and core size as the proposed converter. This three-level PWM converter have been built in the laboratory for many years to study high input voltage applications. The circuit efficiencies of the proposed converter from 92.3% (at 20% load) to 95.4% (at 75% load) under 750 V input. The measured circuit efficiencies of the conventional three-level PWM converter are from 90% (at 20% load) to 92% (at 75% load). It is clear that the proposed converter has better circuit efficiency. The main reasons of the low circuit efficiency of the conventional three-level PWM converter are high duty loss on heavy load (75% load and 100% load) and high switching frequency at light load (20% load). However, the switching loss on the proposed converter from low load to full load can be removed due to resonant behavior. Figure 13b gives the measured circuit efficiencies and the frequency range is from 62 kHz to 78 kHz at 750 V input and from 95 kHz to 123 kHz at 800 V input case.

4. Conclusions

A cascade resonant circuit with a single isolated transformer feasible to transportation vehicle applications is studied and presented in this paper. The circuit schematic, principles of operation and design procedure of the developed circuit are provided and discussed. Although the high voltage 1200 V SiC (Silicon Carbide) MOSFETs can be used on phase-shift full-bridge converter, the narrow ZVS range of lagging-leg switches will result in low circuit efficiency at low load. The cost of 1200 V SiC MOSFETs is main drawback to implement power products with low cost and high quality power supply. Therefore, lots of three-level circuit topologies are still developing to overcome the high voltage input issue. The benefits of the adopted circuit are low voltage rating of power semiconductor devices, less power loss, and better efficiency. Finally, the practicability of the adopted power converter are demonstrated from a laboratory circuit under 1 kW rated power.

Author Contributions

B.R. Lin designed the main parts of the project and was also responsible for writing the paper.

Acknowledgments

This study is funding by the Ministry of Science and Technology, Taiwan, under contract MOST 105-2221-E-224-043-MY2. Author thanks Guan-Yi Wu for his help to build the circuit and measured the experimental waveforms.

Conflicts of Interest

The author declares no potential conflict of interest.

References

  1. Barrero, R.; Mierlo, J.V.; Tackoen, X. Energy saving in public transport. IEEE Veh. Technol. Mag. 2008, 3, 26–36. [Google Scholar] [CrossRef]
  2. Chaudhary, P.; Samanta, S.; Sesarma, P. Input-series-output-parallel-connected buck rectifiers for high-voltage applications. IEEE Trans. Ind. Electron. 2015, 62, 193–202. [Google Scholar] [CrossRef]
  3. Chua, T.Z.Y.; Ong, Y.T.; Toh, C.L. Transformerless DC traction power conversion system design for light-rail-transit (LRT). In Proceedings of the IEEE Conference on Energy Conversion (CENCON), Kuala Lumpur, Malaysia, 30–31 October 2017; pp. 38–43. [Google Scholar]
  4. Akagi, H. Classification, terminology, and application of the modular multilevel cascade converter (MMCC). IEEE Trans. Power Electron. 2011, 26, 3119–3130. [Google Scholar] [CrossRef]
  5. Lee, J.P.; Min, B.D.; Kim, T.J.; Yoo, D.W.; Yoo, J.Y. Input-Series-Output-Parallel Connected DC/DC Converter for a Photovoltaic PCS with High Efficiency under a Wide Load Range. J. Power Electron. 2010, 10, 9–13. [Google Scholar] [CrossRef]
  6. Tao, X.; Li, Y.; Sun, M. A pi-based control scheme for primary cascaded H-bridge rectifier in transformerless traction converters. In Proceedings of the International Conference on Electrical Machines and Systems (ICEMS), Incheon, South Korea, 10–13 October 2010; pp. 824–828. [Google Scholar]
  7. Liu, W.; Jin, H.; Yao, W.; Lu, Z. An interleaved PWM method with voltage-balancing ability for half-bridge three-level converter. IEEE Trans. Power Electron. 2018, 33, 4594–4598. [Google Scholar] [CrossRef]
  8. Lin, B.R. Interleaved zero-voltage switching three-level converter with less output inductor counts. IET Proc. Power Electron. 2017, 10, 707–716. [Google Scholar] [CrossRef]
  9. Song, W.; Ma, J.; Zhou, L.; Feng, X. Deadbeat predictive power control of single-phase three-level neutral-point-clamped converters using space-vector modulation for electric railway traction. IEEE Trans. Power Electron. 2016, 31, 721–732. [Google Scholar] [CrossRef]
  10. Mallik, A.; Khaligh, A. Variable-switching-frequency state-feedback control of a phase-shifted full-bridge dc/dc converter. IEEE Trans. Power Electron. 2017, 32, 6523–6531. [Google Scholar] [CrossRef]
  11. Kim, J.W.; Kim, D.Y.; Kim, C.E.; Moon, G.W. A simple switching control technique for improving light load efficiency in a phase-shifted full-bridge converter with a server power system. IEEE Trans. Power Electron. 2014, 29, 1562–1566. [Google Scholar] [CrossRef]
  12. Kundu, U.; Pant, B.; Sikder, S.; Kumar, A.; Sensarma, P. Frequency domain analysis and optimal design of isolated bidirectional series resonant converter. IEEE Trans. Ind. Appl. 2018, 54, 356–366. [Google Scholar] [CrossRef]
  13. Hiroyuki, H.; Kurokawa, F. Modulation method of a full-bridge three-level LLC resonant converterfor battery charger of electrical vehicles. IEEE Trans. Power Electron. 2017, 32, 2498–2507. [Google Scholar]
Figure 1. Simplified circuit schematic of a dc microgrid system.
Figure 1. Simplified circuit schematic of a dc microgrid system.
Energies 11 01078 g001
Figure 2. Basic blocks of light rail transportation vehicle (a) light rail vehicle; (b) distributed power in conventional vehicle; (c) distributed power in the studied case.
Figure 2. Basic blocks of light rail transportation vehicle (a) light rail vehicle; (b) distributed power in conventional vehicle; (c) distributed power in the studied case.
Energies 11 01078 g002
Figure 3. Proposed circuit schematic.
Figure 3. Proposed circuit schematic.
Energies 11 01078 g003
Figure 4. Basic circuit waveforms of the studied cascade resonant dc–dc converter.
Figure 4. Basic circuit waveforms of the studied cascade resonant dc–dc converter.
Energies 11 01078 g004
Figure 5. Equivalent circuits (a) mode 1; (b) mode 2; (c) mode 3; (d) mode 4; (e) mode 5; (f) mode 6.
Figure 5. Equivalent circuits (a) mode 1; (b) mode 2; (c) mode 3; (d) mode 4; (e) mode 5; (f) mode 6.
Energies 11 01078 g005aEnergies 11 01078 g005b
Figure 6. Voltage-balancing by flying capacitor (a) Q1 and Q3 on (b) Q2 and Q4 on.
Figure 6. Voltage-balancing by flying capacitor (a) Q1 and Q3 on (b) Q2 and Q4 on.
Energies 11 01078 g006
Figure 7. Proposed prototype circuit (a) photograph and (b) block diagram.
Figure 7. Proposed prototype circuit (a) photograph and (b) block diagram.
Energies 11 01078 g007
Figure 8. Test results of vQ1,g~vQ4,g at (a) 50% power and (b) rated power.
Figure 8. Test results of vQ1,g~vQ4,g at (a) 50% power and (b) rated power.
Energies 11 01078 g008
Figure 9. Experimental waveforms of VC1, VC2, and VCf (a) at 50% power and (b) rated power.
Figure 9. Experimental waveforms of VC1, VC2, and VCf (a) at 50% power and (b) rated power.
Energies 11 01078 g009
Figure 10. Experimental waveforms of vCr1, vCr2, iLr1, and iLr2 (a) at 50% power and (b) rated power.
Figure 10. Experimental waveforms of vCr1, vCr2, iLr1, and iLr2 (a) at 50% power and (b) rated power.
Energies 11 01078 g010
Figure 11. Test waveforms of diode currents and output voltage (a) at 50% power and (b) rated power.
Figure 11. Test waveforms of diode currents and output voltage (a) at 50% power and (b) rated power.
Energies 11 01078 g011
Figure 12. Commutation of switches Q1~Q4 under 20% load (a) Q1; (b) Q2; (c) Q3; (d) Q4.
Figure 12. Commutation of switches Q1~Q4 under 20% load (a) Q1; (b) Q2; (c) Q3; (d) Q4.
Energies 11 01078 g012
Figure 13. Test results (a) circuit efficiency compared to the conventional three-level PWM converter; (b) switching frequency.
Figure 13. Test results (a) circuit efficiency compared to the conventional three-level PWM converter; (b) switching frequency.
Energies 11 01078 g013

Share and Cite

MDPI and ACS Style

Lin, B.-R. Investigation of a Resonant dc–dc Converter for Light Rail Transportation Applications. Energies 2018, 11, 1078. https://doi.org/10.3390/en11051078

AMA Style

Lin B-R. Investigation of a Resonant dc–dc Converter for Light Rail Transportation Applications. Energies. 2018; 11(5):1078. https://doi.org/10.3390/en11051078

Chicago/Turabian Style

Lin, Bor-Ren. 2018. "Investigation of a Resonant dc–dc Converter for Light Rail Transportation Applications" Energies 11, no. 5: 1078. https://doi.org/10.3390/en11051078

APA Style

Lin, B.-R. (2018). Investigation of a Resonant dc–dc Converter for Light Rail Transportation Applications. Energies, 11(5), 1078. https://doi.org/10.3390/en11051078

Note that from the first issue of 2016, this journal uses article numbers instead of page numbers. See further details here.

Article Metrics

Back to TopTop