A Load-Shedding Model Based on Sensitivity Analysis in on-Line Power System Operation Risk Assessment
Abstract
:1. Introduction
2. Filtration Method of Load Reduction Region Based on Sensitivity Analysis
2.1. Fundamental Principles of Sensitivity Analysis
2.2. Filtration Method of Load Reduction Region
- (1)
- If the sensitivity of the power flow on branch f to the input power of bus node j is larger than 0, it means that the input power of bus node j is negative. Thus, this bus node j is a generator node or an equivalent power supply node from external power grid.
- (2)
- If the sensitivity of the power flow on branch f to the input power of bus node j is less than 0, it means that the input power of bus node j is positive. Thus, this bus node j is a load node.
- If , it means that even if reducing all the load of bus node k, the circumstance of over-loading on branch i still exists. Thus, more load nodes are needed until the sum of all the is larger than , shown as:Then, the load-shedding bus collection of over-load branch i is: .
- If , it means that reducing the load of bus node k can eliminate the power overload on branch i. Thus, bus node k is the load reduction region, which means that the load-shedding bus collection of over-load branch i is: .
- Step 1.
- Break the corresponding branch according to the failed equipment, and calculate the power flow distribution. Calculate the amount of power overload of each branch Li. The number of overloaded branches is recorded as d.
- Step 2.
- According to Equation (6), calculate the sensitivity of each overloaded branch on each bus node. Then the sensitivity matrix T is obtained. Set the counting unit i equal to 1.
- Step 3.
- Arrange the i-th row of T in ascending order to form the matrix . Delete the negative sensitivity and set the circle unit k equal to 1.
- Step 4.
- Calculate sum of the of the former k bus loads according to Equation (7).
- Step 5.
- If , then the load reduction region of branch i C is: . If , then , and return to Step 4.
- Step 6.
- Compare the size of i and d: if , then , and return to Step 3; if , then load reduction region of each overloaded branch has been calculated.
- Step 7.
- According to Equation (9), the ultimate load reduction region C is obtained.
3. Load-Shedding Model Based on Sensitivity Analysis
3.1. Descriptions of Load-Shedding Model
- Adjacency principle: the loads on the nearest load buses should be cut down preferentially.
- Importance of loads principle: the least important load should be cut down preferentially, then the less important load, and finally the most important load.
3.2. Solution Method of Load-Shedding Model
3.3. Implementation Procedure of the Load-Shedding Model Based on Sensitivity Analysis
- Step 1.
- Break the corresponding branches of the failure equipment, and determine the over-load branches.
- Step 2.
- Calculate the sensitivity of bus node input power on its voltage angle and amplitude J and the sensitivity of branch power flow on bus node voltage angle and amplitude Jsf according to Equations (1) and (3), respectively. Then the sensitivity matrix can be obtained according to Equation (6).
- Step 3.
- According to the filtration principles in Section 2, then the load reduction region C based on sensitivity analysis can be obtained.
- Step 4.
- Within the load reduction bus set C, establish the load-shedding model by comprehensively considering the adjacency principle and importance of loads principle under the equality and inequality constraints in Section 3.1.
- Step 5.
- Solve the established load-shedding model by using the primal dual interior point method.
4. Case Study
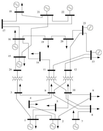
4.1. IEEE 24-Bus System
4.2. IEEE 300-Bus and Other Multi-Node Systems
5. Conclusions
- (1)
- A novel filtration principle for confirming the load reduction region is proposed, which comprehensively takes the sensitivity of load bus on its input power and the sensitivity of over-load branch on each bus into consideration. In this way, global optimization is turned to local optimization, which can narrow the solution region and improve the filtration efficiency.
- (2)
- By comprehensively considering the importance of each load bus and adjacency principle regarding the electrical coupling relationship, a load-shedding model is established. The objective of the proposed load-shedding model is to achieve the minimum value of the load reduction from different kinds of load buses. The primal dual interior point method is applied to solve the established model.
- (3)
- Based on the IEEE 24-bus system, the proposed load-shedding model and traditional model are employed to calculate four different scenarios. The calculation results of the proposed model are equal to the traditional model. Besides that, the IEEE 300-bus and two other multi-node system are applied to testify the timeliness by comparing the calculation time of all the “N-1” and “N-2”over-load scenarios. For the multi-node system, the proposed model can dramatically reduce the calculation time. These simulation results testify the correctness and validity of the proposed load-shedding model.
Acknowledgments
Author Contributions
Conflicts of Interest
References
- Mao, A.; Zhang, L.; Lv, Y.; Gao, J. Analysis on large-scale blackout occurred in South America and North Mexico interconnected power grid on Sep. 8, 2011 and lessons for electric power dispatching in China. Power Syst. Technol. 2012, 4, 74–78. [Google Scholar]
- Makarov, Y.V.; Reshetov, I.; Stroev, V.A.; Voropai, N.I. Blackout in North America and Europe: Analysis and generation. In Proceedings of the IEEE Russia Power Tech, St. Petersburg, Russia, 27–30 June 2005; pp. 1–7. [Google Scholar]
- Michael, A.; Robert, A.; Partrick, S.S.; Robert, S.; Mark, B. Critical operation power systems: Improving risk assessment in emergency facilities with reliability engineering. IEEE Ind. Appl. Mag. 2013, 5, 379–392. [Google Scholar]
- Chiris, J.D.; Janusz, W.B. Non-iterative method for modeling systematic data errors in power system risk assessment. IEEE Trans. Smart Grid. 2011, 26, 120–127. [Google Scholar]
- Liu, Y.; Zhou, J. The optimal load-shedding model in power system reliability assessment. J. Chongqing Univ. 2003, 10, 52–55. [Google Scholar]
- Zhao, Y.; Zhou, J.; Zhou, J.; Xie, K.; Liu, Y.; Kuang, J. A heuristic approach to local load shedding scheme for liability assessment of composite generation and transmission system. Power Syst. Technol. 2005, 23, 34–39. [Google Scholar]
- Liu, H.; Sun, Y.; Wang, P.; Cheng, L.; Goel, L. A novel state selection technique for power system reliability evaluation. Eletric Power Syst. Res. 2008, 6, 1019–1027. [Google Scholar] [CrossRef]
- Zhuo, Y.; Chen, C.; Wang, Z.; Liao, P.; Lin, X.; Xu, J. Research of acceleration algorithm in power system risk assessment based on scattered sampling and heuristic local load shedding. In Proceedings of the Annual IEEE System Conference, Orlando, FL, USA, 18–21 April 2016; pp. 1–5. [Google Scholar]
- Zhao, Y.; Zhou, J.; Liu, Y. ; Analysis on optimal load shedding model in reliability evaluation of composite and transmission system. Power Syst. Technol. 2004, 10, 34–37. [Google Scholar]
- Wang, P.; Ding, Y.; Goel, L. Reliability assessment of restructured power system using optimal load shedding technique. IET Gener. Transm. Distrib. 2009, 7, 628–640. [Google Scholar] [CrossRef]
- Rustam, V.; Sergey, G.; Valdislav, O. Mathematical models and optimal load shedding strategies for power system generation adequancy problem. In Proceedings of the 14th International Conference on Engineering of Modern Electric Systems, Oradea, Romania, 1–2 June 2017; pp. 41–46. [Google Scholar]
- Thelma, S.P.F.; Lenzi, J.R.; Miguel, A.K. Load shedding strategies using optimal load flow with relaxation of restrictions. IEEE Trans. Power Syst. 2008, 2, 712–718. [Google Scholar]
- Fu, X.; Wang, X. New approach to load-shedding in static state security analysis of power system. Proc. CSEE 2006, 9, 82–86. [Google Scholar]
- Dong, Z.; Miao, W.; Jia, H. Minimum load shedding calculation based on static voltage security region in load injection space. In Proceedings of the 2011 IEEE Region 10 Conference, Bali, Indonesia, 21–24 November 2011; pp. 959–963. [Google Scholar]
- Chen, G.; Wang, Y.; Lu, G.; Hu, J.; You, D.; Zhang, F.; He, Z. An improved load-shedding model based on power flow tracing. In Proceedings of the 12th World Congress on Intelligent Control and Automation, Guilin, China, 12–15 June 2016; pp. 1590–1593. [Google Scholar]
- Niu, R.; Zeng, Y.; Cheng, M.; Wang, X. Study on load-shedding model based on improved power flow tracing method in power system risk assessment. In Proceedings of the 2011 4th International Conference Utility Deregulation and Restructuring and Power Technologies, Weihai, Shangdong, China, 6–9 July 2011; pp. 45–50. [Google Scholar]
- Ren, J.; Li, S.; Yan, M.; Guo, Y. Emergency control strategy for line overload based on power flow tracing algorithm. Power Syst. Technol. 2013, 2, 392–397. [Google Scholar]
- Huang, H.; Li, F. Sensitivity analysis of load-damping characteristic in power system frequency regulation. IEEE Trans. Power Syst. 2013, 2, 1324–1335. [Google Scholar] [CrossRef]
- Adly, A.G.; Mathure, S. Application of active power sensitivity to frequency and voltage variations on load shedding. Electric Power Syst. Res. 2010, 3, 306–310. [Google Scholar]
- Yuan, J.; Duan, X.; He, Y.; Shi, D. Summarization of the sensitivity analysis method of voltage stability in power systems. Power Syst. Technol. 1997, 9, 7–10. [Google Scholar]
- Cai, X.; Wu, Z.; Kuang, W.; Fang, R.; Wang, L.; Li, K. Study on sensitivity of available transfer capability based on DC distribution factors. Power Syst. Technol. 2006, 18, 45–48. [Google Scholar]
- Di Fazio, A.R.; Russo, M.; Valeri, S.; de Santis, M. Sensitivity-based model of low voltage distribution systems with distributed energy resources. Energies 2016, 10, 801. [Google Scholar] [CrossRef]
- Li, C.; Yu, J.; Xie, K.; Zhang, Q. Model and algorithm of current tracing based on extended incident matrix. Trans. China Electrotech. Soc. 2008, 4, 104–111. [Google Scholar]
- Wu, Z.; Liu, D.; Zhou, H. Preventive control decision making based on risk analysis for power system security warning. Electric Power Autom. Equip. 2009, 9, 105–108. [Google Scholar]
- Yang, S.; Li, Y.; Hu, X.; Pan, R. Optimization study on k value of k-means algorithm. Theory Appl. Syst. Eng. 2006, 2, 97–101. [Google Scholar]
- Fan, Z.; Chang, X.; Wang, H.; Pu, T.; Yu, T.; Liu, G. Discrete reactive power optimization based on interior point filter algorithm and complementarity theory. In Proceedings of the 2014 International Conference on Power System Technology, Chengdu, China, 20–22 October 2014; pp. 210–214. [Google Scholar]
- Sanjay, K.P.; Sabha, R.A.; Rakesh, M.; Bhim, S. Interior point algorithm for optimal control of distribution static compensator under distorted supply voltage conditions. IET Gener. Transm. Distrib. 2016, 8, 1778–1791. [Google Scholar]
- Chen, Q.; Guo, R. A hybrid active power optimization algorithm based on improved genetic algorithm and primal-dual interior point algorithm. Power Syst. Technol. 2008, 24, 50–54. [Google Scholar]
- Yong, H.L.; Jin, H.J.; Gyeong, M.C. A new primal dual interior point algorithm for semi-definite optimization. In Proceedings of the 2014 International Conference on Information Science & Applications, Seoul, Korea, 6–9 May 2014; pp. 1–4. [Google Scholar]
- Yakowitz, S. The stagewise Kuhn-Tucker condition and differential dynamic programming. IEEE Trans. Autom. Contr. 1986, 31, 25–30. [Google Scholar] [CrossRef]
- Subcommittee, P.M. IEEE reliability test system. IEEE Trans. Power Appar. Syst. 1979, 6, 2047–2054. [Google Scholar] [CrossRef]
- Zimmerman, R.D.; Murillo-Sanchez, C.E.; Thomas, R.J. MATPOWER: Steady-state operations, planning and analysis tools for power systems research and education. IEEE Trans. Power Syst. 2011, 26, 12–19. [Google Scholar] [CrossRef]
- Murillo-Sanchez, C.E.; Zimmerman, R.D.; Anderson, C.L.; Thomas, R.J. Secure planning and operations with stochastic sources, energy storage and active demand. IEEE Trans. Smart Grid. 2013, 4, 2220–2229. [Google Scholar] [CrossRef]
- Palaniswamy, K.A.; Sharma, J.; Misra, K.B. Optimum load shedding taking into account of voltage and frequency characteristics of loads. IEEE Power Trans. Power Appar. Syst. 1985, 6, 1342–1348. [Google Scholar] [CrossRef]
- Wang, P.; Billington, R. Optimum load-shedding technique to reduce the total customer interruption cost in a distribution system. IEE Proc. Gener. Transm. Distrib. 2000, 147, 51–56. [Google Scholar] [CrossRef]
- Da Silva, A.M.L.; Cassula, A.M.; Billiton, R.; Manso, L.A.F. Optimum load shedding strategies in distribution systems. In Proceedings of the 2001 IEEE Porto Power Tech Proceedings, Porto, Portugal, 10–13 September 2001. [Google Scholar]
- Fliscounakis, S.; Panciatici, P.; Capitanescu, F.; Wehenkel, L. Contingency ranking with respect to overload in very large power systems taking into account uncertainty, preventive and corrective actions. IEEE Trans. Power Syst. 2013, 28, 4909–4917. [Google Scholar] [CrossRef]
- Yuan, S.; Huang, X.; Yang, X. Configuration and application of Matlab parallel computing cluster under windows environment. Comput. Mod. 2010, 5, 189–194. [Google Scholar]
- Ritesh, R.; Neeharika, K.; Nitiv, R. Digital image processing through parallel computing in single-core and multi-core systems using Matlab. In Proceedings of the 2017 2nd IEEE International Conference on Recent Trends in Electronics, Information & Communication Technology, Bangalore, India, 19–20 May 2017; pp. 462–465. [Google Scholar]
- Cao, J.; Fan, S.; Yang, X. SPMD performance analysis with parallel computing of Matlab. In Proceedings of the 2012 Fifth International Conference on Intelligent Networks and Intelligent Systems, Tianjin, China, 1–3 November 2012; pp. 80–83. [Google Scholar]






| Scenario Number | Scenario Type | Number of Disconnected Branches | Transmission Limit of Over-Load Branch |
|---|---|---|---|
| 1 | N-1 | Branch 16–19 | Branch 20–23: 200 MVA |
| 2 | N-1 | Branch 11–14 | Branch 11–13: 180 MVA |
| 3 | N-2 | Branch 8–10 and 3–9 | Branch 8–9: 200 MVA |
| 4 | N-2 | Branch 9–14 and 16–17 | Branch 17–22: 200 MVA;Branch 1–3: 190 MVA |
| Scenario Number | Branch Number | First Sensitivity | Second Sensitivity | Third Sensitivity | Fourth Sensitivity | ||||
|---|---|---|---|---|---|---|---|---|---|
| Bus No. | Value | Bus No. | Value | Bus No. | Value | Bus No. | Value | ||
| 1 | 20–23 | 20 | −0.87 | 19 | −0.53 | 23 | −0.13 | 16 | −0.11 |
| 2 | 11–13 | 9 | −0.79 | 10 | −0.36 | 13 | −0.28 | 23 | −0.09 |
| 3 | 8–9 | 8 | −0.27 | 3 | −0.25 | 9 | −0.24 | 10 | −0.24 |
| 4 | 17–22 | 16 | −0.88 | 18 | −0.36 | 14 | −0.15 | 15 | −0.11 |
| 1–3 | 3 | −0.79 | 5 | −0.51 | 15 | −0.17 | 1 | −0.09 | |
| Scenario Number | Over-Load Branches | Ultimate Load Reduction Bus Collection | |
|---|---|---|---|
| Branch Number | Load Reduction Region | ||
| 1 | 20–23 | bus 20 | |
| 2 | 11–13 | bus 9 | |
| 3 | 8–9 | bus 8, bus 3 | |
| 4 | 17–22 | bus 16, bus 18 | |
| 1–3 | bus 3 | ||
| Simulation System | Case Number | Scenario Type | Amount of Total Branches | Amount of Total Scenarios | Amount of Over-Load Scenarios |
|---|---|---|---|---|---|
| IEEE 300-bus | 1 | N-1 | 411 | 411 | 51 |
| 2 | N-2 | 411 | 168,510 | 5672 | |
| European 1354-bus | 3 | N-1 | 1991 | 1991 | 137 |
| 4 | N-2 | 1991 | 3,962,090 | 34,971 | |
| European 2736-bus | 5 | N-1 | 3504 | 3504 | 334 |
| 6 | N-2 | 3504 | 12,274,512 | 93,667 |
© 2018 by the authors. Licensee MDPI, Basel, Switzerland. This article is an open access article distributed under the terms and conditions of the Creative Commons Attribution (CC BY) license (http://creativecommons.org/licenses/by/4.0/).
Share and Cite
Zhang, Z.; Yang, H.; Yin, X.; Han, J.; Wang, Y.; Chen, G. A Load-Shedding Model Based on Sensitivity Analysis in on-Line Power System Operation Risk Assessment. Energies 2018, 11, 727. https://doi.org/10.3390/en11040727
Zhang Z, Yang H, Yin X, Han J, Wang Y, Chen G. A Load-Shedding Model Based on Sensitivity Analysis in on-Line Power System Operation Risk Assessment. Energies. 2018; 11(4):727. https://doi.org/10.3390/en11040727
Chicago/Turabian StyleZhang, Zhe, Hang Yang, Xianggen Yin, Jiexiang Han, Yong Wang, and Guoyan Chen. 2018. "A Load-Shedding Model Based on Sensitivity Analysis in on-Line Power System Operation Risk Assessment" Energies 11, no. 4: 727. https://doi.org/10.3390/en11040727
APA StyleZhang, Z., Yang, H., Yin, X., Han, J., Wang, Y., & Chen, G. (2018). A Load-Shedding Model Based on Sensitivity Analysis in on-Line Power System Operation Risk Assessment. Energies, 11(4), 727. https://doi.org/10.3390/en11040727
