A Unified Control Strategy for Inductor-Based Active Battery Equalisation Schemes
Abstract
:1. Introduction
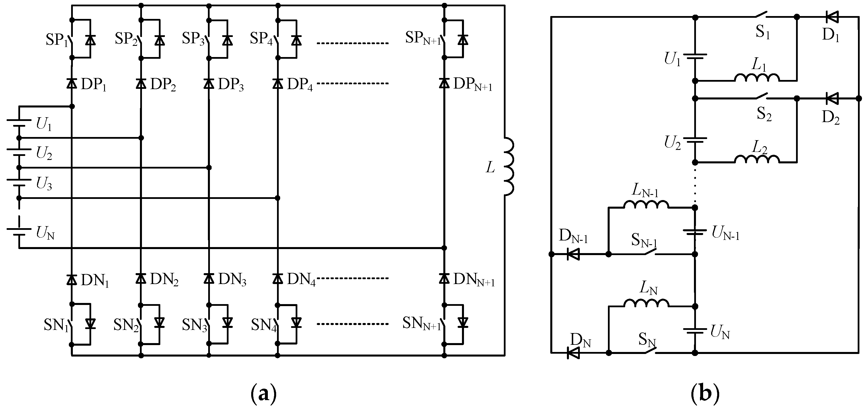
2. Inductor-Based Equalisation Topologies
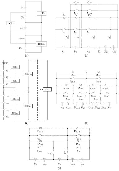
2.1. Cell-to-Cell Equalisation Topologies
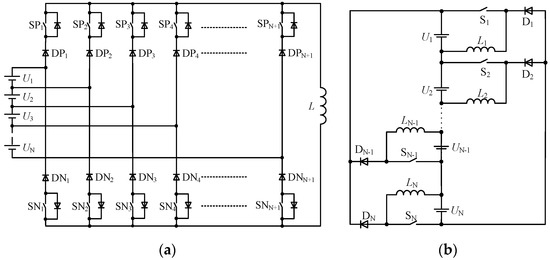
2.2. Cell-to-Pack Equalisation Topologies
3. Control Strategy of the Equalisation Topologies
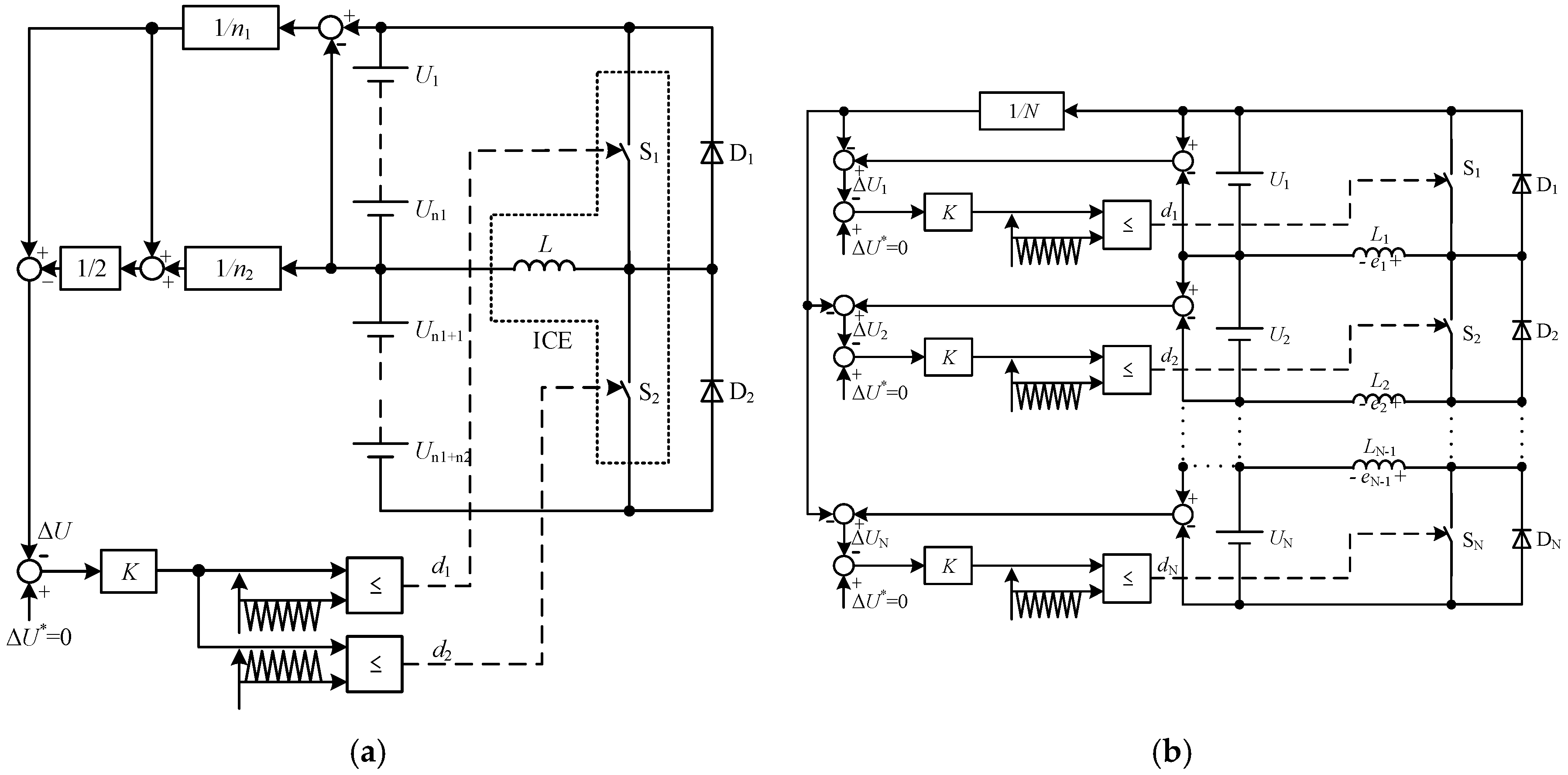
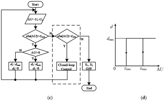
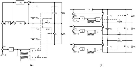
3.1. Unified Control Strategy
3.2. Application of the Unified Control Strategy
4. Comparison of the Equalisation Schemes
- 1:
- The simplified equalisation scheme
- 2:
- The series-based equalisation scheme
- 3:
- The layer-based equalisation scheme
- 4:
- The inductor symmetrically distributed equalisation scheme
- 5:
- The bridge-type equalisation scheme
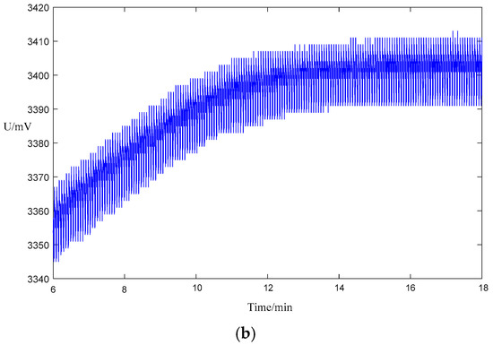
5. Simulation and Experimental Results
6. Conclusions
Acknowledgments
Author Contributions
Conflicts of Interest
References
- Yeo, J.S.; Yoo, E.J.; Ha, S.H.; Cheong, D.I.; Cho, S.B. Electrochemical properties of large-sized pouch-type lithium ion batteries with bio-inspired organic cathode materials. J. Power Sources 2016, 313, 91–95. [Google Scholar] [CrossRef]
- Sbarufatti, C.; Corbetta, M.; Giglio, M.; Cadini, F. Adaptive prognosis of lithium-ion batteries based on the combination of particle filters and radial basis function neural networks. J. Power Sources 2017, 344, 128–140. [Google Scholar] [CrossRef]
- Rahe, C.; Figgemeier, E.; Sauer, D.U. Investigation of an Automotive Battery Pack Cell. In Meeting Abstracts; The Electrochemical Society: Pennington, NJ, USA, 2017; Volume 4, p. 401. [Google Scholar]
- Hannan, M.A.; Hoque, M.M.; Ker, P.J.; Begum, R.A.; Mohamed, A. Charge equalization controller algorithm for series-connected lithium-ion battery storage systems: Modeling and applications. Energies 2017, 10, 1390. [Google Scholar] [CrossRef]
- Gao, Z.; Chin, C.S.; Chiew, J.H.K.; Jia, J.; Zhang, C. Design and Implementation of Smart Lithium-Ion Battery System with Real-Time Fault Diagnosis Capability for Electric Vehicles. Energies 2017, 10, 1503. [Google Scholar] [CrossRef]
- Saw, L.H.; Ye, Y.; Tay, A.A. Integration issues of lithium-ion battery into electric vehicles battery pack. J. Clean. Prod. 2016, 113, 1032–1045. [Google Scholar] [CrossRef]
- Castano-Solis, S.; Serrano-Jimenez, D.; Gauchia, L.; Sanz, J. The Influence of BMSs on the Characterization and Modeling of Series and Parallel Li-Ion Packs. Energies 2017, 10, 273. [Google Scholar] [CrossRef]
- Fathabadi, H. High thermal performance lithium-ion battery pack including hybrid active–passive thermal management system for using in hybrid/electric vehicles. Energy 2014, 70, 529–538. [Google Scholar] [CrossRef]
- Gao, Z.; Chin, C.S.; Woo, W.L.; Jia, J. Integrated equivalent circuit and thermal model for simulation of temperature-dependent LiFePO4 battery in actual embedded application. Energies 2017, 10, 85. [Google Scholar] [CrossRef]
- Chiew, J.; Chin, C.; Jia, J.; Toh, W. Thermal analysis of a latent heat storage based battery thermal cooling wrap. In Proceedings of the 2017 COMSOL Conference—Call for Papers and Posters, Singapore, 4–6 October 2017. [Google Scholar]
- Bae, S.; Park, J.W.; Lee, S.H. Optimal SOC Reference Based Active Cell Balancing on a Common Energy Bus of Battery. J. Electr. Eng. Technol. 2017, 12, 29–38. [Google Scholar] [CrossRef]
- Choi, S.C.; Jeon, J.Y.; Yeo, T.J.; Kim, Y.J.; Kim, D.Y.; Won, C.Y. State-of-Charge Balancing Control of a Battery Power Module for a Modularized Battery for Electric Vehicle. J. Electr. Eng. Technol. 2016, 11, 629–638. [Google Scholar] [CrossRef]
- Kim, J.W.; Ha, J.I. Cell balancing method in flyback converter without cell selection switch of multi-winding transformer. J. Electr. Eng. Technol. 2016, 11, 367–376. [Google Scholar] [CrossRef]
- Chen, J.; Hou, S.; Deng, F.; Chen, Z. A bidirectional multi-port DC-DC converter integrating voltage equalizer. In Proceedings of the 2015 IEEE 6th International Symposium on Power Electronics for Distributed Generation Systems (PEDG), Aachen, Germany, 22–25 June 2015; pp. 1–6. [Google Scholar]
- Shang, Y.; Zhang, Q.; Cui, N.; Zhang, C. A cell-to-cell equalizer based on three-resonant-state switched-capacitor converters for series-connected battery strings. Energies 2017, 10, 206. [Google Scholar] [CrossRef]
- Chen, Y.; Liu, X.; Cui, Y.; Zou, J.; Yang, S. A multiwinding transformer cell-to-cell active equalization method for lithium-ion batteries with reduced number of driving circuits. IEEE Trans. Power Electron. 2016, 31, 4916–4929. [Google Scholar]
- Li, L.; Huang, Z.; Li, H.; Peng, J. A rapid cell voltage balancing scheme for supercapacitor based energy storage systems for urban rail vehicles. Electr. Power Syst. Res. 2017, 142, 329–340. [Google Scholar] [CrossRef]
- Kutkut, N.H. A modular non-dissipative current diverter for EV battery charge equalization. In Proceedings of the 13th Annual Applied Power Electronics Conference and Exposition, Anaheim, CA, USA, 15–19 February 1998; Volume 2, pp. 686–690. [Google Scholar]
- Nguyen, N.; Oruganti, S.K.; Na, K.; Bien, F. An adaptive backward control battery equalization system for serially connected lithium-ion battery packs. IEEE Trans. Veh. Technol. 2014, 63, 3651–3660. [Google Scholar] [CrossRef]
- Hoque, M.M.; Hannan, M.A.; Mohamed, A.; Ayob, A. Battery charge equalization controller in electric vehicle applications: A review. Renew. Sustain. Energy Rev. 2017, 75, 1363–1385. [Google Scholar] [CrossRef]
- Liu, H.; Xia, C. An efficient battery balancing scheme in electric vehicle. In Proceedings of the 2013 International Conference on Materials for Renewable Energy and Environment, Chengdu, China, 19–21 August 2014; Volume 2, pp. 541–544. [Google Scholar]
- Zhang, Y.; Lin, J.; Li, J. Dynamic charge equalization with inductor symmetrically distributed. Trans. China Electrotech. Soc. 2010, 25, 136–141. [Google Scholar]
- Arnaud, D.; Dubarry, M. Durability and Reliability of Electric Vehicle Batteries under Electric Utility Grid Operations. Part 1: Cell-to-Cell Variations and Preliminary Testing. Batteries 2016, 2, 28. [Google Scholar] [CrossRef]
- Goodarzi, S.; Beiranvand, R.; Mohamadian, M. Analyzing a resonant switched-capacitor converter for improving lithium-ion battery cells balancing speed. Modares Electr. Eng. 2016, 14, 48–57. [Google Scholar]
- Chen, H.; Zhang, L.; Han, Y. System-theoretic analysis of a class of battery equalization systems: mathematical modeling and performance evaluation. IEEE Trans. Veh. Technol. 2014, 64, 1445–1457. [Google Scholar] [CrossRef]
- Gallardo-Lozano, J.; Romero-Cadaval, E.; Milanes-Montero, M.I.; Guerrero-Martinez, M.A. Battery equalization active methods. J. Power Sources 2014, 246, 934–949. [Google Scholar] [CrossRef]
- Liu, X.T.; Qin, S.X.; He, Y.; Zheng, X.X.; Cao, C.R. SOC estimation of the lithium-ion battery with the temperature-based Nernst model. In Proceedings of the 2016 IEEE 8th International Power Electronics and Motion Control Conference (IPEMC-ECCE Asia), Hefei, China, 22–26 May 2016. [Google Scholar]
- Yang, F.; Xing, Y.; Wang, D.; Tsui, K.L. A comparative study of three model-based algorithms for estimating state-of-charge of lithium-ion batteries under a new combined dynamic loading profile. Appl. Energy 2016, 164, 387–399. [Google Scholar] [CrossRef]
- Liu, H.R.; Xia, C.Y. An active equalizer for serially connected lithium-ion battery cells. Adv. Mater. Res. 2013, 732, 809–812. [Google Scholar] [CrossRef]


















| p.u. | −1 | 0 | 1 | Conversion |
|---|---|---|---|---|
| U0/V | 3.39 | 3.44 | 3.49 | p.u.(U0) = (U0 − 3.44)/0.05 |
| R/mΩ | 0 | 5 | 10 | p.u.(R) = (R − 5)/5 |
| SOC | 0.01 | 0.5 | 0.99 | p.u.(SOC) = (SOC − 0.5)/0.49 |
| Driving Signal | Corresponding Switches | Driving Signal | Corresponding Switches |
|---|---|---|---|
| d1 | SP1, SN2 | 1−d1 | SP2, SNN+1 |
| d2 | SP2, SN3 | 1−d2 | SP3, SNN+1SP2, SN1 |
| d3 | SP3, SN4 | 1−d3 | SP4, SNN+1SP3, SN1 |
| … | … | … | … |
| dN | SPN, SNN+1 | 1−dN | SPN, SN1 |
| Scheme | Speed | Efficiency | Structure | Cell Number |
|---|---|---|---|---|
| 1 | High | Medium | Simple | no limit |
| 2 | Low | Low | Medium | no limit |
| 3 | High | High | Medium | Power of 2 |
| 4 | High | High | Complex | no limit |
| 5 | High | Low | Very complex | no limit |
© 2018 by the authors. Licensee MDPI, Basel, Switzerland. This article is an open access article distributed under the terms and conditions of the Creative Commons Attribution (CC BY) license (http://creativecommons.org/licenses/by/4.0/).
Share and Cite
Liu, X.; Wan, Z.; He, Y.; Zheng, X.; Zeng, G.; Zhang, J. A Unified Control Strategy for Inductor-Based Active Battery Equalisation Schemes. Energies 2018, 11, 405. https://doi.org/10.3390/en11020405
Liu X, Wan Z, He Y, Zheng X, Zeng G, Zhang J. A Unified Control Strategy for Inductor-Based Active Battery Equalisation Schemes. Energies. 2018; 11(2):405. https://doi.org/10.3390/en11020405
Chicago/Turabian StyleLiu, Xintian, Zhihao Wan, Yao He, Xinxin Zheng, Guojian Zeng, and Jiangfeng Zhang. 2018. "A Unified Control Strategy for Inductor-Based Active Battery Equalisation Schemes" Energies 11, no. 2: 405. https://doi.org/10.3390/en11020405
APA StyleLiu, X., Wan, Z., He, Y., Zheng, X., Zeng, G., & Zhang, J. (2018). A Unified Control Strategy for Inductor-Based Active Battery Equalisation Schemes. Energies, 11(2), 405. https://doi.org/10.3390/en11020405
