Preventive Security-Constrained Optimal Power Flow Considering UPFC Control Modes
Abstract
:1. Introduction
- (1)
- An iterative method for power flow calculation considering UPFC control modes is deduced based on the UPFC power injection model and additional node model.
- (2)
- A preventive security-constrained power flow optimization method considering UPFC control modes is proposed. Based on the proposed model, optimal UPFC control modes as well as other control variables can be obtained. Moreover, due to the full utilization of UPFC control capability, better optimization results can be achieved compared those achieved by the existing methods.
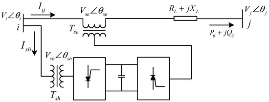
2. Power Flow Calculation with UPFC
2.1. Steady-State Model of UPFC
2.2. Power Flow Calculation Method Considering UPFC Control Modes
2.2.1. Voltage Regulation Control Mode (VRCM)
2.2.2. Phase Regulation Control Mode (PRCM)
2.2.3. Impedance Compensation Control Mode (ICCM)
2.2.4. Constant Power Control Mode (CPCM)
- The injection power of the PQ node is set to be equal to the reference power flow: ;
- The voltage of the PV node is set to be the reference voltage . The injected active power of the PV node can be obtained according to active power balance between shunt and series converters of UPFC: ;
- From this, the power flow is calculated, and all UPFC parameters are obtained.
2.3. The Influence of UPFC Control Modes on System Static Security
3. Preventive Security-Constrained Power Flow Optimization Including UPFC
3.1. Optimization Model
3.2. Model Solution
- (1)
- Input basic system data.
- (2)
- Set up the basic parameters of the PSO algorithm, and initialize the position and velocity vectors of each particle. The position information of particle includes system control parameters and UPFC control variables.
- (3)
- Calculate the power flow of each particle when the system is under normal state. Then, the system operation cost and the line overload condition are obtained. Meanwhile, the control objectives of each particle corresponding to four control modes are recorded.
- (4)
- Punish the particles with overload lines. The process of checking N-1 static security is conducted for the particles without overload lines according to the sorted contingency set. Then, the static security index corresponding to the four UPFC control modes after N-1 contingency continues being calculated until there is no overload phenomenon in three consecutive calculation results. By comparing the static safety indexes under the four UPFC control modes, the best UPFC control mode can be obtained.
- (5)
- Calculate the objective function, and obtain optimal individual and global solutions. Then, update the vectors of position and velocity of each particle.
- (6)
- Check whether the result has reached the maximum number of iterations. If not, turn to (3), else turn to (7).
- (7)
- Output the optimal results.
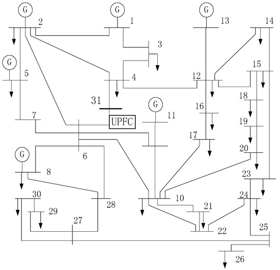
4. Case Studies
5. Comparison with Two Existing Optimization Methods
5.1. Case A: Optimal Power Flow Without Considering Security Constrains
5.2. Case B
6. Conclusions
Acknowledgments
Author Contributions
Conflicts of Interest
References
- Albatsh, F.M.; Mekhilef, S.; Ahmad, S.; Mokhlis, H. Fuzzy Logic Based UPFC and Laboratory Prototype Validation for Dynamic Power Flow Control in Transmission Line. IEEE Trans. Ind. Electron. 2017. [Google Scholar] [CrossRef]
- Chivite-Zabalza, J.; Rodriguez Vidal, M.A.; Izurza-Moreno, P.; Calvo, G.; Madariaga, D. A Large-Power Voltage Source Converter for FACTS Applications Combining Three-Level Neutral-Point-Clamped Power Electronic Building Blocks. IEEE Trans. Ind. Electron. 2013, 60, 4759–4772. [Google Scholar] [CrossRef]
- Golshannavaz, S.; Aminifar, F.; Nazarpour, D. Application of UPFC to Enhancing Oscillatory Response of Series-Compensated Wind Farm Integrations. IEEE Trans. Smart Grid 2014, 5, 1961–1968. [Google Scholar] [CrossRef]
- Monteiro, J.; Pinto, S.; Martin, A.D.; Silva, J.F. A New Real Time Lyapunov Based Controller for Power Quality Improvement in Unified Power Flow Controllers Using Direct Matrix Converters. Energies 2017, 10, 779. [Google Scholar] [CrossRef]
- Venkateswara Rao, B.; Nagesh Kumar, G.V. Optimal power flow by BAT search algorithm for generation reallocation with unified power flow controller. Int. J. Electr. Power Energy Syst. 2015, 68, 81–88. [Google Scholar] [CrossRef]
- Reddy K, A.K.; Singh, S.P. Congestion mitigation using UPFC. IET Gener. Transm. Distrib. 2016, 10, 2433–2442. [Google Scholar]
- Rajabi-Ghahnavieh, A.; Fotuhi-Firuzabad, M.; Othman, M. Optimal unified power flow controller application to enhance total transfer capability. IET Gener. Transm. Distrib. 2015, 9, 358–368. [Google Scholar] [CrossRef]
- Sarker, J.; Goswami, S.K. Solution of multiple UPFC placement problems using Gravitational Search Algorithm. Int. J. Electr. Power Energy Syst. 2014, 2, 531–541. [Google Scholar] [CrossRef]
- Bhattacharyya, B.; Kumar, S. Approach for the solution of transmission congestion with multi-type FACTS devices. IET Gener. Transm. Distrib. 2016, 10, 2802–2809. [Google Scholar] [CrossRef]
- Ren, B.X.; Cai, H.; Du, W.J.; Wang, H.F.; Fan, L.L. Analysis of Power Flow Control Capability of a Unified Power Flow Controller to be installed in a Real Chinese Power Network. In Proceedings of the 12th IET International Conference on AC and DC Power Transmission, Beijing, China, 28–29 May 2016. [Google Scholar]
- Sass, F.; Sennewald, T.; Marten, A.K.; Westermann, D. Mixed AC high-voltage direct current benchmark test system for security constrained optimal power flow calculation. IET Gener. Transm. Distrib. 2017, 2, 447–455. [Google Scholar] [CrossRef]
- Goldis, E.A.; Ruiz, P.A.; Caramanis, M.C.; Li, X.; Russ Philbrick, C.; Rudkevich, A.M. Shift Factor-Based SCOPF Topology Control MIP Formulations With Substation Configurations. IEEE Trans. Power Syst. 2017, 2, 1179–1190. [Google Scholar] [CrossRef]
- An, K.; Song, K.B.; Hur, K. Incorporating Charging/Discharging Strategy of Electric Vehicles into Security-Constrained Optimal Power Flow to Support High Renewable Penetration. Energies 2017, 10, 729. [Google Scholar] [CrossRef]
- Thomas, J.J.; Grijalva, S. Flexible Security-Constrained Optimal Power Flow. IEEE Trans. Power Syst. 2015, 3, 1195–1202. [Google Scholar] [CrossRef]
- Phan, D.T.; Sun, X.A. Minimal Impact Corrective Actions in Security-Constrained Optimal Power Flow via Sparsity Regularization. IEEE Trans. Power Syst. 2015, 30, 1947–1956. [Google Scholar] [CrossRef]
- Kaur, M.; Dixit, A. Newton’s Method approach for Security Constrained OPF using TCSC. In Proceedings of the IEEE 1st International Conference on Power Electronics, Intelligent Control and Energy Systems, Delhi, India, 4–6 July 2016. [Google Scholar]
- Shchetinin, D.; Hug, G. Decomposed algorithm for risk-constrained AC OPF with corrective control by series FACTS devices. Electr. Power Syst. Res. 2016, 141, 344–353. [Google Scholar] [CrossRef]
- Babu, A.V.N.; Sivanagaraju, S. Optimal power flow with FACTS device using two step initialization based algorithm for security enhancement considering credible contingencies. In Proceedings of the International Conference on Advances in Power Conversion and Energy Technologies, Mylavaram, Andhra Pradesh, India, 2–4 August 2012. [Google Scholar]
- Ara, A.L.; Aghaei, J.; Alaleh, M.; Barati, H. Contingency-based optimal placement of Optimal Unified Power Flow Controller (OUPFC) in electrical energy transmission systems. Sci. Iran. 2013, 3, 778–785. [Google Scholar]
- Kumar, G.N.; Kalavathi, M.S. Cat Swarm Optimization for optimal placement of multiple UPFC’s in voltage stability enhancement under contingency. Int. J. Electr. Power Energy Syst. 2014, 57, 97–104. [Google Scholar] [CrossRef]
- Eremia, M.; Liu, C.C.; Edris, A.A. Advanced Solutions in Power Systems: HVDC, FACTS, and Artificial Intelligence; John Wiley & Sons: New Jersey, NJ, USA, 2016; pp. 579–581. [Google Scholar]
- Chandana, D.; Marutheswar, G.V. Power Quality Enhancement in a Transmission Line using UPFC based on Fuzzy Logic Controller. Int. J. Recent Technol. Mech. Electr. Eng. 2015, 10, 27–31. [Google Scholar]
- Pereira, M.; Cera Zanetta, L. A current based model for load flow studies with UPFC. IEEE Trans. Power Syst. 2013, 28, 677–682. [Google Scholar] [CrossRef]
- Bhowmick, S.; Das, B.; Kumar, N. An indirect upfc model to enhance reusability of newton power-flow codes. IEEE Trans. Power Deliv. 2008, 23, 2079–2088. [Google Scholar] [CrossRef]









| UPFC Control Mode | Value/p.u. |
|---|---|
| CPCM /Pref + jQref | −0.4774 + j0.0946 |
| PRCM/θref | 0.524 |
| ICCM/Zref | 0.0243 + j0.1037 |
| 1.0484 | 0.365 | ||
| 1.0279 | 0.171 | ||
| 1.0253 | 0.482 | ||
| 1.0167 | 0.382 | ||
| 1.0449 | 0.149 | ||
| 1.06 | 0.92 | ||
| 0.96 | 0.94 | ||
| 0.2 | 0.06 |
| UPFC Control Mode | Control Objective Value | |||
|---|---|---|---|---|
| 0.023 | 1.442 | 1.028 | ICCM | −0.032 − j0.012 |
| System Operation Cost/$ | The Number of Overloaded Lines (Normal) | The Number of Overloaded Lines (N-1) | Index of Static Security Margin | |
|---|---|---|---|---|
| Before | 10652 | 1 | 4 | 0.37 |
| After | 9755 | 0 | 0 | 0.31 |
| 1.0472 | 0.059 | ||
| 1.0281 | 0.782 | ||
| 1.0219 | 0.365 | ||
| 0.9854 | 0.272 | ||
| 1.0512 | 0.247 | ||
| 1.020 | 1 | ||
| 0.98 | 0.96 | ||
| 0.2 | 0.08 | ||
| 0.008 | 6.099 | ||
| 1.057 |
| System Operation Cost/$ | The Number of Overloaded Lines (Normal) | The Number of Overloaded Lines (N-1) | Index of Static Security Margin | |
|---|---|---|---|---|
| Before | 10652 | 1 | 4 | 0.37 |
| After | 9679 | 0 | 1 | 0.35 |
| 1.0338 | 0.059 | ||
| 1.0264 | 0.782 | ||
| 1.0279 | 0.365 | ||
| 1.0316 | 0.272 | ||
| 1.0295 | 0.247 | ||
| 1 | 1 | ||
| 0.94 | 0.94 | ||
| 0.3 | 0.08 |
| UPFC Control Mode | Control Objective Value | |||
|---|---|---|---|---|
| 0.008 | 5.281 | 1.030 | CPCM | −0.254 + j0.140 |
| System Operation Cost/$ | The Number of Overloaded Lines (Normal) | The Number of Overloaded Lines (N-1) | Index of Static Security Margin | |
|---|---|---|---|---|
| Before | 10652 | 1 | 4 | 0.37 |
| After | 9812 | 0 | 0 | 0.33 |
© 2017 by the authors. Licensee MDPI, Basel, Switzerland. This article is an open access article distributed under the terms and conditions of the Creative Commons Attribution (CC BY) license (http://creativecommons.org/licenses/by/4.0/).
Share and Cite
Wu, X.; Zhou, Z.; Liu, G.; Qi, W.; Xie, Z. Preventive Security-Constrained Optimal Power Flow Considering UPFC Control Modes. Energies 2017, 10, 1199. https://doi.org/10.3390/en10081199
Wu X, Zhou Z, Liu G, Qi W, Xie Z. Preventive Security-Constrained Optimal Power Flow Considering UPFC Control Modes. Energies. 2017; 10(8):1199. https://doi.org/10.3390/en10081199
Chicago/Turabian StyleWu, Xi, Zhengyu Zhou, Gang Liu, Wanchun Qi, and Zhenjian Xie. 2017. "Preventive Security-Constrained Optimal Power Flow Considering UPFC Control Modes" Energies 10, no. 8: 1199. https://doi.org/10.3390/en10081199
APA StyleWu, X., Zhou, Z., Liu, G., Qi, W., & Xie, Z. (2017). Preventive Security-Constrained Optimal Power Flow Considering UPFC Control Modes. Energies, 10(8), 1199. https://doi.org/10.3390/en10081199
