Offset Voltage Control Scheme for Modular Multilevel Converter Operated in Nearest Level Control
Abstract
:1. Introduction
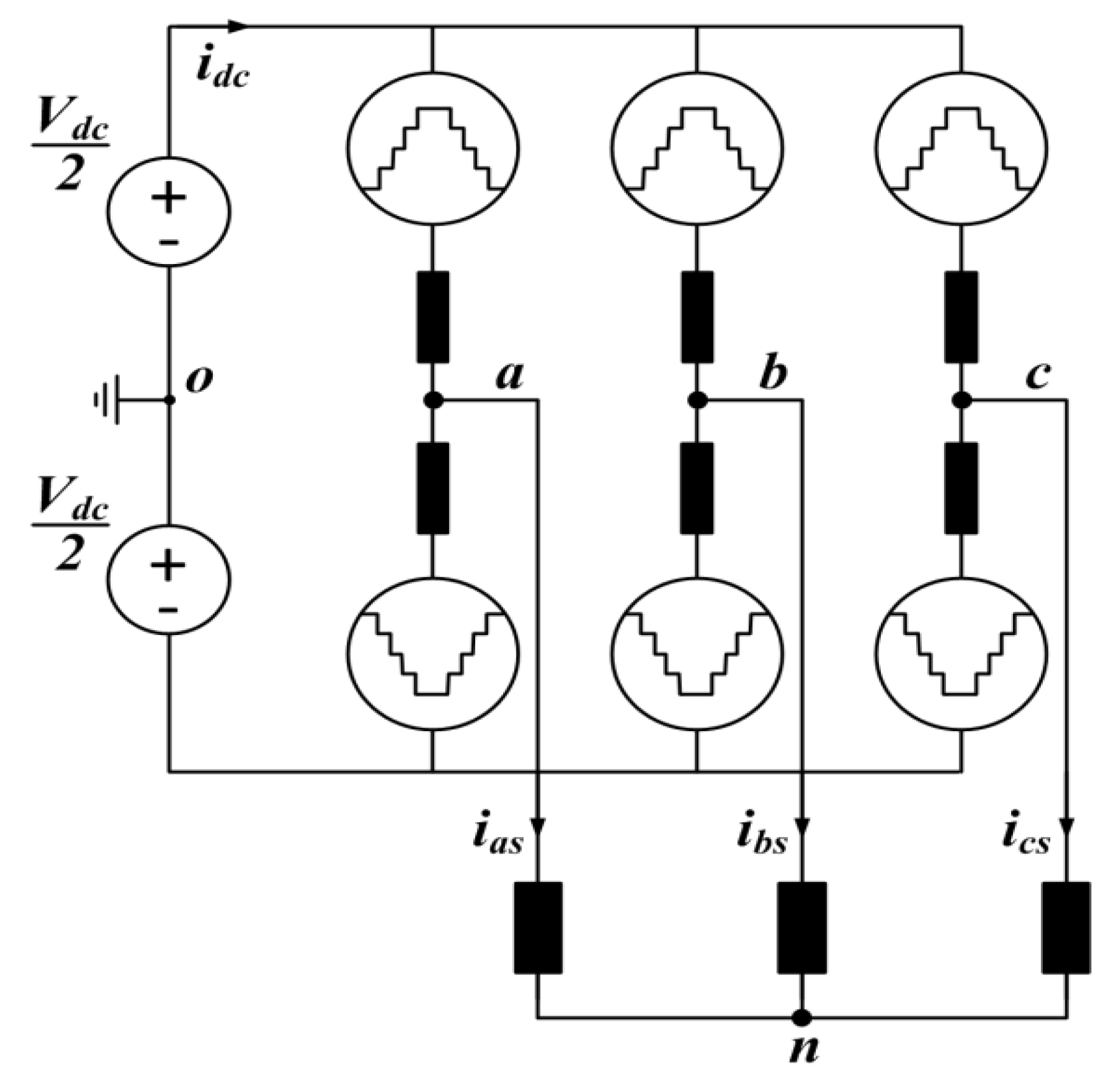
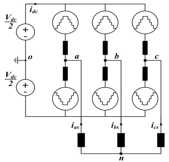
2. MMC Operational Characteristics
2.1. Output Voltage Forming
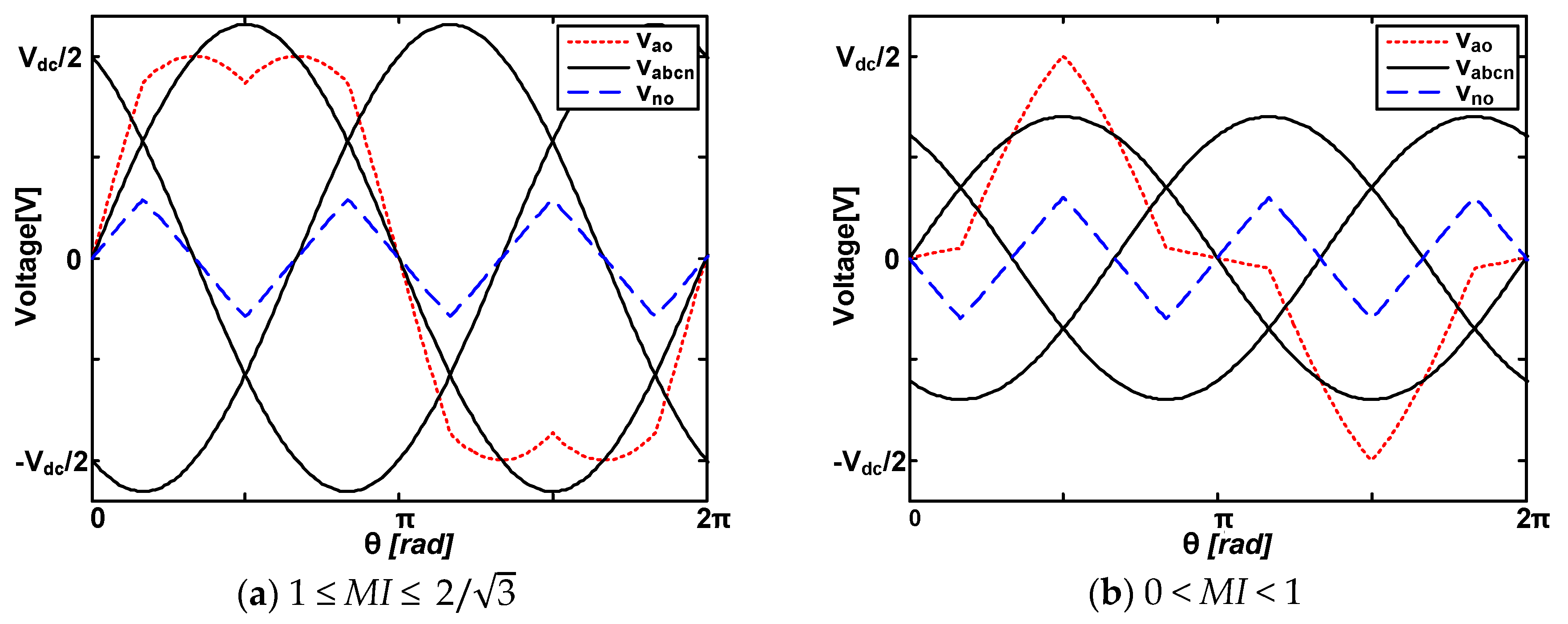
2.2. Modulation and Harmonic Analysis
3. Existing Modulation Scheme
4. Proposed Modulation Scheme
5. Computer Simulation
6. Experimental Verification
7. Conclusions
Acknowledgments
Author Contributions
Conflicts of Interest
Nomenclature
| EAM | Equal area method | Turn-on number of upper arm SMs | |
| HVDC | High voltage direct current | Turn-on number of lower arm SMs | |
| IGBT | Insulated gate bipolar transistor | Output AC voltage | |
| MI | Modulation index | DC link voltage | |
| MVDC | Medium voltage direct current | Pole voltage | |
| N | Number of sub-modules | Phase voltage | |
| NLC | Nearest level control | Pole voltage | |
| PSC | Phase shift carrier | Phase voltage | |
| PWM | Pulse width modulation | Lower arm voltage | |
| SHRM | Selective harmonic reduction method | Upper arm voltage | |
| SM | Sub-module | Maximum value of pole voltage | |
| THD | Total harmonic distortion | Voltage command | |
| Phase current | Upper arm pole voltage reference | ||
| Circulating current | Lower arm pole voltage reference | ||
| Lower arm current | Offset voltage | ||
| Upper arm current | Maximum pole voltage | ||
| a-, b-, c-phase | Minimum pole voltage |
References
- Jacobson, B.; Jiang-Haefner, Y.; Rey, P.; Asplund, G.; Jeroense, M.; Gustatsson, A.; Bergkvist, M. HVDC with Voltage Source Converters and Extrude Cables for Up To +/− 300kV and 1000MW. In Proceedings of the Cigre Meeting 2006, Paris, France, 27 August–1 September 2006. [Google Scholar]
- Dorn, J.; Huang, H.; Tetzmann, D. Novel Voltage-Sourced Converters for HVDC and FACTS Application. In Proceedings of the Cigre Meeting 2007, Paris, France, 25–31 August 2007. [Google Scholar]
- Jacobson, B.; Karlsson, P.; Asplund, G.; Harnefors, L.; Jonsson, T. VSC_HVDC Transmission with cascaded Two-Level Converters. In Proceedings of the Cigre Meeting 2010, Paris, France, 22–27 August 2010. [Google Scholar]
- Nabae, A.; Takahashi, I.; Akagi, H. A New Neutral—Point-Clamped PWM Inverter. IEEE Trans. Ind. Appl. 1981, IA-17, 518–523. [Google Scholar] [CrossRef]
- Railing, B.; Miller, J.; Steckley, P.; Moreau, G.; Bard, P.; Ronstroem, L.; Lindberg, J. Cross Sound Cable Project Second Generation VSC Technology for HVDC. In Proceedings of the Cigre Meeting 2004, Paris, France, 29 August–3 September August 2004. [Google Scholar]
- Peng, F.Z.; Lai, J.S. Dynamic performance and control of a static VAr generator using cascade multilevel inverters. IEEE Trans. Ind. Appl. 1997, 33, 748–755. [Google Scholar] [CrossRef]
- Lesnicar, A.; Marquardt, R. An innovative modular multilevel converter topology suitable for a wide power range. In Proceedings of the 2003 IEEE Power Tech Conference Proceedings, Bologna, Italy, 23–26 June 2003; Volume 3. [Google Scholar]
- Lesnicar, A.; Marquardt, R. A new modular voltage source inverter topology. In Proceedings of the European Power Electronics Conference (EPE), Toulouse, France, 2–4 September 2003. [Google Scholar]
- Franquelo, L.G.; Rodriguez, J.; Leon, J.I.; Kouro, S.; Portillo, R.; Prats, M.A.M. The age of multilevel converters arrives. IEEE Ind. Electron. Mag. 2008, 2, 28–39. [Google Scholar] [CrossRef]
- Marquardt, R. Modular Multilevel Converter: An universal concept for HVDC-Networks and extended DC-Bus Applications. In Proceedings of the IEEE ECCE-Asia IPEC 2010, Sapporo, Japan, 21–24 June 2010. [Google Scholar]
- Gnanarathna, U.; Gole, A.; Jayasinghe, R. Efficient Modeling of Modular Multilevel HVDC Converters on Electromagnetic Transient Simulation Programs. IEEE Trans. Power Deliv. 2011, 26, 316–324. [Google Scholar] [CrossRef]
- Friedrich, K. Modern HVDC PLUS application of VSC in Modular Multilevel Converter Topology. In Proceedings of the IEEE ISIE 2010 International Symposium on Industrial Electronics, Bari, Italy, 4–7 July 2010. [Google Scholar]
- Bergna, G.; Berne, E.; Egrot, P.; Lefranc, P.; Arzande, A.; Vannier, J.; Molinas, M. An Energy-based Controller for HVDC Modular Multilevel Converter in Decoupled Double Synchronous Reference Frame for Voltage Ocillation. IEEE Trans. Ind. Electron. 2013, 60, 2360–2371. [Google Scholar] [CrossRef]
- Mura, F.; de Doncker, W. Design Aspects of a Medium-Voltage Direct Current (MVDC) Grid for a University Campus. In Proceedings of the IEEE ECCE-Asia 2011 8th International Conference on Power Electronics, Jeju, Korea, 30 May–3 June 2011. [Google Scholar]
- Hu, P.; Jiang, D. A Level-Increased Nearest Level Modulation Method for Modular Multilevel Converters. IEEE Trans. Ind. Electron. 2015, 30, 1836–1842. [Google Scholar] [CrossRef]
- Lin, L.; Lin, Y.; He, Z.; Chen, Y.; Hu, J.; Li, W. Improved Nearest-Level Modulation for a Modular Multilevel Converter with a Lower Submodule Number. IEEE Trans. Power Electron. 2016, 31, 5369–5377. [Google Scholar] [CrossRef]
- Tu, Q.; Xu, Z. Impact of Sampling Frequency on Harmonic Distortion for Modular Multilevel Converter. IEEE Trans. Power Electron. 2011, 26, 298–306. [Google Scholar] [CrossRef]
- Park, Y.H.; Kim, D.H.; Kim, J.H.; Han, B.M. A New Scheme for Nearest Level Control with Average Switching Frequency Reduction for Modular Multilevel Converters. J. Power Electron. 2016, 16, 522–531. [Google Scholar] [CrossRef]
- Choi, J.Y.; Han, B.M. New Scheme of Phase-Shifted Carrier PWM for Modular Multilevel Converter with Redundancy Submodules. IEEE Trans. Power Electron. 2016, 31, 407–409. [Google Scholar] [CrossRef]
- Tu, Q.; Xu, Z.; Chang, Y.; Guan, L. Suppressing DC Voltage Ripples of MMC-HVDC under Unbalanced Grid Conditions. IEEE Trans. Power Deliv. 2012, 27, 1332–1338. [Google Scholar] [CrossRef]
- Hanefors, L.; Antonopoulos, A.; Norrga, S.; Aengquist, L.; Nee, H. Dynamic Analysis of Modular Multilevel Converters. IEEE Trans. Ind. Electron. 2013, 60, 2526–2537. [Google Scholar] [CrossRef]
- Nami, A.; Liang, J.; Dijkhuizen, F.; Demetriades, G. Modular Multilevel Converters for HVDC Applications: Review on Converter Cells and Functionalities. IEEE Trans. Power Electron. 2015, 30, 18–36. [Google Scholar] [CrossRef]
- Debnath, S.; Qin, J.; Bahrani, B.; Saeedifard, M.; Barbosa, P. Operation, Control, and Applications of the Modular Multilevel Converter: A Review. IEEE Trans. Power Electron. 2015, 30, 37–53. [Google Scholar] [CrossRef]
- Zhang, Y.; Adam, G.; Lin, T.; Finney, S.; Williams, B. Analysis of modular multilevel converter capacitor voltage balancing based on phase voltage redundant states. IET Power Electron. 2010, 5, 726–738. [Google Scholar] [CrossRef]
- Song, Q.; Liu, W.; Li, X.; Rao, H.; Xu, S.; Li, L. A Steady-State Analysis Method for a Modular Multilevel Converter. IEEE Trans. Power Electron. 2013, 28, 3702–3713. [Google Scholar] [CrossRef]
- Ilves, K.; Antonopoulos, A.; Norrga, S.; Nee, H. A New Modulation Method for the Modular Multilevel Converter Allowing Fundamental Switching Frequency. IEEE Trans. Power Electron. 2012, 27, 3482–3494. [Google Scholar] [CrossRef]
- Seo, J.H.; Choi, C.H.; Hyun, D.S. A new simplified space-vector PWM method for three-level inverters. IEEE Trans. Power Electron. 2001, 16, 545–550. [Google Scholar]
- Blasko, V. A hybrid PWM strategy combining modified space vector and triangle comparison methods. In Proceedings of the PESC Record 27th Annual IEEE Power Electronics Specialists Conference, Baveno, Italy, 23–26 June 1996; Volume 2, pp. 1872–1878. [Google Scholar]
- Chung, D.W.; Kim, J.S.; Sul, S.K. Unified voltage modulation technique for real-time three-phase power conversion. IEEE Trans. Ind. Appl. 1998, 34, 374–380. [Google Scholar] [CrossRef]
- Kim, J.H.; Sul, S.K. A carrier-based PWM method for three-phase four-leg voltage source converters. IEEE Trans. Power Electron. 2004, 19, 66–75. [Google Scholar] [CrossRef]



















| Parameter | Value |
|---|---|
| Line Voltage (RMS) | 22.9 kV |
| DC Link Voltage | 20 kV |
| Rated Power | 25 MVA |
| Transformer | Y22.9 kV–Δ11.0 kV |
| Arm Reactor | 2.5 mH |
| SM Capacitor | 9600 uF |
| Number of SMs | 12 per Arm |
| Item | Modulation Schemes | ||
|---|---|---|---|
| Sinusoidal | Space Vector | Proposed | |
| Offset Voltage | - | ||
| Maximum Phase Voltage | |||
| Maximum Pole Voltage | |||
| Output Voltage Level | Dependent on phase voltage magnitude | Independent on phase voltage magnitude | |
| Parameter | Value |
|---|---|
| Line Voltage (RMS) | 380 V |
| DC Link Voltage | 1000 V |
| Rated Power | 10 kVA |
| Transformer | Y380 V–Δ551 V |
| Arm Reactor | 5 mH |
| SM Capacitor | 3300 uF |
| Number of SMs | 12 per Arm |
© 2017 by the authors. Licensee MDPI, Basel, Switzerland. This article is an open access article distributed under the terms and conditions of the Creative Commons Attribution (CC BY) license (http://creativecommons.org/licenses/by/4.0/).
Share and Cite
Kim, J.-H.; Kim, D.-H.; Han, B.-M. Offset Voltage Control Scheme for Modular Multilevel Converter Operated in Nearest Level Control. Energies 2017, 10, 863. https://doi.org/10.3390/en10070863
Kim J-H, Kim D-H, Han B-M. Offset Voltage Control Scheme for Modular Multilevel Converter Operated in Nearest Level Control. Energies. 2017; 10(7):863. https://doi.org/10.3390/en10070863
Chicago/Turabian StyleKim, Jae-Hyuk, Do-Hyun Kim, and Byung-Moon Han. 2017. "Offset Voltage Control Scheme for Modular Multilevel Converter Operated in Nearest Level Control" Energies 10, no. 7: 863. https://doi.org/10.3390/en10070863
APA StyleKim, J.-H., Kim, D.-H., & Han, B.-M. (2017). Offset Voltage Control Scheme for Modular Multilevel Converter Operated in Nearest Level Control. Energies, 10(7), 863. https://doi.org/10.3390/en10070863

