A Low-Noise and High-Integration Readout IC with Pixel-Level Single-Ended CDS for Short-Wave Infrared Focal Plane Arrays
Abstract
1. Introduction
2. Infrared Focal Plane Array
2.1. IRFPA Architecture
2.2. ROIC Chip Architecture
2.3. Conventional Pixel-Level CDS
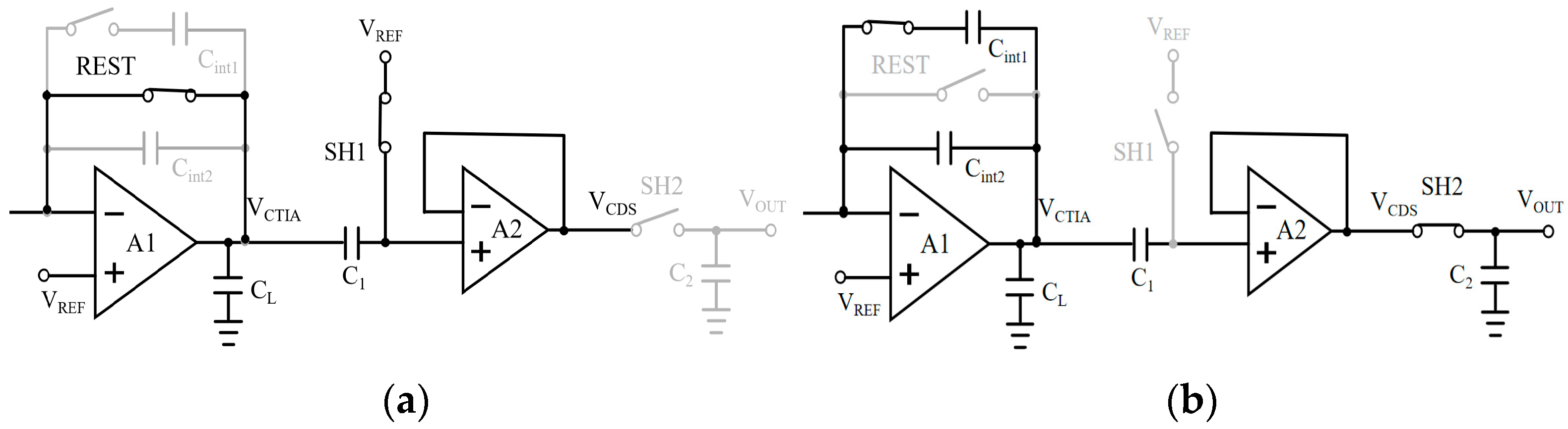
3. Low-Noise Pixel Circuit Design
3.1. Pixel-Level Single-Ended CDS
3.2. ROIC Noise Analysis
3.3. Capacitor Reuse Architecture
4. Readout Integrated Circuit for IRFPA
4.1. ROIC on the Chip
4.2. Results and Analysis
4.3. Discussion
5. Conclusions
Author Contributions
Funding
Institutional Review Board Statement
Informed Consent Statement
Data Availability Statement
Acknowledgments
Conflicts of Interest
References
- Li, X.; Gong, H.; Shao, X. Research Progress on Short Wave Infrared InGaAs Focal Plane. J. Infrared Millim. Waves 2022, 41, 129–138. [Google Scholar] [CrossRef]
- Lu, Y.; Wang, H.; Tao, W.; Cao, J.; Tiao, Y.; Jing, S.; Huang, S.; Li, X. Design of Readout Circuit Based on 640 × 512-5 μm InGaAs Shortwave Infrared Focal Plane. Semicond. Optoelectron. 2023, 44, 350–355. [Google Scholar] [CrossRef]
- Wang, H.; Zhu, X.; Zhang, Y.; Fu, J.; Peng, Z.; Li, X.; Huang, S.; Fang, J. Design of a digital readout integrated circuit for small-pitch short-wave infrared focal plane arrays. In Second Conference of Young Scientists of the Chinese Society of Optical Engineering; SPIE: Bellingham, WA, USA, 2025; Volume 13799. [Google Scholar] [CrossRef]
- Yu, C.; Li, X.; Yang, B.; Huang, S.; Shao, X.; Zhang, Y.; Gong, H. Noise characteristics analysis of short wave infrared InGaAs focal plane arrays. Infrared Phys. Technol. 2017, 85, 74–80. [Google Scholar] [CrossRef]
- Mu, Y.; Zhao, Z.; Chen, C.; Yuan, D.; Wang, J.; Gao, H.; Chi, Y. The Design of a Low-Noise, High-Speed Readout-Integrated Circuit for Infrared Focal Plane Arrays. Sensors 2023, 23, 8715. [Google Scholar] [CrossRef] [PubMed]
- Fan, B.; Han, Z.; Ma, F.; Dong, S. A design on low noise imaging circuit for SWIR sensor. In Infrared, Millimeter-Wave, and Terahertz Technologies IV; SPIE: Bellingham, WA, USA, 2016; Volume 10030. [Google Scholar] [CrossRef]
- Huang, Z.; Huang, S.; Zhang, W.; Chen, Y.; Fang, J. Low noise readout circuit for infrared focal plane array: In integration while read. Infrared Millim. Waves 2011, 30, 297–300. [Google Scholar] [CrossRef]
- Altun, O.; Tasdemir, F.; Nuzumlali, O.L.; Kepenek, R.; Inceturkmen, E.; Akyurek, F.; Tunca, C.; Akbulut, M. Low-noise readout circuit for SWIR focal plane arrays. In Infrared Technology and Applications XLIII; SPIE: Bellingham, WA, USA, 2017; Volume 10177. [Google Scholar] [CrossRef]
- Ofer, O.; Elishkova, R.; Friedman, R.; Hirsh, I.; Langof, L.; Nitzani, M.; Reem, Y.; Jakobson, C.; Pivnik, I.; Louzon, E.; et al. Performance of low noise InGaAs detector. In Infrared Technology and Applications XLVII; SPIE: Bellingham, WA, USA, 2021; Volume 11741. [Google Scholar] [CrossRef]
- Zhuo, Y.; Lu, H.; Ma, D.; Zhou, Z.; Shen, L.; Zhang, Y.; Chen, Z.; Cao, X.; Cai, Y.; Li, N.; et al. 6.6 A 320×256 6.9mW 2.2mK-NETD 120.4dB-DR LW-IRFPA with Pixel-Paralleled Light-Driven 20b Current-to-Phase ADC. In Proceedings of the IEEE International Solid-State Circuits Conference (ISSCC), San Francisco, CA, USA, 16–20 February 2025; pp. 124–126. [Google Scholar] [CrossRef]
- Linga, K.; Liobe, J.C.; Wieners, J.; Evans, M.J.; Tagle, J. New ROIC developments at SUI. In Infrared Technology and Applications LI; SPIE: Bellingham, WA, USA, 2025; Volume 13469. [Google Scholar] [CrossRef]
- Huang, Z. Noise Model of Large-Format Readout Integrated Circuit for Infrared Focal Plane. IEEE Trans. Circuits Syst. I Regul. Pap. 2023, 70, 142–153. [Google Scholar] [CrossRef]
- Wu, S.; Zhang, J.; Chen, H.; Ding, R. Gain adaptive infrared focal plane readout circuit for eliminating CDS folding effect. Infrared Laser Eng. 2024, 53, 91–102. [Google Scholar] [CrossRef]
- Ding, J.; Yuan, Y. Implementation method of dual sampling for infrared readout circuit based on CTIA. Laser Infrared 2025, 55, 562–568. [Google Scholar] [CrossRef]
- Wu, S.; Liang, Q.; Chen, H. Low noise ROIC integrated with correlated double sampling with adjustable intervals for hyperspectral applications. J. Infrared Millim. Waves 2024, 43, 269–276. [Google Scholar] [CrossRef]
- Jing, S.; Yang, B.; Huang, Z.; Gong, H.; Gao, H. Study on High-gain and Low Noise Infrared Focal Plane Readout Circuit. Infrared Technol. 2019, 41, 1117–1123. [Google Scholar]
- Yu, C.; Li, X.; Shao, X.; Huang, S.; Gong, H. Noise characteristics of short wavelength infrared InGaAs focal plane arrays. J. Infrared Millim. Waves 2019, 38, 528–534. [Google Scholar] [CrossRef]
- Huang, S.; Huang, Z.; Chen, Y.; Li, T.; Fang, J. A low noise low power 512 × 256 ROIC for extended wavelength InGaAs FPA. In Image Sensing Technologies: Materials, Devices, Systems, and Applications II; SPIE: Bellingham, WA, USA, 2015; Volume 9481. [Google Scholar] [CrossRef]
- Liang, Q. Design and Research of 640 × 512 Infrared Focal Plane Readout Circuit. Ph.D. Thesis, University of the Chinese Academy of Sciences (Chinese Academy of Sciences Shanghai Institute of Technical Physics), Shanghai, China, 2017. [Google Scholar]
















| Reference [5] | Reference [18] | Reference [19] | This Work | |
|---|---|---|---|---|
| Format | 32 × 32 | 512 × 256 | 640 × 512 | 1296 × 256 |
| Process | 180 nm | 500 nm | 500 nm | 180 nm |
| Pixel size | 25 µm × 25 µm | 30 µm × 30 µm | 30 µm × 30 µm | 15 µm × 15 µm |
| Support voltage | 3.3 V/1.8 V | 3.3 V/1.8 V | 5.5 V | 3.3 V/1.8 V |
| Read architecture | Pixel-level CDS | Pixel-level CDS | Pixel-level CDS | Pixel-level CDS |
| Read mode | IWR, ITR | IWR, ITR | IWR, ITR | IWR, ITR |
| Linearity | / | / | >99.9% | >99.9% |
| Noise electron */(IWR) | 143e-@30 fF | 160e-@70 fF | 129e-@30 fF | 37.6e-@12 fF |
| Power consumption | 200 mW | 150 mW | 150 mW | 200 mW |
| Frame rate | / | / | 350 Hz | >200 Hz |
Disclaimer/Publisher’s Note: The statements, opinions and data contained in all publications are solely those of the individual author(s) and contributor(s) and not of MDPI and/or the editor(s). MDPI and/or the editor(s) disclaim responsibility for any injury to people or property resulting from any ideas, methods, instructions or products referred to in the content. |
© 2026 by the authors. Licensee MDPI, Basel, Switzerland. This article is an open access article distributed under the terms and conditions of the Creative Commons Attribution (CC BY) license.
Share and Cite
Wang, H.; Huang, S.; Peng, Z.; Jing, S.; Xia, R.; Chen, Y.; Dai, P.; Fang, J. A Low-Noise and High-Integration Readout IC with Pixel-Level Single-Ended CDS for Short-Wave Infrared Focal Plane Arrays. Sensors 2026, 26, 847. https://doi.org/10.3390/s26030847
Wang H, Huang S, Peng Z, Jing S, Xia R, Chen Y, Dai P, Fang J. A Low-Noise and High-Integration Readout IC with Pixel-Level Single-Ended CDS for Short-Wave Infrared Focal Plane Arrays. Sensors. 2026; 26(3):847. https://doi.org/10.3390/s26030847
Chicago/Turabian StyleWang, Hongyi, Songlei Huang, Zhenghua Peng, Song Jing, Runze Xia, Yu Chen, Panjie Dai, and Jiaxiong Fang. 2026. "A Low-Noise and High-Integration Readout IC with Pixel-Level Single-Ended CDS for Short-Wave Infrared Focal Plane Arrays" Sensors 26, no. 3: 847. https://doi.org/10.3390/s26030847
APA StyleWang, H., Huang, S., Peng, Z., Jing, S., Xia, R., Chen, Y., Dai, P., & Fang, J. (2026). A Low-Noise and High-Integration Readout IC with Pixel-Level Single-Ended CDS for Short-Wave Infrared Focal Plane Arrays. Sensors, 26(3), 847. https://doi.org/10.3390/s26030847

