Investigation of Trajectory Tracking Control in Hip Joints of Lower-Limb Exoskeletons Using SSA-Fuzzy PID Optimization
Abstract
1. Introduction
2. Dynamic Analysis of a Lower-Limb Exoskeleton Hip Robot
3. Control System Design
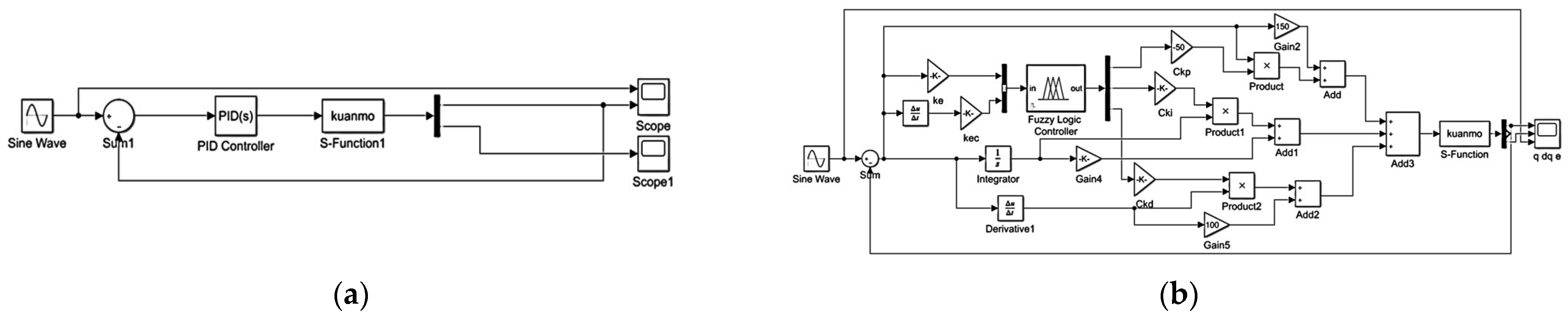
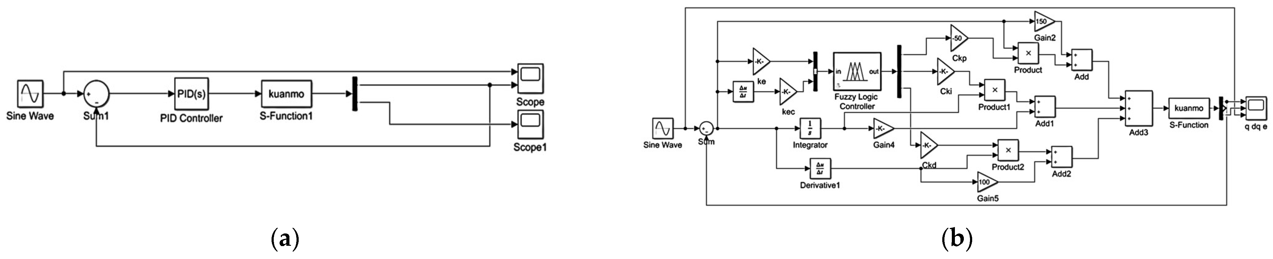
3.1. PID Controller
3.2. Fuzzy PID Controller Design
3.3. SSA-Fuzzy PID Control System Design
3.3.1. The Sparrow Search Algorithm (SSA)
3.3.2. Process for Constructing the SSA-Fuzzy PID Control System
- (1)
- Set the initial sparrow population size to 50, the number of iterations to 50, the safety value ST to 0.8, the discoverer proportion PD to 0.2, the alert proportion SD to 0.2, and the sampling period to 0.01 s.
- (2)
- Establish the performance index evaluation criterion as the fitness function. The adaptation function is defined as the absolute value of the product of time t and the angular deviation of the hip joint movement trajectory Se(t), expressed as follows:
- (3)
- The SSA algorithm is implemented in MATLAB R2020a for joint simulation with the developed fuzzy PID hip control system, which outputs the optimized parameters. The corresponding code is as follows:y_fitness(1,iter) = fMin;K_p(1,iter) = bestX(1);K_i(1,iter) = bestX(2);K_d(1,iter) = bestX(3);K_e(1,iter) = bestX(4);K_ec(1,iter) = bestX(5);
- (4)
- Throughout the iteration process, the position and fitness function of each sparrow are continuously updated, and the corresponding optimized parameters are recorded. The performance indices are evaluated, where a smaller fitness value indicates a smaller angular deviation in the hip joint motion trajectory, reflecting improved control performance. Once the maximum number of iterations is reached, the algorithm terminates, and the resulting optimal parameters are applied to the fuzzy PID hip joint control system for verification.
4. Simulation Analysis and Results
4.1. Determination of Parameters for the SSA-Fuzzy PID Control System
4.2. Comparative Analysis of Simulation Results for Three Control Systems
4.2.1. Trajectory Tracking Test of Hip Joint Motion During Human-Level Walking Using Three Control Methods
4.2.2. Trajectory Tracking Test of Standing Hip Flexion Motion Using Three Control Methods
5. Lower-Limb Exoskeleton Hip Robot Trajectory Tracking: Empirical Testing
5.1. Construction of the Experimental Platform
5.2. Analysis of Measured Results
5.2.1. Hip Joint Trajectory Tracking Test for Testers A, B, and C During Level Walking Under Three Control Methods
5.2.2. Trajectory Tracking Test for Testers A, B, and C: Standing Hip Flexion Movement Trajectories Under Three Control Methods
5.3. Summary of Test Results for Two Different Sports Scenarios
6. Conclusions
Author Contributions
Funding
Institutional Review Board Statement
Informed Consent Statement
Data Availability Statement
Conflicts of Interest
References
- Li, M.; Li, H.; Yu, H. Classification and Application Status of Lower Limb Exoskeleton Rehabilitation Robots. J. Biomed. Eng. 2024, 41, 833–839. [Google Scholar]
- Liu, R.; Ouyang, J. Development and Application of Lower Limb Exoskeleton Rehabilitation Robots. J. Sun Yat-Sen Univ. (Med. Sci.) 2023, 44, 354–360. [Google Scholar] [CrossRef]
- Li, X.; Wang, B.; Li, N.; Cao, L.; Li, A.; Guan, X.; Zhang, Z. Effect of Lower Limb Exoskeleton Robot Rehabilitation Training on Lower Limb Movement in Stroke Hemiplegic Patients. Shandong Univ. J. Med. 2023, 61, 121–126+133. [Google Scholar]
- Mou, R.; Li, L. Research on Design and Trajectory Tracking Control of a Variable Size Lower Limb Exoskeleton Rehabilitation Robot. J. Mech. Sci. Technol. 2024, 38, 389–400. [Google Scholar] [CrossRef]
- Luo, L.; Foo, M.J.; Ramanathan, M.; Er, J.K.; Chiam, C.H.; Li, L.; Yau, W.Y.; Ang, W.T. Trajectory Generation and Control of a Lower Limb Exoskeleton for Gait Assistance. J. Intell. Robot. Syst. 2022, 106, 64. [Google Scholar] [CrossRef]
- Wang, J.; Liu, J.; Chen, L.; Guo, S. Observer-Based Finite-Time Control for Trajectory Tracking of Lower Extremity Exoskeleton. Proc. Inst. Mech. Eng. Part I J. Syst. Control Eng. 2022, 236, 257–269. [Google Scholar] [CrossRef]
- Yan, Y.; Tang, M.; Wang, W.; Zhang, Y.; An, B. Trajectory Tracking Control of Wearable Upper Limb Rehabilitation Robot Based on Laguerre Model Predictive Control. Robot. Auton. Syst. 2024, 179, 104745. [Google Scholar] [CrossRef]
- Liu, J.; Fang, H.; Xu, J. Online Adaptive PID Control for a Multi-Joint Lower Extremity Exoskeleton System Using Improved Particle Swarm Optimization. Machines 2021, 10, 21. [Google Scholar] [CrossRef]
- Zhang, J.; Gao, W.; Guo, Q. Extended State Observer-Based Sliding Mode Control Design of Two-DOF Lower Limb Exoskeleton. Actuators 2023, 12, 402. [Google Scholar] [CrossRef]
- Hui, J.; Lee, Y.K.; Yuan, J. Load following control of a PWR with load-dependent parameters and perturbations via fixed-time fractional-order sliding mode and disturbance observer techniques. Renew. Sustain. Energy Rev. 2023, 184, 113550. [Google Scholar] [CrossRef]
- Aliman, N.; Ramli, R.; Haris, S.M.; Amiri, M.S.; Van, M. A Robust Adaptive-Fuzzy-Proportional-Derivative Controller for a Rehabilitation Lower Limb Exoskeleton. Eng. Sci. Technol. Int. J. 2022, 35, 101097. [Google Scholar] [CrossRef]
- Sun, P.; Shan, R.; Wang, S. Limited-Speed Control of Rehabilitation Walking Training Robot under Human-Machine Uncertainty Using Partial Memory Iterative Learning. Robot 2021, 43, 502–512. [Google Scholar] [CrossRef]
- Al-Waeli, K.H.; Ramli, R.; Haris, S.M.; Zulkoffli, Z.B.; Amiri, M.S. Offline ANN-PID Controller Tuning on a Multi-Joints Lower Limb Exoskeleton for Gait Rehabilitation. IEEE Access 2021, 9, 107360–107374. [Google Scholar] [CrossRef]
- Ma, C.; Jiang, G.; Hao, X.; Pu, H.; Chen, Q.; Huang, J.; Xu, W.; Huang, H. Research on Improved Single Neural Network PID Control Algorithm for Leg Joint of Foot Robot. Mach. Tool Hydraul. 2024, 52, 60–66. [Google Scholar]
- You, A. Research on Differential Evolution PID Control Simulation of Mobile Robot. J. Mech. Des. Manuf. 2024, 352–356. [Google Scholar] [CrossRef]
- Li, S.; Han, Y.; Chen, R.; Wu, F.; Mi, Z. Research on Control of Lower Limb Exoskeleton Based on Sliding Mode PID Control. Comb. Mach. Autom. Manuf. Tech. 2021, 98–101+105. [Google Scholar] [CrossRef]
- Sun, W.; Lin, J.W.; Su, S.F.; Wang, N.; Er, M.J. Reduced Adaptive Fuzzy Decoupling Control for Lower Limb Exoskeleton. IEEE Trans. Cybern. 2020, 51, 1099–1109. [Google Scholar] [CrossRef]
- Wang, H.; Lu, T.; Niu, B.; Yan, H.; Wang, X.; Chen, J.; Li, Y. Research on Fuzzy PID Control Algorithm for Lower Limb Rehabilitation Robot. In Proceedings of the 2018 IEEE 4th Information Technology and Mechatronics Engineering Conference (ITOEC), Chongqing, China, 14–16 December 2018; pp. 956–960. [Google Scholar]
- Wang, Z.; Chi, F.; Cheng, L. Design of Fuel Cell Water Temperature Control System Based on Fuzzy PID Technology. Ship Electron. Technol. 2022, 42, 87–91. [Google Scholar] [CrossRef]
- Bai, P.; Nie, W. Design of Motor Speed Control System Based on Fuzzy PID Algorithm. J. Xi’an Univ. Lit. Sci. Nat. Sci. 2022, 25, 54–58. [Google Scholar]
- Lin, X.; Liang, X.; Ren, B.; Hou, Y.; Zhang, Z.; Qi, D. Trajectory Tracking Control of UAV Aerial Refueling Based on Fuzzy PID. Weapon Equip. Eng. J. 2022, 43, 18–26. [Google Scholar]
- Krakhmalev, O.; Korchagin, S.; Pleshakova, E.; Nikitin, P.; Tsibizova, O.; Sycheva, I.; Liang, K.; Serdechnyy, D.; Gataullin, S.; Krakhmalev, N. Parallel computational algorithm for object-oriented modeling of manipulation robots. Mathematics 2021, 9, 2886. [Google Scholar] [CrossRef]
- Tsapin, D.; Pitelinskiy, K.; Suvorov, S.; Osipov, A.; Pleshakova, E.; Gataullin, S. Machine learning methods for the industrial robotic systems security. J. Comput. Virol. Hacking Tech. 2024, 20, 397–414. [Google Scholar] [CrossRef]
- GB/T 10000-2023; Chinese Adult Human Body Dimensions. Standards Press of China: Beijing, China, 2023.



















| Se/Sec | NB | NM | NS | ZO | PS | PM | PB |
|---|---|---|---|---|---|---|---|
| NB | PB/NB/PS | PB/NB/NS | PM/NM/NB | PM/NM/NB | PS/NS/NB | ZO/ZO/NM | ZO/ZO/PS |
| NM | PB/NB/PS | PB/NB/NS | PM/NM/NB | PS/NS/NB | PS/NS/NB | ZO/ZO/NM | ZO/ZO/PS |
| NS | PM/NB/ZO | PM/NM/NS | PM/NS/NS | PM/NS/NM | ZO/ZO/NS | NS/ZO/NS | NS/PS/ZO |
| ZO | PM/NM/ZO | PM/NM/NS | PM/NS/PM | ZO/ZO/NS | PS/PS/NS | NM/PM/NS | NM/PM/ZO |
| PS | PS/NM/ZO | PS/NS/ZO | ZO/ZO/ZO | NS/PS/ZO | NS/PS/ZO | NM/PM/ZO | NM/PB/ZO |
| PM | PS/ZO/PB | ZO/ZO/NS | NS/PS/PS | NM/PS/PS | NM/PM/PS | NM/PB/PS | NB/PB/PB |
| PB | ZO/ZO/PB | ZO/ZO/PM | NM/PS/PM | NM/PM/PM | NM/PM/PS | NB/PB/PS | NB/PB/PB |
| Controller Parameters | ke | kec | Ckp | Cki | Ckd |
|---|---|---|---|---|---|
| Fuzzy PID control | 54.6 | 20 | −50 | 55.8 | 2 |
| SSA—Fuzzy PID Control | 119.7467 | 0.7801 | 50 | 2100 | 75.0746 |
| Tester | Three Control Initial Errors (rad) | PID Response Time (s) | Fuzzy PID Response Time (s) | SSA-Fuzzy PID Response Time (s) |
|---|---|---|---|---|
| A | 0.1716 | 3.610 | 2.391 | 2.338 |
| B | 0.09001 | 3.905 | 3.195 | 2.659 |
| C | −0.08579 | 3.503 | 2.940 | 2.927 |
| Tester/Steady-State Error Range (rad) | PID | Fuzzy PID | SSA-Fuzzy PID |
|---|---|---|---|
| A | −0.03363~0.03182 | −0.009989~0.03005 | −0.0006363~0.009561 |
| B | −0.02527~0.01948 | −0.001565~0.01236 | −0.00001675~0.006947 |
| C | −0.03825~0.02670 | −0.002989~0.02770 | −0.0008746~0.01498 |
| Tester | Three Control Initial Errors (rad) | PID Response Time (s) | Fuzzy PID Response Time (s) | SSA-Fuzzy PID Response Time (s) |
|---|---|---|---|---|
| A | 0.03700 | 3.597 | 2.739 | 2.512 |
| B | −0.03521 | 3.838 | 2.373 | 2.311 |
| C | 0.5387 | 3.311 | 1.779 | 1.739 |
| Tester/Steady-State Error Range (rad) | PID | Fuzzy PID | SSA-Fuzzy PID |
|---|---|---|---|
| A | −0.04268~0.02872 | −0.009082~0.01883 | −0.003384~0.008158 |
| B | −0.05174~0.03408 | −0.01407~0.02236 | −0.003237~0.01759 |
| C | −0.04336~0.03617 | −0.01878~0.01744 | −0.009866~0.001340 |
Disclaimer/Publisher’s Note: The statements, opinions and data contained in all publications are solely those of the individual author(s) and contributor(s) and not of MDPI and/or the editor(s). MDPI and/or the editor(s) disclaim responsibility for any injury to people or property resulting from any ideas, methods, instructions or products referred to in the content. |
© 2025 by the authors. Licensee MDPI, Basel, Switzerland. This article is an open access article distributed under the terms and conditions of the Creative Commons Attribution (CC BY) license (https://creativecommons.org/licenses/by/4.0/).
Share and Cite
Li, W.; Wei, X.; Sun, D.; Zong, S.; Yue, Z. Investigation of Trajectory Tracking Control in Hip Joints of Lower-Limb Exoskeletons Using SSA-Fuzzy PID Optimization. Sensors 2025, 25, 1335. https://doi.org/10.3390/s25051335
Li W, Wei X, Sun D, Zong S, Yue Z. Investigation of Trajectory Tracking Control in Hip Joints of Lower-Limb Exoskeletons Using SSA-Fuzzy PID Optimization. Sensors. 2025; 25(5):1335. https://doi.org/10.3390/s25051335
Chicago/Turabian StyleLi, Wei, Xiaojie Wei, Dawen Sun, Siyu Zong, and Zhengwei Yue. 2025. "Investigation of Trajectory Tracking Control in Hip Joints of Lower-Limb Exoskeletons Using SSA-Fuzzy PID Optimization" Sensors 25, no. 5: 1335. https://doi.org/10.3390/s25051335
APA StyleLi, W., Wei, X., Sun, D., Zong, S., & Yue, Z. (2025). Investigation of Trajectory Tracking Control in Hip Joints of Lower-Limb Exoskeletons Using SSA-Fuzzy PID Optimization. Sensors, 25(5), 1335. https://doi.org/10.3390/s25051335

