High-Performance ZIF-7@PANI Electrochemical Sensor for Simultaneous Trace Cadmium and Lead Detection in Water Samples: A Box–Behnken Design Optimization Approach
Abstract
Highlights
- Development of an innovative sensor based on ZIF-7 and polyaniline for the simultaneous detection of cadmium (Cd²⁺) and lead (Pb²⁺) ions in water.
- Optimization of the sensor’s performance using the Box-Behnken design (BBD), leading to enhanced sensitivity and selectivity.
- The ZIF-7@PANI/GCE sensor demonstrated low detection limits (2.96 nM for Pb²⁺ and 10.6 nM for Cd²⁺), making it highly suitable for trace-level heavy metal detection.
- The successful validation of the sensor using real water samples highlights its potential for practical applications in environmental monitoring and water quality assessment.
Abstract
1. Introduction
2. Experimental
2.1. Chemicals
2.2. Preparation of ZIF-7@PANI Nanocomposite
2.2.1. Synthesis of Nano-ZIF-7
2.2.2. Synthesis of ZIF-7@PANI Nanocomposite
2.3. Preparation of Modified Electrodes
2.4. Characterization Methods
2.5. Electrochemical Tests
2.6. Water Sample Analysis
3. Results and Discussions
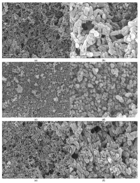
3.1. Structural and Morphological Characterization
3.2. Electrochemical Characterization of the Modified Electrodes
3.3. Optimization of Experimental Parameters
3.4. Electrochemical Determination of Cd2+ and Pb2+ Ions
3.5. Interference Study
3.6. Real Sample
4. Conclusions
Author Contributions
Funding
Data Availability Statement
Acknowledgments
Conflicts of Interest
References
- Emile, R.; Clammer, J.R.; Jayaswal, P.; Sharma, P. Addressing Water Scarcity in Developing Country Contexts: A Socio-Cultural Approach. Humanit. Soc. Sci. Commun. 2022, 9, 144. [Google Scholar] [CrossRef]
- Kandasamy, G.; Singh, Y.R.; Narayanan, M. Impacts of Heavy Metal Enriched Tailings of Magnesite Mine on Surrounding Water Reservoirs. J. Environ. Treat. Tech. 2021, 9, 521–527. [Google Scholar] [CrossRef]
- Kamba, F.; Sangija, F.; Wei, S. The Poor Sanitation and Access to Clean Water in Rural Areas: Case of Bossangoa (Central African Republic). Adv. Soc. Sci. Res. J. 2016, 3. [Google Scholar] [CrossRef]
- Ali, H.; Khan, E.; Ilahi, I. Environmental Chemistry and Ecotoxicology of Hazardous Heavy Metals: Environmental Persistence, Toxicity, and Bioaccumulation. J. Chem. 2019, 2019, 6730305. [Google Scholar] [CrossRef]
- You, J.; Li, J.; Wang, Z.; Baghayeri, M.; Zhang, H. Application of Co3O4 Nanocrystal/rGO for Simultaneous Electrochemical Detection of Cadmium and Lead in Environmental Waters. Chemosphere 2023, 335, 139133. [Google Scholar] [CrossRef] [PubMed]
- Yuan, M.; Peng, X.; Ge, F.; Li, Q.; Wang, K.; Yu, D.-G.; Wang, Z. Simplified Design for Solution Anode Glow Discharge Atomic Emission Spectrometry Device for Highly Sensitive Detection of Ag, Bi, Cd, Hg, Pb, Tl, and Zn. Microchem. J. 2020, 155, 104785. [Google Scholar] [CrossRef]
- Ling, Y.; Luo, F.; Zhu, S. A Simple and Fast Sample Preparation Method Based on Ionic Liquid Treatment for Determination of Cd and Pb in Dried Solid Agricultural Products by Graphite Furnace Atomic Absorption Spectrometry. LWT 2021, 142, 111077. [Google Scholar] [CrossRef]
- Jurowski, K. The Toxicological Assessment of Hazardous Elements (Pb, Cd and Hg) in Low-Cost Jewelry for Adults from Chinese E-Commerce Platforms: In Situ Analysis by Portable X-Ray Fluorescence Measurement. J. Hazard. Mater. 2023, 460, 132167. [Google Scholar] [CrossRef]
- Chen, Y.; He, M.; Chen, B.; Hu, B. Thiol-Grafted Magnetic Polymer for Preconcentration of Cd, Hg, Pb from Environmental Water Followed by Inductively Coupled Plasma Mass Spectrometry Detection. Spectrochim. Acta Part B At. Spectrosc. 2021, 177, 106071. [Google Scholar] [CrossRef]
- Zhang, L.; Zhen, Y.; Tong, L. Optical Micro/Nanofiber Enabled Tactile Sensors and Soft Actuators: A Review. Opto-Electronic Sci. 2024, 3, 240005–240017. [Google Scholar] [CrossRef]
- Dahaghin, Z.; Kilmartin, P.A.; Mousavi, H.Z. Novel Ion Imprinted Polymer Electrochemical Sensor for the Selective Detection of Lead(II). Food Chem. 2020, 303, 125374. [Google Scholar] [CrossRef] [PubMed]
- Sengupta, P.; Pramanik, K.; Sarkar, P. Simultaneous Detection of Trace Pb(II), Cd(II) and Hg(II) by Anodic Stripping Analyses with Glassy Carbon Electrode Modified by Solid Phase Synthesized Iron-Aluminate Nano Particles. Sens. Actuators B Chem. 2021, 329, 129052. [Google Scholar] [CrossRef]
- Pasakon, P.; Mensing, J.P.; Phokaratkul, D.; Karuwan, C.; Lomas, T.; Wisitsoraat, A.; Tuantranont, A. A High-Performance, Disposable Screen-Printed Carbon Electrode Modified with Multi-Walled Carbon Nanotubes/Graphene for Ultratrace Level Electrochemical Sensors. J. Appl. Electrochem. 2019, 49, 217–227. [Google Scholar] [CrossRef]
- Adil, H.I.; Thalji, M.R.; Yasin, S.A.; Saeed, I.A.; Assiri, M.A.; Chong, K.F.; Ali, G.A.M. Metal–Organic Frameworks (MOFs) Based Nanofiber Architectures for the Removal of Heavy Metal Ions. RSC Adv. 2022, 12, 1433–1450. [Google Scholar] [CrossRef] [PubMed]
- Mansour, M.; Kahri, H.; Guergueb, M.; Barhoumi, H.; Gutierrez Puebla, E.; Ayed, B.; Demirci, U.B. Copper-Based MOF, Cu3 (SDBA)2 (HSDBA), as a Catalyst for Efficient Reduction of 4-Nitrophenol in the Presence of Sodium Borohydride. React. Chem. Eng. 2022, 7, 908–916. [Google Scholar] [CrossRef]
- Missaoui, N.; Chrouda, A.; Kahri, H.; Gross, A.J.; Rezaei Ardani, M.; Pang, A.L.; Ahmadipour, M. PEG-Templated Synthesis of Ultramicroporous n-ZIF-67 Nanoparticles with High Selectivity for the Adsorption and Uptake of CO2 over CH4 and N2. Sep. Purif. Technol. 2023, 316, 123755. [Google Scholar] [CrossRef]
- Liu, S.; Hu, Z.; Yan, X.; Geng, S.; Zhao, X.; Ou, H.; Pan, J. Separation and Purification of Target Flavonoids Using Covalently Connected MOFs@boronic Acid-Functionalized-COFs Magnetic Hybrids: Precise Identification and Enhanced Stability. Sep. Purif. Technol. 2023, 320, 124061. [Google Scholar] [CrossRef]
- Ma, D.; Wang, G.; Lu, J.; Zeng, X.; Cheng, Y.; Zhang, Z.; Lin, N.; Chen, Q. Multifunctional Nano MOF Drug Delivery Platform in Combination Therapy. Eur. J. Med. Chem. 2023, 261, 115884. [Google Scholar] [CrossRef] [PubMed]
- Musarurwa, H.; Tavengwa, N.T. Smart Metal-Organic Framework (MOF) Composites and Their Applications in Environmental Remediation. Mater. Today Commun. 2022, 33, 104823. [Google Scholar] [CrossRef]
- Shafqat, S.S.; Rizwan, M.; Batool, M.; Shafqat, S.R.; Mustafa, G.; Rasheed, T.; Zafar, M.N. Metal Organic Frameworks as Promising Sensing Tools for Electrochemical Detection of Persistent Heavy Metal Ions from Water Matrices: A Concise Review. Chemosphere 2023, 318, 137920. [Google Scholar] [CrossRef]
- Wannassi, J.; Missaoui, N.; Mabrouk, C.; Barhoumi, H.; Crapnell, R.D.; Jaffrezic, N.; Banks, C.E.; Kahri, H. Electrochemical Sensors Based on Metal-Organic Framework and Conductive Polymer HKUST-1@PANI for High-Performance Detection of Lead Ions. J. Electrochem. Soc. 2023, 170, 117504. [Google Scholar] [CrossRef]
- Dong, J.; Zhang, D.; Li, C.; Bai, T.; Jin, H.; Suo, Z. A Sensitive Electrochemical Sensor Based on PtNPs@Cu-MOF Signal Probe and DNA Walker Signal Amplification for Pb2+ Detection. Bioelectrochemistry 2022, 146, 108134. [Google Scholar] [CrossRef] [PubMed]
- Wang, C.; Niu, Q.; Liu, D.; Dong, X.; You, T. Electrochemical Sensor Based on Bi/Bi2O3 Doped Porous Carbon Composite Derived from Bi-MOFs for Pb2+ Sensitive Detection. Talanta 2023, 258, 124281. [Google Scholar] [CrossRef]
- Tran, T.Q.N.; Das, G.; Yoon, H.H. Nickel-Metal Organic Framework/MWCNT Composite Electrode for Non-Enzymatic Urea Detection. Sens. Actuators B Chem. 2017, 243, 78–83. [Google Scholar] [CrossRef]
- Guesmi, S.; Moulaee, K.; Bressi, V.; Kahri, H.; Khaskhoussi, A.; Espro, C.; Barhoumi, H.; Neri, G. Non-Enzymatic Amperometric Glucose Sensing by Novel Cu-MOF Synthesized at Room Temperature. Mater. Adv. 2024, 5, 1160–1170. [Google Scholar] [CrossRef]
- Wang, Y.; Wang, L.; Huang, W.; Zhang, T.; Hu, X.; Perman, J.A.; Ma, S. A Metal–Organic Framework and Conducting Polymer Based Electrochemical Sensor for High Performance Cadmium Ion Detection. J. Mater. Chem. A 2017, 5, 8385–8393. [Google Scholar] [CrossRef]
- Shahsavari, M.; Mohammadzadeh Jahani, P.; Sheikhshoaie, I.; Tajik, S.; Aghaei Afshar, A.; Askari, M.B.; Salarizadeh, P.; Di Bartolomeo, A.; Beitollahi, H. Green Synthesis of Zeolitic Imidazolate Frameworks: A Review of Their Characterization and Industrial and Medical Applications. Materials 2022, 15, 447. [Google Scholar] [CrossRef] [PubMed]
- Ban, Y.; Li, Y.; Liu, X.; Peng, Y.; Yang, W. Solvothermal Synthesis of Mixed-Ligand Metal–Organic Framework ZIF-78 with Controllable Size and Morphology. Microporous Mesoporous Mater. 2013, 173, 29–36. [Google Scholar] [CrossRef]
- Hunter-Sellars, E.; Saenz-Cavazos, P.A.; Houghton, A.R.; McIntyre, S.R.; Parkin, I.P.; Williams, D.R. Sol–Gel Synthesis of High-Density Zeolitic Imidazolate Framework Monoliths via Ligand Assisted Methods: Exceptional Porosity, Hydrophobicity, and Applications in Vapor Adsorption. Adv. Funct. Mater. 2021, 31, 2008357. [Google Scholar] [CrossRef]
- Yan, X.; Yang, Y.; Wang, C.; Hu, X.; Zhou, M.; Komarneni, S. Surfactant-Assisted Synthesis of ZIF-8 Nanocrystals for Phthalic Acid Adsorption. J. Sol-Gel Sci. Technol. 2016, 80, 523–530. [Google Scholar] [CrossRef]
- Lai, L.S.; Yeong, Y.F.; Lau, K.K.; Shariff, A.M. Effect of Synthesis Parameters on the Formation of ZIF-8 Under Microwave-Assisted Solvothermal. Procedia Eng. 2016, 148, 35–42. [Google Scholar] [CrossRef]
- Missaoui, N.; Kahri, H.; Demirci, U.B. Rapid Room-Temperature Synthesis and Characterizations of High-Surface-Area Nanoparticles of Zeolitic Imidazolate Framework-8 (ZIF-8) for CO2 and CH4 Adsorption. J. Mater. Sci. 2022, 57, 16245–16257. [Google Scholar] [CrossRef]
- Missaoui, N.; Mohamed, B.; Chrouda, A.; Kahri, H.; Barhoumi, H.; Pang, A.L.; Ahmadipour, M. Interpreting of the Carbon Dioxide Adsorption on High Surface Area Zeolitic Imidazolate Framework-8 (ZIF-8) Nanoparticles Using a Statistical Physics Model. Microporous Mesoporous Mater. 2023, 360, 112711. [Google Scholar] [CrossRef]
- He, M.; Yao, J.; Li, L.; Wang, K.; Chen, F.; Wang, H. Synthesis of Zeolitic Imidazolate Framework-7 in a Water/Ethanol Mixture and Its Ethanol-Induced Reversible Phase Transition. ChemPlusChem 2013, 78, 1222–1225. [Google Scholar] [CrossRef] [PubMed]
- Kang, C.-H.; Lin, Y.-F.; Huang, Y.-S.; Tung, K.-L.; Chang, K.-S.; Chen, J.-T.; Hung, W.-S.; Lee, K.-R.; Lai, J.-Y. Synthesis of ZIF-7/Chitosan Mixed-Matrix Membranes with Improved Separation Performance of Water/Ethanol Mixtures. J. Membr. Sci. 2013, 438, 105–111. [Google Scholar] [CrossRef]
- He, M.; Yao, J.; Liu, Q.; Zhong, Z.; Wang, H. Toluene-Assisted Synthesis of RHO-Type Zeolitic Imidazolate Frameworks: Synthesis and Formation Mechanism of ZIF-11 and ZIF-12. Dalton Trans. 2013, 42, 16608–16613. [Google Scholar] [CrossRef]
- Hu, Y.; Kazemian, H.; Rohani, S.; Huang, Y.; Song, Y. In Situ High Pressure Study of ZIF-8 by FTIR Spectroscopy. Chem. Commun. 2011, 47, 12694–12696. [Google Scholar] [CrossRef] [PubMed]
- Wang, S.; Ma, L.; Gan, M.; Fu, S.; Dai, W.; Zhou, T.; Sun, X.; Wang, H.; Wang, H. Free-Standing 3D Graphene/Polyaniline Composite Film Electrodes for High-Performance Supercapacitors. J. Power Sources 2015, 299, 347–355. [Google Scholar] [CrossRef]
- Dhibar, S.; Das, C.K. Electrochemical Performances of Silver Nanoparticles Decorated Polyaniline/Graphene Nanocomposite in Different Electrolytes. J. Alloys Compd. 2015, 653, 486–497. [Google Scholar] [CrossRef]
- Park, K.S.; Ni, Z.; Côté, A.P.; Choi, J.Y.; Huang, R.; Uribe-Romo, F.J.; Chae, H.K.; O’Keeffe, M.; Yaghi, O.M. Exceptional Chemical and Thermal Stability of Zeolitic Imidazolate Frameworks. Proc. Natl. Acad. Sci. USA 2006, 103, 10186–10191. [Google Scholar] [CrossRef]
- Yan, J.; Wei, T.; Shao, B.; Fan, Z.; Qian, W.; Zhang, M.; Wei, F. Preparation of a Graphene Nanosheet/Polyaniline Composite with High Specific Capacitance. Carbon 2010, 48, 487–493. [Google Scholar] [CrossRef]
- Butler, K.T.; Worrall, S.D.; Molloy, C.D.; Hendon, C.H.; Attfield, M.P.; Dryfe, R.A.W.; Walsh, A. Electronic Structure Design for Nanoporous, Electrically Conductive Zeolitic Imidazolate Frameworks. J. Mater. Chem. C 2017, 5, 7726–7731. [Google Scholar] [CrossRef]
- Chelladurai, S.J.S..; Murugan, K.; Ray, A.P.; Upadhyaya, M.; Narasimharaj, V.; Gnanasekaran, S. Optimization of Process Parameters Using Response Surface Methodology: A Review. Mater. Today Proc. 2021, 37, 1301–1304. [Google Scholar] [CrossRef]
- Pinheiro, D.R.; Neves, R.d.F.; Paz, S.P.A. A Sequential Box-Behnken Design (BBD) and Response Surface Methodology (RSM) to Optimize SAPO-34 Synthesis from Kaolin Waste. Microporous Mesoporous Mater. 2021, 323, 111250. [Google Scholar] [CrossRef]
- Puthongkham, P.; Wirojsaengthong, S.; Suea-Ngam, A. Machine Learning and Chemometrics for Electrochemical Sensors: Moving Forward to the Future of Analytical Chemistry. Analyst 2021, 146, 6351–6364. [Google Scholar] [CrossRef] [PubMed]
- Bressi, V.; Celesti, C.; Ferlazzo, A.; Len, T.; Moulaee, K.; Neri, G.; Luque, R.; Espro, C. Waste-Derived Carbon Nanodots for Fluorimetric and Simultaneous Electrochemical Detection of Heavy Metals in Water. Environ. Sci. Nano 2024, 11, 1245–1258. [Google Scholar] [CrossRef]
- Okpara, E.C.; Fayemi, O.E.; Wojuola, O.B.; Onwudiwe, D.C.; Ebenso, E.E. Electrochemical Detection of Selected Heavy Metals in Water: A Case Study of African Experiences. RSC Adv. 2022, 12, 26319–26361. [Google Scholar] [CrossRef]
- Meng, R.; Zhu, Q.; Long, T.; He, X.; Luo, Z.; Gu, R.; Wang, W.; Xiang, P. The Innovative and Accurate Detection of Heavy Metals in Foods: A Critical Review on Electrochemical Sensors. Food Control. 2023, 150, 109743. [Google Scholar] [CrossRef]
- Keramari, V.; Karastogianni, S.; Girousi, S. New Prospects in the Electroanalysis of Heavy Metal Ions (Cd, Pb, Zn, Cu): Development and Application of Novel Electrode Surfaces. Methods Protoc. 2023, 6, 60. [Google Scholar] [CrossRef] [PubMed]
- Bhatia, N.; Mehta, D.; Garg, K.; Kaur, S.; Nagaiah, T.C. Employing Mesoporous Nitrogen Containing Carbon for Simultaneous Electrochemical Detection of Heavy Metal Ions. Chem. Asian J. 2024, e202401315. [Google Scholar] [CrossRef]
- Roslan, J.; Mustapa Kamal, S.; Yunos, K.; Abdullah, N. Optimization of Enzymatic Hydrolysis of Tilapia Muscle (Oreochromis Niloticus) Using Response Surface Methodology (RSM). Sains Malays. 2014, 43, 1715–1723. [Google Scholar]
- Moulaee, K.; Raza, M.H.; Pinna, N.; Donato, N.; Neri, G. CNT/Al 2 O 3 Core–Shell Nanostructures for the Electrochemical Detection of Dihydroxybenzene Isomers. Phys. Chem. Chem. Phys. 2021, 23, 14064–14074. [Google Scholar] [CrossRef] [PubMed]
- Ding, Y.; Wei, F.; Dong, C.; Li, J.; Zhang, C.; Han, X. UiO-66 Based Electrochemical Sensor for Simultaneous Detection of Cd(II) and Pb(II). Inorg. Chem. Commun. 2021, 131, 108785. [Google Scholar] [CrossRef]
- Ai, Y.; Yan, L.; Zhang, S.; Ye, X.; Xuan, Y.; He, S.; Wang, X.; Sun, W. Ultra-Sensitive Simultaneous Electrochemical Detection of Zn(II), Cd(II) and Pb(II) Based on the Bismuth and Graphdiyne Film Modified Electrode. Microchem. J. 2023, 184, 108186. [Google Scholar] [CrossRef]
- Li, Z.; Zhang, X.; Luo, Y.; Li, Q.; Qin, Y.; Wang, G.; Yang, S.; Liu, Z. An Electrochemical Sensor Based on the Composite UiO-66-NH2/rGO for Trace Detection of Pb(II) and Cu(II). Chem. Phys. Lett. 2023, 830, 140825. [Google Scholar] [CrossRef]
- Ru, J.; Wang, X.; Cui, X.; Wang, F.; Ji, H.; Du, X.; Lu, X. GaOOH-Modified Metal-Organic Frameworks UiO-66-NH2: Selective and Sensitive Sensing Four Heavy-Metal Ions in Real Wastewater by Electrochemical Method. Talanta 2021, 234, 122679. [Google Scholar] [CrossRef] [PubMed]
- Veerakumar, P.; Veeramani, V.; Chen, S.-M.; Madhu, R.; Liu, S.-B. Palladium Nanoparticle Incorporated Porous Activated Carbon: Electrochemical Detection of Toxic Metal Ions. ACS Appl. Mater. Interfaces 2016, 8, 1319–1326. [Google Scholar] [CrossRef] [PubMed]











| Parameters | Symbol | Parameter Level | ||
|---|---|---|---|---|
| Low (−1) | Medium (0) | High (+1) | ||
| pH | X1 | 3 | 5 | 7 |
| Drop volume (µL) | X2 | 3 | 9 | 15 |
| Incubation time (min) | X3 | 1 | 2 | 3 |
| Drying time (h) | X4 | 1 | 2 | 3 |
| 78% | 52.3% | 47.3% | |
| 88.93% | 76.01% | 36.33% |
| Source | DF | ||||||||
|---|---|---|---|---|---|---|---|---|---|
| SS | MS | F-Value | p-Value | SS | MS | F-Value | p-Value | ||
| Model | 14 | 22.3247 | 1.5946 | 8.73 | 0.000 ** | 155.690 | 11.12 | 6.89 | 0.001 ** |
| X1 | 1 | 0.9391 | 0.9391 | 5.14 | 0.043 * | 28.170 | 28.17 | 17.44 | 0.001 ** |
| X2 | 1 | 0.0095 | 0.0095 | 0.05 | 0.824 | 0.143 | 0.142 | 0.09 | 0.771 |
| X3 | 1 | 0.6675 | 0.6675 | 3.66 | 0.080 | 0.388 | 0.388 | 0.24 | 0.633 |
| X4 | 1 | 0.0037 | 0.0037 | 0.02 | 0.889 | 3.900 | 3.899 | 2.41 | 0.146 |
| X1 X1 | 1 | 16.0796 | 16.2956 | 89.26 | 0.000 ** | 102.381 | 89.29 | 55.29 | 0.000 ** |
| X2 X2 | 1 | 1.7649 | 2.0175 | 11.05 | 0.006 ** | 3.493 | 3.113 | 1.93 | 0.190 |
| X3 X3 | 1 | 0.1557 | 0.2368 | 1.30 | 0.277 | 2.272 | 1.015 | 0.63 | 0.443 |
| X4 X4 | 1 | 0.1183 | 0.1183 | 0.65 | 0.437 | 1.541 | 1.540 | 0.95 | 0.348 |
| X1 X2 | 1 | 0.0019 | 0.0019 | 0.01 | 0.921 | 0.034 | 0.033 | 0.02 | 0.888 |
| X1 X3 | 1 | 0.0969 | 0.0969 | 0.53 | 0.480 | 0.066 | 0.066 | 0.04 | 0.843 |
| X1 X4 | 1 | 0.2396 | 0.2396 | 1.31 | 0.274 | 2.107 | 2.106 | 1.30 | 0.276 |
| X2 X3 | 1 | 0.1793 | 0.1793 | 0.98 | 0.341 | 3.204 | 3.203 | 1.98 | 0.184 |
| X2 X4 | 1 | 0.6373 | 0.6373 | 3.49 | 0.086 | 1.063 | 1.062 | 0.66 | 0.433 |
| X3 X4 | 1 | 1.4315 | 1.4315 | 7.84 | 0.016 * | 6.930 | 6.929 | 4.29 | 0.061 |
| Lack-of-Fit | 10 | 2.1053 | 0.2105 | 4.93 | 0.180 | 19.336 | 1.933 | 84.85 | 0.012 * |
| Pure Error | 2 | 0.0854 | 0.0427 | 0.046 | 0.022 | ||||
| Total | 26 | 24.5154 | 175.071 | ||||||
| pH | VD (µL) | IT (min) | DT (h) | |||
|---|---|---|---|---|---|---|
| Predicted | 4.8 | 11.73 | 1 | 3 | 3.11 ± 0.78 | 8.43 ± 2.32 |
| Experimental | 4.8 | 11.73 | 1 | 3 | 1.9658 | 8.4699 |
| Materials | Method | LOD (nM) | Linear Range (µM) | References | ||
|---|---|---|---|---|---|---|
| Pb2+ | Cd2+ | Pb2+ | Cd2+ | |||
| CUiO-66/Bi/GCE | SWASV | 5.98 | 41.57 | 0.178–1.067 | 0.178–1.067 | [53] |
| Bi/GDY/GCE | DPASV | 0.146 | 0.171 | 0.010–100.0 | 0.010–100.0 | [54] |
| UiO-66-NH2/rGO | DPASV | 16.39 | - | 0.2–3.2 | - | [55] |
| UiO-66-NH2/GaOOH | DPASV | 16 | 28 | 0.55–2.50 | 0.35–1.60 | [56] |
| Pd NPs-porous carbon/GCE | DPV | 50 | 41 | 0.5–8.9 | 0.5–5.5 | [57] |
| ZIF-7@PANI/GCE | DPV | 2.96 | 10.6 | 0.002–11–30 | 0.02–30 | This work |
| Samples | Metal Ions | Added (µM) | Found (µM) | Recovery (%) |
|---|---|---|---|---|
| Mineral water | Pb2+ | 1 | 0.91 | 91 |
| 10 | 9.2 | 92 | ||
| Cd2+ | 1 | 1.01 | 101 | |
| 10 | 10.91 | 109.1 | ||
| Tap water | Pb2+ | 1 | 0.85 | 85 |
| 10 | 9.3 | 93 | ||
| Cd2+ | 1 | 0.89 | 89 | |
| 10 | 10.57 | 105.7 | ||
| Sea water | Pb2+ | 1 | 0.94 | 94 |
| 10 | 10.09 | 100.9 | ||
| Cd2+ | 1 | 1.088 | 108.8 | |
| 10 | 11.01 | 110.1 |
Disclaimer/Publisher’s Note: The statements, opinions and data contained in all publications are solely those of the individual author(s) and contributor(s) and not of MDPI and/or the editor(s). MDPI and/or the editor(s) disclaim responsibility for any injury to people or property resulting from any ideas, methods, instructions or products referred to in the content. |
© 2025 by the authors. Licensee MDPI, Basel, Switzerland. This article is an open access article distributed under the terms and conditions of the Creative Commons Attribution (CC BY) license (https://creativecommons.org/licenses/by/4.0/).
Share and Cite
Guesmi, S.; Ali, N.H.; Missaoui, N.; Aloui, Z.; Mabrouk, C.; Martinez, C.C.; Echouchene, F.; Barhoumi, H.; Jaffrezic-Renault, N.; Kahri, H. High-Performance ZIF-7@PANI Electrochemical Sensor for Simultaneous Trace Cadmium and Lead Detection in Water Samples: A Box–Behnken Design Optimization Approach. Sensors 2025, 25, 1336. https://doi.org/10.3390/s25051336
Guesmi S, Ali NH, Missaoui N, Aloui Z, Mabrouk C, Martinez CC, Echouchene F, Barhoumi H, Jaffrezic-Renault N, Kahri H. High-Performance ZIF-7@PANI Electrochemical Sensor for Simultaneous Trace Cadmium and Lead Detection in Water Samples: A Box–Behnken Design Optimization Approach. Sensors. 2025; 25(5):1336. https://doi.org/10.3390/s25051336
Chicago/Turabian StyleGuesmi, Sondes, Nashwan H. Ali, Nadhem Missaoui, Zouhaier Aloui, Chama Mabrouk, Carlos Castilla Martinez, Fraj Echouchene, Houcine Barhoumi, Nicole Jaffrezic-Renault, and Hamza Kahri. 2025. "High-Performance ZIF-7@PANI Electrochemical Sensor for Simultaneous Trace Cadmium and Lead Detection in Water Samples: A Box–Behnken Design Optimization Approach" Sensors 25, no. 5: 1336. https://doi.org/10.3390/s25051336
APA StyleGuesmi, S., Ali, N. H., Missaoui, N., Aloui, Z., Mabrouk, C., Martinez, C. C., Echouchene, F., Barhoumi, H., Jaffrezic-Renault, N., & Kahri, H. (2025). High-Performance ZIF-7@PANI Electrochemical Sensor for Simultaneous Trace Cadmium and Lead Detection in Water Samples: A Box–Behnken Design Optimization Approach. Sensors, 25(5), 1336. https://doi.org/10.3390/s25051336

