Adaptive Relay Free Space Networking for Autonomous Underwater Drone Swarms
Abstract
1. Introduction
2. Theory and System Model
3. Materials and Methods
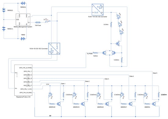
3.1. Electronics
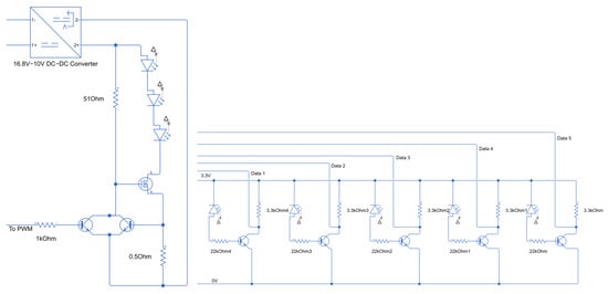
3.1.1. Light Emitting Diode
3.1.2. Photo Diode
3.1.3. Microcomputer
3.2. Physical Construction
3.2.1. Underwater Drone Body Design
3.2.2. Circuit Mounting Board
3.2.3. Buoy Design
3.3. Networking
3.3.1. Protocol
- PING
- Look for ID 0 (B)
- Look for ID 1
- Look for ID 2
- Look for ID 3
- Enter relay mode
- Exit relay mode
- Affirmative
- Denied
- Who can be seen?
3.3.2. Adaptive Relay Logic
| Algorithm 1 Node Discovery and Relay Control Procedure |
|
4. Results and Evaluations
4.1. Experiment Setup
4.2. Test Data
4.2.1. B-1 Configuration
4.2.2. B-1-2 Configuration
4.2.3. B-1-2-3 Configuration
4.2.4. B-1-> B-2-1 Configuration
4.2.5. B-3-2-> B-1-2 Configuration
4.2.6. Underwater
4.3. Simulation
Simulation Analysis
4.4. Collected Real Data
4.5. Discussion and Analysis
5. Conclusions and Future Work
Author Contributions
Funding
Institutional Review Board Statement
Informed Consent Statement
Data Availability Statement
Acknowledgments
Conflicts of Interest
Abbreviations
| 3D | 3-Dimensional |
| AF | Amplify-and-Forward |
| AI | Artificial-Intelligence |
| Ave. | Average |
| BMS | Battery Management System |
| DF | Decode-and-Forward |
| FSO | Free-Space-Optics |
| FPGA | Field-Programmable Gate Array |
| GPIO | General Purpose Input Output |
| HAFSO | Hybrid-Acoustic-Free-Space-Optics |
| ID | Identifier |
| LED | Light Emitting Diode |
| Li-ion | Lithium Ion |
| LoRa | Long-range Radio |
| LOS | Line of Sight |
| NRZ | Non-Return-to-Zero |
| OOK | On Off Keying |
| PETG+ | Polyethylene Terephthalate Glycol (modified) |
| R-Pi | Raspberry Pi |
| Stdv. | Standard Deviation |
| UV | Ultra Violet |
| Vo | Voltage Output |
| Wi-Fi | Wireless Fidelity |
References
- Berlinger, F.; Gauci, M.; Nagpal, R. Implicit coordination for 3D underwater collective behaviors in a fish-inspired robot swarm. Sci. Robot. 2021, 6, eabd8668. [Google Scholar] [CrossRef]
- Connor, J.; Champion, B.; Joordens, M.A. Current Algorithms, Communication Methods and Designs for Underwater Swarm Robotics: A Review. IEEE Sens. J. 2020, 21, 153–169. [Google Scholar] [CrossRef]
- Katzschmann, R.K.; DelPreto, J.; MacCurdy, R.; Rus, D. Exploration of underwater life with an acoustically controlled soft robotic fish. Sci. Robot. 2018, 3, eaar3449. [Google Scholar] [CrossRef]
- Hoeher, P.A.; Sticklus, J.; Harlakin, A. Underwater Optical Wireless Communications in Swarm Robotics: A Tutorial. IEEE Commun. Surv. Tutor. 2021, 23, 2630–2659. [Google Scholar] [CrossRef]
- Iacoponi, S.; Van Vuuren, G.J.; Santaera, G.; Mankovskii, N.; Zhilin, I.; Renda, F.; Stefanini, C.; Masi, G.D. H-SURF: Heterogeneous Swarm of Underwater Robotic Fish. In Proceedings of the OCEANS 2022, Hampton Roads, VA, USA, 17–20 October 2022; pp. 1–5, ISSN 0197-7385. [Google Scholar] [CrossRef]
- Khan, M.S.; Petroni, A.; Biagi, M. Cooperative Communication Based Protocols for Underwater Wireless Sensors Networks: A Review. Sensors 2024, 24, 4248. [Google Scholar] [CrossRef] [PubMed]
- Qin, X.; Yang, Y.; Pan, M.; Liu, L. Self-Organized Circling of Swarm Robots using Optical Communications. In Proceedings of the 2023 IEEE 13th International Conference on CYBER Technology in Automation, Control, and Intelligent Systems (CYBER), Qinhuangdao, China, 11–14 July 2023; pp. 80–83, ISSN 2642-6633. [Google Scholar] [CrossRef]
- Salazar, J. Computational Design and Control of Autonomous Underwater Vehicles. Ph.D. Thesis, Massachusetts Institute of Technology, Cambridge, MA, USA, 2022. [Google Scholar]
- Pourpanah, F.; Wang, R.; Lim, C.P.; Wang, X.Z.; Yazdani, D. A review of artificial fish swarm algorithms: Recent advances and applications. Artif. Intell. Rev. 2023, 56, 1867–1903. [Google Scholar] [CrossRef]
- Schmickl, T.; Hamann, H. BEECLUST: A swarm algorithm derived from honeybees. In Bio-Inspired Computing and Communication Networks; CRC Press: Boca Raton, FL, USA, 2011; pp. 95–137. [Google Scholar]
- Siemensma, T.; Chiu, D.; Ramshanker, S.; Nagpal, R.; Haghighat, B. Collective Bayesian Decision-Making in a Swarm of Miniaturized Robots for Surface Inspection. In Proceedings of the International Conference on Swarm Intelligence, Konstanz, Germany, 9–11 October 2024; Hamann, H., Dorigo, M., Pérez Cáceres, L., Reina, A., Kuckling, J., Kaiser, T.K., Soorati, M., Hasselmann, K., Buss, E., Eds.; Springer Nature: Cham, Switzerland; pp. 57–70. [Google Scholar] [CrossRef]
- Raj, A.A.B.; Krishnan, P.; Darusalam, U.; Kaddoum, G.; Ghassemlooy, Z.; Abadi, M.M.; Majumdar, A.K.; Ijaz, M. A Review–Unguided Optical Communications: Developments, Technology Evolution, and Challenges. Electronics 2023, 12, 1922. [Google Scholar] [CrossRef]
- Sajmath, P.K.; Ravi, R.V.; Majeed, K.A. Underwater Wireless Optical Communication Systems: A Survey. In Proceedings of the 2020 7th International Conference on Smart Structures and Systems (ICSSS), Chennai, India, 23–24 July 2020; pp. 1–7. [Google Scholar] [CrossRef]
- Kou, L.; Zhang, J.; Zhang, P.; Yang, Y.; He, F. Composite channel modeling for underwater optical wireless communication and analysis of multiple scattering characteristics. Opt. Express 2023, 31, 11320–11334. [Google Scholar] [CrossRef] [PubMed]
- Deluxni, N.; Sudhakaran, P.; Kitmo; Ndiaye, M.F. A Review on Image Enhancement and Restoration Techniques for Underwater Optical Imaging Applications. IEEE Access 2023, 11, 111715–111737. [Google Scholar] [CrossRef]
- Penzel, S.; Mayer, T.; Goblirsch, T.; Borsdorf, H.; Rudolph, M.; Kanoun, O. A novel turbidity compensation method for water measurements by UV/Vis and fluorescence spectroscopy. Measurement 2025, 239, 115447. [Google Scholar] [CrossRef]
- Arnon, S.; Barry, J.; Karagiannidis, G. Advanced Optical Wireless Communication Systems; Cambridge University Press: Cambridge, UK, 2012. [Google Scholar]
- Ghatak, G.; Khosravirad, S.R.; Domenico, A.D. Stochastic Geometry Framework for Ultrareliable Cooperative Communications With Random Blockages. IEEE Internet Things J. 2022, 9, 5150–5161. [Google Scholar] [CrossRef]
- Liu, Y.; Liao, S.; Sun, Q.; Song, S.; Wu, T.; Zhao, L.; Guo, L. How Cooperative Communication Distinguishes in Wireless Optical Systems. IEEE Wirel. Commun. 2023, 30, 20–26. [Google Scholar] [CrossRef]
- Berutu, E.; Muharar, R.; Nasaruddin, N. Joint relay selection and energy harvesting to improve performance of cooperative communication systems. In IOP Conference Series: Materials Science and Engineering; IOP Publishing: Bristol, UK, 2021; Volume 1087, p. 012081. [Google Scholar] [CrossRef]
- Kaushal, H.; Kaddoum, G. Underwater Optical Wireless Communication. IEEE Access 2016, 4, 1518–1547. [Google Scholar] [CrossRef]
- Li, J.; Liu, M.; Yang, X.; Wang, X.; Wan, Y.; Wang, K.; Nirmalathas, A.; Lim, C. NLOS Underwater Optical Wireless Communications With Wavy Surface Using Relay Coordination Based on Incremental Hybrid Decode-Amplify-Forward Scheme. J. Light. Technol. 2025, 43, 7632–7638. [Google Scholar] [CrossRef]
- Sharma, R.; Trivedi, Y.N.; Garg, K.K.; Bhatia, V.; Abdel-Hafez, M. On Performance Analysis of Cooperative Horizontal and Vertical Underwater VLC Systems with Best Relay Selection. Photonics 2023, 10, 429. [Google Scholar] [CrossRef]
- Islam, K.Y.; Ahmad, I.; Habibi, D.; Zahed, M.I.A.; Kamruzzaman, J. Green Underwater Wireless Communications Using Hybrid Optical-Acoustic Technologies. IEEE Access 2021, 9, 85109–85123. [Google Scholar] [CrossRef]
- Jamali, M.V.; Chizari, A.; Salehi, J.A. Performance Analysis of Multi-Hop Underwater Wireless Optical Communication Systems. IEEE Photonics Technol. Lett. 2017, 29, 462–465. [Google Scholar] [CrossRef]
- Theocharidis, T.; Kavallieratou, E. Underwater communication technologies: A review. Telecommun. Syst. 2025, 88, 54. [Google Scholar] [CrossRef]
- Li, D.C.; Chen, C.C.; Liaw, S.K.; Afifah, S.; Sung, J.Y.; Yeh, C.H. Performance Evaluation of Underwater Wireless Optical Communication System by Varying the Environmental Parameters. Photonics 2021, 8, 74. [Google Scholar] [CrossRef]
- Pir, R.; Sulukan, E.; Şenol, O.; Atakay, M.; Baran, A.; Kankaynar, M.; Yıldız, E.; Salih, B.; Ceyhun, S.B. Co-exposure effect of different colour of LED lights and increasing temperature on zebrafish larvae (Danio rerio): Immunohistochemical, metabolomics, molecular and behaviour approaches. Sci. Total Environ. 2024, 951, 175468. [Google Scholar] [CrossRef] [PubMed]
- Dan. High Power LED Driver Circuits. Available online: https://www.instructables.com/Circuits-for-using-High-Power-LED-s/ (accessed on 14 November 2025).
- Glen Geek Changing a 3.3V Signal to a 5V Signal Using a BJT Transistor. Electrical Engineering Stack Exchange. Version: 2016-10-01. Available online: https://electronics.stackexchange.com/q/261016 (accessed on 14 November 2025).
- Raspberry Pi Ltd. Raspberry Pi. 2024. Available online: https://www.raspberrypi.com/ (accessed on 13 October 2025).
- Wardill, T.; Olsborn, L.; Nakamura, I.; Assembly, N.; CoRfr.; Kla, Y.; Antliff, D.; Akvavit01.; Rios, F.; V., W.; et al. WiringPi. 2012. Original date: 2012-06-29. Available online: https://github.com/WiringPi/WiringPi (accessed on 13 October 2025).
- Blue Robotics Inc. Blue Robotics. 2025. Available online: https://bluerobotics.com/ (accessed on 25 November 2025).
- Carver, C.; Shao, Q.; Lensgraf, S.; Sniffen, A.; Perroni-Scharf, M.; Gallant, H.; Quattrini Li, A.; Zhou, X. Sunflower: Locating underwater robots from the air: Video. In Proceedings of the 20th Annual International Conference on Mobile Systems, Applications and Services, Portland, OR, USA, 27 June–1 July 2022; pp. 607–608. [Google Scholar] [CrossRef]



















| Reference | Scenario | Cooperation Scheme | Distinctive Feature |
|---|---|---|---|
| Kaushal et al. [21] | Theoretical | AF | Diverse |
| Li et al. [22] | Simulation | AF/DF | Hyrbid AF/DF |
| Sharma et al. [23] | Simulation | Best-Relay Selection | Orientation aware |
| Islam et al. [24] | Simulation | HAFSO | Power savings |
| Jamali et al. [25] | Simulation | Multi-Hop | Laser based |
| Theocharidis et al. [26] | Theoretical | AI-Assisted | Optimization focus |
| Li et al. [27] | Experimental | None | Laser based & real |
| Configuration | Run 1 (s) | Run 2 (s) | Run 3 (s) | Run 4 (s) | Run 5 (s) | Ave. (s) | Stdv. (s) |
|---|---|---|---|---|---|---|---|
| B-1 | 48.67 | 47.76 | 50.21 | 53.28 | 51.49 | 50.28 | 2.20 |
| B-1-2 | 54.15 | 60.72 | 62.13 | 74.45 | 63.40 | 62.97 | 7.34 |
| B-1-2-3 | 95.23 | 84.75 | 86.26 | 94.74 | 94.45 | 91.09 | 5.13 |
| B-1 -> B-2-1 | 62.61 | 44.63 | 76.96 | 72.74 | 64.59 | 64.31 | 12.46 |
| B-3-2 -> B-1-2 | 53.16 | 54.18 | 67.42 | 66.33 | 46.57 | 57.53 | 9.03 |
| Run # | Success | Success |
|---|---|---|
| in Air (%) | in Water (%) | |
| 1 | 95 | 94 |
| 2 | 92 | 94 |
| 3 | 93 | 96 |
| 4 | 93 | 91 |
| 5 | 94 | 96 |
| 6 | 92 | 92 |
| 7 | 97 | 93 |
| 8 | 92 | 96 |
| 9 | 95 | 93 |
| 10 | 99 | 97 |
| Ave. | 94.2 | 94.2 |
| Configuration | Level 1 | Level 2 | Level 3 | Level 4 | Changes |
|---|---|---|---|---|---|
| B-1 | B | 1 | No | ||
| B-1-2 | B | 1 | 2 | No | |
| B-1-2-3 | B | 1 | 2 | 3 | No |
| B-1 -> B-2-1 | B | 1 | At 15 s | ||
| B | 2 | 1 | |||
| B-3-2 -> B-1-2 | B | 3 | 2 | At 15 s | |
| B | 1 | 2 |
Disclaimer/Publisher’s Note: The statements, opinions and data contained in all publications are solely those of the individual author(s) and contributor(s) and not of MDPI and/or the editor(s). MDPI and/or the editor(s) disclaim responsibility for any injury to people or property resulting from any ideas, methods, instructions or products referred to in the content. |
© 2025 by the authors. Licensee MDPI, Basel, Switzerland. This article is an open access article distributed under the terms and conditions of the Creative Commons Attribution (CC BY) license (https://creativecommons.org/licenses/by/4.0/).
Share and Cite
Stack, D.; Nuti, D.; Rahmati, M. Adaptive Relay Free Space Networking for Autonomous Underwater Drone Swarms. Sensors 2025, 25, 7412. https://doi.org/10.3390/s25247412
Stack D, Nuti D, Rahmati M. Adaptive Relay Free Space Networking for Autonomous Underwater Drone Swarms. Sensors. 2025; 25(24):7412. https://doi.org/10.3390/s25247412
Chicago/Turabian StyleStack, David, Douglas Nuti, and Mehdi Rahmati. 2025. "Adaptive Relay Free Space Networking for Autonomous Underwater Drone Swarms" Sensors 25, no. 24: 7412. https://doi.org/10.3390/s25247412
APA StyleStack, D., Nuti, D., & Rahmati, M. (2025). Adaptive Relay Free Space Networking for Autonomous Underwater Drone Swarms. Sensors, 25(24), 7412. https://doi.org/10.3390/s25247412

