A CMOS Voltage Reference with PTAT Current Using DIBL Compensation for Low Line Sensitivity
Abstract
1. Introduction
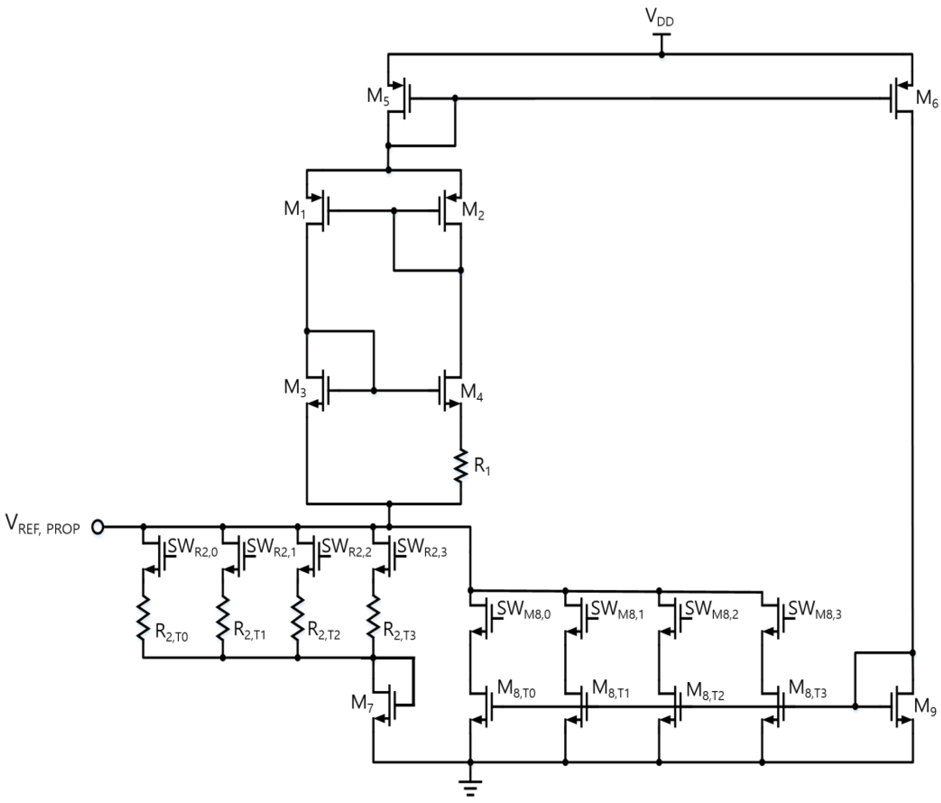
2. Proposed Voltage Reference with PTAT Current Using DIBL Compensation
Design Description
- Core PTAT design: Design the PTAT generator considering both current level and TC based on Equation (6), determining W3, W4 and .
- Compensation path sizing: Determine the current level in the LS-improvement paths, which defines W5, W6, W8 and W9.
- Optimum length selection: Calculate the theoretical optimum value for by using Equation (14) and determine L6 based on Table 1.
- Final adjustment: Tune the design parameters in the LS-improvement paths.
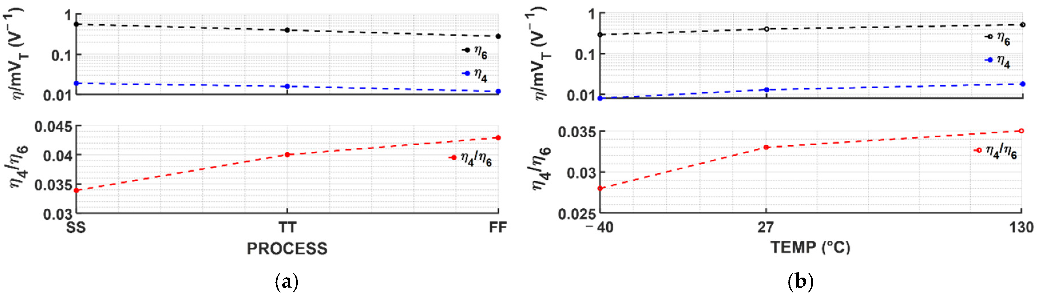
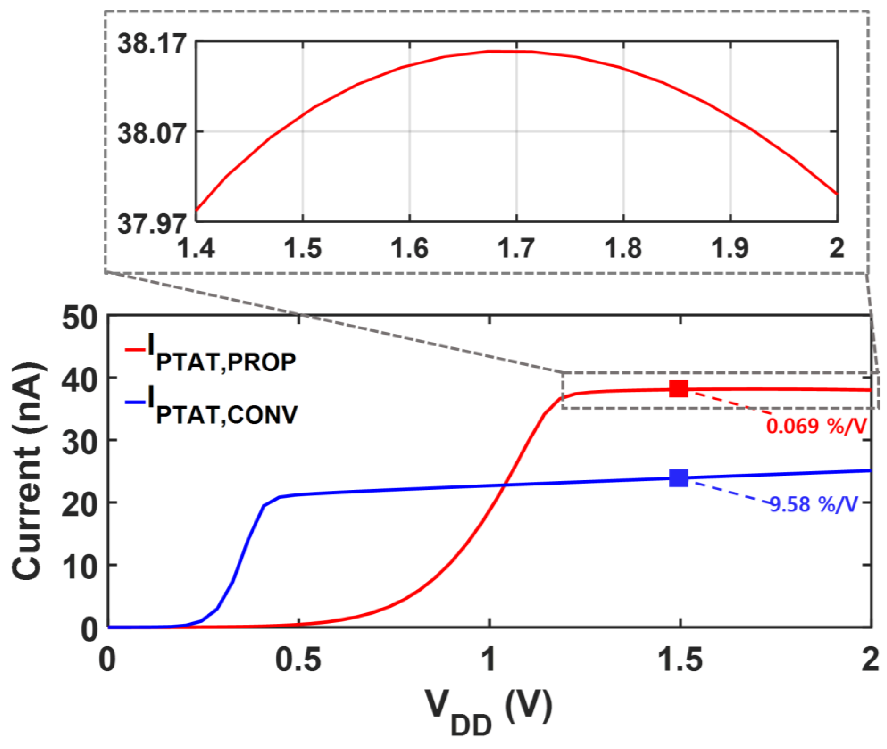
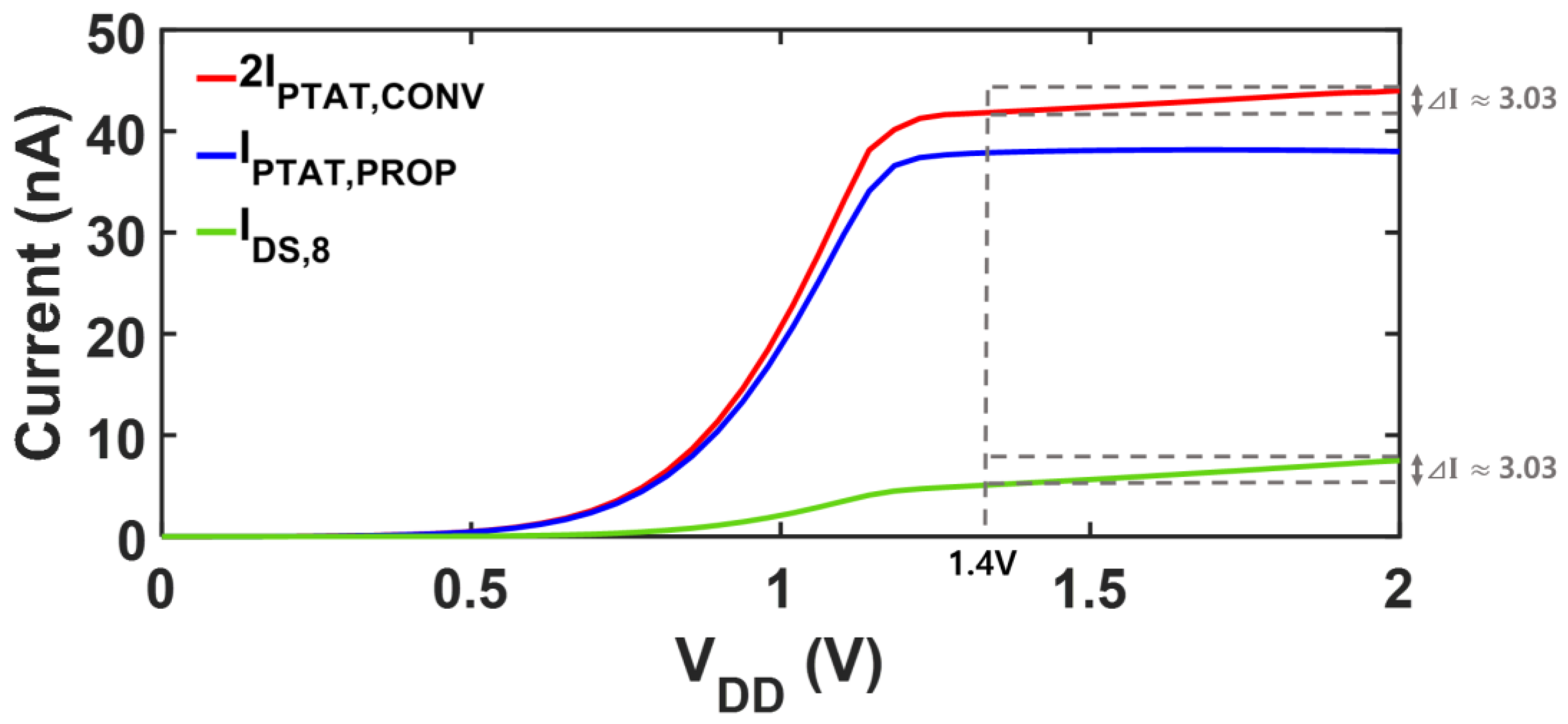
3. Post-Layout Simulation Results
4. Conclusions
Author Contributions
Funding
Institutional Review Board Statement
Informed Consent Statement
Data Availability Statement
Conflicts of Interest
References
- Kim, M.; Cho, S. A Single BJT Bandgap Reference with Frequency Compensation Exploiting Mirror Pole. IEEE J. Solid-State Circuits 2021, 56, 2902–2912. [Google Scholar] [CrossRef]
- Boo, J.-H.; Cho, K.-I.; Kim, H.-J.; Lim, J.-G.; Kwak, Y.-S.; Lee, S.-H.; Ahn, G.-C. A Single-Trim Switched Capacitor CMOS Bandgap Reference With a 3σ Inaccuracy of +0.02%, 0.12% for Battery-Monitoring Applications. IEEE J. Solid-State Circuits 2021, 56, 1197–1206. [Google Scholar] [CrossRef]
- Zhu, Z.; Hu, J.; Wang, Y. A 0.45 V, Nano-Watt 0.033% line sensitivity MOSFET-only sub-threshold voltage reference with no amplifiers. IEEE Trans. Circuits Syst. I Reg. Papers 2016, 63, 1370–1380. [Google Scholar] [CrossRef]
- Zhuang, H.; Zhu, Z.; Yang, Y. A 19-nW 0.7-V CMOS voltage reference with no amplifiers and no clock circuits. IEEE Trans. Circuits Syst. II Exp. Briefs 2014, 61, 830–834. [Google Scholar] [CrossRef]
- Liu, Y.; Zhan, C.; Wang, L.; Tang, J.; Wang, G. A 0.4-V wide temperature range all-MOSFET subthreshold voltage reference with 0.027%/V line sensitivity. IEEE Trans. Circuits Syst. II Exp. Briefs 2018, 65, 969–973. [Google Scholar]
- Yang, B.-D. 250-mV Supply Subthreshold CMOS Voltage Reference Using a Low-Voltage Comparator and a Charge-Pump Circuit. IEEE Trans. Circuits Syst. II Exp. Briefs 2014, 61, 850–854. [Google Scholar] [CrossRef]
- Wang, Y.; Sun, Q.; Luo, H.; Wang, X.; Zhang, R.; Zhang, H. A 48pW, 0.34 V, 0.019%/V Line Sensitivity Self-Biased Subthreshold Voltage Reference With DIBL Effect Compensation. IEEE Trans. Circuits Syst. I Regul. Pap. 2020, 67, 611–621. [Google Scholar] [CrossRef]
- Shao, C.-Z.; Kuo, S.-C.; Liao, Y.-T. A 1.8-nW, −73.5-dB PSRR, 0.2-ms Startup Time, CMOS Voltage Reference With Self-Biased Feedback and Capacitively Coupled Schemes. IEEE J. Solid-State Circuits 2021, 56, 1795–1804. [Google Scholar] [CrossRef]
- Qiao, H.; Zhan, C.; Chen, Y. A −40 °C to 140 °C Picowatt CMOS Voltage Reference with 0.25-V Power Supply. IEEE Trans. Circuits Syst. II Exp. Briefs 2021, 68, 3118–3122. [Google Scholar] [CrossRef]
- Chen, Y.; Guo, J. A 42 nA IQ, 1.5–6 V VIN, Self-Regulated CMOS Voltage Reference with −93 dB PSR at 10 Hz for Energy Harvesting Systems. IEEE Trans. Circuits Syst. II Exp. Briefs 2021, 68, 2357–2361. [Google Scholar]
- Yu, K.; Chen, J.; Li, S.; Huang, M. A 0.011%/V LS and −76 dB PSRR Self-Biased CMOS Voltage Reference with Quasi Self-Cascode Current Mirror. IEEE Trans. Circuits Syst. II Exp. Briefs 2024, 71, 1052–1056. [Google Scholar] [CrossRef]
- Zeng, Y.; Yu, C.; Yang, J.; Luo, Y.; Lei, B.; Li, Y. A 64.7 nA, −65 dB@1 kHz and Dual-Output CMOS Voltage Reference With Multi-Loop Active Load Without Trimming. IEEE Trans. Circuits Syst. II Exp. Briefs 2025. [Google Scholar]
- Jiang, J.; Shu, W.; Chang, J.; Liu, J. A Novel Subthreshold Voltage Reference Featuring 17 ppm/°C TC within −40 °C to 125 °C and 75 dB PSRR. In Proceedings of the 2015 IEEE International Symposium on Circuits and Systems (ISCAS), Lisbon, Portugal, 24–27 May 2015; pp. 501–504. [Google Scholar]
- Tan, X.L.; Chan, P.K.; Dasgupta, U. A Sub-1-V 65-nm MOS Threshold Monitoring-Based Voltage Reference. IEEE Trans. Very Large Scale Integr. Syst. 2015, 23, 2317–2321. [Google Scholar] [CrossRef]
- Wang, L.; Zhan, C.; He, L.; Tang, J.; Wang, G.; Liu, Y.; Li, G. A Low-Power High-PSRR CMOS Voltage Reference with Active-Feedback Frequency Compensation for IoT Applications. In Proceedings of the 2018 IEEE International Symposium on Circuits and Systems (ISCAS), Florence, Italy, 27–30 May 2018; pp. 1–4. [Google Scholar]
- Magnelli, L.; Crupi, F.; Corsonello, P.; Pace, C.; Iannaccone, G. A 2.6nW, 0.45 V temperature-compensated subthreshold CMOS voltage reference. IEEE J. Solid-State Circuits 2011, 46, 465–474. [Google Scholar] [CrossRef]
- Deen, M.J.; Yan, Z.X. Substrate bias effects on drain-induced barrier lowering in short-channel PMOS devices. IEEE Trans. Electron. Devices 1990, 37, 1707–1713. [Google Scholar] [CrossRef]
- Grotjohn, T.; Hoefflinger, B. A parametric short-channel MOS transistor model for subthreshold and strong inversion current. IEEE J. Solid-State Circuits 1984, 19, 100–112. [Google Scholar] [CrossRef]
- Colbach, L.; Jang, T.; Ji, Y. A 21.4pW Subthreshold Voltage Reference with 0.020 %/V Line Sensitivity Using DIBL Compensation. Sensors 2023, 23, 1862. [Google Scholar] [CrossRef]
- Lin, J.; Wang, L.; Zhan, C.; Lu, Y. A 1-nW Ultra-Low Voltage Subthreshold CMOS Voltage Reference With 0.0154%/V Line Sensitivity. IEEE Trans. Circuits Syst. II Express Briefs 2019, 66, 1653–1657. [Google Scholar] [CrossRef]
- de Oliveira, A.C.; Cordova, D.; Klimach, H.; Bampi, S. Picowatt, 0.45–0.6 V Self-Biased Subthreshold CMOS Voltage Reference. IEEE Trans. Circuits Syst. I Regul. Pap. 2017, 64, 3036–3046. [Google Scholar] [CrossRef]
- Mu, S.; Chan, P.K. Design of Precision-Aware Subthreshold-Based MOSFET Voltage Reference. Sensors 2022, 22, 9466. [Google Scholar] [CrossRef]
- Vita, G.D.; Iannaccone, G. A Sub-1 V, 10 ppm/°C, Nanopower Voltage Reference Generator. In Proceedings of the 32nd European Solid-State Circuits Conference, Montreaux, Switzerland, 19–21 September 2006; pp. 307–310. [Google Scholar]
- Osaki, Y.; Hirose, T.; Kuroki, N.; Numa, M. 1.2-V Supply, 100-nW, 1.09-V Bandgap and 0.7-V Supply, 52.5-nW, 0.55-V Subbandgap Reference Circuits for Nanowatt CMOS LSIs. IEEE J. Solid-State Circuits 2013, 48, 1530–1538. [Google Scholar] [CrossRef]
- Veit, D.; Oehm, J. A Current Reference with Multiple Nonlinear Current Mirrors to Reduce Noise, Mismatch, and Impact of Supply Voltage Variation. IEEE Trans. Circuits Syst. II Express Briefs 2023, 70, 1729–1733. [Google Scholar] [CrossRef]
- De la Cruz, J.V.; Aita, A.L. A 1-V PTAT current reference circuit with 0.05%/V current sensitivity to VDD. In Proceedings of the 2016 IEEE International Symposium on Circuits and Systems (ISCAS), Montreal, QC, Canada, 22–25 May 2016; pp. 502–505. [Google Scholar]
- Osipov, D.; Paul, S. Temperature-Compensated β -Multiplier Current Reference Circuit. IEEE Trans. Circuits Syst. II Express Briefs 2017, 64, 1162–1166. [Google Scholar] [CrossRef]
- Ueno, K.; Hirose, T.; Asai, T.; Amemiya, Y. A 1-μW, 600-ppm/°C current reference circuit consisting of subthreshold CMOS circuits. IEEE Trans. Circuits Syst. II Exp. Briefs 2010, 57, 681–685. [Google Scholar]

















| Length ( | 0.18 | 0.5 | 2 | 5 | 10 | 20 |
| ( | 0.4 | 0.11 | 0.061 | 0.028 | 0.016 | 0.00156 |
| order | 1 | 2 | 3 |
| value |
| Transistor | Width () | Length () | Current (nA) |
|---|---|---|---|
| M1 = M2 | 1 | 10 | 21.7 |
| M3 | 15 | 10 | 21.7 |
| M4 | 25 | 10 | 21.7 |
| M5 | 60 | 0.18 | 43.4 |
| M6 | 4 | 0.18 | 4.8 |
| M7 | 0.3 | 14 | 38.1 |
| M8 | 3.2 | 10 | 5.4 |
| M9 | 1.9 | 10 | 4.8 |
| This Work | [4] | [7] | [8] | [14] | [15] | [19] | [20] | [21] | [22] | |
|---|---|---|---|---|---|---|---|---|---|---|
| Year | 2025 | 2014 | 2020 | 2021 | 2015 | 2018 | 2023 | 2019 | 2017 | 2022 |
| Technology (nm) | 180 | 180 | 180 | 180 | 65 | 180 | 180 | 180 | 180 | 40 |
| VDD (V) | 1.4~2 | 0.7~2.5 | 0.34~1.8 | 0.9~1.8 | 0.75~1.2 | 0.7~2 | 0.6~1.8 | 0.4~1.8 | 0.45~3.3 | 1.2~1.8 |
| VREF (V) | 0.54 | 0.44 | 0.15 | 0.26 | 0.47 | 0.55 | 0.31 | 0.26 | 0.23 | 0.8 |
| Temp. Range (°C) | −40~130 | −20~85 | 0~100 | −40~130 | −40~90 | −40~110 | −20~80 | −40~130 | 0~120 | −40~90 |
| TC (ppm/°C) | 58 | 22.1 | 14.8 | 62 | 40 | 38 | 25 | 89.8 | 104 | 3 |
| LS of VREF (%/V) | 0.01 | 0.057 | 0.019 | 0.013 | 0.24 | 0.02 | 0.02 | 0.16 | 0.15 | 0.028 |
| PSRR (dB) @Freq. (Hz) | −59 @100 | - | −62.7 @10 | −73.5 @100 | −40 @100 | −57 @100 | −54 @100 | −73 @10 | −43.9 @100 | −71.7 @100 |
| Power (nW) | 67.6 | 1.9 | 0.046 | 1.8 | 290 | 21 | 0.021 | 1 | 0.055 | 9600 |
| Area (mm2) | 0.01 | 0.041 | 0.0332 | 0.0059 | 0.0198 | 0.04 | 0.003 | 0.005 | 0.002 | - |
| This Work | [14] | [15] | [23] | [24] | [25] | [26] | [27] | [28] | |
|---|---|---|---|---|---|---|---|---|---|
| Year | 2025 | 2015 | 2018 | 2006 | 2013 | 2023 | 2016 | 2017 | 2010 |
| Technology (nm) | 180 | 65 | 180 | 350 | 180 | 180 | 40 | 350 | 350 |
| VDD (V) | 1.4~2 | 0.75~1.2 | 0.7~2 | 0.9~4 | 0.7~1.8 | 2~3.3 | 0.9~1.5 | 1.9~3.6 | 1.8~3 |
| Current Type | PTAT | PTAT | PTAT | REF | REF | REF | REF | REF | |
| Level of current at 27 °C (nA) | 38 | - | 31 | 40 | 6 | 8500 | 96.5 | 16,000 | 96 |
| LS of Current (%/V) | 0.07 | - | - | - | 6.47 | 0.3 | 2.9 | 3.4 | 0.2 |
| Temp. Range () | −40~130 | −40~90 | −40~110 | 0~80 | −40~120 | −35~125 | −40~125 | −30~100 | 0~80 |
| Power (nW) | 67.6 | 290 | 21 | 63 | 52.5 | 142000 | 304 | 60800 | 1000 |
| Area (mm2) | 0.01 | 0.0198 | 0.04 | 0.045 | 0.025 | 0.11 | - | 0.065 | 0.015 |
Disclaimer/Publisher’s Note: The statements, opinions and data contained in all publications are solely those of the individual author(s) and contributor(s) and not of MDPI and/or the editor(s). MDPI and/or the editor(s) disclaim responsibility for any injury to people or property resulting from any ideas, methods, instructions or products referred to in the content. |
© 2025 by the authors. Licensee MDPI, Basel, Switzerland. This article is an open access article distributed under the terms and conditions of the Creative Commons Attribution (CC BY) license (https://creativecommons.org/licenses/by/4.0/).
Share and Cite
Jung, M.; Ji, Y. A CMOS Voltage Reference with PTAT Current Using DIBL Compensation for Low Line Sensitivity. Sensors 2025, 25, 6794. https://doi.org/10.3390/s25216794
Jung M, Ji Y. A CMOS Voltage Reference with PTAT Current Using DIBL Compensation for Low Line Sensitivity. Sensors. 2025; 25(21):6794. https://doi.org/10.3390/s25216794
Chicago/Turabian StyleJung, Minji, and Youngwoo Ji. 2025. "A CMOS Voltage Reference with PTAT Current Using DIBL Compensation for Low Line Sensitivity" Sensors 25, no. 21: 6794. https://doi.org/10.3390/s25216794
APA StyleJung, M., & Ji, Y. (2025). A CMOS Voltage Reference with PTAT Current Using DIBL Compensation for Low Line Sensitivity. Sensors, 25(21), 6794. https://doi.org/10.3390/s25216794

