Switching Loss Model for SiC MOSFETs Based on Datasheet Parameters Enabling Virtual Junction Temperature Estimation
Abstract
1. Introduction
1.1. Motivation
1.2. Overview of the Topic
1.3. Article Structure
2. SiC MOSFET Switching Loss Evaluation
2.1. Introduction to the Analysis
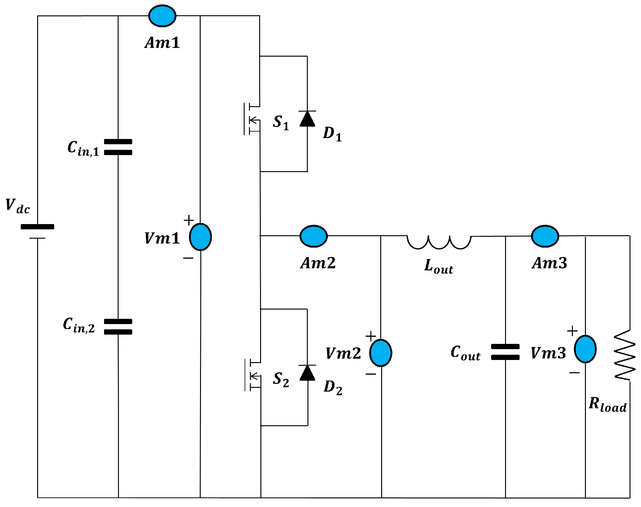
2.2. Half-Bridge Architecture and Lumped Parasitic Parameters
2.3. Overview of SiC Switching Loss Models
2.4. Simplified Reference Model
2.5. Existing Analytical Model of Similar Complexity
2.6. Fully Analytical Model
2.7. Proposed Analytical Model
2.7.1. Overview and Assumptions of the Proposed Analytical Model
- Parasitic inductances and are neglected. Because bare-die components are employed, typical inductance values of a standard package cannot be used. The overall inductance of the half-bridge could be estimated, but its distribution in every parasitic inductance is rather challenging. Considering that the PCB layout is achieved while trying to minimize these inductances as much as possible and that the highest switching frequency at which the half-bridge is tested is 80 kHz, it is assumed that they do not play a significant role.
- Reverse-recovery losses are neglected. SiC Schottky diodes are placed in anti-parallel to the SiC MOSFETs, and since they manifest a very low reverse-recovery peak current , the assumption is acceptable. The omission of reverse-recovery losses is compelling if SiC Schottky diodes are employed in anti-parallel to SiC MOSFETs. If, instead, body diodes of the SiC MOSFET are used, these losses should be considered. In this case, refs. [16,17] propose an effective way to compute the reverse-recovery losses. Particularly, in [16], a set of formulae is derived from the physical model presented in [27], which could be numerically solved with the Newton–Raphson method.
- Drain-induced Barrier Lowering (DIBL) and the short channel effect are neglected. In the switching process, especially during current rise or fall, depending on which transient, turn-on or turn-off, is considered, the MOSFET operates in the saturation region. During this period of time, when powered by high DC bus voltages, the device experiences the DIBL effect, resulting in an increase in the channel current for a given and in a reduction in the threshold voltage . The complete expression of the channel current would be described by (5), as stated in [12]. With respect to the - characteristic provided by the manufacturers at low and fixed , the real characteristic at higher bus voltages is shifted to the left and expresses a higher slope. Thus, the DIBL effect neglect implies an overestimation of the losses during current rise and fall. However, the estimation of requires an experimental characterization of the device, especially a single-pulse test circuit [11], which would be out of the scope of this paper. The initial estimation of as described in [28] is not possible for most of the SiC MOSFET part numbers, and the relation between and cannot be derived from the datasheet. Therefore, the effect is neglected.where is the channel current, is the transconductance coefficient, and is the short-channel coefficient.
2.7.2. Calculation
2.7.3. Calculation
2.7.4. Universality and Further Discussions on the Proposed Model
2.7.5. Virtual Junction Temperature Estimation
3. Experimental Setup
4. Comparison with the Experiments
- The number of simulation results , which lie in the uncertainty range defined around the measured efficiency.
- The mean absolute error , which represents the average displacement with respect to the measured value (38).
- The mean absolute percentage error , which is the unsigned average displacement normalized over the measured value (39). This error suggests the average displacement with respect to the test itself.
5. Conclusions
6. Future Developments
Author Contributions
Funding
Institutional Review Board Statement
Informed Consent Statement
Data Availability Statement
Acknowledgments
Conflicts of Interest
Abbreviations
| NAM | Num-analytical model |
| FAM | Full analytical model |
| Drain source capacitance | |
| Gate drain capacitance | |
| Gate source capacitance | |
| Input capacitance | |
| Output capacitance | |
| Equivalent output capacitance | |
| Algorithm discrete time-step | |
| Turn-off losses | |
| Falling current contribution to the losses | |
| Rising voltage contribution to the losses | |
| Turn-on losses | |
| Rising current contribution to the losses | |
| Falling voltage contribution to the losses | |
| MOSFET switching frequency | |
| MOSFET channel transconductance | |
| Load current | |
| MOSFET channel current | |
| Drain current | |
| Gate turn-on current during Miller’s plateau | |
| Gate turn-off current during Miller’s plateau | |
| Current through the output capacitance | |
| Reverse-recovery current | |
| Drain parasitic inductance | |
| Source parasitic inductance | |
| Equivalent output charge capacitance | |
| Turn-on gate resistance | |
| Turn-off gate resistance | |
| MOSFET on-conduction resistance | |
| Silicon carbide | |
| Current fall time | |
| Voltage fall time | |
| Junction temperature | |
| Current rise time | |
| Voltage rise time | |
| DC supply voltage | |
| Gate driver supply voltage | |
| Drain source voltage | |
| MOSFET drain source voltage drop during conduction | |
| Miller’s plateau voltage | |
| MOSFET threshold voltage | |
| Expanded uncertainty | |
| Estimated efficiency | |
| Mean measured efficiency |
References
- Mantooth, H.A.; Glover, M.D.; Shepherd, P. Wide Bandgap Technologies and Their Implications on Miniaturizing Power Electronic Systems. IEEE J. Emerg. Sel. Top. Power Electron. 2014, 2, 374–385. [Google Scholar] [CrossRef]
- Do, T.V.; Trovão, J.P.F.; Li, K.; Boulon, L. Wide-Bandgap Power Semiconductors for Electric Vehicle Systems: Challenges and Trends. IEEE Veh. Technol. Mag. 2021, 16, 89–98. [Google Scholar] [CrossRef]
- Yu, S.; Wang, J.; Zhang, X.; Liu, Y.; Jiang, N.; Wang, W. The Potential Impact of Using Traction Inverters With SiC MOSFETs for Electric Buses. IEEE Access 2021, 9, 51561–51572. [Google Scholar] [CrossRef]
- Biela, J.; Schweizer, M.; Waffler, S.; Kolar, J.W. SiC versus Si—Evaluation of Potentials for Performance Improvement of Inverter and DC–DC Converter Systems by SiC Power Semiconductors. IEEE Trans. Ind. Electron. 2011, 58, 2872–2882. [Google Scholar] [CrossRef]
- Andresen, M.; Buticchi, G.; Liserre, M. Thermal Stress Analysis and MPPT Optimization of Photovoltaic Systems. IEEE Trans. Ind. Electron. 2016, 63, 4889–4898. [Google Scholar] [CrossRef]
- Falck, J.; Buticchi, G.; Liserre, M. Thermal Stress Based Model Predictive Control of Electric Drives. IEEE Trans. Ind. Appl. 2017, 54, 1513–1522. [Google Scholar] [CrossRef]
- He, J.; Sangwongwanich, A.; Yang, Y.; Iannuzzo, F. Lifetime Evaluation of Three-Level Inverters for 1500-V Photovoltaic Systems. IEEE J. Emerg. Sel. Top. Power Electron. 2021, 9, 4285–4298. [Google Scholar] [CrossRef]
- Ni, Z.; Lyu, X.; Yadav, O.P.; Singh, B.N.; Zheng, S.; Cao, D. Overview of Real-Time Lifetime Prediction and Extension for SiC Power Converters. IEEE Trans. Power Electron. 2020, 32, 7765–7794. [Google Scholar] [CrossRef]
- Graovac, D.D.; Pürschel, M.; Kiep, A. MOSFET Power Losses Calculation Using the Data-Sheet Parameters. 2006. Available online: https://application-notes.digchip.com/070/70-41484.pdf (accessed on 10 October 2024).
- Ma, Z.; Pei, Y.; Wang, L.; Yang, Q.; Qi, Z.; Zeng, G. An Accurate Analytical Model of SiC MOSFETs for Switching Speed and Switching Loss Calculation in High-Voltage Pulsed Power Supplies. IEEE Trans. Power Electron. 2023, 38, 3281–3297. [Google Scholar] [CrossRef]
- Dong, Z.; Wu, x.; Xu, H.; Re, N.; Sheng, K. Accurate Analytical Switching-On Loss Model of SiC MOSFET Considering Dynamic Transfer Characteristic and Qgd. IEEE Trans. Power Electron. 2020, 35, 12264–12273. [Google Scholar] [CrossRef]
- Xue, P.; Davari, P. A Temperature-Dependent Analytical Transient Model of SiC MOSFET in Half-Bridge Circuits. IEEE Trans. Power Electron. 2025, 40, 892–905. [Google Scholar] [CrossRef]
- Roy, S.K.; Basu, K. Analytical Estimation of Turn on Switching Loss of SiC MOSFET and Schottky Diode Pair From Datasheet Parameters. IEEE Trans. Power Electron. 2019, 34, 9118–9130. [Google Scholar] [CrossRef]
- Li, X.; Jiang, J.; Huang, A.Q.; Guo, S.; Deng, X.; Zhang, B. A SiC Power MOSFET Loss Model Suitable for High-Frequency Applications. IEEE Trans. Ind. Electron. 2017, 64, 8268–8276. [Google Scholar] [CrossRef]
- Ahmed, M.R.; Todd, R.; Forsyth, A.J. Predicting SiC MOSFET Behavior Under Hard-Switching, Soft-Switching, and False Turn-On Conditions. IEEE Trans. Ind. Electron. 2017, 64, 9001–9011. [Google Scholar] [CrossRef]
- Christen, D.; Biela, J. Analytical Switching Loss Modeling Based on Datasheet Parameters for MOSFETs in a Half-Bridge. IEEE Trans. Power Electron. 2019, 34, 3700–3710. [Google Scholar] [CrossRef]
- Nayak, D.P.; Yakala, R.K.; Kumar, M.; Pramanick, S.K. Temperature-Dependent Reverse Recovery Characterization of SiC MOSFETs Body Diode for Switching Loss Estimation in a Half-Bridge. IEEE Trans. Power Electron. 2022, 37, 5574–5582. [Google Scholar] [CrossRef]
- Song, S.; Peng, H.; Chen, X.; Hao, X. General Analytical Model for SiC MOSFETs Turn-Off Loss Considering No Miller Plateau. In Proceedings of the 2023 25th European Conference on Power Electronics and Applications (EPE’23 ECCE Europe), Aalborg, Denmark, 4–8 September 2023. [Google Scholar] [CrossRef]
- Hu, A.; Biela, J. An Analytical Switching Loss Model for a SiC MOSFET and Schottky Diode Half-Bridge Based on Nonlinear Differential Equations. In Proceedings of the 2021 23rd European Conference on Power Electronics and Applications (EPE’21 ECCE Europe), Ghent, Belgium, 6–10 September 2021. [Google Scholar] [CrossRef]
- Peng, K.; Eskandari, S.; Santi, E. Analytical loss model for power converters with SiC MOSFET and SiC schottky diode pair. In Proceedings of the 2015 IEEE Energy Conversion Congress and Exposition (ECCE), Montreal, QC, Canada, 20–24 September 2015. [Google Scholar] [CrossRef]
- Hu, A.; Biela, J. Evaluation of the Imax-fsw-dv/dt Trade-off of High Voltage SiC MOSFETs Based on an Analytical Switching Loss Model. In Proceedings of the 2020 22nd European Conference on Power Electronics and Applications (EPE’20 ECCE Europe), Lyon, France, 7–11 September 2020. [Google Scholar] [CrossRef]
- Wang, X.; Zhao, Z.; Li, K.; Zhu, Y.; Chen, K. Analytical Methodology for Loss Calculation of SiC MOSFETs. IEEE J. Emerg. Slected Top. Power Electron. 2019, 5, 71–83. [Google Scholar] [CrossRef]
- Hu, A.; Biela, J. Fast and Accurate Data Sheet based Analytical Turn-on Switching Loss Model for a SiC MOSFET and Schottky Diode Half-Bridge. In Proceedings of the 2023 25th European Conference on Power Electronics and Applications (EPE’23 ECCE Europe), Aalborg, Denmark, 4–8 September 2023. [Google Scholar] [CrossRef]
- Hu, A.; Biela, J. Fast and Accurate Data Sheet Based Analytical Switching Loss Model for a SiC MOSFET and Schottky Diode Half-Bridge. IEEE Open J. Power Electron. 2024, 5, 1684–1696. [Google Scholar] [CrossRef]
- Perret, R. Power Electronics Semiconductor Devices; Wiley: New York, NY, USA, 2013; Chapter 1. [Google Scholar]
- Li, X.; Zhang, L.; Guo, S.; Lei, Y.; Huang, A.Q.; Zhang, B. Understanding switching losses in SiC MOSFET: Toward lossless switching. In Proceedings of the 2015 IEEE 3rd Workshop on Wide Bandgap Power Devices and Applications (WiPDA), Blacksburg, VA, USA, 2–4 November 2015; pp. 3700–3710. [Google Scholar] [CrossRef]
- Ma, C.L.; Lauritzen, P.O. A Simple Power Diode Model with Forward and Reverse Recovery. In Proceedings of the PESC ’91 Record 22nd Annual IEEE Power Electronics Specialists Conference, Cambridge, MA, USA, 24–27 June 1991; pp. 411–415. [Google Scholar] [CrossRef]
- Bryant, A.T.; Kang, X.; Santi, E.; Palmer, P.R.; Hudgins, J.L. Two-step parameter extraction procedure with formal optimization for physics-based circuit simulator IGBT and p-i-n diode models. IEEE Trans. Power Electron. 2006, 21, 295–309. [Google Scholar] [CrossRef]
- Plexim GmbH. The Simulation Platform for Power Electronics Systems: User’s Manual; Plexim GmbH: Zürich, Switzerland, 2017; Chapter 4: Thermal Modeling. [Google Scholar]
- Infineon. IMW65R007M2H CoolSiCTM MOSFET 650 V 7 mΩ G2, 171 A. rev. 2.2. 2024. Available online: https://www.infineon.com/cms/en/product/power/mosfet/silicon-carbide/discretes/imw65r007m2h/ (accessed on 11 December 2024).
- Infineon. IMW65R020M2H CoolSiCTM MOSFET 650 V 20 mΩ G2, 83 A. rev. 2.2. 2024. Available online: https://www.infineon.com/cms/en/product/power/mosfet/silicon-carbide/discretes/imw65r020m2h/ (accessed on 11 December 2024).
- Renesas. Carrying the Heat Away from Power Module PCB Designs, 2019. Available online: https://www.powerelectronictips.com/carrying-the-heat-away-from-power-module-pcb-designs (accessed on 2 February 2025).
- Infineon. TLI4971 High Precision Coreless Current Sensor for Industrial Applications in 8x8mm SMD Package. Available online: https://www.infineon.com/cms/en/product/sensor/current-sensors/tli4971-a120t5-e0001/ (accessed on 30 March 2025).
- ROHM Semiconductors. s4101 1200 V 55 A, N-Channel SiC Power MOSFET Bare Die. rev. 1. 2018. Available online: https://www.rohm.com/products/sic-power-devices/sic-mosfet-bare-die/s4101-product#productDetail (accessed on 1 September 2024).
- ROHM Semiconductors. 1200V, 50A, Silicon-Carbide (SiC) SBD Bare Die rev. 2. 2022. Available online: https://www.rohm.com/products/sic-power-devices/sic-schottky-barrier-diodes-bare-die/s6305-product (accessed on 1 September 2024).
- JCGM 100:2008; Evaluation of Measurements Data-Guide to the Expression of Uncertainty in Measurements. JCGM: Paris, France, 2008.
- Newtons4th Ltd. PPA 3500 User Manual; Newtons4th Ltd.: Loughborough, UK, 2021. [Google Scholar]
- Makridakis, S. Accuracy measures: Theoretical and practical concerns. Int. J. Forecast. 1993, 9, 527–529. [Google Scholar] [CrossRef]








| Model | Advantages | Drawbacks |
|---|---|---|
| [9] | Very simple to implement | Very inaccurate |
| [10] | Formally complete | Discrete accuracy and preliminary tests |
| [11,12] | Accurate | Dynamic MOSFET characterization |
| [13] | Detailed | Lack of losses |
| [14,15,17] | Accurate and complete | Complex and preliminary tests |
| [18,19] | Specific | Dynamic extraction |
| [16,20,21,22] | Based on datasheet parameters | and approximation, discrete accuracy |
| [23,24] | Accurate and based on datasheet parameters | Extremely complex, step approximation of the capacitance and temperature independency |
| [V] | Duty [p.u] | Simplified Model [9] [%] | Model in [16] [%] | Model in [24] [%] | Proposed Model [%] | Measured [%] | ||
|---|---|---|---|---|---|---|---|---|
| 400 | 0.2 | 90.78 | 97.37 | 94.93 | 95.54 | 94.57 | 94.87 | 95.16 |
| 400 | 0.3 | 93.83 | 98.04 | 96.70 | 96.97 | 96.66 | 96.95 | 97.23 |
| 400 | 0.4 | 95.36 | 98.37 | 97.46 | 97.65 | 97.37 | 97.7 | 98.03 |
| 400 | 0.5 | 96.31 | 98.62 | 97.94 | 98.09 | 97.65 | 98.12 | 98.58 |
| 400 | 0.7 | 97.14 | 98.54 | 98.07 | 98.23 | 98.14 | 98.44 | 98.74 |
| 450 | 0.7 | 96.81 | 98.33 | 97.81 | 98.01 | 97.80 | 98.04 | 98.28 |
| 500 | 0.3 | 93.35 | 97.73 | 96.60 | 96.83 | 96.80 | 97.02 | 97.24 |
| 0 | 1 | 5 | 6 | |||||
| 2.51 | 0.84 | 0.25 | 0.17 | |||||
| 2.59 | 0.87 | 0.26 | 0.18 | |||||
| MMAPE | 2.63 | 0.86 | 0.26 | 0.18 |
| [V] | Duty [p.u] | Simplified Model [9] [%] | Model in [16] [%] | Model in [24] [%] | Proposed Model [%] | Measured [%] | ||
|---|---|---|---|---|---|---|---|---|
| 400 | 0.2 | 86.88 | 96.97 | 93.25 | 94.17 | 92.84 | 93.18 | 93.53 |
| 400 | 0.3 | 91.34 | 97.70 | 95.5 | 96.06 | 95.89 | 96.23 | 96.58 |
| 400 | 0.4 | 93.64 | 98.14 | 96.71 | 97.02 | 96.9 | 97.31 | 97.72 |
| 400 | 0.5 | 95.00 | 98.42 | 97.38 | 97.60 | 97.25 | 97.85 | 98.45 |
| 0 | 1 | 2 | 3 | |||||
| 4.43 | 1.67 | 0.47 | 0.43 | |||||
| 4.63 | 1.76 | 0.48 | 0.45 | |||||
| MMAPE | 4.75 | 1.73 | 0.48 | 0.45 |
| [V] | Duty [p.u] | Simplified Model [9] [%] | Model in [16] [%] | Model in [24] [%] | Proposed Model [%] | Measured [%] | ||
|---|---|---|---|---|---|---|---|---|
| 400 | 0.2 | 82.72 | 96.38 | 91.26 | 92.57 | 91.03 | 91.48 | 91.94 |
| 400 | 0.3 | 88.86 | 97.37 | 94.32 | 95.14 | 95.03 | 95.44 | 95.84 |
| 400 | 0.4 | 91.88 | 97.84 | 95.86 | 96.32 | 96.36 | 96.85 | 97.33 |
| 400 | 0.5 | 93.73 | 98.2 | 96.79 | 97.09 | 96.83 | 97.54 | 98.26 |
| 400 | 0.7 | 95.75 | 98.30 | 97.33 | 97.7 | 97.34 | 97.65 | 97.96 |
| 0 | 1 | 1 | 3 | |||||
| 5.20 | 1.83 | 0.68 | 0.48 | |||||
| 5.49 | 1.95 | 0.71 | 0.51 | |||||
| MMAPE | 5.68 | 1.92 | 0.71 | 0.51 |
Disclaimer/Publisher’s Note: The statements, opinions and data contained in all publications are solely those of the individual author(s) and contributor(s) and not of MDPI and/or the editor(s). MDPI and/or the editor(s) disclaim responsibility for any injury to people or property resulting from any ideas, methods, instructions or products referred to in the content. |
© 2025 by the authors. Licensee MDPI, Basel, Switzerland. This article is an open access article distributed under the terms and conditions of the Creative Commons Attribution (CC BY) license (https://creativecommons.org/licenses/by/4.0/).
Share and Cite
Bianchini, C.; Vogni, M.; Chini, A.; Franceschini, G. Switching Loss Model for SiC MOSFETs Based on Datasheet Parameters Enabling Virtual Junction Temperature Estimation. Sensors 2025, 25, 3605. https://doi.org/10.3390/s25123605
Bianchini C, Vogni M, Chini A, Franceschini G. Switching Loss Model for SiC MOSFETs Based on Datasheet Parameters Enabling Virtual Junction Temperature Estimation. Sensors. 2025; 25(12):3605. https://doi.org/10.3390/s25123605
Chicago/Turabian StyleBianchini, Claudio, Mattia Vogni, Alessandro Chini, and Giovanni Franceschini. 2025. "Switching Loss Model for SiC MOSFETs Based on Datasheet Parameters Enabling Virtual Junction Temperature Estimation" Sensors 25, no. 12: 3605. https://doi.org/10.3390/s25123605
APA StyleBianchini, C., Vogni, M., Chini, A., & Franceschini, G. (2025). Switching Loss Model for SiC MOSFETs Based on Datasheet Parameters Enabling Virtual Junction Temperature Estimation. Sensors, 25(12), 3605. https://doi.org/10.3390/s25123605

