A Novel Real-Time Threshold Algorithm for Closed-Loop Epilepsy Detection and Stimulation System
Abstract
1. Introduction
2. Closed-Loop System Architecture
2.1. Analog Front End and Stimulation Circuits
2.2. Novel Time Domain Detection Algorithm
3. Circuit Implementation
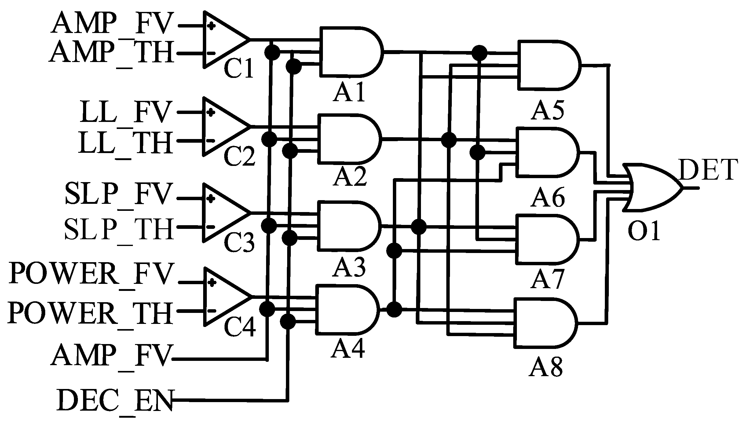
3.1. Digital Circuit Implementationn
3.2. ADC/SPI Interface
3.3. Status Control Circuit
3.4. Feature Detection Module
3.5. Feature Calculation Module
3.6. Threshold Calculation Module
3.7. Stimulation Control Circuit
4. Experiment and Results
4.1. FPGA Verification Platform
4.2. Digital Layout
4.3. System Simulation
4.4. Digital Analog Hybrid Simulation
5. Discussion
6. Conclusions
Author Contributions
Funding
Institutional Review Board Statement
Informed Consent Statement
Data Availability Statement
Conflicts of Interest
Abbreviations
| EEG | Electroencephalogram |
| ADC | Analog to digital converter |
| DAC | Digital to analog converter |
| LDO | Low dropout regulator |
| SPI | Serial peripheral interface |
| LNA | Low noise amplifier |
| LPF | Low-pass filter |
| SAR | Successive approximation |
| AMP | Amplitude |
| SLP | Signal slope |
| LL | Line length |
| POWER | Energy |
| FIFO | First input first output |
| AVE | Mean value |
| STD | Standard deviation value |
| TP | True positive |
| TN | True negative |
| FP | False positive |
| FN | False negative |
| PW | Pulse width |
| FPGA | Field programmable gate array |
| LUT | Look-up tables |
| DSP | Digital signal processor |
| ASIC | Application-specific integrated circuits |
| CNN | Convolutional neural network |
| LLS | Linear Least Squares |
| TH_FINISH | Threshold calculation finish signal |
References
- Xu, L.-P.; Wang, Q. The Bidirectional Relationship between Alzheimer’s Disease (AD) and Epilepsy: A Mendelian Randomization Study. Brain Behav. 2023, 13, e3221. [Google Scholar] [CrossRef] [PubMed]
- Supriya, S.; Siuly, S.; Wang, H.; Zhang, Y.-C. Epilepsy Detection From EEG Using Complex Network Techniques: A Review. IEEE Rev. Biomed. Eng. 2023, 16, 292–306. [Google Scholar] [CrossRef] [PubMed]
- Falaschetti, L.; Biagetti, G.; Alessandrini, M.; Turchetti, C.; Luzzi, S.; Crippa, P. Multi-Class Detection of Neurodegenerative Diseases from EEG Signals Using Lightweight LSTM Neural Networks. Sensors 2024, 24, 6721. [Google Scholar] [CrossRef] [PubMed]
- Mann, C.; Suess, A.; von Podewils, F.; Zahnert, F.; Langenbruch, L.; Bierhansl, L.; Menzler, K.; Schulz, J.; Gaida, B.; Rosenow, F.; et al. Gender Differences in Concerns about Planning to Have Children and Child-Rearing among Patients with Epilepsy: A Prospective, Multicenter Study with 477 Patients from Germany. Epilepsy Behav. 2022, 129, 108650. [Google Scholar] [CrossRef]
- Abdelgalil, A.; Ismail, D.; Eskander, A.; Girgis, M.; Farouk, A.; Saeedi, F.; Shazly, M.; Hasnoon, A. Effect of Helicobacter Pylori Eradication on Serum Level of Valproic Acid in Children with Idiopathic Generalized Epilepsy. Children 2024, 11, 1259. [Google Scholar] [CrossRef]
- Fussner, S.; Boyne, A.; Han, A.; Nakhleh, L.A.; Haneef, Z. Differentiating Epileptic and Psychogenic Non-Epileptic Seizures Using Machine Learning Analysis of EEG Plot Images. Sensors 2024, 24, 2823. [Google Scholar] [CrossRef]
- Angwafor, S.A.; Bell, G.S.; Ngarka, L.; Otte, W.M.; Tabah, E.N.; Nfor, L.N.; Njamnshi, T.N.; Sander, J.W.; Njamnshi, A.K. Epilepsy in a Health District in North-West Cameroon: Clinical Characteristics and Treatment Gap. Epilepsy Behav. 2021, 121, 107997. [Google Scholar] [CrossRef]
- Riva, A.; Striano, P. Editorial: Novel Mechanisms of Epileptogenesis and Its Inspired Pharmaceutical Treatments for Epilepsy. Front. Neurol. 2022, 13, 942365. [Google Scholar] [CrossRef]
- Asranna, A.; Babu Pasangulapati, S.; Menon, R.; Radhakrishnan, A. Trends in Pediatric Epilepsy Surgery: A Lower-Middle-Income Country Perspective. Acta Neurol. Scand. 2021, 143, 521–529. [Google Scholar] [CrossRef]
- Herrera, M.L.; Suller-Marti, A.; Parrent, A.; Macdougall, K.; Burneo, J.G. Stimulation of the Anterior Nucleus of the Thalamus for Epilepsy: A Canadian Experience. Can. J. Neurol. Sci. 2021, 48, 469–478. [Google Scholar] [CrossRef]
- Koessler, L.; Louviot, S.; Dmochowski, J.; Vignal, J.-P.; Jonas, J.; Colnat-Coulbois, S.; Tyvaert, L.; Maillard, L. Transcranial Direct Current Stimulation Reduces Intracerebrally- Recorded Epileptic Seizures and Behavioral Disturbances. Brain Stimul. 2023, 16, 667–669. [Google Scholar] [CrossRef] [PubMed]
- Ahammed, A.S.; Ezekiel, A.M.; Obermaisser, R. Time-Efficient Identification Procedure for Neurological Complications of Rescue Patients in an Emergency Scenario Using Hardware-Accelerated Artificial Intelligence Models. Algorithms 2023, 16, 258. [Google Scholar] [CrossRef]
- Frances-Villora, J.V.; Bataller-Mompean, M.; Mjahad, A.; Rosado-Muñoz, A.; Gutierrez Martin, A.; Teruel-Marti, V.; Villanueva, V.; Hampel, K.G.; Guerrero-Martinez, J.F. Real-Time Localization of Epileptogenic Foci EEG Signals: An FPGA-Based Implementation. Appl. Sci. 2020, 10, 827. [Google Scholar] [CrossRef]
- Liang, Z.-C.; Luo, Z.-X.; Liu, K.-Y.; Qiu, J.-W.; Liu, Q.-Y. Online Learning Koopman Operator for Closed-Loop Electrical Neurostimulation in Epilepsy. IEEE J. Biomed. Health Inform. 2023, 27, 492–503. [Google Scholar] [CrossRef]
- Zhang, C.; Xin, X.; Tong, X.-Y. A 14-Bit 1-MS/s SAR ADC with a Segmented Capacitor Array and Background Mismatch Calibration for IoT Sensing Applications. Microelectron. J. 2023, 141, 105991. [Google Scholar] [CrossRef]
- Chen, D.; Huang, H.-Y.; Bao, X.-Y.; Pan, J.-H.; Li, Y.-Q. An EEG-Based Attention Recognition Method: Fusion of Time Domain, Frequency Domain, and Non-Linear Dynamics Features. Front. Neurosci. 2023, 17, 1194554. [Google Scholar] [CrossRef]
- Jabran, Y.; Mahmoudzadeh, M.; Martinez, N.; Heberle, C.; Wallois, F.; Bourel-Ponchel, E. Temporal and Spatial Dynamics of Different Interictal Epileptic Discharges: A Time-Frequency EEG Approach in Pediatric Focal Refractory Epilepsy. Front. Neurol. 2020, 11, 941. [Google Scholar] [CrossRef]
- Xiong, W.-J.; Nurse, E.S.; Lambert, E.; Cook, M.J.; Kameneva, T. Classification of Epileptic and Psychogenic Non-Epileptic Seizures Using Electroencephalography and Electrocardiography. IEEE Trans. Neural Syst. Rehabil. Eng. 2023, 31, 2831–2838. [Google Scholar] [CrossRef]
- Aggarwal, S.; Chugh, N. Ethical Implications of Closed Loop Brain Device: 10-Year Review. Minds Mach. 2020, 30, 145–170. [Google Scholar] [CrossRef]
- Wang, A.-Y.; Sheng, Y.-G.; Li, W.-L.; Jung, D.-H.; Junek, G.-V.; Liu, H.-X.; Park, J.; Lee, D.; Wang, M.; Maharjan, S.; et al. A Multimodal and Multifunctional CMOS Cellular Interfacing Array for Digital Physiology and Pathology Featuring an Ultra Dense Pixel Array and Reconfigurable Sampling Rate. IEEE Trans. Biomed. Circuits Syst. 2022, 16, 1057–1074. [Google Scholar] [CrossRef]
- Balestrini, S.; Sander, J.W. Transcranial Magnetic Stimulation as a Biomarker of Treatment Response in Children with Epilepsy. Dev. Med. Child Neurol. 2020, 62, 770. [Google Scholar] [CrossRef] [PubMed]
- Boonyakitanont, P.; Lek-uthai, A.; Chomtho, K.; Songsiri, J. A Review of Feature Extraction and Performance Evaluation in Epileptic Seizure Detection Using EEG. Biomed. Signal Process. Control 2020, 57, 101702. [Google Scholar] [CrossRef]
- Lun, X.; Zhang, Y.; Zhu, M.; Lian, Y.; Hou, Y. A Combined Virtual Electrode-Based ESA and CNN Method for MI-EEG Signal Feature Extraction and Classification. Sensors 2023, 23, 8893. [Google Scholar] [CrossRef]
- Studer, M.; Schmitt, S.; Wingeier, K.; Lidzba, K.; Bigi, S. Delayed Episodic Memory Recall after One Week Is Associated with Executive Functions and Divided Attention in Pediatric Epilepsy Patients. Brain Dev. 2023, 45, 372–382. [Google Scholar] [CrossRef]
- Geller, A.M.; Hudnell, H.K.; Vaughn, B.V.; Messenheimer, J.A.; Boyes, W.K. Epilepsy and Medication Effects on the Pattern Visual Evoked Potential. Doc. Ophthalmol. 2005, 110, 121–131. [Google Scholar] [CrossRef]
- Trinka, E.; Koepp, M.; Kalss, G.; Kobulashvili, T. Evidence Based Noninvasive Presurgical Evaluation for Patients with Drug Resistant Epilepsies. Curr. Opin. Neurol. 2024, 37, 141–151. [Google Scholar] [CrossRef]
- Wei, B.-X.; Zhao, X.-H.; Shi, L.-J.; Xu, L.; Liu, T.; Zhang, J.-C. A Deep Learning Framework with Multi-Perspective Fusion for Interictal Epileptiform Discharges Detection in Scalp Electroencephalogram. J. Neural Eng. 2021, 18, 0460b3. [Google Scholar] [CrossRef]
- Chen, S.-L.; Chi, T.-K.; Tuan, M.-C.; Chen, C.-A.; Wang, L.-H.; Chiang, W.-Y.; Lin, M.-Y.; Abu, P.A.R. A Novel Low-Power Synchronous Preamble Data Line Chip Design for Oscillator Control Interface. Electronics 2020, 9, 1509. [Google Scholar] [CrossRef]
- Yu, Z.-Y.; Guo, S.-W. A Low-Cost, Wireless, 4-Channel EEG Measurement System Used in Virtual Reality Environments. HardwareX 2024, 17, e00507. [Google Scholar] [CrossRef]
- Alam, M.S.; Siddiqui, Y.; Hasan, M.; Farooq, O.; Himeur, Y. Energy-Efficient FPGA Based Sleep Apnea Detection Using EEG Signals. IEEE Access 2024, 12, 40182–40195. [Google Scholar] [CrossRef]
- Wang, Q.; Zhang, Y.-S.; Xue, H.-Y.; Zeng, Y.-S.; Lu, G.-X.; Fan, H.-S.; Jiang, L.-M.; Wu, J.-G. Lead-Free Dual-Frequency Ultrasound Implants for Wireless, Biphasic Deep Brain Stimulation. Nat. Commun. 2024, 15, 4017. [Google Scholar] [CrossRef] [PubMed]
- Zhang, F.; Yang, Y.-F.; Zheng, Y.-T.; Zhu, J.-M.; Wang, P.; Xu, K.-D. Combination of Matching Responsive Stimulations of Hippocampus and Subiculum for Effective Seizure Suppression in Temporal Lobe Epilepsy. Front. Neurol. 2021, 12, 638795. [Google Scholar] [CrossRef] [PubMed]
- Hays, A.M.; Smith, J.R.; Haridas, B.; Coogan, C.; Crone, E.N.; Kang, Y.J. Effects of Stimulation Intensity on Intracranial Cortico-Cortical Evoked Potentials: A Titration Study. Clin. Neurophysiol. 2021, 132, 2766–2777. [Google Scholar] [CrossRef] [PubMed]
- Cao, J.-C.; Xiong, W.; Lu, J.; Chen, P.-L.; Wang, J.; Lai, J.-M.; Huang, M.-Q. An Optimized EEGNet Processor for Low-Power and Real-Time EEG Classification in Wearable Brain-Computer Interfaces. Microelectron. J. 2024, 145, 106134. [Google Scholar] [CrossRef]
- Rizal, A.; Hadiyoso, S.; Ramdani, A.Z. FPGA-Based Implementation for Real-Time Epileptic EEG Classification Using Hjorth Descriptor and KNN. Electronics 2022, 11, 3026. [Google Scholar] [CrossRef]
- Alam, M.S.; Khan, U.; Hasan, M.; Farooq, O. Energy Efficient FPGA Implementation of an Epileptic Seizure Detection System Using a QDA Classifier. Expert Syst. Appl. 2024, 249, 123755. [Google Scholar] [CrossRef]
- Xie, Y.; Majoros, T.; Oniga, S. FPGA-Based Hardware Accelerator on Portable Equipment for EEG Signal Patterns Recognition. Electronics 2022, 11, 2410. [Google Scholar] [CrossRef]
- Ai, G.; Zhang, Y.; Wen, Y.; Gu, M.; Zhang, H.; Wang, P. Convolutional Neural Network-Based Lightweight Hardware IP Core Design for EEG Epilepsy Prediction. Microelectron. J. 2023, 137, 105810. [Google Scholar] [CrossRef]
- Lee, S.-Y.; Tsou, C.; Liao, Z.-X.; Cheng, P.-H.; Huang, P.-W.; Lee, H.-Y.; Lin, C.-C.; Shieh, G.S. A Programmable EEG Monitoring SoC with Optical and Electrical Stimulation for Epilepsy Control. IEEE Access 2020, 8, 92196–92211. [Google Scholar] [CrossRef]
- Zhang, M.; Zhang, L.; Tsai, C.-W.; Yoo, J. A Patient-Specific Closed-Loop Epilepsy Management SoC with One-Shot Learning and Online Tuning. IEEE J. Solid-State Circuits 2022, 57, 1049–1060. [Google Scholar] [CrossRef]
- Wen, Y.-Z.; Zhang, Y.-J.; Wen, L.; Cao, H.-J.; Ai, G.-P.; Gu, M.-H.; Wang, P.-J.; Chen, H.-L. A 65nm/0.448 mW EEG Processor with Parallel Architecture SVM and Lifting Wavelet Transform for High-Performance and Low-Power Epilepsy Detection. Comput. Biol. Med. 2022, 144, 105366. [Google Scholar] [CrossRef]














| Prediction Class | |||
|---|---|---|---|
| Epileptic | Normal | ||
| Real class | Epileptic | TP | FN |
| Normal | FP | TN | |
| M | 1 | 2 | 3 | 4 | 5 | |
|---|---|---|---|---|---|---|
| N | ||||||
| 1 | 0.20 | 0.78 | 0.91 | 0.94 | 0.98 | |
| 2 | 0.21 | 0.79 | 0.92 | 0.94 | 0.98 | |
| 3 | 0.25 | 0.80 | 0.92 | 0.97 | 0.98 | |
| 4 | 0.32 | 0.80 | 0.91 | 0.96 | 0.98 | |
| 5 | 0.38 | 0.81 | 0.94 | 0.96 | 0.98 | |
| M | 1 | 2 | 3 | 4 | 5 | |
|---|---|---|---|---|---|---|
| N | ||||||
| 1 | 0.20 | 0.92 | 0.92 | 0.91 | 0.90 | |
| 2 | 0.25 | 0.92 | 0.92 | 0.91 | 0.90 | |
| 3 | 0.42 | 0.92 | 0.92 | 0.91 | 0.90 | |
| 4 | 0.58 | 0.91 | 0.92 | 0.90 | 0.90 | |
| 5 | 0.68 | 0.91 | 0.92 | 0.90 | 0.90 | |
| M | 1 | 2 | 3 | 4 | 5 | |
|---|---|---|---|---|---|---|
| N | ||||||
| 1 | 1.00 | 0.83 | 0.68 | 0.61 | 0.50 | |
| 2 | 0.99 | 0.80 | 0.67 | 0.59 | 0.50 | |
| 3 | 0.99 | 0.79 | 0.67 | 0.57 | 0.50 | |
| 4 | 0.97 | 0.77 | 0.64 | 0.55 | 0.50 | |
| 5 | 0.95 | 0.77 | 0.64 | 0.55 | 0.49 | |
| M | 1 | 2 | 3 | 4 | 5 | |
|---|---|---|---|---|---|---|
| N | ||||||
| 1 | 0.56 | 0.82 | 0.72 | 0.66 | 0.55 | |
| 2 | 0.57 | 0.80 | 0.71 | 0.64 | 0.55 | |
| 3 | 0.63 | 0.79 | 0.71 | 0.62 | 0.55 | |
| 4 | 0.69 | 0.78 | 0.68 | 0.60 | 0.55 | |
| 5 | 0.73 | 0.78 | 0.68 | 0.6 | 0.54 | |
| Feature | AMP | SLP | POWER | LL |
|---|---|---|---|---|
| M | 5 | 2 | 3 | 2 |
| N | 4 | 1 | 1 | 1 |
| Parameter | [34] | [35] | [36] | [37] | This Work |
|---|---|---|---|---|---|
| Platform | Xilinx Kintex-7 XC7K325T | Xilinx Zynq XC7Z030 | Xilinx Artix-7 XC7A35T | Xilinx PYNQ-Z2 XC7Z020 | Altera DE2-115 |
| Frequency | 100 MHz | 100 MHz | 180 MHz | 100 MHz | 200 KHz |
| Power | 64 mw | N/A | 82.589 mw | 3.1 w | 75 mw |
| LUTs | 1737 | 5202 | 1158 | 1364 | 1095 |
| DSPs | 6 | N/A | 16 | 5 | 9 |
| Parameters | [38] | [39] | [40] | [41] | This Work |
|---|---|---|---|---|---|
| Process (nm) | 65 | 180 | 40 | 65 | 55 |
| ACC (%) | 87.9 | 88.73 | 86 | 91.86 | 94 |
| Chip Area (mm2) | 2.55 | 13.67 | 0.114 | 0.98 | 0.023 |
| Power Consumption (mW) | 4.45 | 0.992 | 0.311 | 0.42 | 0.8 × 10−3 |
| Classifier | CNN | LLS | GTCA-SVM | SVM | Threshold |
| Stimulation current (µA) | N/A | N/A | N/A | N/A | 34 |
Disclaimer/Publisher’s Note: The statements, opinions and data contained in all publications are solely those of the individual author(s) and contributor(s) and not of MDPI and/or the editor(s). MDPI and/or the editor(s) disclaim responsibility for any injury to people or property resulting from any ideas, methods, instructions or products referred to in the content. |
© 2024 by the authors. Licensee MDPI, Basel, Switzerland. This article is an open access article distributed under the terms and conditions of the Creative Commons Attribution (CC BY) license (https://creativecommons.org/licenses/by/4.0/).
Share and Cite
Wang, L.-H.; Zhang, Z.-N.; Xie, C.-X.; Jiang, H.; Yang, T.; Ran, Q.-P.; Fan, M.-H.; Kuo, I.-C.; Lee, Z.-J.; Chen, J.-B.; et al. A Novel Real-Time Threshold Algorithm for Closed-Loop Epilepsy Detection and Stimulation System. Sensors 2025, 25, 33. https://doi.org/10.3390/s25010033
Wang L-H, Zhang Z-N, Xie C-X, Jiang H, Yang T, Ran Q-P, Fan M-H, Kuo I-C, Lee Z-J, Chen J-B, et al. A Novel Real-Time Threshold Algorithm for Closed-Loop Epilepsy Detection and Stimulation System. Sensors. 2025; 25(1):33. https://doi.org/10.3390/s25010033
Chicago/Turabian StyleWang, Liang-Hung, Zhen-Nan Zhang, Chao-Xin Xie, Hao Jiang, Tao Yang, Qi-Peng Ran, Ming-Hui Fan, I-Chun Kuo, Zne-Jung Lee, Jian-Bo Chen, and et al. 2025. "A Novel Real-Time Threshold Algorithm for Closed-Loop Epilepsy Detection and Stimulation System" Sensors 25, no. 1: 33. https://doi.org/10.3390/s25010033
APA StyleWang, L.-H., Zhang, Z.-N., Xie, C.-X., Jiang, H., Yang, T., Ran, Q.-P., Fan, M.-H., Kuo, I.-C., Lee, Z.-J., Chen, J.-B., Chen, T.-Y., Chen, S.-L., & Abu, P. A. R. (2025). A Novel Real-Time Threshold Algorithm for Closed-Loop Epilepsy Detection and Stimulation System. Sensors, 25(1), 33. https://doi.org/10.3390/s25010033

