1. Introduction
Stepper motors, due to their straightforward architecture, high open-loop control accuracy, low cost of drivers, and ease of speed regulation, are extensively utilized in various industrial applications, including robotic arms, CNC machine tools, and new energy electric vehicles. Nonetheless, the application in robotic arms exposes stepper motors to challenges such as modeling inaccuracies, load disturbances, and other factors, leading to potential step losses, diminished anti-interference capability, and torque variability. These issues compromise not only the steady-speed precision of stepper motors but also the overall performance of the robotic arm control system. Given that traditional PID and ADRC strategies fall short of addressing the performance demands of current robotic arm joint stepper motors, the quest for advanced steady-speed motor control algorithms has emerged as a prominent research focus in recent years [
1]. To counter the stepper motors’ reduced anti-interference efficiency under abrupt load shifts, the prevailing approach is the implementation of closed-loop control to bolster performance. This approach bifurcates into linear and nonlinear control methods. Linear control modalities typically integrate traditional PID control with Field-Oriented Control (FOC) technology, tailoring the current phase and magnitude for the two-phase hybrid stepper motor stator windings [
2]. Research [
3] has explored the efficacy of stepper motor FOC control through position step experiments employing a PI and ADRC in the current, speed, and position loops, highlighting the ADRC’s enhanced load damping capabilities. Further, study [
4] has adapted ADRC for the motor’s current loop and attempts to optimize the ESO. Additionally, work [
5] has introduced a dual closed-loop architecture featuring a PI speed loop and an ADRC position loop, proposing a method for ESO performance evaluation and a bias self-coupling compensation strategy to augment system robustness.
A traditional Active Disturbance Rejection Control (ADRC) is characterized by its reliance on numerous parameters, notably within the Extended State Observer (ESO), particularly in higher-order systems where system performance is critically dependent on the precise configuration and settings of the ESO’s structure and parameters. To mitigate these challenges, scholars have leveraged existing algorithms for the fine-tuning of ADRC parameters. A self-tuning decoupled controller design, utilizing the Genetic Algorithm (GA) for the optimization of ADRC parameters, was proposed by reference [
6], significantly improving the system’s decoupling control performance. Reference [
7] employed the TD3 algorithm for the dynamic adjustment of controller parameters, thereby achieving innovative trajectory tracking for aircraft. GAADRC, introduced by reference [
8], harnesses the genetic algorithm for the tuning of motor ADRC parameters through a multi-objective optimization-based target function, culminating in the identification of optimal ADRC control parameters after several iterations. An innovative ADRC design, grounded in IMA and aiming for the determination of optimal ADRC parameters, was unveiled by reference [
9]. References [
10,
11] based on Particle Swarm Optimization (PSO) proposed IPSO and APSO respectively to simplify the parameters of ADRC.
The ESO is tasked with real-time estimation of both system states and unknown disturbances, which imposes significant computational overhead and presents challenges for motor control systems requiring high real-time performance. As research progresses, efforts have been made to optimize the structure of the ESO while integrating it with other observers or algorithmic models for compensation, leading to the development of Composite ADRC. This approach aims to maintain system performance while minimizing the computational burden of the ESO as much as possible.
References [
12,
13] analyze the limitations of a conventional Linear ADRC and proposed methods to improve ADRCs based on Model Predictive Compensation. Reference [
14] removes the tracking differentiator (TD) in the first-order ADRC and reference [
15] optimizes the Luenberger Disturbance Observer to develop an ADRC-LOC controller suitable for linear uncertain disturbance systems of any order. Reference [
16] introduced the IPSO-BP algorithm. It utilizes IDA-PBC to establish a PCHD model of the motor, incorporating the BP algorithm to update the parameters of the ADRC in real time. Reference [
17] designed a novel current loop and proposed a Sliding Mode ADRC to regulate motor speed, which not only retains the original characteristics of ADRC but also ensures a smooth transition of ADRC parameters. Reference [
18] combined the advantages of LADRC and NLADRC, proposing a Switching Control (SADRC) strategy. Reference [
19] utilized a nonlinear Phase-Locked Loop (PLL) combined with special nonlinear functions for estimating uncertainties and load disturbances in actual conditions, designing a novel NPLLO structure and proposing an ADRC controller based on the new Nonlinear Phase-Locked Loop Observer (NPLLO). Reference [
20] used interpolation fitting to reconstruct ESO and NLSEF to optimize ADRC. Reference [
21] designed a reduced-order ESO and proposed a composite ADRC containing acceleration feedforward. Reference [
22] improved the ESO to handle non-decreasing second-order differentiable disturbances to achieve minimal estimation error of the system and used the Lyapunov method to prove it. Reference [
23] introduced an improved ESO, which is beneficial for achieving high-performance current control. Reference [
24] presented a hybrid algorithm, combining a Frequency-Locked Loop (FLL) with an enhanced Second-Order Generalized Integrator (SOGI) and a Phase-Locked Loop (PLL) based on an ADRC to reduce rotor position estimation errors caused by higher-order harmonics. Reference [
25] proposed Fuzzy-ADRC, enhancing its disturbance compensation capability. Reference [
26] studied a composite ADRC for the second-order speed loop and position loop, proposing an IADRC to enhance system tracking accuracy. In reference [
27], a bicyclic ADRC with position-velocity parameters that can be self-adaption is proposed for mechanical arm joints and applied to SCARA. Reference [
28] enhances the system’s vibration suppression capabilities by designing a reduced-order extended state observer (RESO), while reference [
29] addresses issues such as uncertain disturbances in flexible-joint manipulators (FJMs). Based on the RESO, a novel composite control method is devised, significantly improving the tracking performance.
Subsequent studies, such as those by references [
16] through [
27], have introduced various algorithmic enhancements and novel approaches, including the integration of genetic algorithms, particle swarm optimization, sliding mode control, and fuzzy logic, to address specific challenges in ADRC implementation, thereby advancing the robustness, adaptability, and performance of ADRC systems.
Existing studies commonly use observer techniques such as Luenberger observer, sliding mode observer, and Kalman filter. Although these studies make significant theoretical contributions, their practical applications can be complex and computationally heavy. The Load Torque Observer (LTO) design method based on the dimensionality reduction observer principle is simple to implement and has low computational complexity. It can be effectively combined with a high-order ESO and the two techniques complement each other’s advantages, reducing the system computational complexity and ESO delay. As shown in
Table 1.
Specifically, a traditional ADRC has many parameters, and the ESO, as the core of ADRC control, will undoubtedly increase the burden on estimation and measurement tasks while narrowing the scope of uncertainty for unknown controlled objects; if the estimation capability does not meet the system requirements, requiring higher accuracy will actually extend the system’s estimation time, thereby severely affecting the performance of the active disturbance rejection control system. Especially for high-order systems, due to the difficulty of parameter adjustment and optimization, the ability to identify parameters may be reduced. At the same time, the total disturbance of the system cannot be effectively compensated, which limits the excellent control performance of the active disturbance rejection system. Therefore, the method of compensating part of the system model can, on the one hand, obtain more information about the controlled object, and on the other hand, it also reduces the burden on the controller to estimate the object and perform compensation. The load torque observer is designed using the dimensionality reduction observer principle to share the system burden. Through theoretical analysis, it can be proved that the dimensionality reduction observer has a small amount of calculations, compensates for the computational delay of high-order ESO well, and greatly improves the overall efficiency of the system.
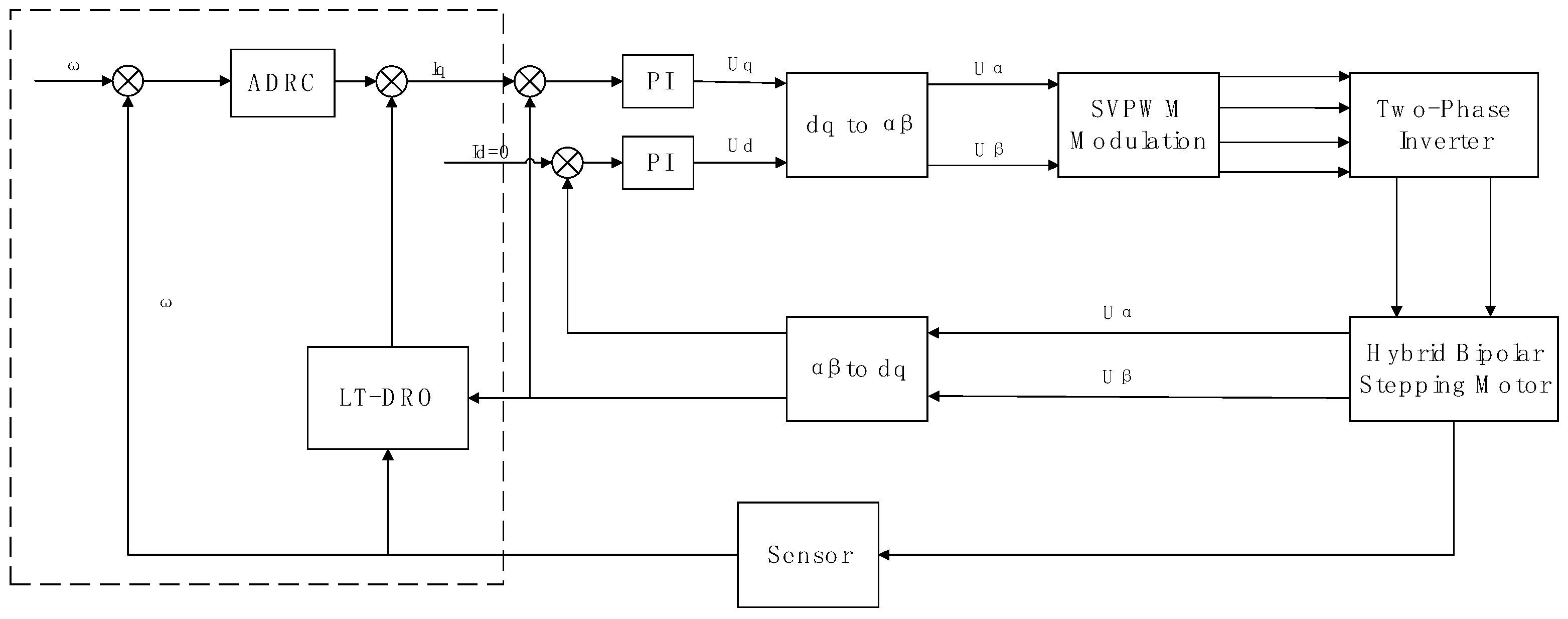
This paper proposes a composite ADRC method for stepper motors combined with the Load Torque Dimensionality Reduction Observer (LTDRO). First, the closed-loop vector control and the mathematical model of the motor are introduced, and the speed loop is controlled by the ADRC. Secondly, in
Section 3, the use of magnetic encoders to obtain system state variables such as motor position and speed is introduced, and the LTDRO is constructed. The observer can estimate external load disturbances in real time and output a feedforward compensation current after internal calculation. The ESO is used to compensate for all disturbances except load torque. In
Section 4, the simulation and experimental results are presented. Finally, in
Section 5, the effectiveness of the method is summarized.
3. LTDRO-ADRC Speed Regulation Method
3.1. Design of the LTDRO
During sudden load changes, the Extended State Observer (ESO) within the speed loop, which relies on a speed error detection method, may not accurately or promptly estimate the total disturbance. This limitation stems from the fact that the ESO’s bandwidth dictates the quickest rate at which it can track signal changes. A bandwidth set too low hampers the ESO’s ability to swiftly adapt to abrupt load alterations. Conversely, while ESOs commonly employ filters to diminish noise and enhance the smoothness of their estimates, these filters can mitigate fluctuations at the cost of introducing delays, thus decelerating the response to rapid shifts.
To augment the ESO’s responsiveness to sudden load variations, optimizing the design parameters to elevate its bandwidth is a viable approach. Nonetheless, an excessively high bandwidth might provoke issues such as noise amplification and heightened sensitivity, which could destabilize the system. Alternatively, implementing a higher-order ESO design, like a third-order or above, could address these challenges, although it significantly complicates the tuning process.
This paper introduces a novel approach: the design of a load torque dimensionality reduction observer. This observer internally calculates the load torque signal, utilizing it as a compensatory current that is fed forward into the current loop input. It is adept at estimating and compensating for sudden load disturbances—tasks that the conventional ESO might find challenging. Thus, it optimizes the latency issues associated with the ESO in traditional Active Disturbance Rejection Control (ADRC) setups. As a result, it not only accelerates the ADRC speed loop’s response rate but also bolsters the system’s overall adaptability to load changes.
The principle block diagram illustrating the composite ADRC system, which incorporates the load torque dimensionality reduction observer for feedforward compensation, is depicted in
Figure 2.
According to the motor’s motion equation, when the motor runs stably under no load, the electromagnetic torque is balanced with the speed, namely:
Upon encountering a sudden shift from a zero load condition, the previously established equilibrium between electromagnetic torque and speed becomes disturbed, leading to alterations in the motor’s rotational velocity. At this critical moment, by introducing a compensatory electromagnetic torque,
, the motor’s motion equation can be reformulated as follows:
Assuming the compensatory electromagnetic torque
applied to the motor equals the load torque induced by the sudden load change, that is,
, then the torque and speed remain in equilibrium, and the motor speed remains unchanged. Based on the relationship between electromagnetic torque and current, it is possible to achieve the purpose of compensating the electromagnetic torque of the motor by adjusting the
current. The compensatory current
is as follows:
Due to the difficulty in directly measuring the load torque, the magnitude of the load torque is indirectly determined based on the motor’s motion equation, utilizing the system’s state variables
. Integrating load torque, speed, and current into one formula, the relationship between them is as follows:
Furthermore, as previously mentioned, the following formula can be derived:
Assuming the sampling frequency is sufficiently high, the observed state variable of the load torque can be considered constant within one sampling period, implying that the load torque remains constant during the sampling cycle, i.e.,
. By integrating this assumption with the mechanical motion equation, the state equation for a two-dimensional linear time-invariant system is designed as follows:
Herein, , , , , ;
It follows that:
Simplifying the above equation and substituting it into the mechanical motion equation yields:
According to the simplified Equation (16), the block diagram of the observer can be obtained, as shown in
Figure 3.
In practical applications, to facilitate the design of the observer’s pole placement, the damping coefficient B is considered negligible. By setting
and
, the following can be derived:
At this juncture, the Dimensionality-Reduced Observer (DRO) can achieve a performance closely paralleling that of the widely recognized Proportional–Integral (PI) controller. In the development and subsequent refinement of the DRO, attention can be exclusively directed towards the proportional and integral components. This approach simplifies the tuning process significantly.
Regarding the decoupled control strategy employed for the current loop, when the motor’s damping coefficient (B) along with the impacts of sampling and filtering present in both the speed and current loops are disregarded, the open-loop transfer function characterizing the stepper motor’s control current loop is delineated as follows:
In the equation, is the Laplace transform variable, representing frequency in the complex frequency domain; is the proportional gain, can be equivalent to proportional control; is the integral gain, making up the integral part of the PI controller; is the motor inductance, characterizing the electromagnetic response of the motor coils to changes in current; is the motor resistance, representing the resistance of the motor coils.
To simplify the calculation, assume that
are related only to the cutoff frequency
of the current loop, and let
. Consequently, the closed-loop transfer function of the current loop can be simplified as follows:
The open-loop transfer function of the velocity loop is:
By simultaneous Equations (19) and (20), the system transfer function can be expressed as:
The open-loop transfer function
can be determined as:
As demonstrated by the transfer function depicted in
Figure 4, the system exhibits the dynamic properties characteristic of a second-order system. Here, J symbolizes the inertia of the system. Such a configuration is proficient in eliminating steady-state errors while achieving precise tracking of the observed load torque. Nonetheless, the absence of damping contributes to potential oscillations, rendering the system excessively sensitive under specific conditions.
3.2. Torque Feedforward Compensation
In motor speed control systems, the conventional application of Proportional–Integral (PI) controllers within the speed loop frequently results in extended adjustment periods following speed variances provoked by alterations in load, thereby complicating the swift minimization of discrepancies between the predetermined speed and its actual counterpart. To augment the system’s dynamic responsiveness to perturbations in load, the introduction of a load torque feedforward compensation strategy is proposed.
This approach entails incorporating a torque current directly into the motor current loop input, which is proportional to the load torque, thereby enabling immediate feedforward compensation for the impact of load disturbances. As depicted in
Figure 5, the torque current is determined based on the load torque as estimated by the observer. Following low-pass filtering, it is then injected into the motor current loop, significantly enhancing the motor system’s ability to respond to abrupt changes in load conditions.
3.3. Stability Analysis
From the preceding analysis, the system’s transfer function has been derived as
. To analyze stability, it is necessary to define the system’s state space. For simplicity, a reduced model with similar dynamic behavior is considered:
Here,
represents the state vector,
the input, and
the output. Incorporating the specific form of the original system’s transfer function, and defining the system state vector as
, the simplified model of the system can be expressed as:
A Lyapunov function,
, is selected as:
This function is positive definite for
and attains its minimum value of 0 when
, fulfilling the basic requirements for a Lyapunov function. Further derivation yields the derivative of
with respect to
:
Given that
and
are non-negative, by designing an appropriate control law, it can be ensured that
always holds true, indicating that the system is stable. On the other hand, as derived from the preceding discussion, regarding the system’s poles, it is known that:
This constitutes a quadratic equation in terms of S, with the general solution being:
The stability of the system necessitates that the real parts of all poles be less than zero. Therefore, it is imperative to examine the real part of the aforementioned solution.
Should the condition hold, the roots are real numbers. If , the real part is negative, which implies ;
If , there exists a repeated root, upon which the system’s stability also hinges, requiring that ;
In the event that , the roots are complex conjugates, with their real parts determined by . Under these circumstances, the stability of the system similarly depends on .
In summary, the stability of this system is primarily dependent on the control parameters . With appropriate parameter settings, the system is stable.
5. Conclusions
To address the traditional stepper motor vector PI speed control system: the internal and external perturbations, such as sudden load changes, and the contradiction between response and overshoot affects the speed control performance, and the ESO in ADRC technology in a high-performance stepper motor system is limited by the arithmetic load, which may lead to delays in the real-time requirements of the motor control; especially in the higher-order system, the complexity of parameter tuning limits the performance of the ADRC problem. Based on the vector control of stepper motors, according to the principle of self-immunity control, a self-immunity control strategy is adopted in the speed loop, and on this basis, a dimensionality reduction observer (DRO) is utilized for load estimation to reduce the system burden of the ESO, and at the same time, the load torque dimensionality reduction observer (LTDRO) internally calculates and outputs the feedforward torque current to be compensated to the input of the current loop. Simulation and experimental results show that the LTDRO-ADRC parameter design is effective and feasible, and the parameter design can be accomplished by using fewer indicators, which reduces the difficulty of design and calculation. This speed control method can effectively improve the dynamic control performance of the system, realize fast response, and improve the system stability at the same time. Simulation results show that the LTDRO-ADRC can stabilize the speed again within 49 ms and 17 ms, respectively, when faced with sudden load increase and sudden load removal. Meanwhile, in terms of steady-state error, compared with the ADRC and CADRC, the improvement is 94% and 88%, respectively. In terms of zero-speed motor starting, the response speed is improved by 58% compared with the traditional ADRC. This provides a solid foundation for applying this control technology to high-performance servo applications.