Highly Sensitive Pressure Sensor Based on Elastic Conductive Microspheres
Abstract
1. Introduction
2. Experimental Section
2.1. Materials
2.2. Fabrication of Elastic Microspheres
2.3. Preparation of Conductive Microspheres
2.4. Preparation of Electrodes and Pressure Sensors
2.5. Characterization and Measurements
3. Results and Discussion
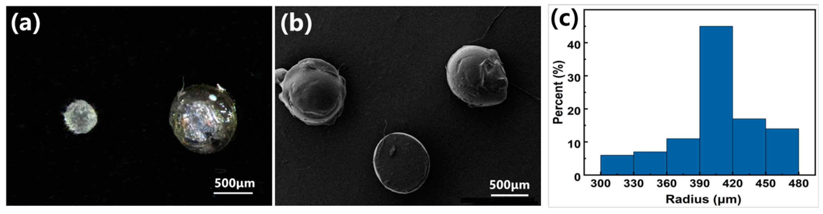
3.1. Fabrication and Characterization
3.2. Mechanism Analysis
3.3. Sensing Performance
3.4. Practical Applications
4. Conclusions
Supplementary Materials
Author Contributions
Funding
Institutional Review Board Statement
Informed Consent Statement
Data Availability Statement
Conflicts of Interest
References
- Huang, C.B.; Witomska, S.; Aliprandi, A.; Stoeckel, M.A.; Bonini, M.; Ciesielski, A.; Samorì, P. Molecule-Graphene Hybrid Materials with Tunable Mechanoresponse: Highly Sensitive Pressure Sensors for Health Monitoring. Adv. Mater. 2019, 31, 1804600. [Google Scholar] [CrossRef]
- Roh, E.; Lee, H.B.; Kim, D.I.; Lee, N.E. A Solution-Processable, Omnidirectionally Stretchable, and High-Pressure-Sensitive Piezoresistive Device. Adv. Mater. 2017, 29, 1703004. [Google Scholar] [CrossRef]
- Lai, Q.-T.; Zhao, X.-H.; Sun, Q.-J.; Tang, Z.T.; Roy, V.A.L. Emerging Mxene-Based Flexible Tactile Sensors for Health Monitoring and Haptic Perception. Small 2023, 19, 2300283. [Google Scholar] [CrossRef]
- Huang, C.Y.; Yang, G.; Huang, P.; Hu, J.M.; Tang, Z.H.; Li, Y.Q.; Fu, S.Y. Flexible Pressure Sensor with an Excellent Linear Response in a Broad Detection Range for Human Motion Monitoring. ACS Appl. Mater. Interfaces 2023, 15, 3476–3485. [Google Scholar] [CrossRef]
- Lu, P.; Wang, L.; Zhu, P.; Huang, J.; Wang, Y.J.; Bai, N.N.; Wang, Y.; Li, G.; Yang, J.L.; Xie, K.W.; et al. Iontronic pressure sensor with high sensitivity and linear response over a wide pressure range based on soft micropillared electrodes. Sci. Bull. 2021, 66, 1091–1100. [Google Scholar] [CrossRef] [PubMed]
- Zhan, Z.Y.; Lin, R.Z.; Tran, V.T.; An, J.N.; Wei, Y.F.; Du, H.J.; Tran, T.; Lu, W. Paper/Carbon Nanotube-Based Wearable Pressure Sensor for Physiological Signal Acquisition and Soft Robotic Skin. ACS Appl. Mater. Interfaces 2017, 9, 37921–37928. [Google Scholar] [CrossRef]
- Watanabe, Y.; Sekine, T.; Miura, R.; Abe, M.; Shouji, Y.; Ito, K.; Wang, Y.F.; Hong, J.; Takeda, Y.; Kumaki, D.; et al. Optimization of a Soft Pressure Sensor in terms of the Molecular Weight of the Ferroelectric-Polymer Sensing Layer. Adv. Funct. Mater. 2022, 32, 2107434. [Google Scholar] [CrossRef]
- Ma, Y.A.; Cheng, Y.F.; Wang, J.; Fu, S.; Zhou, M.J.; Yang, Y.; Li, B.W.; Zhang, X.; Nan, C.W. Flexible and highly-sensitive pressure sensor based on controllably oxidized MXene. InfoMat 2022, 4, e12328. [Google Scholar] [CrossRef]
- Huang, Y.; Fan, X.Y.; Chen, S.C.; Zhao, N. Emerging Technologies of Flexible Pressure Sensors: Materials, Modeling, Devices, and Manufacturing. Adv. Funct. Mater. 2019, 29, 1808509. [Google Scholar] [CrossRef]
- Fu, M.; Zhang, J.M.; Jin, Y.M.; Zhao, Y.; Huang, S.Y.; Guo, C.F. A Highly Sensitive, Reliable, and High-Temperature-Resistant Flexible Pressure Sensor Based on Ceramic Nanofibers. Adv. Sci. 2020, 7, 2000258. [Google Scholar] [CrossRef]
- Lin, Q.P.; Huang, J.; Yang, J.L.; Huang, Y.; Zhang, Y.F.; Wang, Y.J.; Zhang, J.M.; Wang, Y.; Yuan, L.L.; Cai, M.K.; et al. Highly Sensitive Flexible Iontronic Pressure Sensor for Fingertip Pulse Monitoring. Adv. Healthc. Mater. 2020, 9, 2001023. [Google Scholar] [CrossRef] [PubMed]
- Qiu, Y.; Tian, Y.; Sun, S.S.; Hu, J.H.; Wang, Y.Y.; Zhang, Z.; Liu, A.P.; Cheng, H.Y.; Gao, W.Z.; Zhang, W.N.; et al. Bioinspired, multifunctional dual -mode pressure sensors as electronic skin for decoding complex loading processes and human motions. Nano Energy 2020, 78, 105337. [Google Scholar] [CrossRef]
- Zhao, T.T.; Yuan, L.; Li, T.K.; Chen, L.L.; Li, X.F.; Zhang, J.H. Pollen-Shaped Hierarchical Structure for Pressure Sensors with High Sensitivity in an Ultrabroad Linear Response Range. ACS Appl. Mater. Interfaces 2020, 12, 55362–55371. [Google Scholar] [CrossRef] [PubMed]
- Han, Z.Y.; Li, H.F.; Xiao, J.L.; Song, H.L.; Lo, B.; Cai, S.S.; Chen, Y.; Ma, Y.J.; Feng, X. Ultralow-Cost, Highly Sensitive, and Flexible Pressure Sensors Based on Carbon Black and Airlaid Paper for Wearable Electronics. ACS Appl. Mater. Interfaces 2019, 11, 33370–33379. [Google Scholar] [CrossRef] [PubMed]
- Wang, J.; Suzuki, R.; Shao, M.; Gillot, F.; Shiratori, S. Capacitive Pressure Sensor with Wide-Range, Bendable, and High Sensitivity Based on the Bionic Komochi Konbu Structure and Cu/Ni Nanofiber Network. ACS Appl. Mater. Interfaces 2019, 11, 11928–11935. [Google Scholar] [CrossRef]
- Nie, B.Q.; Huang, R.; Yao, T.; Zhang, Y.Q.; Miao, Y.H.; Liu, C.R.; Liu, J.; Chen, X.J. Textile-Based Wireless Pressure Sensor Array for Human-Interactive Sensing. Adv. Funct. Mater. 2019, 29, 1808786. [Google Scholar] [CrossRef]
- Huang, J.R.; Wang, H.T.; Li, J.A.; Zhang, S.M.; Li, H.; Xin, M.; Yan, K.; Cheng, W.; He, D.W.; Wang, X.R.; et al. High-Performance Flexible Capacitive Proximity and Pressure Sensors with Spiral Electrodes for Continuous Human-Machine Interaction. ACS Mater. Lett. 2022, 4, 2261–2272. [Google Scholar] [CrossRef]
- Lee, K.Y.; Yoon, H.J.; Jiang, T.; Wen, X.N.; Seung, W.; Kim, S.W.; Wang, Z.L. Fully Packaged Self-Powered Triboelectric Pressure Sensor Using Hemispheres-Array. Adv. Energy Mater. 2016, 6, 1502566. [Google Scholar] [CrossRef]
- Boutry, C.M.; Nguyen, A.; Lawal, Q.O.; Chortos, A.; Rondeau-Gagné, S.; Bao, Z.N. A Sensitive and Biodegradable Pressure Sensor Array for Cardiovascular Monitoring. Adv. Mater. 2015, 27, 6954–6961. [Google Scholar] [CrossRef]
- Gao, Y.J.; Ota, H.; Schaler, E.W.; Chen, K.; Zhao, A.; Gao, W.; Fahad, H.M.; Leng, Y.G.; Zheng, A.Z.; Xiong, F.R.; et al. Wearable Microfluidic Diaphragm Pressure Sensor for Health and Tactile Touch Monitoring. Adv. Mater. 2017, 29, 1701985. [Google Scholar] [CrossRef]
- Mannsfeld, S.C.B.; Tee, B.C.K.; Stoltenberg, R.M.; Chen, C.; Barman, S.; Muir, B.V.O.; Sokolov, A.N.; Reese, C.; Bao, Z.N. Highly sensitive flexible pressure sensors with microstructured rubber dielectric layers. Nat. Mater. 2010, 9, 859–864. [Google Scholar] [CrossRef]
- Shi, Z.Y.; Meng, L.X.; Shi, X.L.; Li, H.P.; Zhang, J.Z.; Sun, Q.Q.; Liu, X.Y.; Chen, J.Z.; Liu, S.R. Morphological Engineering of Sensing Materials for Flexible Pressure Sensors and Artificial Intelligence Applications. Nano-Micro Lett. 2022, 14, 141. [Google Scholar] [CrossRef]
- Jing, Z.; Zhang, Q.; Cheng, Y.Q.; Ji, C.; Zhao, D.; Liu, Y.; Jia, W.D.; Pan, S.R.; Sang, S.B. Highly sensitive, reliable and flexible piezoresistive pressure sensors based on graphene-PDMS @ sponge. J. Micromech. Microeng. 2020, 30, 085012. [Google Scholar] [CrossRef]
- Cui, J.L.; Zhang, B.Z.; Duan, J.P.; Guo, H.; Tang, J. Flexible Pressure Sensor with Ag Wrinkled Electrodes Based on PDMS Substrate. Sensors 2016, 16, 2131. [Google Scholar] [CrossRef]
- Luo, Y.H.; Wu, D.Z.; Zhao, Y.; Chen, Q.N.; Xie, Y.; Wang, M.H.; Lin, L.W.; Wang, L.Y.; Sun, D.H. Direct write of a flexible high-sensitivity pressure sensor with fast response for electronic skins. Org. Electron. 2019, 67, 10–18. [Google Scholar] [CrossRef]
- Jia, M.L.; Yi, C.H.; Han, Y.K.; Wang, L.; Li, X.; Xu, G.L.; He, K.; Li, N.C.; Hou, Y.X.; Wang, Z.G.; et al. Hierarchical Network Enabled Flexible Textile Pressure Sensor with Ultrabroad Response Range and High-Temperature Resistance. Adv. Sci. 2022, 9, 2105738. [Google Scholar] [CrossRef] [PubMed]
- Yin, Y.M.; Li, H.Y.; Xu, J.; Zhang, C.; Liang, F.; Li, X.; Jiang, Y.; Cao, J.W.; Feng, H.F.; Mao, J.N.; et al. Facile Fabrication of Flexible Pressure Sensor with Programmable Lattice Structure. ACS Appl. Mater. Interfaces 2021, 13, 10388–10396. [Google Scholar] [CrossRef]
- Hang, G.G.; Wang, X.C.; Zhang, J.; Wei, Y.; He, S.J.; Wang, H.Y.; Liu, Z. Review of MXene Nanosheet Composites for Flexible Pressure Sensors. ACS Appl. Nano Mater. 2022, 5, 14191–14208. [Google Scholar] [CrossRef]
- Tang, X.R.; Miao, Y.H.; Chen, X.J.; Nie, B.Q. A Flexible and Highly Sensitive Inductive Pressure Sensor Array Based on Ferrite Films. Sensors 2019, 19, 2406. [Google Scholar] [CrossRef] [PubMed]
- Dong, H.F.; Zhang, L.B.; Wu, T.; Song, H.J.; Luo, J.Q.; Huang, F.L.; Zuo, C.C. Flexible pressure sensor with high sensitivity and fast response for electronic skin using near-field electrohydrodynamic direct writing. Org. Electron. 2021, 89, 106044. [Google Scholar] [CrossRef]
- Kim, J.S.; So, Y.; Lee, S.; Pang, C.; Park, W.; Chun, S. Uniform pressure responses for nanomaterials-based biological on-skin flexible pressure sensor array. Carbon 2021, 181, 169–176. [Google Scholar] [CrossRef]
- Chen, Z.; Ming, T.; Goulamaly, M.M.; Yao, H.M.; Nezich, D.; Hempel, M.; Hofmann, M.; Kong, J. Enhancing the Sensitivity of Percolative Graphene Films for Flexible and Transparent Pressure Sensor Arrays. Adv. Funct. Mater. 2016, 26, 5061–5067. [Google Scholar] [CrossRef]
- Luo, Z.B.; Chen, J.; Zhu, Z.F.; Li, L.; Su, Y.; Tang, W.; Omisore, O.M.; Wang, L.; Li, H. High-Resolution and High-Sensitivity Flexible Capacitive Pressure Sensors Enhanced by a Transferable Electrode Array and a Micropillar-PVDF Film. ACS Appl. Mater. Interfaces 2021, 13, 7635–7649. [Google Scholar] [CrossRef] [PubMed]
- Zhou, B.; Chen, Y.; Hu, K.; Fahad, S.; Zhou, Y.X.; Yuan, Y.M.; Wang, M. Matrix-addressed crosstalk-free self-powered pressure sensor array based on electrospun isolated PVDF-TrFE cells. Sens. Actuators A Phys. 2022, 347, 113993. [Google Scholar] [CrossRef]
- You, I.; Choi, S.E.; Hwang, H.; Han, S.W.; Kim, J.W.; Jeong, U. E-Skin Tactile Sensor Matrix Pixelated by Position-Registered Conductive Microparticles Creating Pressure-Sensitive Selectors. Adv. Funct. Mater. 2018, 28, 1801858. [Google Scholar] [CrossRef]
- Yang, G.; Cong, L.; Yu, G.H.; Jin, S.; Tan, J.P.; Xuan, F.Z. Laser micro-structured pressure sensor with modulated sensitivity for electronic skins. Nanotechnology 2019, 30, 325502. [Google Scholar]
- Wang, Y.L.; Zhu, W.; Yu, Y.D.; Zhu, P.C.; Song, Q.S.; Deng, Y. High-Sensitivity Flexible Pressure Sensor With Low Working Voltage Based on Sphenoid Microstructure. IEEE Sens. J. 2020, 20, 7354–7361. [Google Scholar] [CrossRef]
- Shi, J.D.; Wang, L.; Dai, Z.H.; Zhao, L.Y.; Du, M.D.; Li, H.B.; Fang, Y. Multiscale Hierarchical Design of a Flexible Piezoresistive Pressure Sensor with High Sensitivity and Wide Linearity Range. Small 2018, 14, 1800819. [Google Scholar] [CrossRef] [PubMed]
- Wang, M.; Yu, Y.; Liang, Y.H.; Han, Z.W.; Liu, C.B.; Ma, S.Q.; Lin, Z.H.; Ren, L. High-performance Multilayer Flexible Piezoresistive Pressure Sensor with Bionic Hierarchical and Anisotropic Structure. J. Bionic Eng. 2022, 19, 1439–1448. [Google Scholar] [CrossRef]
- Xu, J.H.; Zhang, L.; Lai, X.J.; Zeng, X.R.; Li, H.Q. Wearable RGO/MXene Piezoresistive Pressure Sensors with Hierarchical Microspines for Detecting Human Motion. ACS Appl. Mater. Interfaces 2022, 14, 27262–27273. [Google Scholar] [CrossRef]
- Jing, M.Y.; Zhou, J.; Zhang, P.C.; Hou, D.J.; Shen, J.; Tian, J.; Chen, W. Porous AgNWs/Poly(vinylidene fluoride) Composite-Based Flexible Piezoresistive Sensor with High Sensitivity and Wide Pressure Ranges. ACS Appl. Mater. Interfaces 2022, 14, 55119–55129. [Google Scholar] [CrossRef]
- Pan, H.; Xie, G.Z.; Pang, W.Q.; Wang, S.; Wang, Y.; Jiang, Z.; Du, X.S.; Tai, H.L. Surface Engineering of a 3D Topological Network for Ultrasensitive Piezoresistive Pressure Sensors. ACS Appl. Mater. Interfaces 2020, 12, 38805–38812. [Google Scholar] [CrossRef] [PubMed]
- Bertolini, M.C.; Dul, S.; Pereira, E.L.C.; Soares, B.G.; Barra, G.M.O.; Pegoretti, A. Fabrication and characterization of piezoresistive flexible pressure sensors based on poly(vinylidene fluoride)/thermoplastic polyurethane filled with carbon black-polypyrrole. Polym. Compos. 2021, 42, 6621–6634. [Google Scholar] [CrossRef]
- Li, L.; Fu, X.Y.; Chen, S.; Uzun, S.; Levitt, A.S.; Shuck, C.E.; Han, W.; Gogotsi, Y. Hydrophobic and Stable MXene-Polymer Pressure Sensors for Wearable Electronics. ACS Appl. Mater. Interfaces 2020, 12, 15362–15369. [Google Scholar] [CrossRef] [PubMed]
- GB/T 528-2009; Rubber, Vulcanized or Thermoplastic—Determination of Tensile Stress-Strain Properties. Standards Press of China: Beijing, China, 2009.
- Li, X.P.; Li, Y.; Li, X.F.; Song, D.K.; Min, P.; Hu, C.; Zhang, H.B.; Koratkar, N.; Yu, Z.Z. Highly sensitive, reliable and flexible piezoresistive pressure sensors featuring polyurethane sponge coated with MXene sheets. J. Colloid Interface Sci. 2019, 542, 54–62. [Google Scholar] [CrossRef] [PubMed]
- Zhang, Y.; Han, F.; Hu, Y.G.; Xiong, Y.X.; Gu, H.; Zhang, G.Q.; Zhu, P.L.; Sun, R.; Wong, C.P. Flexible and Highly Sensitive Pressure Sensors with Surface Discrete Microdomes Made from Self-Assembled Polymer Microspheres Array. Macromol. Chem. Phys. 2020, 221, 2000073. [Google Scholar] [CrossRef]







Disclaimer/Publisher’s Note: The statements, opinions and data contained in all publications are solely those of the individual author(s) and contributor(s) and not of MDPI and/or the editor(s). MDPI and/or the editor(s) disclaim responsibility for any injury to people or property resulting from any ideas, methods, instructions or products referred to in the content. |
© 2024 by the authors. Licensee MDPI, Basel, Switzerland. This article is an open access article distributed under the terms and conditions of the Creative Commons Attribution (CC BY) license (https://creativecommons.org/licenses/by/4.0/).
Share and Cite
Li, Z.; Guan, T.; Zhang, W.; Liu, J.; Xiang, Z.; Gao, Z.; He, J.; Ding, J.; Bian, B.; Yi, X.; et al. Highly Sensitive Pressure Sensor Based on Elastic Conductive Microspheres. Sensors 2024, 24, 1640. https://doi.org/10.3390/s24051640
Li Z, Guan T, Zhang W, Liu J, Xiang Z, Gao Z, He J, Ding J, Bian B, Yi X, et al. Highly Sensitive Pressure Sensor Based on Elastic Conductive Microspheres. Sensors. 2024; 24(5):1640. https://doi.org/10.3390/s24051640
Chicago/Turabian StyleLi, Zhangling, Tong Guan, Wuxu Zhang, Jinyun Liu, Ziyin Xiang, Zhiyi Gao, Jing He, Jun Ding, Baoru Bian, Xiaohui Yi, and et al. 2024. "Highly Sensitive Pressure Sensor Based on Elastic Conductive Microspheres" Sensors 24, no. 5: 1640. https://doi.org/10.3390/s24051640
APA StyleLi, Z., Guan, T., Zhang, W., Liu, J., Xiang, Z., Gao, Z., He, J., Ding, J., Bian, B., Yi, X., Wu, Y., Liu, Y., Shang, J., & Li, R. (2024). Highly Sensitive Pressure Sensor Based on Elastic Conductive Microspheres. Sensors, 24(5), 1640. https://doi.org/10.3390/s24051640

