A Multisensor Device Intended as an IoT Element for Indoor Environment Monitoring
Abstract
1. Introduction
2. Assumptions
- Can work over extended periods (weeks or months) with minimum operator attention/intervention;
- Are widely accessible;
- Provide continuous, online measurements of various physical and chemical quantities with a high temporal resolution;
- Are simple to use;
- Offer good accuracy, sensitivity, and repeatability of measurements.
3. Multisensor Device
3.1. Operating Mode
3.2. Operations and Functional Modules Implemented
- Gas sampling;
- The generation of sensor responses to physical and chemical quantities;
- The generation of an electrical measurement signal;
- Electrical signal conditioning;
- Electrical signal conversion;
- Data acquisition and storage;
- Signal preprocessing;
- Data visualization;
- Calibration.
3.2.1. Gas Sampling
3.2.2. Generation of Sensor Responses to Physical and Chemical Quantities
3.2.3. Generation of an Electrical Measurement Signal
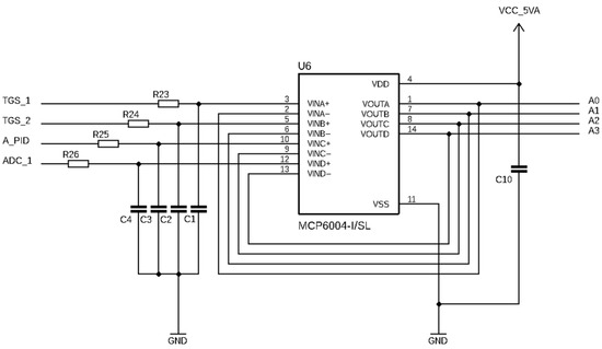
3.2.4. Electrical Signal Conditioning
3.2.5. Electrical Signal Conversion
3.2.6. Data Acquisition and Storage
- Start the UART configuration for the PMS5003 sensor;
- PMS5003 sensor—start the measurement process;
- Start the UART configuration for the CO2 sensor Cozir CO2 Blink;
- Cozir CO2 Blink sensor—Power ON and start initialization (time needed < 4 s);
- Read date and time from RTC (real-time clock);
- Read from BH1750 sensor;
- Read data from ADC converters (TGS2600, TGS2602, PID-AH2);
- Read from Grove Multichannel Gas Sensor v2 sensor;
- Read from MPL3115A2 sensor;
- Read from Cozir CO2 Blink sensor;
- Cozir CO2 Blink sensor—Power OFF;
- Start the UART configuration for the PMS5003 sensor;
- Read from PMS5003 sensor;
- Save data on the microSD card.
3.2.7. Signal Preprocessing
3.2.8. Data Visualization
3.2.9. Calibration
Calibration of the Sensing Device for Quantitative Information
- Physical sensor calibration
- Chemical sensor calibration
- Premixed calibration;
- A calibrator with constant temperature, flow regulation, and gas permeation devices;
- The use of gas mixing;
- The use of calibrating liquid chemical mixtures.
Calibration of the Sensing Device for Qualitative Information
3.3. Configuration and Structure of the Measurement System
- The multi-cell sensing module;
- The sensing module PMS5003;
- Sensors for the measurement of light intensity and pressure;
- Filters;
- The pneumatic assembly;
- Interfaces and data transmission;
- The microcontroller;
- The power supply;
- The instrument housing.
3.3.1. Multi-Cell Sensing Module
- The printed circuit board (PCB);
- Sensors;
- The measurement chamber.
- TGS2600;
- TGS2602;
- PID-AH2;
- Cozir-Blink5000;
- Grove Multichannel Gas Sensor V2.
3.3.2. Sensing Module PMS5003
3.3.3. Sensors for the Measurement of Light Intensity and Pressure
3.3.4. Pneumatic Assembly
3.3.5. Filters
3.3.6. Data Transmission and Interfaces
- Publish the current value of an individual sensor in the MQTT network;
- Publish files with the measurement data in the MQTT network;
- Publish the current configuration of the measurement device in the MQTT network;
- Publish the information about data transmission errors and sensing elements errors in the MQTT network;
- Subscribe the information from the auxiliary device and save it on the microSD card;
- Subscribe commands that change the current configuration of the network, devices, and sensors;
- Subscribe commands which allow us to modify files saved on the microSD card;
- Subscribe commands which manage the measurement device (switch on, switch off, reset, etc.).
3.3.7. Microcontroller
3.3.8. Power Supply
3.3.9. Instrument Housing
4. Exemplary Results of Indoor Environment Monitoring with the Multisensor Device
5. Summary
Author Contributions
Funding
Institutional Review Board Statement
Informed Consent Statement
Data Availability Statement
Conflicts of Interest
References
- Oh, D.; Kim, J.; Kim, H.; Jang, H.; Hong, T.; An, J. Analyzing the impact of indoor environmental quality on physiological responses and work performance: Implications for IEQ control strategies. Build. Environ. 2023, 244, 110845. [Google Scholar] [CrossRef]
- Khalid, N.S.; Abdullah, Y.A.; Nasrudin, N. How does the indoor environment affect mental health when working remotely. Plan. Malays. J. 2022, 20, 287–310. [Google Scholar] [CrossRef]
- Felgueiras, F.; Mourao, Z.; Moreira, A.; Gabriel, M.F. Indoor environmental quality in offices and risk of health and productivity complaints at work: A literature review. J. Hazard. Mater. Adv. 2023, 10, 100314. [Google Scholar] [CrossRef]
- Diaz, M.; Piderit, M.B.; Attia, S. Parameters and indicators used in Indoor Environmental Quality (IEQ) studies: A review. J. Phys. 2021, 012132. [Google Scholar] [CrossRef]
- Troncoso-Pastoriza, F.; Martínez-Comesana, M.; Ogando-Martínez, A.; Lopez-Gomez, J.; Eguía-Oller, P.; Febrero-Garrido, L. IoT-based platform for automated IEQ spatio-temporal analysis in buildings using machine learning techniques. Autom. Constr. 2022, 139, 104261. [Google Scholar] [CrossRef]
- Roa, C.D.; Schiavon, S.; Parkinson, T. Targeted occupant surveys: A novel method to effectively relate occupant feedback with environmental conditions. Build. Environ. 2020, 184, 107129. [Google Scholar]
- Berquist, J.; Ouf, M.M.; O’Brien, W. A method to conduct longitudinal studies on indoor environmental quality and perceived occupant comfort. Build. Environ. 2019, 150, 88–98. [Google Scholar] [CrossRef]
- Saini, J.; Dutta, M.; Marques, G. A comprehensive review on indoor air quality monitoring systems for enhanced public health. Sustain. Environ. Res. 2020, 30, 6. [Google Scholar] [CrossRef]
- Mujan, I.; Licina, D.; Kljajic, M.; Culic, A.; Anđelkovic, A.S. Development of indoor environmental quality index using a low-cost monitoring platform. J. Clean. Prod. 2021, 312, 127846. [Google Scholar] [CrossRef]
- Tiele, A.; Esfahani, S.; Covington, J. Design and Development of a Low-Cost, Portable Monitoring Device for Indoor Environment Quality. Hindawi J. Sens. 2018, 2018, 5353816. [Google Scholar] [CrossRef]
- Saini, J.; Dutta, M.; Marques, G. Sensors for indoor air quality monitoring and assessment through internet of things: A systematic review. Environ. Monit. Assess. 2021, 193, 66. [Google Scholar] [CrossRef] [PubMed]
- Parkinson, T.; Parkinson, A.; de Dear, R. Continuous IEQ monitoring system: Context and development. Build. Environ. 2019, 149, 15–25. [Google Scholar] [CrossRef]
- Yang, C.T.; Chen, S.T.; Den, W.; Wang, Y.T.; Kristiani, E. Implementation of an Intelligent Indoor Environmental Monitoring and management system in cloud. Future Gener. Comput. Syst. 2019, 96, 731–749. [Google Scholar] [CrossRef]
- Jin, M.; Liu, S.; Schiavon, S.; Spanos, C. Automated mobile sensing: Towards high-granularity agile indoor environmental quality monitoring. Build. Environ. 2018, 127, 268–276. [Google Scholar] [CrossRef]
- Demanega, I.; Mujan, I.; Singer, B.C.; Anđelkovic, A.S.; Babich, F.; Licina, D. Performance assessment of low-cost environmental monitors and single sensors under variable indoor air quality and thermal conditions. Build. Environ. 2021, 187, 107415. [Google Scholar] [CrossRef]















| Sensors | Target | Measurement Accuracy | Measurement Range | |
|---|---|---|---|---|
| MPL3115A2 (NXP Semiconductors, Eindhoven, The Netherlands) | Pressure | 0.1 kPa | 50 to 110 kPa | |
| BH1750 (OKYSTAR, Shenzhen, China) | Light intensity | 1 lx | 1–65,535 lx | |
| TGS2600 (Figaro Engineering Inc., Osaka, Japan) | Hydrogen | - | 1–30 ppm | |
| TGS2602 (Figaro Engineering Inc., Osaka, Japan) | Ethanol | - | 1–30 ppm | |
| PID AH-2 (Alphasense, Great Notley, UK) | Isobutylene | - | 1 ppb–50 ppm | |
| Cozir-Blink5000 (Gas Sensing Solutions Ltd., Cumbernauld, UK) | Carbon dioxide | 30 ppm | 0–5000 ppm | |
| Grove Multichannel Gas Sensor V2 (Seeed Technology Co Ltd., Shenzhen, China) | GM-102B | Nitrogen dioxide | - | 0.1–10 ppm |
| GM-302B | Ethanol | - | 1–500 ppm | |
| GM502B | Volatile organic compounds, ethanol | - | 1–500 ppm | |
| GM702B | Carbon monoxide | - | 5–5000 ppm | |
| PMS5003 (DFRobot, Shanghai, China) | Temperature | 0.1 °C | −20 °C–99 °C | |
| Humidity | 0.1% | 0–99% | ||
| Formaldehyde | 0.01 mg/m3 | 0–2 mg/m3 | ||
| Particulate matter (PM) | 1 μg/m3 | 0–500 μg/m3 | ||
| Compartment For | Free Volume without Sensor [cm3] | Free Volume with Sensor Inside [cm3] |
|---|---|---|
| TGS2600 | 7.3 | 5.6 |
| TGS2602 | 7.3 | 5.6 |
| PID AH-2 | 14.3 | 5.8 |
| Grove Multichannel Gas Sensor V2 | 9.7 | 5.7 |
| Cozir-Blink5000 | 11.8 | 5.5 |
| Inlet channels including inlet collector | 22.9 | |
| Outlet channels including outlet collector | 21.6 | |
Disclaimer/Publisher’s Note: The statements, opinions and data contained in all publications are solely those of the individual author(s) and contributor(s) and not of MDPI and/or the editor(s). MDPI and/or the editor(s) disclaim responsibility for any injury to people or property resulting from any ideas, methods, instructions or products referred to in the content. |
© 2024 by the authors. Licensee MDPI, Basel, Switzerland. This article is an open access article distributed under the terms and conditions of the Creative Commons Attribution (CC BY) license (https://creativecommons.org/licenses/by/4.0/).
Share and Cite
Szczurek, A.; Gonstał, D.; Maciejewska, M. A Multisensor Device Intended as an IoT Element for Indoor Environment Monitoring. Sensors 2024, 24, 1461. https://doi.org/10.3390/s24051461
Szczurek A, Gonstał D, Maciejewska M. A Multisensor Device Intended as an IoT Element for Indoor Environment Monitoring. Sensors. 2024; 24(5):1461. https://doi.org/10.3390/s24051461
Chicago/Turabian StyleSzczurek, Andrzej, Dawid Gonstał, and Monika Maciejewska. 2024. "A Multisensor Device Intended as an IoT Element for Indoor Environment Monitoring" Sensors 24, no. 5: 1461. https://doi.org/10.3390/s24051461
APA StyleSzczurek, A., Gonstał, D., & Maciejewska, M. (2024). A Multisensor Device Intended as an IoT Element for Indoor Environment Monitoring. Sensors, 24(5), 1461. https://doi.org/10.3390/s24051461

