Fully Integrated 24-GHz 1TX-2RX Transceiver for Compact FMCW Radar Applications
Abstract
1. Introduction
2. FMCW Radar Principle
3. Design of 24 GHz 1TX-2RX FMCW Radar Transceiver
3.1. FMCW Synthesizer
3.2. Transmitter
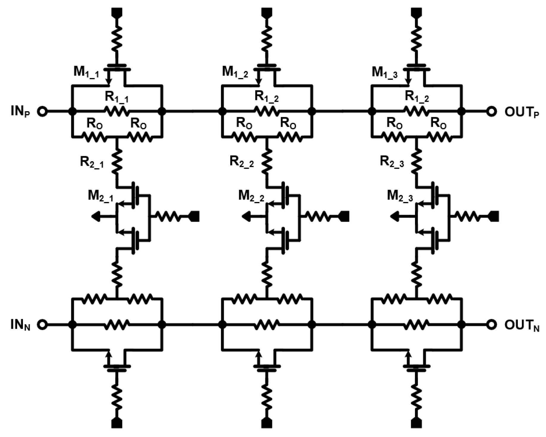
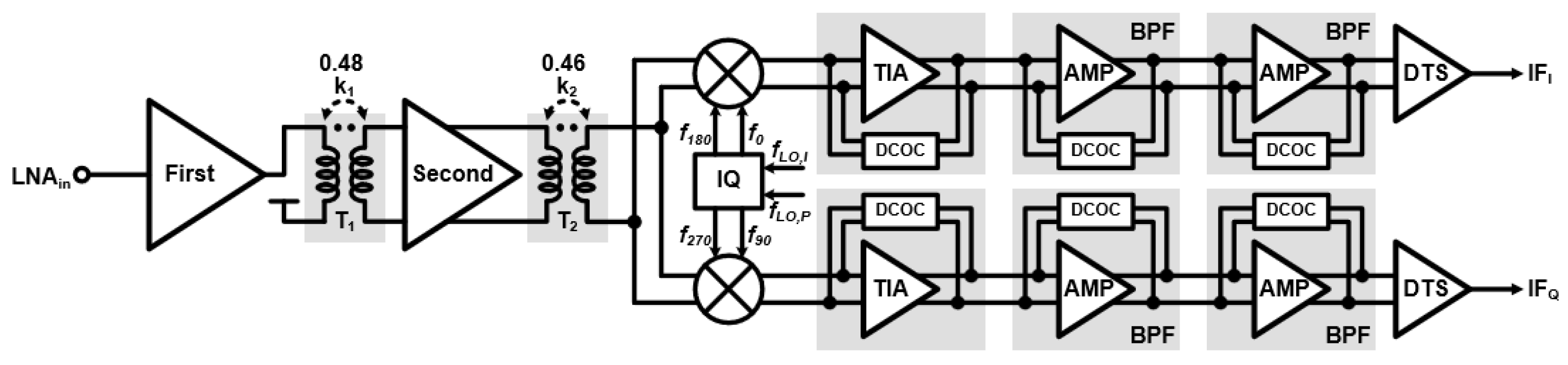
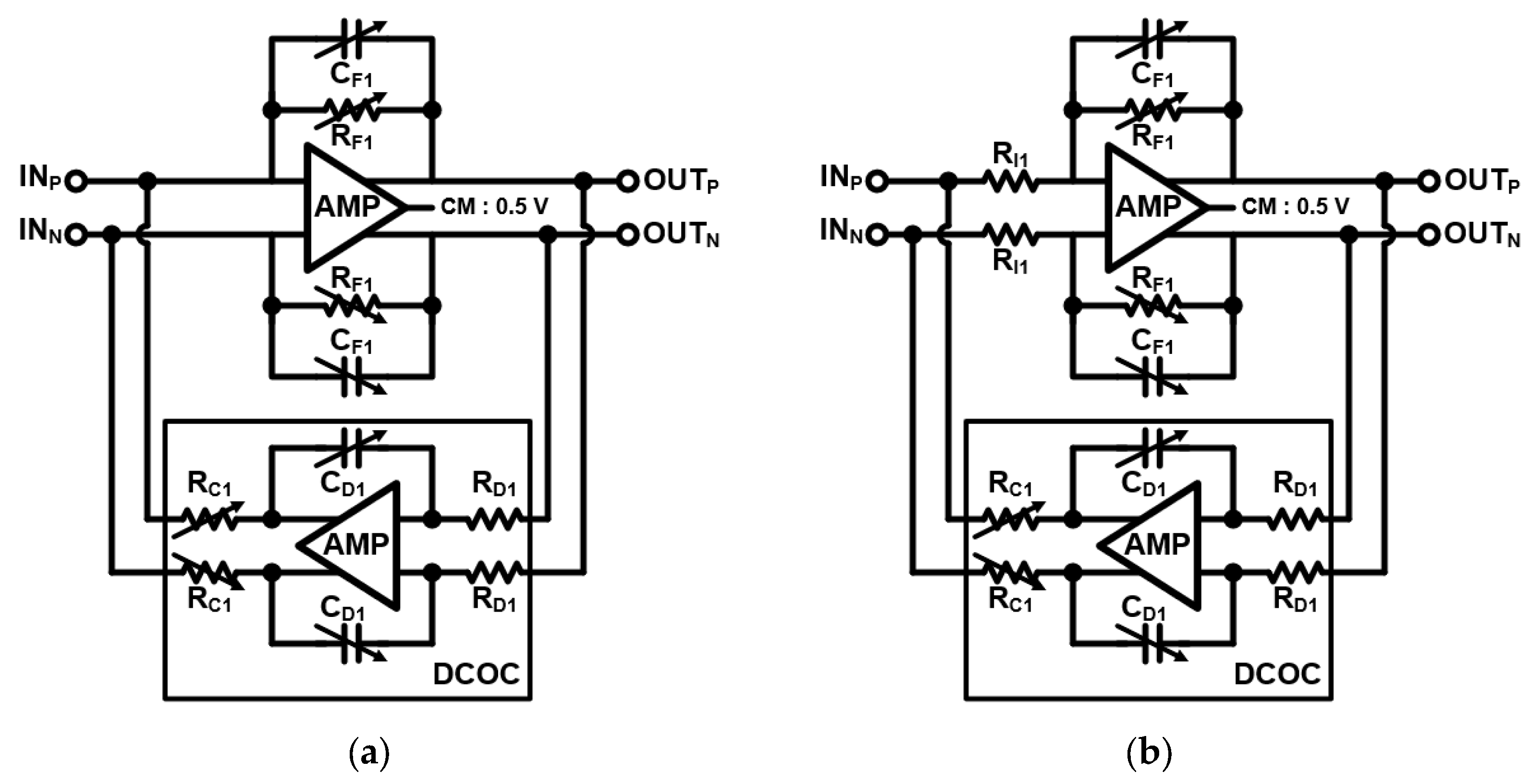
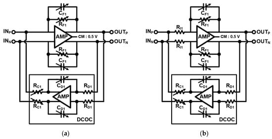
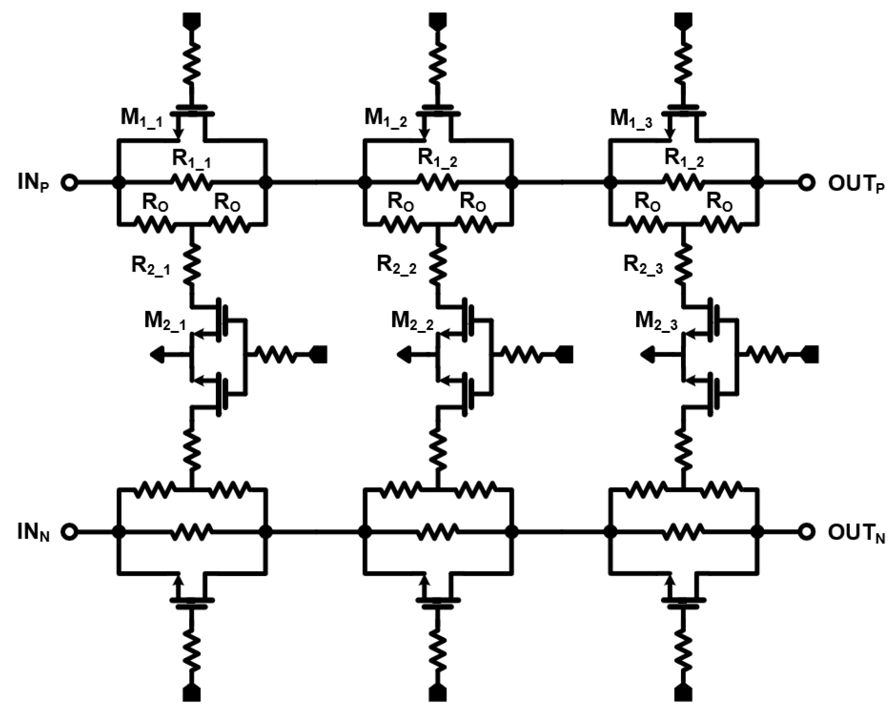
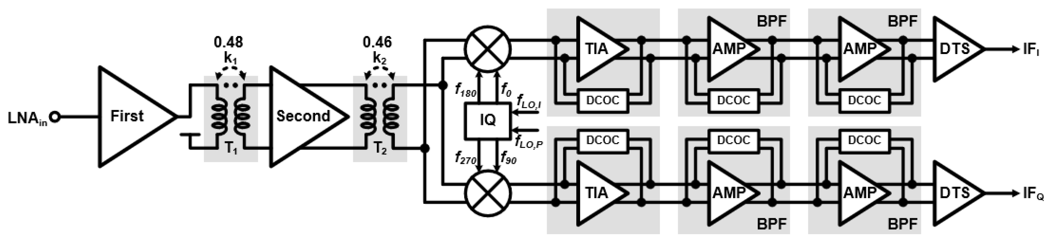
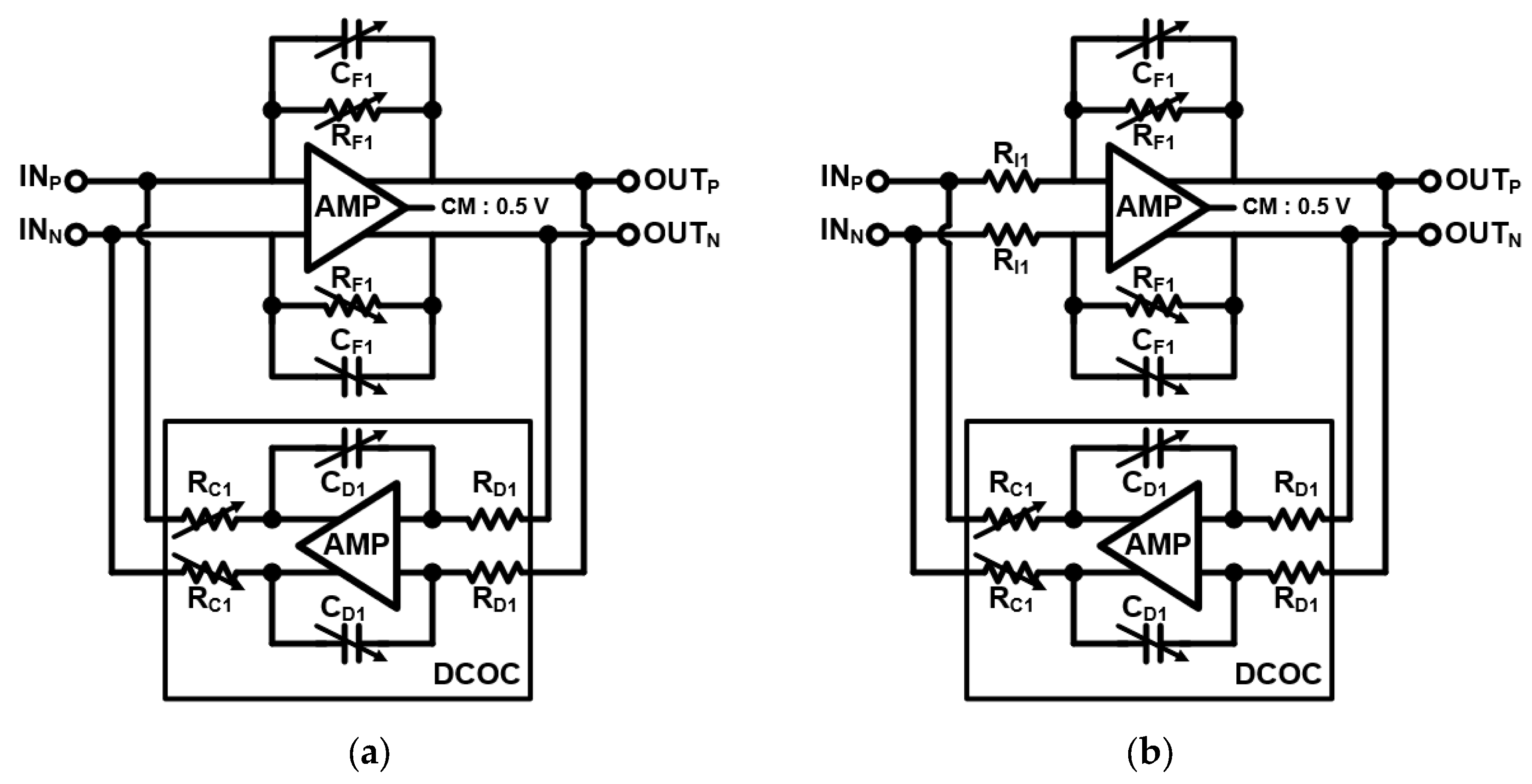
3.3. Receiver
4. Measurement Results
4.1. Transceiver
4.2. Radar Functionality
5. Conclusions
Author Contributions
Funding
Institutional Review Board Statement
Informed Consent Statement
Data Availability Statement
Conflicts of Interest
References
- Patole, S.M.; Torlak, M.; Wang, D.; Ali, M. Automotive radars: A review of signal processing techniques. IEEE Signal Process Mag. 2017, 34, 22–35. [Google Scholar] [CrossRef]
- Ma, T.; Deng, W.; Chen, Z.; Wu, J.; Zheng, W.; Wang, S.; Qi, N.; Liu, Y.; Chi, B. A CMOS 76–81-GHz 2-TX 3-RX FMCW Radar Transceiver Based on Mixed-Mode PLL Chirp Generator. IEEE J. Solid-State Circuits 2020, 55, 233–248. [Google Scholar] [CrossRef]
- Park, J.; Ryu, H.; Ha, K.W.; Kim, J.G.; Baek, D.H. 76–81-GHz CMOS Transmitter with a Phase-Locked-Loop-Based Multichirp Modulator for Automotive Rradar. IEEE Trans. Microw. Theory Tech. 2015, 63, 1399–1408. [Google Scholar] [CrossRef]
- Luo, T.N.; Wu, C.H.E.; Chen, Y.J.E. A 77 GHz CMOS Automotive Radar Transceiver with Anti-Interference Function. IEEE Trans. Circuits Syst. I Regul. Pap. 2013, 60, 3247–3255. [Google Scholar] [CrossRef]
- Chakraborty, A.; Hamouda, M.; Chen, Y.; Lautenschlager, C.; Englisch, D.; Qureshi, M.; Huynh, N.-H.; Hoenninger, K.; Forstner, H.-P. A scalable multimode 24-GHz radar transceiver for industrial and consumer applications in a 0.13 μm SiGe BiCMOS technology. In Proceedings of the 2019 IEEE BiCMOS and Compound Semiconductor Integrated Circuits and Technology Symposium (BCICTS), Nashville, TN, USA, 3–6 November 2019; pp. 1–4. [Google Scholar]
- Maiellaro., G.; Alessi, G.; Bruno, A.; Calcagno, A.; Micalizzi, N.; Di Mauro, A.; Susino, E.; Scuderi, A.; Scaccianoce, S. A 24-GHz transceiver with RF power envelope digital control for automotive radar ICs. In Proceedings of the 2017 12th European Microwave Integrated Circuits Conference (EuMIC), Nuremberg, Germany, 8–10 October 2017; pp. 45–48. [Google Scholar]
- Pyo, G.; Kim, C.-Y.; Hong, S. Single-antenna FMCW radar CMOS transceiver IC. IEEE Trans. Microw. Theory Tech. 2017, 65, 945–954. [Google Scholar] [CrossRef]
- Hamidian, A.; Ebelt, R.; Shmakov, D.; Vossiek, M.; Zhang, T.; Subramanian, V.; Boeck, G. 24 GHz CMOS transceiver with novel T/R switching concept for indoor localization. In Proceedings of the 2013 IEEE Radio Frequency Integrated Circuits Symposium (RFIC), Seattle, WA, USA, 2–4 June 2013; pp. 293–296. [Google Scholar]
- Su, Y.-P.; Huang, C.-Y.; Chen, S.-J. A 24-GHz fully integrated CMOS transceiver for FMCW radar applications. IEEE J. Solid-State Circuits 2021, 56, 3307–3317. [Google Scholar] [CrossRef]
- Deng, W.; Chen, Z.; Jia, H.; Yan, A.; Sun, S.; Chen, G.; Wang, Z.; Chi, B. A Self-Adapted Two-Point Modulation Type-II Digital PLL for Fast Chirp Rate and Wide Chirp-Bandwidth FMCW Signal Generation. IEEE J. Solid-State Circuits 2022, 57, 1162–1174. [Google Scholar] [CrossRef]
- Renukaswamy, P.T.; Markulic, N.; Wambacq, P.; Craninckx, J. A 12-mW 10-GHz FMCW PLL Based on an Integrating DAC With 28-kHz RMS-Frequency-Error for 23-MHz/μs Slope and 1.2-GHz Chirp-Bandwidth. IEEE J. Solid-State Circuits 2020, 55, 3294–3307. [Google Scholar] [CrossRef]
- Hyun, E.; Jin, Y.-S.; Lee, J.-H. A Pedestrian Detection Scheme Using a Coherent Phase Difference Method Based on 2D Range-Doppler FMCW Radar. Sensors 2016, 16, 124. [Google Scholar] [CrossRef] [PubMed]
- Hyun, E.; Jin, Y. Doppler-Spectrum Feature-Based Human–Vehicle Classification Scheme Using Machine Learning for an FMCW Radar Sensor. Sensors 2020, 20, 2001. [Google Scholar] [CrossRef] [PubMed]
- Razavi, B. RF Microelectronics, 2nd ed.; Prentice Hall: Hoboken, NJ, USA, 2013; p. 53. [Google Scholar]
- Christensen, K.T. LC quadrature generation in integrated circuits. In Proceedings of the 2001 IEEE International Symposium on Circuits and Systems, Sydney, NSW, Australia, 6–9 May 2001; pp. 41–44. [Google Scholar]

























| Block | Current Consumption | Unit |
|---|---|---|
| FMCW Synthesizer | 40 | mA |
| 1-channel TX | 70 | |
| 2-channel RXs | 90 | |
| Supporting Circuit, LDRs | 20 |
| Block | Unit | This Work | [5] | [6] | [7] | [8] | [9] |
|---|---|---|---|---|---|---|---|
| Technology | · | 65 nm CMOS | 130 nm SiGe | 130 nm SiGe | 130 nm CMOS | 130 nm CMOS | 55 nm CMOS |
| Frequency | GHz | 24 | 24 | 24 | 24 | 24 | 24 |
| The number of channel | 1TX-2RX | 2TX-2RX | 1TX-3RX | 1TX-1RX | 1TX-1RX | 1TX-2RX | |
| FMCW generation | · | Built-in | External PLL | External PLL | External PLL | External PLL | Built-in |
| Modulation BW & | MHz | 250 | 200 | · | 250 | 250 | 250 |
| Modulation Time & | μs | 50 | 150 | · | 2000 | 1000 | 2000 |
| Integrated baseband | · | Yes | Yes | Yes | No | Yes | Yes |
| Phase Noise @ 100 kHz | dBc/Hz | −80 | −111 + | −100 + | −105.4 + | −84 | −71 |
| TX output power | dBm | 13.3 | 5 | 13 | −1.6 | 5 | 11 |
| RX maximum gain | dB | 100 | 87 | 60 | 15.3 ^ | 56 | 64 |
| Die size | mm2 | 4.84 | · | 9 | 1.53 | 2 | 7.84 |
| Current consumption | mA | 220 | 160 | · | 110 | · | 344 |
Disclaimer/Publisher’s Note: The statements, opinions and data contained in all publications are solely those of the individual author(s) and contributor(s) and not of MDPI and/or the editor(s). MDPI and/or the editor(s) disclaim responsibility for any injury to people or property resulting from any ideas, methods, instructions or products referred to in the content. |
© 2024 by the authors. Licensee MDPI, Basel, Switzerland. This article is an open access article distributed under the terms and conditions of the Creative Commons Attribution (CC BY) license (https://creativecommons.org/licenses/by/4.0/).
Share and Cite
Ko, G.-H.; Moon, S.-J.; Kim, S.-H.; Kim, J.-G.; Baek, D. Fully Integrated 24-GHz 1TX-2RX Transceiver for Compact FMCW Radar Applications. Sensors 2024, 24, 1460. https://doi.org/10.3390/s24051460
Ko G-H, Moon S-J, Kim S-H, Kim J-G, Baek D. Fully Integrated 24-GHz 1TX-2RX Transceiver for Compact FMCW Radar Applications. Sensors. 2024; 24(5):1460. https://doi.org/10.3390/s24051460
Chicago/Turabian StyleKo, Goo-Han, Seung-Jin Moon, Seong-Hoon Kim, Jeong-Geun Kim, and Donghyun Baek. 2024. "Fully Integrated 24-GHz 1TX-2RX Transceiver for Compact FMCW Radar Applications" Sensors 24, no. 5: 1460. https://doi.org/10.3390/s24051460
APA StyleKo, G.-H., Moon, S.-J., Kim, S.-H., Kim, J.-G., & Baek, D. (2024). Fully Integrated 24-GHz 1TX-2RX Transceiver for Compact FMCW Radar Applications. Sensors, 24(5), 1460. https://doi.org/10.3390/s24051460

