Usage of Machine Learning Techniques to Classify and Predict the Performance of Force Sensing Resistors
Abstract
1. Introduction
1.1. Manufacturing Method
1.2. Type of Polymer and Filler
1.3. Modeling and Compensation, Including Artificial Intelligence (AI) Techniques
1.4. Machine Learning and CPC-Based Sensors, a Brief Literature Review
1.5. Aim of This Study and Methodology
2. Theoretical Foundations and Error Metrics of FSRs
2.1. Theoretical Foundations of Quantum Tunneling and Constriction Resistance
2.2. Theoretical Foundations of Piezoresistivity in FSRs
2.3. Error Metrics Commonly Found in FSRs
3. Experimental Setup
3.1. Performance Metrics of Interlink and Peratech FSRs
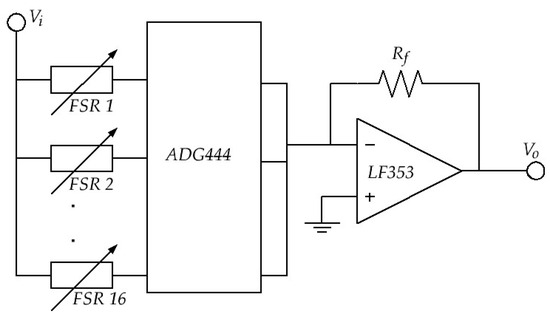
3.2. Mechanical Setup
3.3. Electrical Setup
3.4. Test Protocol
4. Experimental Results
4.1. Drift Error
4.2. Hysteresis Error
4.2.1. Hysteresis Error in Interlink Sensors
4.2.2. Hysteresis Error in Peratech Sensors
5. Discussion
5.1. Limitations of the Proposed Method
- A possible limitation of the proposed method is the poor part-to-part repeatability of sensors; refer to Table 1 for the repeatability metrics of each sensor model. To use the proposed method, FSRs must be assembled on a highly repeatable assembly line with high-quality standards for the materials employed. If this requirement is not met, a shift in the PCC metrics reported for the d.e. may occur. A similar degradation is expected for the h.e. classifier if part-to-part repeatability is low.
- A logical concern resulting from the proposed method is its applicability to other sensor brands and, ultimately, to different types of sensors made from polymer composites. This concern is indeed a focus for the authors’ future work, as described later in Section 5.3. However, we can hypothesize on the minimum requirements for applying the proposed methodology. First, it is required to consider whether the sensor operates based on quantum tunneling and percolation, keeping in mind that these criteria were our starting point in Section 2. Some polymer-based sensors operate on different principles, such as Fabry–Pérot, which may not be suitable for our proposed method. Secondly, we must address whether the sensor provides an output voltage/resistance/capacitance when unloaded. Keep in mind that Vo_null is the only classification criterion for the proposed method. If these two questions are positively replied, then the odds of the method functioning are high.
5.2. Comparing the Proposed Methodology with Existing Literature
5.3. Future Authors’ Work
Supplementary Materials
Author Contributions
Funding
Institutional Review Board Statement
Informed Consent Statement
Data Availability Statement
Acknowledgments
Conflicts of Interest
Appendix A
- import numpy as npimport matplotlib.pyplot as pltfrom sklearn.cluster import KMeansfrom sklearn.preprocessing import StandardScaler
- plt.figure(figsize=(10, 6))plt.plot(k_values, inertia, ‘bo-’)
- import numpy as npimport matplotlib.pyplot as pltimport seaborn as snsfrom sklearn.cluster import KMeansfrom sklearn.preprocessing import StandardScaler
- # Plotting area is configuredfig, axs = plt.subplots(1, 3, figsize=(18, 6))colors = sns.color_palette(‘tab10’, n_colors=10)
- # k-means method is run with different amount of clusters for comparison purposesfor i, k in enumerate([2–4]):kmeans = KMeans(n_clusters=k, random_state=42)kmeans.fit(normalized_matrix)labels = kmeans.labels_centroids = kmeans.cluster_centers_
References
- Idumah, C.I.; Ezeani, E.; Nwuzor, I. A review: Advancements in conductive polymers nanocomposites. Polym. Technol. Mater. 2021, 60, 756–783. [Google Scholar] [CrossRef]
- Duan, L.; D’Hooge, D.R.; Cardon, L. Recent progress on flexible and stretchable piezoresistive strain sensors: From design to application. Prog. Mater. Sci. 2020, 114, 100617. [Google Scholar] [CrossRef]
- Sharma, S.; Sudhakara, P.; Omran, A.A.B.; Singh, J.; Ilyas, R.A. Recent trends and developments in conducting polymer nanocomposites for multifunctional applications. Polymers 2021, 13, 2898. [Google Scholar] [CrossRef] [PubMed]
- Zhang, H.; Ren, P.-G.; Yang, F.; Chen, J.; Wang, C.; Zhou, Y.; Fu, J. Biomimetic epidermal sensors assembled from polydopamine-modified reduced graphene oxide/polyvinyl alcohol hydrogels for the real-time monitoring of human motions. J. Mater. Chem. B 2020, 8, 10549–10558. [Google Scholar] [CrossRef]
- Xiang, D.; Zhang, X.; Han, Z.; Zhang, Z.; Zhou, Z.; Harkin-Jones, E.; Zhang, J.; Luo, X.; Wang, P.; Zhao, C.; et al. 3D printed high-performance flexible strain sensors based on carbon nanotube and graphene nanoplatelet filled polymer composites. J. Mater. Sci. 2020, 55, 15769–15786. [Google Scholar] [CrossRef]
- Carbonaro, N.; Laurino, M.; Arcarisi, L.; Menicucci, D.; Gemignani, A.; Tognetti, A. Textile-based pressure sensing matrix for in-bed monitoring of subject sleeping posture and breathing activity. Appl. Sci. 2021, 11, 2552. [Google Scholar] [CrossRef]
- Shukla, P.; Saxena, P. Polymer Nanocomposites in Sensor Applications: A Review on Present Trends and Future Scope. Chin. J. Polym. Sci. 2021, 39, 665–691. [Google Scholar] [CrossRef]
- Jin, I.S.; Lee, W.; Lim, S.J.; Ko, J.H.; Jung, J.W. Ultra-flexible, stretchable, highly conductive and multi-functional textiles enabled by brush-painted PEDOT:PSS. Smart Mater. Struct. 2020, 29, 095002. [Google Scholar] [CrossRef]
- Jabbar, F.; Soomro, A.M.; Lee, J.-W.; Ali, M.; Kim, Y.S.; Lee, S.-H.; Choi, K.H. Robust fluidic biocompatible strain sensor based on PEDOT:PSS/CNT composite for human-wearable and high-end robotic applications. Sens. Mater. 2020, 32, 4077–4093. [Google Scholar] [CrossRef]
- Xia, Q.; Wang, S.; Zhai, W.; Shao, C.; Xu, L.; Yan, D.; Yang, N.; Dai, K.; Liu, C.; Shen, C. Highly linear and low hysteresis porous strain sensor for wearable electronic skins. Compos. Commun. 2021, 26, 100809. [Google Scholar] [CrossRef]
- Wang, L.; Han, Y.; Wu, C.; Huang, Y. A solution to reduce the time dependence of the output resistance of a viscoelastic and piezoresistive element. Smart Mater. Struct. 2013, 22, 075021. [Google Scholar] [CrossRef]
- Lu, L.; Yang, B.; Liu, J. Flexible multifunctional graphite nanosheet/electrospun-polyamide 66 nanocomposite sensor for ECG, strain, temperature and gas measurements. Chem. Eng. J. 2020, 400, 125928. [Google Scholar] [CrossRef]
- Jang, S.; Choi, J.Y.; Yoo, E.S.; Lim, D.Y.; Lee, J.Y.; Kim, J.K.; Pang, C. Printable wet-resistive textile strain sensors using bead-blended composite ink for robustly integrative wearable electronics. Compos. Part B Eng. 2021, 210, 108674. [Google Scholar] [CrossRef]
- Bloor, D.; Donnelly, K.; Hands, P.J.; Laughlin, P.; Lussey, D. A metal-polymer composite with unusual properties. J. Phys. Appl. Phys. 2005, 38, 2851. [Google Scholar] [CrossRef]
- Wang, L.; Ding, T.; Wang, P. Influence of carbon black concentration on piezoresistivity for car-bon-black-filled silicone rubber composite. Carbon 2009, 47, 3151–3157. [Google Scholar] [CrossRef]
- Fekiri, C.; Kim, H.C.; Lee, I.H. 3D-printable carbon nanotubes-based composite for flexible piezoresistive sensors. Materials 2020, 13, 5482. [Google Scholar] [CrossRef]
- Takamatsu, S.; Minami, K.; Itoh, T. Fabrication of highly stretchable strain sensor fiber by laser slitting of conductive-polymer-coated polyurethane film for human hand monitoring. Sens. Mater. 2021, 33, 1091–1102. [Google Scholar] [CrossRef]
- Mohan, V.B.; Krishnan, S.S.; Bhattacharyya, D. Manufacturing and characterization of novel silicone/natural fabric/graphene-based functional composites for human body motion sensing. Polym. Compos. 2021, 42, 3493–3507. [Google Scholar] [CrossRef]
- Gonçalves, B.; Oliveira, J.; Costa, P.; Correia, V.; Martins, P.; Botelho, G.; Lanceros-Mendez, S. Development of water-based printable piezoresistive sensors for large strain applications. Compos. Part B Eng. 2017, 112, 344–352. [Google Scholar] [CrossRef]
- Nauman, S.; Asfar, Z.; Ahmed, S.; Nasir, M.A.; Hocine, N.A. On the in-situ on-line structural health monitoring of composites using screen-printed sensors. J. Thermoplast. Compos. Mater. 2021, 36, 234–252. [Google Scholar] [CrossRef]
- Lam, T.N.; Lee, G.S.; Kim, B.; Xuan, H.D.; Kim, D.; Yoo, S.I.; Yoon, J. Microfluidic preparation of highly stretchable natural rubber microfiber containing CNT/PEDOT:PSS hybrid for fabric-sewable wearable strain sensor. Compos. Sci. Technol. 2021, 210, 108811. [Google Scholar] [CrossRef]
- Zhuang, Y.; Guo, Y.; Li, J.; Jiang, K.; Yu, Y.; Zhang, H.; Liu, D. Preparation and laser sintering of a thermoplastic polyurethane carbon nanotube composite-based pressure sensor. RSC Adv. 2020, 10, 23644–23652. [Google Scholar] [CrossRef]
- Zhang, K.; Zhang, J.; Liu, Y.; Wang, Z.; Yan, C.; Song, C.; Gao, C.; Wu, Y. A NIR laser induced self-healing PDMS/Gold nanoparticles conductive elastomer for wearable sensor. J. Colloid Interface Sci. 2021, 599, 360–369. [Google Scholar] [CrossRef] [PubMed]
- Aikawa, S.; Zhao, Y.; Yan, J. Development of High-Sensitivity Electrically Conductive Composite Elements by Press Molding of Polymer and Carbon Nanofibers. Micromachines 2022, 13, 170. [Google Scholar] [CrossRef] [PubMed]
- Yang, B.; Jia, N.; Wang, X.; Pan, Y.; Luo, M.; Chen, X.; Xia, R.; Zheng, Z.; Qian, J.; Ke, Y.; et al. A Facile Way of Enhancing Thermally and Electrically Conductive Properties of Epoxy/Ni/GNP Composites via Construction of a Hybrid Filler Network with a Magnetic Field Orientation Technique. Macromol. Mater. Eng. 2022, 307, 2200144. [Google Scholar] [CrossRef]
- Fang, Y.; Xu, J.; Gao, F.; Du, X.; Du, Z.; Cheng, X.; Wang, H. Self-healable and recyclable polyurethane-polyaniline hydrogel toward flexible strain sensor. Compos. Part B Eng. 2021, 219, 108965. [Google Scholar] [CrossRef]
- Wang, G.; Ouyang, M.; Huang, Y.; Huang, Y.; Yang, Z.; Guo, B.; Wu, J.; Zhang, M.; Wen, W. Synergistic Superiority of a Silver-Carbon Black-Filled Conductive Polymer Composite for Temperature–Pressure Sensing. Adv. Eng. Mater. 2021, 23, 2001392. [Google Scholar] [CrossRef]
- Kanoun, O.; Bouhamed, A.; Ramalingame, R.; Bautista-Quijano, J.R.; Rajendran, D.; Al-Hamry, A. Review on Conductive Polymer/CNTs Nanocomposites Based Flexible and Stretchable Strain and Pressure Sensors. Sensors 2021, 21, 341. [Google Scholar] [CrossRef]
- Zhao, X.; Wang, W.; Wang, Z.; Wang, J.; Huang, T.; Dong, J.; Zhang, Q. Flexible PEDOT:PSS/polyimide aerogels with linearly responsive and stable properties for piezoresistive sensor applications. Chem. Eng. J. 2020, 395, 125115. [Google Scholar] [CrossRef]
- Falletta, E.; Costa, P.; Della Pina, C.; Lanceros-Mendez, S. Development of high sensitive polyaniline based piezoresistive films by conventional and green chemistry approaches. Sens. Actuat. A Phys. 2014, 220, 13–21. [Google Scholar] [CrossRef]
- Cui, C.; Fu, Q.; Meng, L.; Hao, S.; Dai, R.; Yang, J. Recent Progress in Natural Biopolymers Conductive Hydrogels for Flexible Wearable Sensors and Energy Devices: Materials, Structures, and Performance. ACS Appl. Bio Mater. 2020, 4, 85–121. [Google Scholar] [CrossRef] [PubMed]
- Balberg, I. Tunneling and nonuniversal conductivity in composite materials. Phys. Rev. Lett. 1987, 59, 1305–1308. [Google Scholar] [CrossRef] [PubMed]
- Oskouyi, A.B.; Sundararaj; Mertiny, P. Current-voltage characteristics of nanoplate-let-based conductive nanocomposites. Nanoscale. Res. Lett. 2014, 9, 369. [Google Scholar] [CrossRef] [PubMed]
- Sannicolo, T.; Muñoz-Rojas, D.; Nguyen, N.D.; Moreau, S.; Celle, C.; Simonato, J.-P.; Bréchet, Y.; Bellet, D. Direct Imaging of the Onset of Electrical Conduction in Silver Nanowire Networks by Infrared Thermography: Evidence of Geometrical Quantized Percolation. Nano Lett. 2016, 16, 7046–7053. [Google Scholar] [CrossRef] [PubMed]
- Lin, Y.-F.; Chen, C.-H.; Xie, W.-J.; Yang, S.-H.; Hsu, C.-S.; Lin, M.-T.; Jian, W.-B. Nano Approach Investigation of the Conduction Mechanism in Polyaniline Nanofibers. ACS Nano 2011, 5, 1541–1548. [Google Scholar] [CrossRef]
- Sattar, A.; Fostner, S.; Brown, S.A. Quantized Conductance and Switching in Percolating Nanoparticle Films. Phys. Rev. Lett. 2013, 111, 136808. [Google Scholar] [CrossRef]
- Radzuan, N.A.M.; Sulong, A.B.; Sahari, J. A review of electrical conductivity models for conductive polymer composite. Int. J. Hydrog. Energy 2017, 42, 9262–9273. [Google Scholar] [CrossRef]
- Gong, S.; Zhu, Z.; Meguid, S. Anisotropic electrical conductivity of polymer composites with aligned carbon nanotubes. Polymer 2015, 56, 498–506. [Google Scholar] [CrossRef]
- Urban, S.; Ludersdorfer, M.; van der Smagt, P. Sensor Calibration and Hysteresis Compensation With Heteroscedastic Gaussian Processes. IEEE Sens. J. 2015, 15, 6498–6506. [Google Scholar] [CrossRef]
- Stakvik, J.; Ragazzon, M.R.; Eielsen, A.A.; Gravdahl, J.T. On Implementation of the Preisach Model: Identification and Inversion for Hysteresis Compensation. Model. Identif. Control. A Nor. Res. Bull. 2015, 36, 133–142. [Google Scholar] [CrossRef]
- Mersch, J.; Winger, H.; Nocke, A.; Cherif, C.; Gerlach, G. Experimental Investigation and Modeling of the Dynamic Resistance Response of Carbon Particle-Filled Polymers. Macromol. Mater. Eng. 2020, 305, 2000361. [Google Scholar] [CrossRef]
- Zheng, Y.; Li, Y.; Dai, K.; Liu, M.; Zhou, K.; Zheng, G.; Liu, C.; Shen, C. Conductive thermoplastic polyurethane composites with tunable piezoresistivity by modulating the filler dimensionality for flexible strain sensors. Compos. Part A Appl. Sci. Manuf. 2017, 101, 41–49. [Google Scholar] [CrossRef]
- Lin, L.; Liu, S.; Zhang, Q.; Li, X.; Ji, M.; Deng, H.; Fu, Q. Towards Tunable Sensitivity of Electrical Property to Strain for Conductive Polymer Composites Based on Thermoplastic Elastomer. ACS Appl. Mater. Interfaces 2013, 5, 5815–5824. [Google Scholar] [CrossRef] [PubMed]
- Nguyen, X.A.; Chauhan, S. Characterization of flexible and stretchable sensors using neural networks. Meas. Sci. Technol. 2021, 32, 075004. [Google Scholar] [CrossRef]
- Boland, C.S. Approaching the Limit of Electromechanical Performance in Mixed-Phase Nanocomposites. ACS Appl. Nano Mater. 2020, 3, 11240–11246. [Google Scholar] [CrossRef]
- Wang, X.; Yang, B.; Li, Q.; Wang, F.; Tao, X.-M. Modeling the stress and resistance relaxation of conductive composites-coated fabric strain sensors. Compos. Sci. Technol. 2021, 204, 108645. [Google Scholar] [CrossRef]
- Velásquez, E.I.G.; Gómez, V.; Paredes-Madrid, L.; Colorado, H.A. Error compensation in force sensing resistors. Sens. Bio-Sens. Res. 2019, 26, 100300. [Google Scholar] [CrossRef]
- Garzón-Posada, A.O.; Paredes-Madrid, L.; Peña, A.; Fontalvo, V.M.; Palacio, C. Enhancing Part-to-Part Repeatability of Force-Sensing Resistors Using a Lean Six Sigma Approach. Micromachines 2022, 13, 840. [Google Scholar] [CrossRef]
- Thummalapalli, S.V.; Patil, D.; Ramanathan, A.; Ravichandran, D.; Zhu, Y.; Thippanna, V.; Sobczak, M.T.; Sajikumar, A.; Chambers, L.B.; Guo, S.; et al. Machine learning–enabled direct ink writing of conductive polymer composites for enhanced performance in thermal management and current protection. Energy Storage Mater. 2024, 71, 103670. [Google Scholar] [CrossRef]
- Razavi, S.M.; Sadollah, A.; Al-Shamiri, A.K. Prediction and optimization of electrical conductivity for polymer-based composites using design of experiment and artificial neural networks. Neural Comput. Appl. 2022, 34, 7653–7671. [Google Scholar] [CrossRef]
- Niendorf, K.; Raeymaekers, B. Using supervised machine learning methods to predict microfiber alignment and electrical conductivity of polymer matrix composite materials fabricated with ultrasound directed self-assembly and stereolithography. Comput. Mater. Sci. 2022, 206, 111233. [Google Scholar] [CrossRef]
- Hannigan, B.C.; Cuthbert, T.J.; Geng, W.; Tavassolian, M.; Menon, C. Understanding the Impact of Machine Learning Models on the Performance of Different Flexible Strain Sensor Modalities. Front. Mater. 2021, 8, 639823. [Google Scholar] [CrossRef]
- Shah, K.; Talamadupula, K.K.; Acar, P.; Seidel, G.D.; Shah, K.; Talamadupula, K.K.; Acar, P.; Seidel, G.D. Reduced-order model for multiphysics simulations of CNT/Polymer Composites via principal component regression and artificial neural networks. Comput. Mater. Sci. 2024, 244, 113200. [Google Scholar] [CrossRef]
- Shi, M.; Feng, C.-P.; Li, J.; Guo, S.-Y. Machine learning to optimize nanocomposite materials for electromagnetic interference shielding. Compos. Sci. Technol. 2022, 223, 109414. [Google Scholar] [CrossRef]
- Cao, J.; Zhang, X. Modulating the percolation network of polymer nanocomposites for flexible sensors. J. Appl. Phys. 2020, 128, 220901. [Google Scholar] [CrossRef]
- Zhou, Z.; Chen, K.; Li, X.; Zhang, S.; Wu, Y.; Zhou, Y.; Meng, K.; Sun, C.; He, Q.; Fan, W.; et al. Sign-to-speech translation using machine-learning-assisted stretchable sensor arrays. Nat. Electron. 2020, 3, 571–578. [Google Scholar] [CrossRef]
- Yao, H.; Yang, W.; Cheng, W.; Tan, Y.J.; See, H.H.; Li, S.; Ali, H.P.A.; Lim, B.Z.H.; Liu, Z.; Tee, B.C.K. Near–hysteresis-free soft tactile electronic skins for wearables and reliable machine learning. Proc. Natl. Acad. Sci. USA 2020, 117, 25352–25359. [Google Scholar] [CrossRef]
- Wang, H.S.; Hong, S.K.; Han, J.H.; Jung, Y.H.; Jeong, H.K.; Im, T.H.; Jeong, C.K.; Lee, B.-Y.; Kim, G.; Yoo, C.D.; et al. Biomimetic and flexible piezoelectric mobile acoustic sensors with multiresonant ultrathin structures for machine learning biometrics. Sci. Adv. 2021, 7, eabe5683. [Google Scholar] [CrossRef]
- Wang, Y.; Adam, M.L.; Zhao, Y.; Zheng, W.; Gao, L.; Yin, Z.; Zhao, H. Machine Learning-Enhanced Flexible Mechanical Sensing. Nano-Micro Lett. 2023, 15, 55. [Google Scholar] [CrossRef]
- Sharma, A.; Mukhopadhyay, T.; Rangappa, S.M.; Siengchin, S.; Kushvaha, V. Advances in Computational Intelligence of Polymer Composite Materials: Machine Learning Assisted Modeling, Analysis and Design. Arch. Comput. Methods Eng. 2022, 29, 3341–3385. [Google Scholar] [CrossRef]
- Xu, S.; Xu, Z.; Li, D.; Cui, T.; Li, X.; Yang, Y.; Liu, H.; Ren, T. Recent Advances in Flexible Piezoresistive Arrays: Materials, Design, and Applications. Polymers 2023, 15, 2699. [Google Scholar] [CrossRef] [PubMed]
- Gao, Y.; Xiao, T.; Li, Q.; Chen, Y.; Qiu, X.; Liu, J.; Bian, Y.; Xuan, F. Flexible microstructured pressure sensors: Design, fabrication and applications. Nanotechnology 2022, 33, 322002. [Google Scholar] [CrossRef] [PubMed]
- Simmons, J.G. Electric tunnel effect between dissimilar electrodes separated by a thin insulating film. J. Appl. Phys. 1963, 34, 2581–2590. [Google Scholar] [CrossRef]
- Timp, G. Chapter 3: When Does a Wire Become an Electron Waveguide. Semicon Semimet. 1992, 35, 113–190. [Google Scholar] [CrossRef]
- Shi, F.G.; Abdullah, M.; Chungpaiboonpatana, S.; Okuyama, K.; Davidson, C.; Adams, J.M. Electrical con-duction of anisotropic conductive adhesives: Effect of size distribution of conducting filler particles. Mat. Sci. Semicon. Proc. 1999, 2, 263–269. [Google Scholar] [CrossRef]
- Celzard, A.; Furdin, G.; Mareche, J.F.; McRAE, E. Non-linear current-voltage characteristics in anisotropic epoxy resin-graphite flake composites. J. Mater. Sci. 1997, 32, 1849–1853. [Google Scholar] [CrossRef]
- Morris, A.S. Measurement and Instrumentation Principles, 3rd ed.; Butterworth-Heinemann: Oxford, UK, 2001. [Google Scholar]
- Interlink Electronics, «FSR400 Series Datasheet». Available online: https://f.hubspotusercontent20.net/hubfs/3899023/Integration%20Guides/FSR%20X%20%26%20UX%20Integration%20Guide%20-%20Interlink%20Electronics.pdf (accessed on 6 August 2021).
- Peratech Inc, «QTC SP200 Series Datasheet. Single Point Sensors», 2015. Available online: https://www.peratech.com/assets/uploads/datasheets/Peratech-QTC-DataSheet-SP200-Series-Nov15.pdf (accessed on 6 August 2021).
- Gómez, C.A.P.; Paredes-Madrid, L.; Garzon, A.O. Statistical process control of commercial force-sensing resistors. Metrol. Meas. Syst. 2022, 29, 469–481. [Google Scholar] [CrossRef]















| Error Metric/Parameter | Interlink FSR402 [68] | QTC Peratech SP200 [69] |
|---|---|---|
| Operating force range | 0.2 N to 20 N | 0.1 N to 20 N |
| Part to part repeatability | ±6% | <4.5% |
| Mechanical sensing diameter (Active Sensing Area) | 1.82 cm (2.6 cm2) | 1 cm (0.78 cm2) |
| Hysteresis error (%) | 10% | 8.5% |
| Drift error (%) | <5% per log (time) | <2% per log (time) |
| Sensor Brand | Vi = 1 V | Vi = 5 V | Vi = 7 V |
|---|---|---|---|
| Interlink FSR 402 | −0.61 | −0.69 | −0.72 |
| Peratech SP200 | −0.55 | −0.67 | −0.64 |
| Sensor | Parameter | Model 1 | Model 2 | Model 3 |
|---|---|---|---|---|
| Interlink FSR 402 | a | 32.96 | 182 | 10.82 |
| b | 7.01 | −11.7 | 1.55 | |
| c | 12.24 | 24.43 | -- | |
| d | -- | 4.06 | -- | |
| R2 | 0.7608 | 0.7567 | 0.7684 | |
| Peratech SP200 | a | 21.85 | 0.404 | 1.59 |
| b | 1.65 | −0.0081 | 6.28 | |
| c | 3.81 | 0.0583 | -- | |
| d | -- | 0.0012 | -- | |
| R2 | 0.5843 | 0.5759 | 0.5731 |
Disclaimer/Publisher’s Note: The statements, opinions and data contained in all publications are solely those of the individual author(s) and contributor(s) and not of MDPI and/or the editor(s). MDPI and/or the editor(s) disclaim responsibility for any injury to people or property resulting from any ideas, methods, instructions or products referred to in the content. |
© 2024 by the authors. Licensee MDPI, Basel, Switzerland. This article is an open access article distributed under the terms and conditions of the Creative Commons Attribution (CC BY) license (https://creativecommons.org/licenses/by/4.0/).
Share and Cite
Peña, A.; Alvarez, E.L.; Ayala Valderrama, D.M.; Palacio, C.; Bermudez, Y.; Paredes-Madrid, L. Usage of Machine Learning Techniques to Classify and Predict the Performance of Force Sensing Resistors. Sensors 2024, 24, 6592. https://doi.org/10.3390/s24206592
Peña A, Alvarez EL, Ayala Valderrama DM, Palacio C, Bermudez Y, Paredes-Madrid L. Usage of Machine Learning Techniques to Classify and Predict the Performance of Force Sensing Resistors. Sensors. 2024; 24(20):6592. https://doi.org/10.3390/s24206592
Chicago/Turabian StylePeña, Angela, Edwin L. Alvarez, Diana M. Ayala Valderrama, Carlos Palacio, Yosmely Bermudez, and Leonel Paredes-Madrid. 2024. "Usage of Machine Learning Techniques to Classify and Predict the Performance of Force Sensing Resistors" Sensors 24, no. 20: 6592. https://doi.org/10.3390/s24206592
APA StylePeña, A., Alvarez, E. L., Ayala Valderrama, D. M., Palacio, C., Bermudez, Y., & Paredes-Madrid, L. (2024). Usage of Machine Learning Techniques to Classify and Predict the Performance of Force Sensing Resistors. Sensors, 24(20), 6592. https://doi.org/10.3390/s24206592

