Next Article in Journal
Delamination Depth Detection in Composite Plates Using the Lamb Wave Technique Based on Convolutional Neural Networks
Next Article in Special Issue
Design and Characterisation of a Read-Out System for Wireless Monitoring of a Novel Implantable Sensor for Abdominal Aortic Aneurysm Monitoring
Previous Article in Journal
Optimization of Surface Functionalizations for Ring Resonator-Based Biosensors
Previous Article in Special Issue
Key Contributors to Signal Generation in Frequency Mixing Magnetic Detection (FMMD): An In Silico Study
 
 
Font Type:
Arial Georgia Verdana
Font Size:
Aa Aa Aa
Line Spacing:
Column Width:
Background:
Article

Online Measurement Method and System of Excitation Impedance of Current Transformers Based on Norton’s Theorem and Differential Method to Measure Difference of Two Currents

Department of Electrical Engineering, Tsinghua University, Beijing 100084, China
*
Authors to whom correspondence should be addressed.
Sensors 2024, 24(10), 3115; https://doi.org/10.3390/s24103115
Submission received: 11 April 2024 / Revised: 9 May 2024 / Accepted: 13 May 2024 / Published: 14 May 2024
(This article belongs to the Special Issue Advances in Magnetic Sensors and Their Applications)

Abstract

An online measurement method is proposed in this paper, and a system is established for detecting the excitation impedance of current transformers (CTs) based on Norton’s theorem. The theorem is carried out by connecting a resistance and an inductance at the secondary side port of the CT to get the equations for calculating the impedance. The iterative method is used to solve the equations, and the solution is revised to consider the nonlinearity of the core. The main variable in the equations is the variation of the secondary current with the resistance or inductance. To obtain the secondary current variation accurately, which is less than 1‰ of the current, a differential method is proposed, which is based on charging two capacitors and measuring the difference of their voltages instead of measuring each current separately first and then obtaining the current variation by subtraction. This is equivalent to saving two currents first and then measuring the current difference. The differential method avoids the problem of error amplification in the process of measuring two currents separately first and then subtracting them to obtain the current variation and solves the problem that two currents do not appear simultaneously. The results verify the correctness and accuracy of the proposed method and system. The acquisition of the excitation impedance is the basis for obtaining the working characteristics of CT cores, including magnetic and loss characteristics, as well as the error of CTs.

1. Introduction

The working characteristics of current transformer (CT) cores are influenced by the exciting current. According to the CT equivalent circuit, the exciting current refers to the current that flows through the excitation impedance branch. The excitation reactance corresponds to the magnetic characteristics of the core, which mainly affects the CT ratio error; the excitation resistance corresponds to the loss characteristics of the core, which mainly affects the CT phase displacement. Therefore, measuring the excitation impedance serves as the foundation for determining the working characteristics of the core and detecting the CT errors.
Error detection plays a critical role in ensuring accurate measurement performance of CTs. The current transformer (CT) error measurement method recommended by the International Electrotechnical Commission (IEC) standard is the direct measurement method, also known as the comparison measurement method [1]. Its basic principle is to compare the measured CT with a standard CT with a higher accuracy class to determine the ratio error and phase displacement. Numerous studies have been devoted to improving the measurement range and accuracy of the comparison method [2,3,4,5].
It is impractical to apply the comparison method for on-site CT error detection, primarily because the large current source is difficult to build [6]. However, it is also laborious to remove the CTs and bring them back to the laboratory for calibration. To address this issue, the IEC standard offers an alternative method for on-site error measurement, which obtains the ratio error by offline measurement of the CT exciting current [1]. Both the comparison method and the alternative method necessitate service interruption for CT removal, calibration, and reinstallation, leading to high economic losses and waste of labor. Consequently, numerous CTs have remained uncalibrated for several years or even decades [7,8].
An effective online calibration method for CTs is necessary. It can not only overcome the aforementioned shortcomings of the offline calibration but also obtain the CT error data during real-time operation. Research in this area can be classified into two categories. One is based on the standard CT [9,10], which often involves manual operation of the clamp CT with low security [11,12]. The other is based on a phasor measurement unit (PMU) and complex algorithms [13,14]. These existing online calibration methods are difficult to be promoted and applied due to their complicated implementation and high cost.
This paper aims to propose an online measurement method and system for determining the excitation impedance of the CT based on Norton’s theorem. This method enables a novel approach for online detection of CT errors and core working characteristics [15]. The equations for solving the excitation impedance are established by simply connecting the resistance and inductance at the secondary winding port. By measuring only two voltage effective values at the secondary side, the excitation impedance can be obtained. Then the CT error can be calculated based on the excitation impedance. The proposed system is simple, effective and cost-effective.

2. Measuring Principle

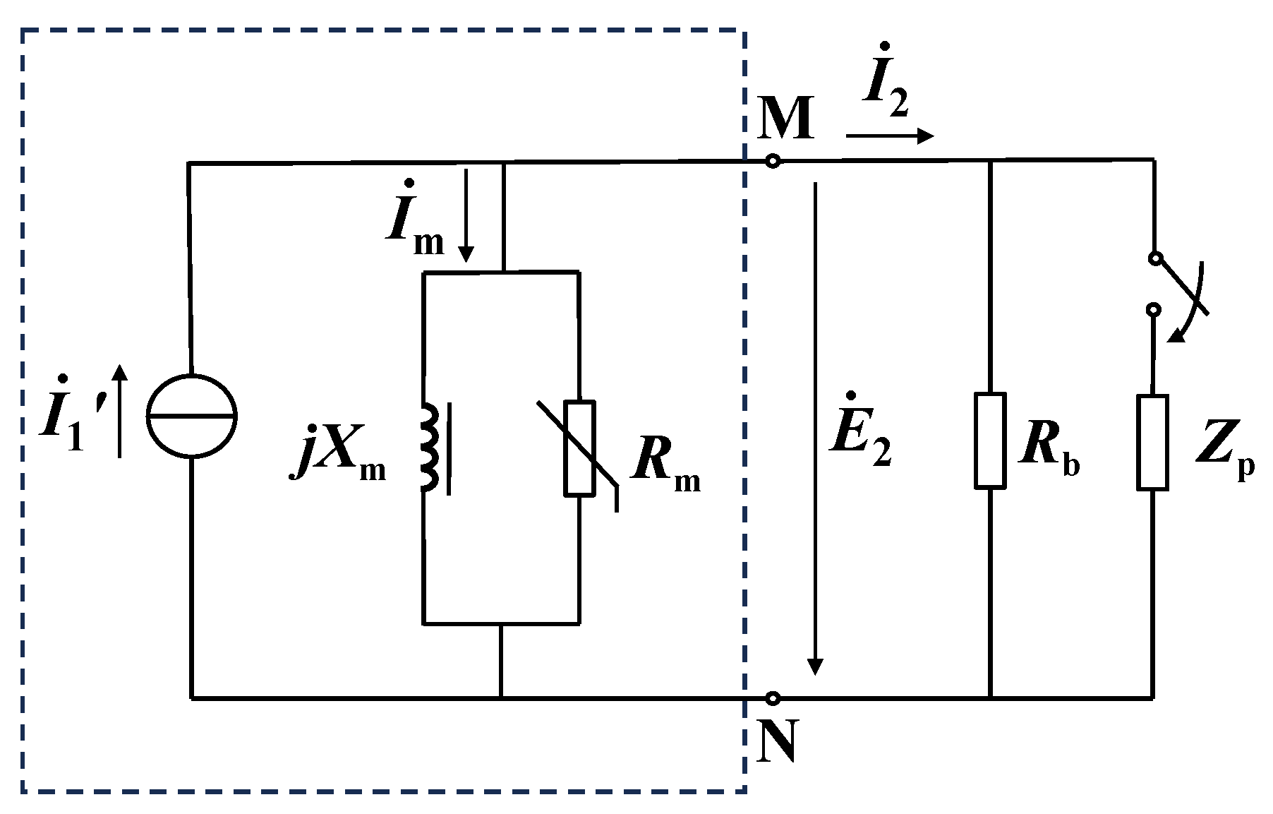
The dashed box in Figure 1 represents the CT equivalent circuit converted to the secondary side. In Figure 1, I ˙ 1 is the converted primary current, I ˙ m is the exciting current, I ˙ 2 is the secondary current, Rb is the load resistance, Rm(E2) is the nonlinear excitation resistance, Xm(E2) is the nonlinear excitation reactance, and E2 is the secondary electromotive force (EMF), which is approximately equal to the voltage of the secondary port. Definitely, the flux of the core is a function of the currents I ˙ 1 and I ˙ 2 , and I ˙ 2 is a function of the load impedance Zb, so the excitation impedance is a function of Zb. In measurement, only the CT secondary voltage can be obtained, and the voltage drop of the winding resistance and leakage inductance needs to be added to obtain E2. The winding resistance needs to be measured in advance, while the leakage inductance is not easy to measure. The influence of leakage inductance is ignored in our measurement system.
As shown in Figure 1, the Norton equivalent impedance from the secondary side port MN is the excitation impedance Zm, and the equivalent current source is I ˙ 1 . By connecting two different impedances Zp at the port and combining with the state of not connecting Zp, three effective value equations can be established. Then Rm, Xm, and I 1 can be obtained.

2.1. Selection Method for Properties and Values of Port-Connecting Impedances

Selecting the two port-connecting impedances as one resistance Rp and one reactance Xp is the best configuration so that the variation of the secondary current I2 can reflect the excitation impedance Zm to the maximum extent. This is because the excitation resistance Rm can be reflected to the maximum extent when connecting Rp at the port, while the excitation reactance Xm can be reflected to the maximum extent when connecting Xp at the port. Then essentially, the equations based on Norton’s theorem are enabled to have a greater degree of linear independence, the amount of information contained is larger, and the accuracy of Zm obtained by the measured secondary current variation ∆I2 is higher.
The phenomenon that ∆I2 causes by the port-connecting resistance Rp mainly reflects the excitation resistance Rm, and ∆I2 caused by the port-connecting reactance Xp mainly reflects Xm and can be explained by the phase relationship of each current. The phasor diagram when not connecting Rp or Xp is shown in Figure 2. Since the load is a resistor Rb (IEC standard stipulates that the load is a resistor of 0.2 Ω when detecting CT errors [1]), I2 is in phase with the current IRm flowing through Rm and has a 90-degree angle with the current IXm flowing through Xm. Under the excitation of the constant current source I 1 , if Rp is connected at the port, I2 will increase slightly, while θ in Figure 2 is basically unchanged. The increase in I2 is basically equal to the decrease in IRm, and IXm is basically unchanged. Therefore, the port-connecting resistance Rp mainly reflects the excitation resistance Rm. Calculation shows that the variation of IRm is two orders of magnitude larger than that of IXm. Correspondingly, when Xp is connected at the port, I2 will increase, and θ will also increase significantly. Thus, the variation of IXm is greater than that of IRm. Due to the constraint of the load resistance Rb, the variation of IXm is not two orders of magnitude larger than that of IRm when connecting Xp, but it can generally be several times larger.
For the numerical selection of Rp, from Norton’s theorem, the smaller Rp the better, because a smaller Rp enables ∆I2 to be larger. Namely, the amount of information provided is larger, and it is easy to accurately measure. However, the magnetic flux in the core will decrease after connecting Rp, and then both Rm and Xm will decrease due to the nonlinearity of the core so Zm cannot be solved accurately by using a set of Norton’s theorem equations. In this sense, the greater Rp the better, because its impact on the core will be smaller. Therefore, the selection of Rp should be a compromise between providing enough information to facilitate measurement and making the core flux change small. Although we propose the iterative revision method for the nonlinearity of the iron core (see Section 2.3), the calculation accuracy is still affected by the degree of change of the ferromagnetic flux. Combined with the accuracy of the measurement and the accuracy of the calculation method considering the nonlinearity of the iron core, we suggest that the Rp including the lead resistance should be about 0.5 times the load resistance Rb. For the value of Xp, it is obviously not that the smaller Xp the better, due to the parallel constraint of Rb. A smaller Xp will weaken the effect of port-connecting inductance. For a comprehensive consideration, we suggest that Xp is about 1.5Rb.

2.2. Forms of Three Equations

When not connecting Zp, the secondary current is denoted as I ˙ 2 O , and the EMF is denoted as E ˙ 2 O . Then the equation is
I ˙ 1 = E ˙ 2 O R m ( E 2 O ) + E ˙ 2 O j X m ( E 2 O ) + I ˙ 2 O .
Taking the modulus of both sides of (1), the following equation is obtained:
I 1 = ( E 2 O 2 R m ( E 2 O ) 2 + 2 I 2 O E 2 O R m ( E 2 O ) + I 2 O 2 + E 2 O 2 X m ( E 2 O ) 2 ) 1 2 .
When connecting Rp, the secondary current is denoted as I ˙ 2 R , and the EMF is denoted as E ˙ 2 R . Then the equation is
I ˙ 1 = E ˙ 2 R R m ( E 2 R ) + E ˙ 2 R j X m ( E 2 R ) + I ˙ 2 R .
Taking the modulus of both sides of (3), the following equation is obtained:
I 1 = ( E 2 R 2 R m ( E 2 R ) 2 + 2 I 2 R E 2 R R m ( E 2 R ) + I 2 R 2 + E 2 R 2 X m ( E 2 R ) 2 ) 1 2 .
When connecting Xp, the secondary total impedance is denoted as Z2X, where Z2X = Rb // jXp = R2X + jX2X. The secondary current is denoted as I ˙ 2 X , and the EMF is denoted as E ˙ 2 X . Then the equation is
I ˙ 1 = E ˙ 2 X R m ( E 2 X ) + E ˙ 2 X j X m ( E 2 X ) + I ˙ 2 X .
Taking the modulus of both sides of (5), the following equation can be sorted out:
I 1 = ( E 2 X 2 R m ( E 2 X ) 2 + 2 I 2 X 2 R 2 X R m ( E 2 X ) + I 2 X 2 + E 2 X 2 X m ( E 2 X ) 2 + 2 I 2 X 2 X 2 X X m ( E 2 X ) ) 1 2 .
Equations (2), (4) and (6) are the three effective value equations. However, the quantities being sought are actually not three including Rm, Xm, and I 1 , but seven, because the secondary electromotive forces are different in the three cases.

2.3. Solution Method of Excitation Impedance

We propose a two-step method for calculating Rm and Xm (i.e., Rm(E2O) and Xm(E2O)). The first step is to consider that the three sets of Rm and Xm are the same, namely ignoring nonlinearity, and to solve. The second step is to use the results of the first step as the initial values, combined with the magnetic characteristics B-H and loss characteristics P-B of the core material obtained by the online equivalent measurement of our measurement system, and perform iterative revision to achieve nonlinear processing.

2.3.1. Solution of Considering the Three Sets of Rm and Xm as the Same

Assuming that the excitation impedance when connecting Rp or Xp is the same as that when not connecting Zp, that is, Rm(E2O) and Xm(E2O), then Rm and Xm can be calculated by Equations (2), (4) and (6) based on the measured values. By combining (2) and (4) first, an equation for calculating the excitation resistance Rm and the excitation reactance Xm can be derived:
A R R m 2 + ( 2 I 2 R E 2 R 2 I 2 O E 2 O ) R m + E 2 R 2 E 2 O 2 = 0 ,
where:
A R = I 2 R 2 I 2 O 2 + E 2 R 2 E 2 O 2 X m 2 .
All the variables in (7) and (8) except for Rm and Xm are measurable. Equation (7) appears to be straightforward to solve as it is a quadratic equation of Rm. However, Equation (8) contains Xm, necessitating the establishment of an additional equation to calculate Rm and Xm.
Then, by combining (2) and (6), another equation for calculating Rm and Xm is derived:
A X X m 2 2 I 2 X 2 X 2 X X m + E 2 O 2 E 2 X 2 = 0 ,
where:
A X = I 2 O 2 I 2 X 2 + 2 I 2 O E 2 O 2 I 2 X 2 R 2 X R m + E 2 O 2 E 2 X 2 R m 2 .
Hence, Rm and Xm can be calculated by combining (7) and (9). However, owing to the variation characteristics of the excitation impedance, these equations need to be solved using an iterative method. The iterative method requires selecting initial values, which can be determined as follows:
R m ( 0 ) = E 2 R E 2 O I 2 R I 2 O ,
X m ( 0 ) = E 2 X E 2 O I 2 X I 2 O .
Equation (11) provides the solution for Rm in (7) when assuming that Xm is not present. As the change in circuit state caused by connecting a resistance primarily reflects Rm, Rm calculated by omitting Xm is relatively close to its actual value. Similarly, (12) yields the solution for Xm in (9) when assuming that Rm is absent.
The iterative solution process is as follows: the Xm(0) calculated by (12) is substituted into (7)–(8) as a known quantity to calculate the excitation resistance value Rm(1); the Rm(0) calculated by (11) is substituted into (9)–(10) as a known quantity to calculate the excitation reactance value Xm(1). The solution of the equations can be obtained by this iteration.

2.3.2. Iterative Revision Method Considering the Core Nonlinearity

The relationship between the excitation impedance and the electromotive force is established first. According to the relationship between the loss of ferromagnetic materials and the magnetic density [16], and according to the function form of the magnetization curve [17], the function of Rm and Xm changing with the electromotive force E2 can be expressed as
R m ( E 2 ) = ( a r E 2 b r + c r ) 1 ,
X m ( E 2 ) = ( a x E 2 + b x ) 1 2 + c x .
Theoretically, the six constants in (13) and (14) can be obtained by measurements for the core material. However, the CT will work under different measured currents, which is equivalent to the measurement of the core. Therefore, we propose a method to determine the constants in the above two equations according to the states of CTs under different currents: form six equations from (13) and (14) using the measured E2O and the calculated Rm and Xm under three different measured currents (the current difference cannot be too small) and solve six unknown constants. Certainly, the Rm(E2O) and Xm(E2O) at this time are not accurate, and the obtained constants are also not accurate, which requires the iteration described below to be revised.
After obtaining the function of Rm and Xm changing with E2, revise the Rm(E2O) and Xm(E2O) obtained in Section 2.3.1. The revision method is that the excitation resistance and reactance after considering the nonlinearity are expressed as
R mR ( E 2 R ) = k R R m ( E 2 O ) ,
X mX ( E 2 X ) = k X X m ( E 2 O ) ,
where kR is the ratio of the two resistances obtained by using E2O and E2R (i.e., EMF when connecting Rp) based on (13), similar to kX.
Substitute (15) and (16) into (4) and (6), and then start solving again from Section 2.3.1, including revising the six constants based on (13) and (14) and recalculating (15) and (16), to iteratively deal with the nonlinearity of the iron core. Table 1 presents an example to show the effect of the iterative revision method.

3. Measurement System of Excitation Impedance

3.1. System Configuration

The measurement system consists of two main modules, as illustrated in Figure 3. Module I is the port-connecting impedance switching module, and module II is the differential measurement module. The two port-connecting impedances are a resistor Rp and an inductor Lp, and the reason for this setting has been previously discussed. The rated load resistance Rb of the CT is typically 0.2 Ω, and we have selected Rp as 0.1 Ω (including the converted resistance of the secondary winding and the connecting line) and Xp (equal to 2∗π∗50∗Lp) as 0.3 Ω. This selection aims to maximize the secondary current variation when connecting Rp or Xp while accurately reflecting Rm or Xm. If Rb is doubled or halved, the selected Rp and Xp should also be correspondingly increased or decreased. The subsequent discussion primarily focuses on the differential measurement module.

3.2. Necessity of Using Differential Method

Limited by Rb, the total secondary impedance after connecting Rp or Lp can only decrease from Rb, regardless of the selected values of Rp or Lp. Furthermore, the excitation impedance is much greater than the total secondary impedance, leading to minimal variation in the secondary current I2 when connecting different impedances at the port, generally less than 1‰ of the secondary current.
For two quantities with a relative change of less than 1‰, if they are measured separately and are then subtracted to obtain the variation, the measurement error will be seriously enlarged. When two large numbers are subtracted to yield a small number, the error of the large numbers is enlarged, leading to a substantial error in the result.
For instance, if the actual value of the current before connecting the port-connecting impedance is I2 = 0.998 A, and the actual value after connecting the port-connecting impedance is I2p = 0.999 A, then the variation between the two is ΔI2 = 0.999 − 0.998 = 0.001 A. Assume a measurement error of −0.1% for I2, namely its measured value is I2d = 0.997 A, and if the measurement error of I2p is zero, then the difference is ΔI2d = 0.999 − 0.997 = 0.002 A. Consequently, the error of ΔI2d relative to its actual value ΔI2 = 0.001 A reaches 100%.
As demonstrated above, it is difficult to obtain relatively accurate current variation and excitation impedance by separately measuring the secondary currents and then subtracting them. To address the issue of enlarging the error caused by subtracting two large numbers, we propose a differential method to directly measure the current variation ΔI2.

3.3. Principle and Implementation of Differential Method

The differential method is generally used to measure the difference between two simultaneous quantities. It is difficult to apply it to the measurement of secondary current variation due to the fact that the unchanged and changed secondary currents do not exist simultaneously but exist at different times.
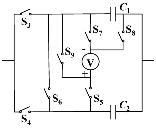
To address this issue, we take the scheme of saving two currents first and then measuring the current difference. Obviously, it is difficult to directly save the current, so we use the method of converting the current to DC voltage and saving the voltage on the capacitors. Specifically, capacitors C1 and C2 are charged with the voltages corresponding to the unchanged and changed secondary currents respectively, and subsequently, the voltage difference between the two capacitors is measured by a voltmeter. The configuration of the two capacitors is depicted in the lower right corner of Figure 3. Once the capacitor is charged, the capacitor port is disconnected. The capacitor voltage can be maintained for a relatively long time and remains basically unchanged for a fraction of a second before the voltage difference is measured.
For measuring current transformers, the change rate of the primary current with time is generally not too large because power loads generally do not change suddenly, except at the electrical switching time, and this effect can be eliminated by data processing. Therefore, as long as the time of charging the two capacitors and measuring the voltage difference is as short as possible, I 1 can be considered basically unchanged in this process, and the secondary current variation and its corresponding voltage difference are merely caused by switching the port-connecting impedance.
The processes of charging and discharging the two capacitors shown in Figure 3 are as follows: Close S3 to charge C1 while keeping the other switches open. Next, open S3 and close S4 to charge C2. Subsequently, open S4 and close S5 to connect the DC millivolt meter to measure the voltage difference and record the voltage at the moment of connecting the voltmeter. Due to the voltmeter’s equivalent large resistance, the capacitor starts to discharge gradually after connecting the voltmeter, and the discharge time constant is the product of the capacitance and the internal resistance of the voltmeter, so the voltage at the moment of connection needs to be recorded. It can also be inferred that the capacitance selected should not be too small, otherwise, the time constant is too small. Then the discharge process is too fast to record the correct voltage. Moreover, a capacitor with excessively small capacitance is susceptible to external interference. After experimental verification, we select the Polypropylene Film Capacitor (CBB capacitor) with a capacitance of 10 μF. After recording the voltage, close S6 to neutralize the charges on the two capacitors. Finally, open S6. So far, the measurement of a capacitor charge and discharge cycle has been completed.
To enhance measurement accuracy, multiple measurement cycles should be promptly conducted, and then the data should simply be processed to determine the voltage difference. We take the average value of the voltage difference data measured in a single cycle as the result of a single measurement first. Then we take the average value of the voltage difference measured for 20 consecutive cycles and again take the average value of the 10 voltage differences closest to this average value as the final voltage difference result. The specific settings of the switch action time and other components of the differential module are as outlined below.

3.4. Differential Measurement Module Configuration

The main components of the differential measurement module include the current conversion coil, coil voltage amplifier, rectifier circuit, two capacitors, and switches, as depicted in Figure 3.
The secondary circuit wire of the measured CT passes through the current conversion coil, which converts the secondary current into coil port voltage. The coil port is connected to the voltage amplifier to amplify the voltage. The amplifier is connected to the rectifier circuit, and its output voltage typically exceeds 10 V at the CT-rated current. The rectifier circuit is linked with switches, capacitors, and the voltmeter.
The voltage across the secondary total impedance cannot directly reflect the secondary current because the secondary total impedance changes with the port-connecting impedance. The ratio of the port voltage of the current conversion coil to the secondary current can be called the volt–ampere ratio. To enhance the signal-to-noise ratio, the coil volt–ampere ratio should be relatively large, ideally set to 0.1. As the volt–ampere ratio of an air-core coil is approximately 10−5, a core-equipped coil is necessary. The turn number of the coil itself should be large, and the turn number of the CT secondary wire around the coil can also be increased appropriately. However, caution must be exercised to prevent core saturation, as the excitation current applied to the core constitutes the entire secondary current. We choose a core coil with a single-turn open-circuit voltage of 0.1 mV under the excitation magnetomotive force of 1 ampere-turn and set its turn number to 1000 to achieve a volt–ampere ratio of 0.1.
Since the rated secondary current of CT is 1 A or 5 A, the coil output voltage is less than 1 V, potentially insufficient to turn the rectifier diode conductive. We choose an OP37 operational amplifier to amplify the coil output voltage. Its input offset voltage is only at the microvolt level, the maximum input voltage is 2 Vpp, the maximum magnification is 100, and the maximum output voltage is 13 V.
The amplified voltage can be rectified to charge the capacitor. Upon connection to the charging source, the capacitor swiftly reaches peak voltage. The rectifier diode is no longer conductive until disconnection because the capacitor is not connected to any load impedance and has no discharge path. Therefore, a rectifier circuit composed of a single rectifier diode can meet the requirements. We select the 1N5822 Schottky diode, which has a maximum forward voltage drop of 0.525 V.
It should be emphasized that the influence of these components on the overall accuracy of the system is difficult to obtain accurately by calculation. Therefore, the calibration method commonly used in measurements is used to calibrate the system so there is no need to explicitly establish the transfer function of each segment or precisely define the relationship between the input and output. The relationship between the input and output of the entire system can be obtained through calibration.

3.5. Implementation of Measurement System Based on PLC

The switch action time must account for the time constant of the capacitor circuit to ensure adequate time for capacitor charging and discharging. Nonetheless, it is essential to limit the charging duration of the capacitors to prevent potential fluctuations in the primary current, which could compromise measurement accuracy. The programmable logic controller (PLC) is employed to realize switch control and system automatic measurement. The model number of the PLC used is EnYu-FX2N 32MR, which is manufactured by Shenzhen EnYu Technology Co., Ltd. The switches in Figure 3 are designated to distinct control ports of the PLC; that is, the switches S1~S6 in Figure 3 adopt the relay switches integrated into the PLC. The implementation of the measurement system is shown in Figure 4.
All switches are opened initially. In a single measurement of switching the port-connecting resistance (or inductance), the switch action sequence and delay are as follows: Close S3, delay 100 ms, and then open S3. Close S1 (or S2) and delay 80 ms. Close S4, delay 100 ms, and then open S4. Close S5, delay 300 ms, and then open S5. Open S1 (or S2). Close S6, delay 100 ms, and then open S6. Moreover, to ensure the normal execution of the program, a 20 ms delay is inserted between adjacent program steps because the relay switch requires a certain amount of action time.
The measurement system can be used as an affiliated module of an online CT to monitor its working status. However, the measurement only needs to be carried out once every few days or longer, and the measurement of each time only takes a few seconds. When not measuring, the system is electrically disconnected from the CT. It is obvious that the variation in the excitation impedance and CT error is a slow process, and the variation is generally very small over several months unless a sudden external force causes the CT to damage it.
It should be pointed out that remanence may occur in the CT core during its operation, which may be caused by the direct current component of the primary current, external magnetic field, or large current. Thus, demagnetization is necessary sometimes. Demagnetization can be achieved by injecting demagnetization current into the CT secondary loop circuit. The recommended maximum value of the demagnetization current is 200 mA. The accuracy of the CT with the largest error is generally 2%, and with the rated secondary current of 5 A, the exciting current is estimated to be 5 × 2% = 0.1. Thus, 200 mA is twice the exciting current, which is sufficiently large. Almost all the demagnetization current generates magnetic flux in the core because the impedance of the primary side is relatively large, and the primary side can be approximately considered as an open circuit seen from the secondary side. The frequency of the demagnetization current might be about 75 Hz to avoid overlapping with the working exciting current. To inject the demagnetization current into the CT secondary loop, the secondary current measurement coil of the CT measurement system can be used as a coupling coil to couple the current to the secondary circuit as the demagnetization current. When demagnetizing, the coil is disconnected from the current measurement circuit and connected to the demagnetizing power supply using automatic switches. The coil used in the system is a 1000-turn core coil so that as long as a 0.2 mA current is introduced to the coil, a current of about 200 mA can be coupled in the CT secondary circuit.

3.6. Characteristics of Differential Measurement Results

To observe the effect of the differential measurement, the charging voltage on each single capacitor could be first measured in turn. In addition to the previously mentioned switches S1~S6, switches S7~S9 are added, and all switches are opened initially, as shown in Figure 5. The switch action sequence corresponding to this measurement is as follows: Close S3 and then open S3. Close S1. Close S4 and then open S4. Close S5 and S8 and then open S5 and S8. Close S9 and S8 and then open S9 and S8. Open S1. Close S6 and then open S6.
Figure 6 shows the measurement results of the voltages of the two capacitors. In this figure, each cycle corresponds to the cycle of switching the port-connecting resistance and charging and discharging the capacitors, and the two pulses included correspond to the voltages on the capacitors C2 and C1, respectively. As can be seen from this figure, the voltage of a single capacitor is roughly 11 V. However, the naked eye cannot discern subtle differences between the two voltages of the two capacitors (the differences of the two pulses in each cycle). Similarly, the measurement results of the voltage difference of the two capacitors are shown in Figure 7. It can be easily seen that the voltage difference is roughly 30 mV, which is merely 0.3% of the voltage of a single capacitor. Therefore, the measurement system can effectively realize the differential measurement of minor variations of the secondary current.

4. System Calibration and Measurement Results

4.1. System Calibration

In the established system, the voltage difference ΔU of the two capacitors is measured, but the calculation of the excitation impedance requires the secondary current variation ΔI2. Thus, it is necessary to derive the relationship between ΔI2 and ΔU, which is represented by the proportional coefficient k = ΔI2U. Although this relationship is determined by the transformation ratio of the current conversion coil, the forward voltage drop of the rectifier diode and the magnification, it is difficult to calculate a relatively accurate k through separate measurement of these parameters. Therefore, the calibration method commonly employed in measurement is used to determine k by measurement. Since every component in the differential module is designed to function within the linear region, only one k value needs to be determined by calibration.
Theoretically, the ΔI2 should be directly fabricated, and then the ΔU could be measured. However, fabricating and accurately measuring ΔI2 is almost impossible because ΔI2 can only be obtained by measuring two currents separately and then subtracting them. The error amplification problem of the subtraction of two large numbers will occur in this process. Therefore, we use an indirect calibration method based on the impedance measured by the LCR instrument as a benchmark or an accurate value, that is, using the excitation impedance measured by the LCR instrument at the CT port as a benchmark. The CT is also measured with our measurement system, and the excitation impedance obtained by the measurement system is adjusted repeatedly. The calibration is completed when the excitation impedance obtained by the measurement system is the same as that of the LCR instrument, and the required k value is obtained.
Both the port-connecting resistor and inductor are utilizable for calibrating the system indirectly. We calibrate by using the port-connecting inductor. The expression of ΔI2 in terms of the electromotive force, excitation impedance, and secondary current is subsequently derived. By combining (2) and (6), but meanwhile accounting for the change of excitation impedance before and after connecting the port-connecting inductor, the expression of the secondary current variation ΔI2 = I2XI2O can be derived. The excitation impedance when not connecting the port-connecting impedance is denoted as RmO and XmO, whereas the excitation impedance when connecting port-connecting inductor is represented as RmX and XmX. These impedance values are accessible through an LCR impedance measuring instrument. Consequently, the expression of ΔI2 can be determined as follows:
Δ I 2 = S R + S X E 2 O R b + E 2 X Z 2 X ,
where:
S R = E 2 X 2 R mX 2 E 2 O 2 R mO 2 2 E 2 O 2 R mO R b + 2 R 2 X E 2 X 2 R mX Z 2 X 2 ,
S X = E 2 X 2 X mX 2 E 2 O 2 X mO 2 + 2 X 2 X E 2 X 2 X mX Z 2 X 2 .
In the formulas, E2O and E2X represent the secondary electromotive forces before and after connecting the port-connecting inductor, respectively.
Figure 8 illustrates the correlation between ΔU and ΔI2 at varying currents. A strong linear relationship is demonstrated between the two parameters. The coordinate ratio of any arbitrary point can be denoted as k. Furthermore, the mean value of each point can serve as the k value of the system. Here k is determined to be 0.044.

4.2. Excitation Impedance Measurement Results

The impedances of various CTs are measured by the system, and the results are compared with those obtained by the LCR impedance measuring instrument to verify the correctness and accuracy of the measurement system.
The process of the measurement is as follows: pass the primary wire through the CT; pass the secondary wire through the current conversion coil of the measurement system and connect it to the load resistance; connect the port-connecting impedance port of the measurement system in parallel with the load resistance and connect the digital voltmeter to the CT port. Adjust the current of the primary current source in turn and the computer collects and records the data of the measurement system. Calculate the excitation impedance based on these data. To compare with the results of the LCR instrument, the exciting current under different primary currents is calculated first, and the port impedance of the CT under different currents is then measured by using the current excitation gear of the LCR instrument, which is exactly the excitation impedance under different primary currents. Demagnetization should be carried out before measuring impedance.
In the actual measurement, the resistance of the winding and the lead cable should be taken into account to calculate the secondary total impedance. We calculate the lead resistance by collecting voltage and current from the CT port, but the winding resistance needs to be measured offline. If the lead between the CT and the load is long, the influence of the inductance of the lead circuit should also be considered, and the voltage and current of the CT port and their phase difference need to be measured. Our measurement system does not consider the lead inductance. We suggest that if the lead is long, the two wires should be wound (using the stranded wire) to weaken the influence of the inductance of the lead circuit.
To show the change of the CT port voltage when the port-connecting impedance is connected, Table 2 presents the measurement results of the port voltage (i.e., the EMF) of a 100/5 A CT under different currents, and the EMF is proportional to the magnetic flux in the iron core. In this table, E2O, E2X, and E2R are, respectively, the electromotive forces when not connecting any impedance, connecting a reactance, and connecting a resistance at the CT port. Figure 9 and Figure 10 show the comparison of the measurement results of the excitation reactance and resistance obtained from the system with those obtained from the impedance measuring instrument. Additionally, Figure 11 illustrates the variance between the results obtained from the measurement system and the impedance measuring instrument. The measured CT is a 0.5 S class CT with a transformation ratio of 100/5 A. The resistance of the CT secondary winding is R2r = 0.053 Ω, and the set load resistance is Rb = 0.2042 Ω.

5. Conclusions

In acquiring the CT excitation impedance by connecting two impedances at the secondary port, the selection of a reactor and a resistor as the impedances is the best choice. The former can reflect the excitation reactance to the maximum extent, while the latter reflects the excitation resistance. Since there is a load resistance of about 0.2 Ω at the port, an optimal port-connecting reactance of approximately 0.3 Ω is advised. A smaller port-connecting resistance enhances the effectiveness of reflecting the excitation resistance but meanwhile leads to a greater alteration in the core working state so that a port-connecting resistance of 0.1 Ω is deemed suitable. Since the excitation impedance is much larger than the load resistance, the secondary current variation caused by connecting the port-connecting impedances is minimal, less than 1‰. Meanwhile, the current variation is a key variable in the calculation of the excitation impedance. If the two secondary currents are measured separately and then subtracted to obtain the variation, the measurement error will be seriously enlarged. The differential method employing two capacitors proposed in this paper improves the measurement accuracy of the current variation effectively. The differences between the excitation impedance measurement results of the system developed in this paper and those obtained by the LCR impedance measuring instrument are less than 2% for the excitation reactance and less than 4% for the resistance.

Author Contributions

Conceptualization, M.G. and J.Y.; methodology, M.G. and J.Y.; software, M.G.; validation, M.G. and J.Y.; formal analysis, M.G.; investigation, H.Y.; resources, J.Y.; data curation, M.G.; writing—original draft preparation, M.G.; writing—review and editing, M.G. and J.Y.; visualization, M.G.; supervision, J.Y.; project administration, J.Y.; funding acquisition, J.Y. All authors have read and agreed to the published version of the manuscript.

Funding

This research was funded by the Science and Technology Project of State Grid Corporation of China, grant number 5700-202111201A-0-0-00.

Institutional Review Board Statement

Not applicable.

Informed Consent Statement

Not applicable.

Data Availability Statement

The data presented in this study are available on request from the corresponding authors.

Conflicts of Interest

The authors declare no conflicts of interest.

References

  1. IEC 61869-2:2012; Instrument Transformers—Part 2: Additional Requirements for Current Transformers. International Electrotechnical Commission (IEC): Geneva, Switzerland, 2012.
  2. Xia, X.; Song, H.; Li, H. A High Accuracy AC+DC Current Transducer for Calibration. Sensors 2022, 22, 2214. [Google Scholar] [CrossRef] [PubMed]
  3. George, N.; Vooka, P.; Bandi, A.S.K.; Gopalakrishna, S. A novel dual slope conversion technique for measurement of ratio and phase errors of current transformer using comparison method of testing. Measurement 2021, 179, 109458. [Google Scholar] [CrossRef]
  4. Dang, S.; Xiao, Y.; Wang, B.; Zhang, D.; Zhang, B.; Hu, S.; Song, H.; Xu, C.; Cai, Y.; Abu-Siada, A. A High-Precision Error Calibration Technique for Current Transformers under the Influence of DC Bias. Energie 2023, 16, 7917. [Google Scholar] [CrossRef]
  5. Djokic, B.V.; Parks, H.; Wise, N.; Naumovic-Vukovic, D.; Skundric, S.P.; Zigic, A.D.; Poluzanski, V. A Comparison of Two Current Transformer Calibration Systems at NRC Canada. IEEE Trans. Instrum. Meas. 2017, 66, 1628–1635. [Google Scholar] [CrossRef]
  6. Stano, E.; Kaczmarek, M. Analytical method to determine the values of current error and phase displacement of inductive current transformers during transformation of distorted currents higher harmonics. Measurement 2022, 200, 111664. [Google Scholar] [CrossRef]
  7. Ballal, M.; Wath, M. LabVIEW-based real-time error compensation system for measurement current transformer using piecewise linearisation. IET Sci. Meas. Technol. 2019, 13, 74–82. [Google Scholar] [CrossRef]
  8. Kovacevic, U.; Milenkovic, V.; Kartalovic, N.; Stojanovic, M.; Vukotic, D. Real time live line high voltage measurement of instrument transformer’s ratio and phase displacement errors. In Proceedings of the 27th International Conference on Electricity Distribution (CIRED 2023), Rome, Italy, 12–15 June 2023; pp. 2299–2303. [Google Scholar]
  9. van den Brom, H.E.; van Leeuwen, R.; Rietveld, G.; Houtzager, E. Voltage Dependence of the Reference System in Medium- and High-Voltage Current Transformer Calibrations. IEEE Trans. Instrum. Meas. 2021, 70, 1502908. [Google Scholar] [CrossRef]
  10. Xu, Y.; Li, Y.; Xiao, X.; Xu, Z.; Hu, H. Monitoring and analysis of electronic current transformer’s field operating errors. Measurement 2017, 112, 117–124. [Google Scholar] [CrossRef]
  11. Hu, H.; Xu, Y.; Wu, X.; Lin, F.; Xiao, X.; Lei, M. Passive-compensation clamp-on two-stage current transformer for online calibration. IET Sci. Meas. Technol. 2021, 15, 730–737. [Google Scholar] [CrossRef]
  12. Teng, J.; Wang, S.; Jiang, L.; Xie, W.; Fang, C.; Liu, S. An online self-correction method to improve accuracy of split-core current transformer in low-voltage distribution networks. Measurement 2022, 195, 111052. [Google Scholar] [CrossRef]
  13. Gupta, P.; Soman, S.A. Three Phase Current Transformer Calibration Without External Reference IT Using Synchrophasors: An SVD Approach. IEEE Trans. Power Syst. 2023, 38, 2111–2119. [Google Scholar] [CrossRef]
  14. D’Avanzo, G.; Delle Femine, A.; Gallo, D.; Landi, C.; Luiso, M. Impact of inductive current transformers on synchrophasor measurement in presence of modulations. Measurement 2020, 155, 107535. [Google Scholar] [CrossRef]
  15. You, H.; Gan, M.; Zhao, C. Impedance Measurement Method for Obtaining the Accuracy of Current Transformers. In Proceedings of the International Conference on Wireless Power Transfer (ICWPT2022), Chongqing, China, 28–31 October 2022; pp. 929–937. [Google Scholar]
  16. Abedini Mohammadi, A.; Pop, A.-C.; Gyselinck, J. An Approach for the BH Curve Identification of Magnetic Core of Synchronous Reluctance Machines. IEEE Trans. Magn. 2021, 57, 8100308. [Google Scholar] [CrossRef]
  17. Zhou, C.; Zhao, J.; Wang, H.; Yan, S. Analysis of Core Loss Characteristics of Linear Phase-Shifting Transformer. Energy Rep. 2023, 9, 702–711. [Google Scholar] [CrossRef]
Figure 1. The equivalent circuit for measuring CT excitation impedance based on Norton’s theorem.
Figure 1. The equivalent circuit for measuring CT excitation impedance based on Norton’s theorem.
Sensors 24 03115 g001
Figure 2. Phasor diagram of CT.
Figure 2. Phasor diagram of CT.
Sensors 24 03115 g002
Figure 3. Configuration diagram of the measurement system.
Figure 3. Configuration diagram of the measurement system.
Sensors 24 03115 g003
Figure 4. The implementation of the measurement system.
Figure 4. The implementation of the measurement system.
Sensors 24 03115 g004
Figure 5. Switch connection to orderly measure the voltages on the two capacitors.
Figure 5. Switch connection to orderly measure the voltages on the two capacitors.
Sensors 24 03115 g005
Figure 6. Measurement results of the voltages of the two capacitors.
Figure 6. Measurement results of the voltages of the two capacitors.
Sensors 24 03115 g006
Figure 7. Measurement results of the voltage difference of the two capacitors.
Figure 7. Measurement results of the voltage difference of the two capacitors.
Sensors 24 03115 g007
Figure 8. System calibration results.
Figure 8. System calibration results.
Sensors 24 03115 g008
Figure 9. Measured and reference values of the excitation reactance.
Figure 9. Measured and reference values of the excitation reactance.
Sensors 24 03115 g009
Figure 10. Measured and reference values of excitation resistance.
Figure 10. Measured and reference values of excitation resistance.
Sensors 24 03115 g010
Figure 11. Relative error of the measured value to the reference value of excitation impedance.
Figure 11. Relative error of the measured value to the reference value of excitation impedance.
Sensors 24 03115 g011
Table 1. An example to present the effect of the iterative revision method.
Table 1. An example to present the effect of the iterative revision method.
Round of the RevisionCalculated Rm (Ω)Relative Error of Rm (%)Calculated Xm (Ω)Relative Error of Xm (%)
0145.4875277−23.757938.47930921−5.089954389
1184.9786893−3.062739.89635446−1.594781727
2186.3426017−2.347940.01671832−1.297901683
3186.8357202−2.089540.03084616−1.263055059
Table 2. Measurement results of the EMF under different currents.
Table 2. Measurement results of the EMF under different currents.
I2 (mA)E2O (mV)E2X/E2OE2R/E2O
100.010425.72260.83510.3763
200.696251.61900.83580.3813
400.7554103.07430.83660.3894
600.8822154.54700.83750.4101
800.4978205.88810.83860.4465
Disclaimer/Publisher’s Note: The statements, opinions and data contained in all publications are solely those of the individual author(s) and contributor(s) and not of MDPI and/or the editor(s). MDPI and/or the editor(s) disclaim responsibility for any injury to people or property resulting from any ideas, methods, instructions or products referred to in the content.

Share and Cite

MDPI and ACS Style

Gan, M.; You, H.; Yuan, J. Online Measurement Method and System of Excitation Impedance of Current Transformers Based on Norton’s Theorem and Differential Method to Measure Difference of Two Currents. Sensors 2024, 24, 3115. https://doi.org/10.3390/s24103115

AMA Style

Gan M, You H, Yuan J. Online Measurement Method and System of Excitation Impedance of Current Transformers Based on Norton’s Theorem and Differential Method to Measure Difference of Two Currents. Sensors. 2024; 24(10):3115. https://doi.org/10.3390/s24103115

Chicago/Turabian Style

Gan, Mengying, Hongsen You, and Jiansheng Yuan. 2024. "Online Measurement Method and System of Excitation Impedance of Current Transformers Based on Norton’s Theorem and Differential Method to Measure Difference of Two Currents" Sensors 24, no. 10: 3115. https://doi.org/10.3390/s24103115

APA Style

Gan, M., You, H., & Yuan, J. (2024). Online Measurement Method and System of Excitation Impedance of Current Transformers Based on Norton’s Theorem and Differential Method to Measure Difference of Two Currents. Sensors, 24(10), 3115. https://doi.org/10.3390/s24103115

Note that from the first issue of 2016, this journal uses article numbers instead of page numbers. See further details here.

Article Metrics

Back to TopTop