0.5-V 281-nW Versatile Mixed-Mode Filter Using Multiple-Input/Output Differential Difference Transconductance Amplifiers
Abstract
1. Introduction
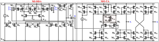
2. Proposed DDTA Circuit with Multiple-Input and Multiple-Output
3. Versatile Mixed-Mode Filter
Non-Ideality Analysis
4. Simulation Results
5. Conclusions
Author Contributions
Funding
Institutional Review Board Statement
Informed Consent Statement
Data Availability Statement
Conflicts of Interest
References
- Wyszynski, A.; Schaumann, R. Using multiple-input transconductors to reduce number of components in OTA-C filter design. Electron. Lett. 1992, 28, 217–220. [Google Scholar] [CrossRef]
- Chiang, D.H.; Schaumann, R. A CMOS fully-balanced continuous-time IFLF filter design for read/write channels. In Proceedings of the 1996 IEEE International Symposium on Circuits and Systems, Circuits and Systems Connecting the World, ISCAS 96, Atlanta, GA, USA, 15 May 1996; Volume 1, pp. 167–170. [Google Scholar] [CrossRef]
- Gopinathan, V.; Tsividis, Y.P.; Tan, K.S.; Hester, R.K. Design considerations for high-frequency continuous-time filters and implementation of an antialiasing filter for digital video. IEEE J. Solid State Circuits 1990, 25, 1368–1378. [Google Scholar] [CrossRef]
- Glinianowicz, J.; Jakusz, J.; Szczepanski, S.; Sun, Y. High-frequency two-input CMOS OTA for continuous-time filter applications. IEEE Proc. Circuits Devices Syst. 2000, 147, 13. [Google Scholar] [CrossRef]
- Sackinger, E.; Guggenbuhl, W. A versatile building block: The CMOS differential difference amplifier. IEEE J. Solid State Circuits 1987, 22, 287–294. [Google Scholar] [CrossRef]
- Huang, S.C.; Ismail, M.; Zarabadi, S.R. A wide range differential difference amplifier: A basic block for analog signal processing in MOS technology. IEEE Trans. Circuits Syst. II Analog. Digit. Signal Process. 1993, 40, 289–301. [Google Scholar] [CrossRef]
- Zarabadi, S.R.; Larsen, F.; Ismail, M. A reconfigurable op-amp/DDA CMOS amplifier architecture. IEEE Trans. Circuits Syst. I Fundam. Theory Appl. 1992, 39, 484–487. [Google Scholar] [CrossRef]
- Czarnul, Z.; Takagi, S.; Fujii, N. Common-mode feedback circuit with differential-difference amplifier. IEEE Trans. Circuits Syst. I Fundam. Theory Appl. 1994, 41, 243–246. [Google Scholar] [CrossRef]
- Duque-Carrillo, J.F.; Torelli, G.; Perez-Aloe, R.; Valverde, J.M.; Maloberti, F. Fully differential basic building blocks based on fully differential difference amplifiers with unity-gain difference feedback. IEEE Trans. Circuits Syst. I Fundam. Theory Appl. 1995, 42, 190–192. [Google Scholar] [CrossRef]
- Chiu, W.; Liu, S.I.; Tsao, H.W.; Chen, J.J. CMOS differential difference current conveyors and their applications. IEEE Proc. Circuits Devices Syst. 1996, 143, 91–96. [Google Scholar] [CrossRef]
- Elwan, H.O.; Soliman, A.M. Novel CMOS differential voltage current conveyor and its applications. IEEE Proc. Circuits Devices Syst. 1997, 144, 195–200. [Google Scholar] [CrossRef]
- Mahmoud, S.A.; Soliman, A.M. The differential difference operational floating amplifier: A new block for analog signal processing in MOS technology. IEEE Trans. Circuits Syst. II Analog. Digit. Signal Process. 1998, 45, 148–158. [Google Scholar] [CrossRef]
- Kumngern, M. CMOS differential difference voltage follower transconductance amplifier. In Proceedings of the 2015 IEEE International Circuits and Systems Symposium (ICSyS), Langkawi, Malaysia, 2–4 September 2015; pp. 133–136. [Google Scholar] [CrossRef]
- Rana, P.; Ranjan, A. Odd- and even-order electronically controlled wave active filter employing differential difference trans-conductance amplifier (DDTA). Int. J. Electron. 2021, 108, 1623–1651. [Google Scholar] [CrossRef]
- Khateb, F.; Kulej, T.; Kumngern, M.; Psychalinos, C. Multiple-Input Bulk-Driven MOS Transistor for Low-Voltage Low-Frequency Applications. Circuits Syst. Signal Process. 2019, 38, 2829–2845. [Google Scholar] [CrossRef]
- Khateb, F.; Kulej, T.; Veldandi, H.; Jaikla, W. Multiple-input bulk-driven quasi-floating-gate MOS transistor for low-voltage low-power integrated circuits. AEU Int. J. Electron. Commun. 2019, 100, 32–38. [Google Scholar] [CrossRef]
- Khateb, F.; Kulej, T.; Kumngern, M.; Jaikla, W.; Ranjan, R.K. Comparative performance study of multiple-input bulk-driven and multiple-input bulk-driven quasi-floating-gate DDCCs. AEU Int. J. Electron. Commun. 2019, 108, 19–28. [Google Scholar] [CrossRef]
- Khateb, F.; Kulej, T.; Akbari, M.; Tang, K.T. A 0.5-V Multiple-Input Bulk-Driven OTA in 0.18-μm CMOS. IEEE Trans. Very Large Scale Integr. Syst. 2022, 30, 1739–1747. [Google Scholar] [CrossRef]
- Khateb, F.; Kumngern, M.; Kulej, T.; Akbari, M.; Stopjakova, V. 0.5 V, nW-Range Universal Filter Based on Multiple-Input Transconductor for Biosignals Processing. Sensors 2022, 22, 8619. [Google Scholar] [CrossRef]
- Khateb, F.; Kumngern, M.; Kulej, T.; Yavari, M. 0.5-V Nano-Power Shadow Sinusoidal Oscillator Using Bulk-Driven Multiple-Input Operational Transconductance Amplifier. Sensors 2023, 23, 2146. [Google Scholar] [CrossRef]
- Khateb, F.; Kumngern, M.; Kulej, T. 0.5-V Nano-Power Voltage-Mode First-Order Universal Filter Based on Multiple-Input OTA. IEEE Access 2023, 11, 49806–49818. [Google Scholar] [CrossRef]
- Kumngern, M.; Khateb, F.; Kulej, T. Extremely low-voltage low-power differential difference current conveyor using multiple-input bulk-driven technique. AEU Int. J. Electron. Commun. 2020, 123, 153310. [Google Scholar] [CrossRef]
- Kumngern, M.; Khateb, F.; Kulej, T. 0.3 V Differential Difference Current Conveyor Using Multiple-Input Bulk-Driven Technique. Circuits Syst. Signal Process. 2020, 39, 3189–3205. [Google Scholar] [CrossRef]
- Khateb, F.; Kumngern, M.; Kulej, T.; Psychalinos, C. 0.5 V Universal Filter Based on Multiple-Input FDDAs. Circuits Syst. Signal Process. 2019, 38, 5896–5907. [Google Scholar] [CrossRef]
- Abuelma’Atti, M.T.; Bentrcia, A.; Al-Shahrani, S.M. A novel mixed-mode current-conveyor-based filter. Int. J. Electron. 2004, 91, 191–197. [Google Scholar] [CrossRef]
- Abuelma’Atti, M.T.; Bentrcia, A. A Novel Mixed-Mode CCII-Based Filter. Act. Passiv. Electron. Components 2004, 27, 197–205. [Google Scholar] [CrossRef]
- Lee, C.-N.; Chang, C.-M. Single FDCCII-based mixed-mode biquad filter with eight outputs. AEU Int. J. Electron. Commun. 2008, 63, 736–742. [Google Scholar] [CrossRef]
- Minaei, S.; Ibrahim, M.A. A mixed-mode KHN-biquad using DVCC and grounded passive elements suitable for direct cascading. Int. J. Circuit Theory Appl. 2008, 37, 793–810. [Google Scholar] [CrossRef]
- Lee, C.-N. Fully Cascadable Mixed-Mode Universal Filter Biquad Using DDCCs and Grounded Passive Components. J. Circuits Syst. Comput. 2011, 20, 607–620. [Google Scholar] [CrossRef]
- Liao, W.B.; Gu, J.C. SIMO type universal mixed-mode biquadratic filter. Indian J. Eng. Mater. Sci. 2011, 18, 443–448. [Google Scholar]
- Ghosh, K.; Ray, B.N. CCII-Based Nth-Order Mixed Mode Elliptic Filter with Grounded R and C. J. Circuits Syst. Comput. 2015, 24, 1550035. [Google Scholar] [CrossRef]
- Lee, C.-N. Independently tunable mixed-mode universal biquad filter with versatile input/output functions. AEU Int. J. Electron. Commun. 2016, 70, 1006–1019. [Google Scholar] [CrossRef]
- Lee, C.-N. Mixed-Mode Universal Biquadratic Filter with No Need of Matching Conditions. J. Circuits Syst. Comput. 2016, 25, 1650106. [Google Scholar] [CrossRef]
- Tsukutani, T.; Kinugasa, Y.; Yabuki, N. A novel mixed-mode universal biquad employing plus current output DVCCs. Adv. Sci. Technol. Eng. Syst. J. 2018, 3, 236–240. [Google Scholar] [CrossRef][Green Version]
- Singh, V.K.; Singh, A.K.; Bhaskar, D.R.; Senani, R. Novel mixed-mode universal biquad configuration. IEICE Electron. Express 2005, 2, 548–553. [Google Scholar] [CrossRef]
- Pandey, N.; Paul, S.K.; Bhattacharyya, A.; Jain, S.B. A new mixed mode biquad using reduced number of active and passive elements. IEICE Electron. Express 2006, 3, 115–121. [Google Scholar] [CrossRef]
- Yuce, E. Fully integrable mixed-mode universal biquad with specific application of the CFOA. AEU Int. J. Electron. Commun. 2010, 64, 304–309. [Google Scholar] [CrossRef]
- Shah, N.A.; Malik, M.A. Multifunction mixed-mode filter using FTFNs. Analog. Integr. Circuits Signal Process. 2006, 47, 339–343. [Google Scholar] [CrossRef]
- Abuelma’Atti, M.T. A Novel Mixed-Mode Current-Controlled Current-Conveyor-Based Filter. Act. Passiv. Electron. Components 2003, 26, 185–191. [Google Scholar] [CrossRef]
- Zhijun, L. Mixed-mode universal filter using MCCCII. AEU Int. J. Electron. Commun. 2009, 63, 1072–1075. [Google Scholar] [CrossRef]
- Pandey, N.; Paul, S.K. Mixed Mode Universal Filter. J. Circuits Syst. Comput. 2013, 22, 1250064. [Google Scholar] [CrossRef]
- Agrawal, D.; Maheshwari, S. High-Performance Electronically Tunable Analog Filter Using a Single EX-CCCII. Circuits Syst. Signal Process. 2021, 40, 1127–1151. [Google Scholar] [CrossRef]
- Maheshwari, S.; Singh, S.V.; Chauhan, D.S. Electronically tunable low-voltage mixed-mode universal biquad filter. IET Circuits Devices Syst. 2011, 5, 149–158. [Google Scholar] [CrossRef]
- Faseehuddin, M.; Albrni, M.A.; Herencsar, N.; Sampe, J.; Ali, S.H.M. Novel Electronically Tunable Biquadratic Mixed- Mode Universal Filter Capable of Operating in MISO and SIMO Configurations. Inf. MIDEM 2020, 50, 189–204. [Google Scholar] [CrossRef]
- Singh, S.V.; Tomar, R.S.; Goswami, M. A Current Tunable Mixed Mode ZC-CCTAs Based Resistor Less Universal Filter. J. Circuits Syst. Comput. 2021, 30, 2150225. [Google Scholar] [CrossRef]
- Chen, H.-P.; Yang, W.S. Electronically Tunable Current Controlled Current Conveyor Transconductance Amplifier-Based Mixed-Mode Biquadratic Filter with Resistorless and Grounded Capacitors. Appl. Sci. 2017, 7, 244. [Google Scholar] [CrossRef]
- Yesil, A.; Kacar, F. Electronically tunable resistorless mixed-mode biquad filters. Radioengineering 2013, 22, 1016–1125. [Google Scholar]
- Faseehuddin, M.; Herencsar, N.; Albrni, M.A.; Shireen, S.; Sampe, J. Electronically tunable mixed mode universal filter employing grounded capacitors utilizing highly versatile VD-DVCC. Circuit World 2022, 48, 511–528. [Google Scholar] [CrossRef]
- Mishra, R.; Mishra, G.R.; Mishra, S.O.; Faseehuddin, M. Electronically Tunable Mixed Mode Universal Filter Employing Grounded Passive Components. Inf. MIDEM J. Microelectron. Electron. Components Mater. 2022, 52, 105–115. [Google Scholar] [CrossRef]
- Roongmuanpha, N.; Faseehuddin, M.; Herencsar, N.; Tangsrirat, W. Tunable Mixed-Mode Voltage Differencing Buffered Amplifier-Based Universal Filter with Independently High-Q Factor Controllability. Appl. Sci. 2021, 11, 9606. [Google Scholar] [CrossRef]
- Faseehuddin, M.; Herencsar, N.; Shireen, S.; Tangsrirat, W.; Ali, S.H.M. Voltage Differencing Buffered Amplifier-Based Novel Truly Mixed-Mode Biquadratic Universal Filter with Versatile Input/Output Features. Appl. Sci. 2022, 12, 1229. [Google Scholar] [CrossRef]
- Abuelma’Atti, M.T.; Bentrcia, A. A novel mixed-mode OTA-C universal filter. Int. J. Electron. 2005, 92, 375–383. [Google Scholar] [CrossRef]
- Bhaskar, D.R.; Singh, A.K.; Sharma, R.K.; Senani, R. New OTA-C universal current-mode/trans-admittance biquads. IEICE Electron. Express 2005, 2, 8–13. [Google Scholar] [CrossRef][Green Version]
- Chen, H.-P.; Liao, Y.-Z.; Lee, W.-T. Tunable mixed-mode OTA-C universal filter. Analog. Integr. Circuits Signal Process. 2008, 58, 135–141. [Google Scholar] [CrossRef]
- Lee, C.-N. Multiple-Mode OTA-C Universal Biquad Filters. Circuits Syst. Signal Process. 2009, 29, 263–274. [Google Scholar] [CrossRef]
- Zanjani, S.M.A.; Dousti, M.; Dolatshahi, M. Inverter-based, low-power and low-voltage, new mixed-mode Gm-C filter in subthreshold CNTFET technology. IET Circuits Devices Syst. 2018, 12, 681–688. [Google Scholar] [CrossRef]
- Parvizi, M.; Taghizadeh, A.; Mahmoodian, H.; Kozehkanani, Z.D. A Low-Power Mixed-Mode SIMO Universal Gm–C Filter. J. Circuits Syst. Comput. 2017, 26, 1750164. [Google Scholar] [CrossRef]
- Parvizi, M. Design of a new low power MISO multi-mode universal biquad OTA-C filter. Int. J. Electron. 2019, 106, 440–454. [Google Scholar] [CrossRef]
- Bhaskar, D.R.; Raj, A.; Kumar, P. Mixed-Mode Universal Biquad Filter Using OTAs. J. Circuits Syst. Comput. 2020, 29, 2050162. [Google Scholar] [CrossRef]
- Namdari, A.; Dolatshahi, M. Design of a low-voltage and low-power, reconfigurable universal OTA-C filter. Analog. Integr. Circuits Signal Process. 2022, 111, 169–188. [Google Scholar] [CrossRef]
- Kumngern, M.; Suksaibul, P.; Khateb, F.; Kulej, T. 1.2 V Differential Difference Transconductance Amplifier and Its Application in Mixed-Mode Universal Filter. Sensors 2022, 22, 3535. [Google Scholar] [CrossRef]
- Kumngern, M.; Khateb, F.; Kulej, T. 0.5 V Universal Filter and Quadrature Oscillator Based on Multiple-Input DDTA. IEEE Access 2023, 11, 9957–9966. [Google Scholar] [CrossRef]
- Khateb, F.; Kumngern, M.; Kulej, T.; Biolek, D. 0.5 V Differential Difference Transconductance Amplifier and Its Application in Voltage-Mode Universal Filter. IEEE Access 2022, 10, 43209–43220. [Google Scholar] [CrossRef]
- Khateb, F.; Kumngern, M.; Kulej, T.; Biolek, D. 0.3-Volt Rail-to-Rail DDTA and Its Application in a Universal Filter and Quadrature Oscillator. Sensors 2022, 22, 2655. [Google Scholar] [CrossRef] [PubMed]
- Kulej, T.; Kumngern, M.; Khateb, F.; Arbet, D. 0.5 V Versatile Voltage- and Transconductance-Mode Analog Filter Using Differential Difference Transconductance Amplifier. Sensors 2023, 23, 688. [Google Scholar] [CrossRef] [PubMed]
- Khateb, F.; Kumngern, M.; Kulej, T.; Ranjan, R.K. 0.5 V Multiple-Input Multiple-Output Differential Difference Transconductance Amplifier and Its Applications to Shadow Filter and Oscillator. IEEE Access 2023, 11, 31212–31227. [Google Scholar] [CrossRef]
- Kumngern, M.; Khateb, F.; Kulej, T.; Steffan, P. 0.3-V Voltage-Mode Versatile First-Order Analog Filter Using Multiple-Input DDTAs. Sensors 2023, 23, 5945. [Google Scholar] [CrossRef]
- Kumngern, M.; Suksaibul, P.; Khateb, F.; Kulej, T. Electronically Tunable Universal Filter and Quadrature Oscillator Using Low-Voltage Differential Difference Transconductance Amplifiers. IEEE Access 2022, 10, 68965–68980. [Google Scholar] [CrossRef]
- Kulej, T. 0.5-V bulk-driven CMOS operational amplifier. IET Circuits Devices Syst. 2013, 7, 352–360. [Google Scholar] [CrossRef]
- Kulej, T. 0.4-V Bulk-Driven Operational Amplifier with Improved Input Stage. Circuits Syst. Signal Process. 2015, 34, 1167–1185. [Google Scholar] [CrossRef]
- Kulej, T.; Khateb, F. 0.4-V bulk-driven differential-difference amplifier. Microelectron. J. 2015, 46, 362–369. [Google Scholar] [CrossRef]
- Krummenacher, F.; Joehl, N. A 4-MHz CMOS continuous-time filter with on-chip automatic tuning. IEEE J. Solid State Circuits 1988, 23, 750–758. [Google Scholar] [CrossRef]













| Operation Mode | Filtering Function | Input | Output | |
|---|---|---|---|---|
| VM | LP | Non-inverting | ||
| Inverting | ||||
| Non-inverting | ||||
| Inverting | ||||
| Non-inverting | ||||
| Inverting | ||||
| Differential | ||||
| BP | Non-inverting | |||
| Inverting | ||||
| Non-inverting | ||||
| Inverting | ||||
| Non-inverting | ||||
| Inverting | ||||
| Differential | ||||
| HP | Non-inverting | |||
| Inverting | ||||
| Non-inverting | ||||
| Inverting | ||||
| Non-inverting | ||||
| Inverting | ||||
| Differential | ||||
| BS | Non-inverting | |||
| Inverting | ||||
| Non-inverting | ||||
| Inverting | ||||
| Differential | ||||
| AP | Non-inverting | |||
| Inverting | ||||
| Non-inverting | ||||
| Inverting | ||||
| Differential | ||||
| CM | LP | Non-inverting | ||
| Inverting | ||||
| BP | Non-inverting | |||
| Inverting | ||||
| HP | Non-inverting | |||
| Inverting | ||||
| BS | Non-inverting | |||
| Inverting | ||||
| AP | Non-inverting | |||
| Inverting | ||||
| TAM | LP | Non-inverting | ||
| Inverting | ||||
| Differential | ||||
| BP | Non-inverting | |||
| Inverting | ||||
| Differential | ||||
| HP | Non-inverting | |||
| Inverting | ||||
| Differential | ||||
| BS | Non-inverting | |||
| Inverting | ||||
| Differential | ||||
| AP | Non-inverting | |||
| Inverting | ||||
| Differential | ||||
| TIM | LP | Non-inverting | ||
| BP | Inverting | |||
| HP | Non-inverting | |||
| BS | Non-inverting | |||
| AP | Non-inverting | |||
| MI-DDA | W/L (µm/µm) |
| M1A, M2A, M1B, M2B M14, M15 | 16/3 |
| M3–M8, M11–M12, MB | 8/3 |
| M9, M10 | 4/3 |
| M16 | 6 × 16/3 |
| M13 | 6 × 8/3 |
| MR | 4/5 |
| MIM capacitor: CB = 0.5 pF, Cc = 6 pF | |
| MO-TA | W/L (µm/µm) |
| M1, M2 | 2 × 15/1 |
| M3–M6, M14–M16 | 2 × 10/1 |
| M3c–M6c, M14c–M16c | 10/1 |
| M7–M10, M17–M19, M13 | 2 × 15/1 |
| M7c–M10c, M17c–M19c, M13c, M11, M12 | 15/1 |
| Factor | Proposed | [29] | [32] | [45] | [51] | [59] | [60] | [61] |
|---|---|---|---|---|---|---|---|---|
| Number of active devices | 4-DDTA | 3-DDCC | 1-FDCCII, 1-DDCC | 2-VDBA | 3-VDBA | 5-OTA | 8-OTA | 5-DDTA |
| Realization | 0.18 µm CMOS | 0.25 µm CMOS | 0.18 µm CMOS | 0.18 µm CMOS | 0.18 µm CMOS | 0.18 µm CMOS | 0.18 µm CMOS | 0.18 µm CMOS |
| Number of passive devices | 2-C | 2-C, 3-R | 2-C, 6-R | 2-C, 2-R | 2-C, 1-R | 2-C | 2-C | 2-C |
| Type of filter | MIMO | MISO | MIMO | MIMO | MIMO | MISO | MIMO | MIMO |
| Total number of offered responses | 61 | 30 | 36 | 17 | 20 | 20 | 20 | 36 |
| Each mode offers five standard responses | Yes | Yes | Yes | No | Yes | Yes | Yes | Yes |
| Orthogonal control of and | Yes | Yes | Yes | Yes | Yes | Yes | Yes | Yes |
| Electronic control of | Yes | No | No | Yes | Yes | Yes | Yes | Yes |
| All passive devices grounded | Yes | Yes | No | No | No | Yes | Yes | Yes |
| High input impedances for VM | Yes | Yes | No | No | No | Yes | Yes | Yes |
| No need for input matching conditions | Yes | Yes | Yes | Yes | No | Yes | Yes | Yes |
| No need for inverting input conditions | Yes | Yes | Yes | Yes | Yes | Yes | Yes | Yes |
| Power supply (V) | 0.5 | ±1.25 | ±0.9 | ±0.75 | ±1.25 | ±0.9 | ±0.3 | 1.2 |
| Power dissipation (mW) | 0.281 × 10−3 | - | - | 0.373 | 5.482 | 0.1773 | 0.00577 | 0.33 |
| Natural frequency (kHz) | 0.211 | 3.315 × 103 | 1.591 × 103 | 1.44 × 103 | 16.32 × 103 | 3.39 × 103 | 5 | 1.04 |
| Total harmonic distortion (%) | 1@300 mVpp (LPF) | 0.723@60 µApp | 2.2@300 mVpp | 2.2@200 mVpp | <4@350 mVpp (HPF) | - | 2@120 mVpp (LPF) | 1.09@650 mVpp |
| Dynamic range (dB) | 58.23 | - | - | - | - | - | 53.2 | - |
| Verification of result | Sim | Sim | Sim | Sim/Exp | Sim/Exp | Sim | Sim | Sim/Exp |
Disclaimer/Publisher’s Note: The statements, opinions and data contained in all publications are solely those of the individual author(s) and contributor(s) and not of MDPI and/or the editor(s). MDPI and/or the editor(s) disclaim responsibility for any injury to people or property resulting from any ideas, methods, instructions or products referred to in the content. |
© 2023 by the authors. Licensee MDPI, Basel, Switzerland. This article is an open access article distributed under the terms and conditions of the Creative Commons Attribution (CC BY) license (https://creativecommons.org/licenses/by/4.0/).
Share and Cite
Khateb, F.; Kumngern, M.; Kulej, T. 0.5-V 281-nW Versatile Mixed-Mode Filter Using Multiple-Input/Output Differential Difference Transconductance Amplifiers. Sensors 2024, 24, 32. https://doi.org/10.3390/s24010032
Khateb F, Kumngern M, Kulej T. 0.5-V 281-nW Versatile Mixed-Mode Filter Using Multiple-Input/Output Differential Difference Transconductance Amplifiers. Sensors. 2024; 24(1):32. https://doi.org/10.3390/s24010032
Chicago/Turabian StyleKhateb, Fabian, Montree Kumngern, and Tomasz Kulej. 2024. "0.5-V 281-nW Versatile Mixed-Mode Filter Using Multiple-Input/Output Differential Difference Transconductance Amplifiers" Sensors 24, no. 1: 32. https://doi.org/10.3390/s24010032
APA StyleKhateb, F., Kumngern, M., & Kulej, T. (2024). 0.5-V 281-nW Versatile Mixed-Mode Filter Using Multiple-Input/Output Differential Difference Transconductance Amplifiers. Sensors, 24(1), 32. https://doi.org/10.3390/s24010032

