Relative Permittivity Measurement of Microliter Volume Liquid Samples through Microwave Filters
Abstract
1. Introduction
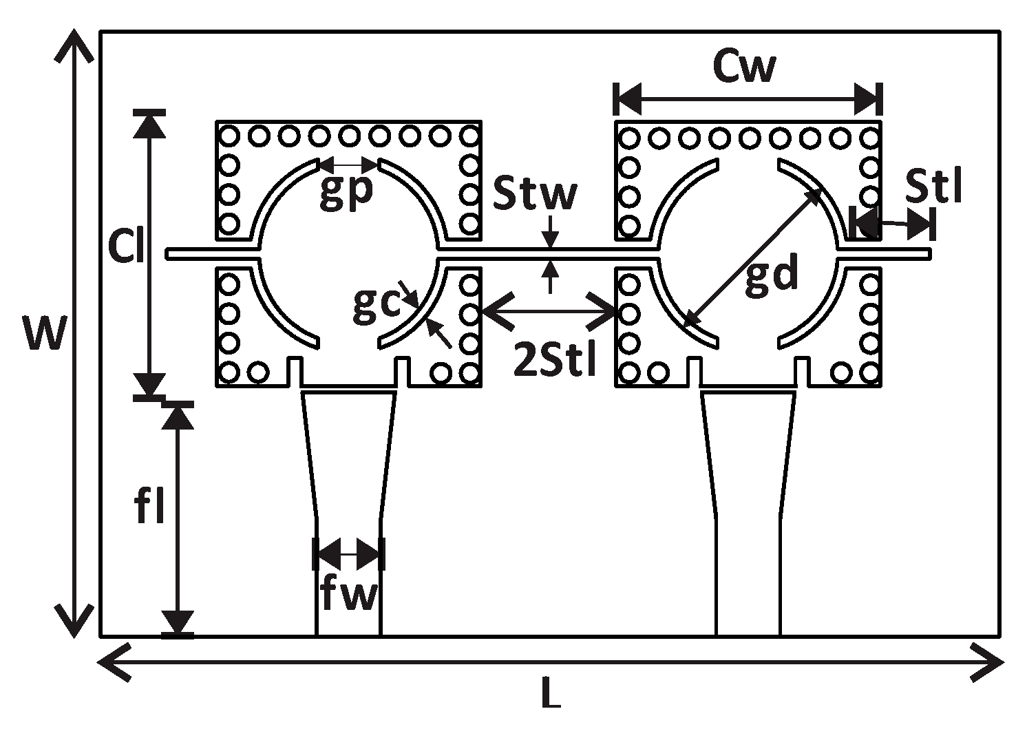
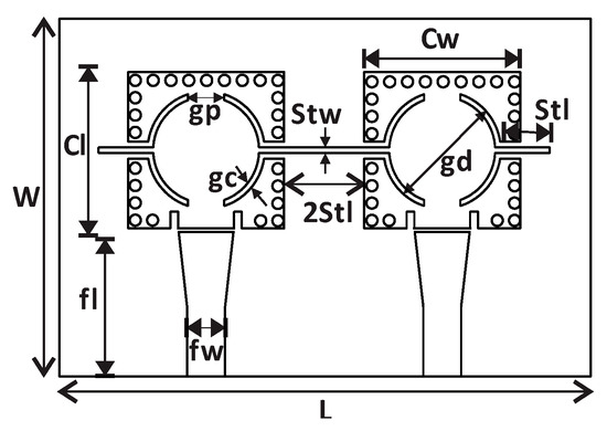
2. Geometry of SIW Filter
3. Liquid Characterization Procedure
3.1. Sensitivity Analysis
3.2. Sample Preparation
3.3. Sensor Calibration
3.4. Characterizing Unknown Samples
4. Measured Results and Comparison
5. Conclusions
Author Contributions
Funding
Conflicts of Interest
References
- Drude, P. Eine bequeme Methode zur Demonstration des electrischen Brechungsexponenten von Flüssigkeiten. Ann. Phys. 1895, 291, 633–655. [Google Scholar] [CrossRef]
- Works, C.N. Resonant cavities for dielectric measurements. J. Appl. Phys. 1947, 18, 605–612. [Google Scholar] [CrossRef]
- Piekarz, I.; Gruszczynski, S.; Wincza, K.; Sorocki, J. Reconfigurable dual type sensor for resonant and broadband liquid materials characterization. In Proceedings of the 52nd European Microwave Conference (EuMC), Milan, Italy, 27–29 September 2022; pp. 804–807. [Google Scholar] [CrossRef]
- Saeed, K.; Shafique, M.F.; Byrne, M.; Hunter, I.C. Planar Microwave Sensors for Complex Permittivity Characterization of Materials and Their Applications. In Applied Measurement Systems; Haq, M.Z., Ed.; Intechopen: Rijeka, Croatia, 2012; ISBN 978-953-51-0103-1. [Google Scholar]
- Lin, X.; Zhang, D.; Yu, S.; Wang, C.; Yang, X.; Wang, Y. A dual band resonator sensor for low permittivity characterization. IEEE Trans. Instrum. Meas. 2022, 71, 8006511. [Google Scholar] [CrossRef]
- Abdolrazzaghi, M.; Nayyeri, V.; Martin, F. Techniques to improve the performance of planar microwave sensors: A review and recent development. Sensors 2022, 22, 6946. [Google Scholar] [CrossRef]
- Shahzad, W.; Hu, W.; Ali, Q.; Raza, H.; Abbas, S.M.; Ligthart, L.P. A low-cost metamaterial sensor based on DS-CSRR. Sensors 2022, 22, 2000. [Google Scholar] [CrossRef]
- Yasin, A.; Shafique, M.F.; Amin, S.; Khan, M.A. Rapid characterization of powder mixtures through high Q dielectric resonator. ECS J. Solid State Sci. Tech. 2019, 8, N13–N19. [Google Scholar] [CrossRef]
- Hussain, M.A.; Jha, A.K.; Akhter, Z.; Akhtar, M.J. Multi-band RF planar sensor using complementary split ring resonator for testing of dielectric materials. IEEE Sens. 2018, 18, 6596–6606. [Google Scholar] [CrossRef]
- More, Z.O.R.; Morales, H.L.; Pervez, R.A.C.; Monroy, L.M. Complex dielectric permittivity of rum and its mixtures with methanol, ethanol, and water at frequencies up to 15 GHz. J. Microw. Power Electromagn. Energy 2018, 52, 16–30. [Google Scholar] [CrossRef]
- Xu, Z.; Wang, Y.; Fang, S. Dielectric Characterization of Liquid Mixtures Using EIT-like Transmission Window. IEEE Sens. 2021, 21, 17859–17867. [Google Scholar] [CrossRef]
- Vélez, P.; Su, L.; Grenier, K.; Contreras, J.M.; Dubuc, D.; Martín, F. Microwave Microfluidic Sensor Based on a Microstrip Splitter/Combiner Configuration and Split Ring Resonators (SRRs) for Dielectric Characterization of Liquids. IEEE Sens. 2017, 17, 6589–6598. [Google Scholar] [CrossRef]
- Ebrahimi, A.; Scott, J.; Ghorbani, K. Ultrahigh-Sensitivity Microwave Sensor for Microfluidic Complex Permittivity Measurement. IEEE Trans. Microw. Theory Tech. 2019, 67, 4269–42777. [Google Scholar] [CrossRef]
- Kanpan, P.; Khansalee, E.; Puangngemmak, N.; Chalermwisutkul, S. TM010 mode cylindrical cavity for complex permittivity measurement of liquid using field analysis technique. In Proceedings of the 9th International Conference on Electrical Engineering/Electronics, Computer, Telecommunications and Information Technology, Phetchaburi, Thailand, 16–18 May 2012; pp. 1–4. [Google Scholar] [CrossRef]
- Yasin, A.; Rehman, F.; Naeem, U.; Khan, S.A.; Shafique, M.F. Top loaded TM01δ mode cylindrical dielectric resonator for complex permittivity characterization of liquids. Radioengineering 2016, 25, 714–720. [Google Scholar] [CrossRef]
- Rowe, D.J.; Al-Maliki, S.; Abduljabar, A.A.; Porch, A.; Barrow, D.A.; Allender, C.J. Improved Split Ring Resonator for Microfluidic Sensing. IEEE Trans. Microw. Theory Tech. 2014, 62, 689–699. [Google Scholar] [CrossRef]
- Omer, A.E.; Shaker, G.; Safavi-Naeini, S.; Kokabi, H.; Alquié, G.; Deshours, F.; Shubair, R.M. Low-cost portable microwave sensor for non-invasive monitoring of blood glucose level: Novel design utilizing a four-cell CSRR hexagonal configuration. Sci. Rep. 2020, 10, 15200. [Google Scholar] [CrossRef]
- Chuma, E.L.; Iano, Y.; Fontgalland, G.; Roger, L.L.B.; Loschi, H. PCB integrated non-destructive microwave sensor for liquid dielectric spectroscopy based on planar metamaterial resonator. Sens. Actuators A Phys. 2020, 312, 112112. [Google Scholar] [CrossRef]
- Ye, W.; Wang, D.-W.; Wang, J.; Wang, G.; Zhao, W.S. An Improved Split-Ring Resonator-Based Sensor for Microfluidic Applications. Sensors 2022, 22, 8534. [Google Scholar] [CrossRef]
- Fan, L.C.; Zhao, W.S.; Wang, D.W.; Liu, Q.; Chen, S.; Wang, G. An Ultrahigh Sensitivity Microwave Sensor for Microfluidic Applications. IEEE Microw. Wirel. Compon. Lett. 2020, 30, 1201–1204. [Google Scholar] [CrossRef]
- Liu, W.; Sun, H.; Xu, L. A Microwave Method for Dielectric Characterization Measurement of Small Liquids Using a Metamaterial-Based Sensor. Sensors 2018, 18, 1438. [Google Scholar] [CrossRef]
- Song, Q.R.; Lee, C.S.; Wang, Z.Q.; Li, G.F. Planar resonator sensor for chatacterization dielctric properties of liquids at single frequency. In Proceedings of the Cross Strait Radio Science & Wireless Technology Conference (CSRSWTC), Fuzhou, China, 13–16 December 2020; pp. 1–3. [Google Scholar] [CrossRef]
- Saeed, K.; Guyette, A.C.; Pollard, R.D.; Hunter, I.C. Microstrip resonator technique for measuring dielectric permittivity of liquid solvents and for solution sensing. In Proceedings of the International Microwave Symposium Digest, Honolulu, HI, USA, 3–8 June 2007; pp. 1185–1188. [Google Scholar] [CrossRef]
- Liu, C.; Pu, Y. A microstrip resonator with slotted ground plane for complex permittivity measurements of liquids. IEEE Microw. Wirel. Compon. Lett. 2008, 18, 257–259. [Google Scholar] [CrossRef]
- Saeed, K.; Pollard, R.D.; Hunter, I.C. Substrate integrated waveguide cavity resonators for complex permittivity characterization of materials. IEEE Trans. Microw. Theory Tech. 2008, 56, 2340–2347. [Google Scholar] [CrossRef]
- Liu, C.; Tong, F. An SIW Resonator Sensor for Liquid Permittivity Measurements at C Band. IEEE Microw. Wirel. Compon. Lett. 2015, 25, 751–753. [Google Scholar] [CrossRef]
- Siabah, F.Z.; Grine, F.; Benhabiles, M.T.; Riab, M.L. Sixteenth-Mode Substrate-Integrated-Waveguide (SMSIW) Resonator for Dielectric Characterization of Liquid Mixtures. J. Microw. Optoelectron. Electromagn. Appl. 2020, 19, 129–136. [Google Scholar] [CrossRef]
- Riaz, L.; Naeem, U.; Shafique, M.F. Miniaturization of SIW cavity filters through stub loading. IEEE Microw. Wirel. Compon. Lett. 2016, 26, 981–983. [Google Scholar] [CrossRef]
- Hong, J.S.; Lancaster, M.J. Microstrip Filters for RF/Microwave Applications; John Wiley & Sons: New York, NY, USA, 2001. [Google Scholar]
- Cameron, R.J.; Kudsia, C.M.; Mansour, R.R. Microwave Filters for Communication Systems: Fundamentals, Design, and Applications, 2nd ed.; John Wiley & Sons: New York, NY, USA, 2018. [Google Scholar]
- Gregory, A.P.; Clarke, R.N. Tables of the Complex Permittivity of Dielectric Reference Liquids at Frequencies up to 5 GHz; NPL Report MAT 23; National Physical Laboratory: Teddington, UK, 2012. [Google Scholar]
- Buckley, F.; Maryott, A.A. Tables of Dielectric Dispersion Data for Pure Liquids and Dilute Solutions; U.S. Department of Commerce, National Bureau of Standards: Gaithersburg, MD, USA, 1958.
- Zarubina, A.Y.; Kibets, S.G.; Politiko, A.A.; Semenenko, V.N.; Baskov, K.M.; Chistyaev, V.A. Complex permittivity of organic solvents at microwave frequencies. In Proceedings of the IOP Conference Series: Materials Science and Engineering, Krasnoyarsk, Russia, 16–18 April 2020. [Google Scholar] [CrossRef]
- Steeman, P.A.M.; Maurer, F.H.J. An interlayer model for the complex dielectric constant of composites. Colloid Polym. Sci. 1990, 268, 315–325. [Google Scholar] [CrossRef]
- Tuncer, E.; Gubanski, S.M.; Nettelblad, B. Dielectric relaxation in dielectric mixtures: Application of the finite element method and its comparison with dielectric mixture formulas. J. Appl. Phys. 2001, 89, 8092–8100. [Google Scholar] [CrossRef]
- Wei, Z.; Huang, J.; Li, J.; Xu, G.; Ju, Z.; Liu, X.; Ni, X. A High-Sensitivity Microfluidic Sensor Based on a Substrate Integrated Waveguide Re-Entrant Cavity for Complex Permittivity Measurement of Liquids. Sensors 2018, 18, 4005. [Google Scholar] [CrossRef]
- Shimizu, Y.; Ishii, N.; Nagaoka, T. Verification of Liquid Dielectric Property Measurement by a Two- Antenna Method at Frequencies over 4 GHz. In Proceedings of the Asia Pacific Microwave Conference, Yokohama, Japan, 29 November–2 December 2022. [Google Scholar] [CrossRef]
- Kaatze, U. Complex Permittivity of Water as a Function of Frequency and Temperature. J. Chem. Eng. Data 1989, 34, 371–374. [Google Scholar] [CrossRef]











| Volume Fraction (q) | Relative Permittivity (εr′) | ||
|---|---|---|---|
| Mixture Model [35] | Proposed Sensor | Error (%) | |
| 0.1 | 6.47 | 6.91 | 6.8 |
| 0.2 | 8.15 | 8.00 | 1.84 |
| 0.3 | 10.19 | 9.92 | 2.65 |
| 0.4 | 12.73 | 12.41 | 2.51 |
| 0.5 | 15.99 | 15.72 | 1.68 |
| 0.6 | 20.31 | 20.12 | 0.93 |
| 0.7 | 26.27 | 25.87 | 1.52 |
| Sensor Type | Profile | LUT Mounting | Frequency (GHz) | Worst Case Error (%) | Merits/Demerits | |
|---|---|---|---|---|---|---|
| [14] | Cylindrical cavity resonator | Non-Planar | Inside cavity | 3 | 8 | Large form factor and not integrable to a single board solution |
| [15] | Dielectric resonator | Non-Planar | Atop dielectric resonator with capillary tube | 10.5 | 7.84 | Large form factor and not integrable to a single board solution |
| [16] | Wired Split-Ring Resonator | Non planar | Between SRR coupling section with capillary tube | 3 | 5.12 | Large cavity-based structure and not integrable to a single board solution |
| [18] | CSRR backed microstrip | Planar | Inside substrate hole with capillary | 2.4 | 8.38 | Planar design but hard to manufacture, sensor deterioration |
| [19] | Interdigitated SRR | Planar | Inside a PDMS microfluidic channel | 1.49 | 8.03 | Planar, extra PDMS microfluidic channel is required for LUT testing |
| [20] | CSRR backed microstrip | Planar | Inside a PDMS microfluidic channel | 2.2 | 10 | Planar, extra PDMS microfluidic channel is required for LUT testing |
| [21] | Double SRR | Planar | Held in a plastic pipe segment | 1.9 | 8.7 | LUT holder is non disposable and requires thorough cleaning before every measurement |
| [22] | Microstrip open split-ring resonator | Planar | In a container atop the sensor | 0.7 | 11.25 | Uses impedance network, large error, a large sample size required |
| [23] | Microstrip square-ring resonator | Planar | On resonator with capillary tube | 1, 2, 3 | 13.18 | Compact design but has a large error and is less accurate |
| [24] | Microstrip resonator with a slot in the ground | Planar | Immersion in liquid | 2.2–2.6 | 4.4 | Not integrable to a single board solution, needs to be submerged in the LUT, a large sample size required |
| [25] | SIW cavity resonator | Planar | Inside cavity | 8 | ±0.5 | Highly accurate but difficult sample mounting. |
| This work | SIW filter | Planar | On resonator with capillary tube | 4.8–5.3 | 6.8 | Good accuracy, sample mounting, extremely repeatable in same environmental conditions and integrable to a single board, no deterioration, microliter sample volume is sufficient |
Disclaimer/Publisher’s Note: The statements, opinions and data contained in all publications are solely those of the individual author(s) and contributor(s) and not of MDPI and/or the editor(s). MDPI and/or the editor(s) disclaim responsibility for any injury to people or property resulting from any ideas, methods, instructions or products referred to in the content. |
© 2023 by the authors. Licensee MDPI, Basel, Switzerland. This article is an open access article distributed under the terms and conditions of the Creative Commons Attribution (CC BY) license (https://creativecommons.org/licenses/by/4.0/).
Share and Cite
Yasin, A.; Gogosh, N.; Sohail, S.I.; Abbas, S.M.; Shafique, M.F.; Mahmoud, A. Relative Permittivity Measurement of Microliter Volume Liquid Samples through Microwave Filters. Sensors 2023, 23, 2884. https://doi.org/10.3390/s23062884
Yasin A, Gogosh N, Sohail SI, Abbas SM, Shafique MF, Mahmoud A. Relative Permittivity Measurement of Microliter Volume Liquid Samples through Microwave Filters. Sensors. 2023; 23(6):2884. https://doi.org/10.3390/s23062884
Chicago/Turabian StyleYasin, Azhar, Nayab Gogosh, Syed Irfan Sohail, Syed Muzahir Abbas, Muhammad Farhan Shafique, and Abdelhady Mahmoud. 2023. "Relative Permittivity Measurement of Microliter Volume Liquid Samples through Microwave Filters" Sensors 23, no. 6: 2884. https://doi.org/10.3390/s23062884
APA StyleYasin, A., Gogosh, N., Sohail, S. I., Abbas, S. M., Shafique, M. F., & Mahmoud, A. (2023). Relative Permittivity Measurement of Microliter Volume Liquid Samples through Microwave Filters. Sensors, 23(6), 2884. https://doi.org/10.3390/s23062884

