Design of a 0.5 V Chopper-Stabilized Differential Difference Amplifier for Analog Signal Processing Applications
Abstract
:1. Introduction
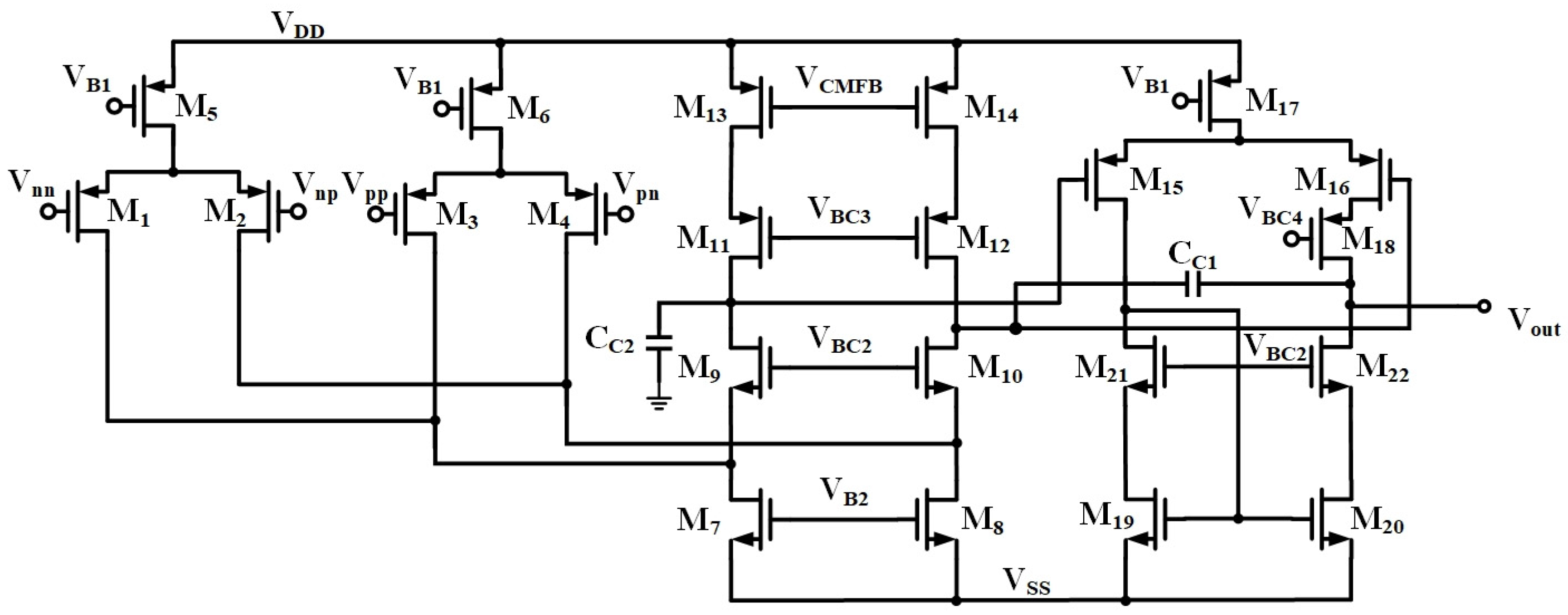
2. Review of Low-Voltage DDA Design
3. Proposed Low-Voltage Chopper-Stabilized DDA Design
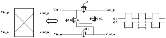
3.1. Chopper-Stabilized DDA Operation Principle
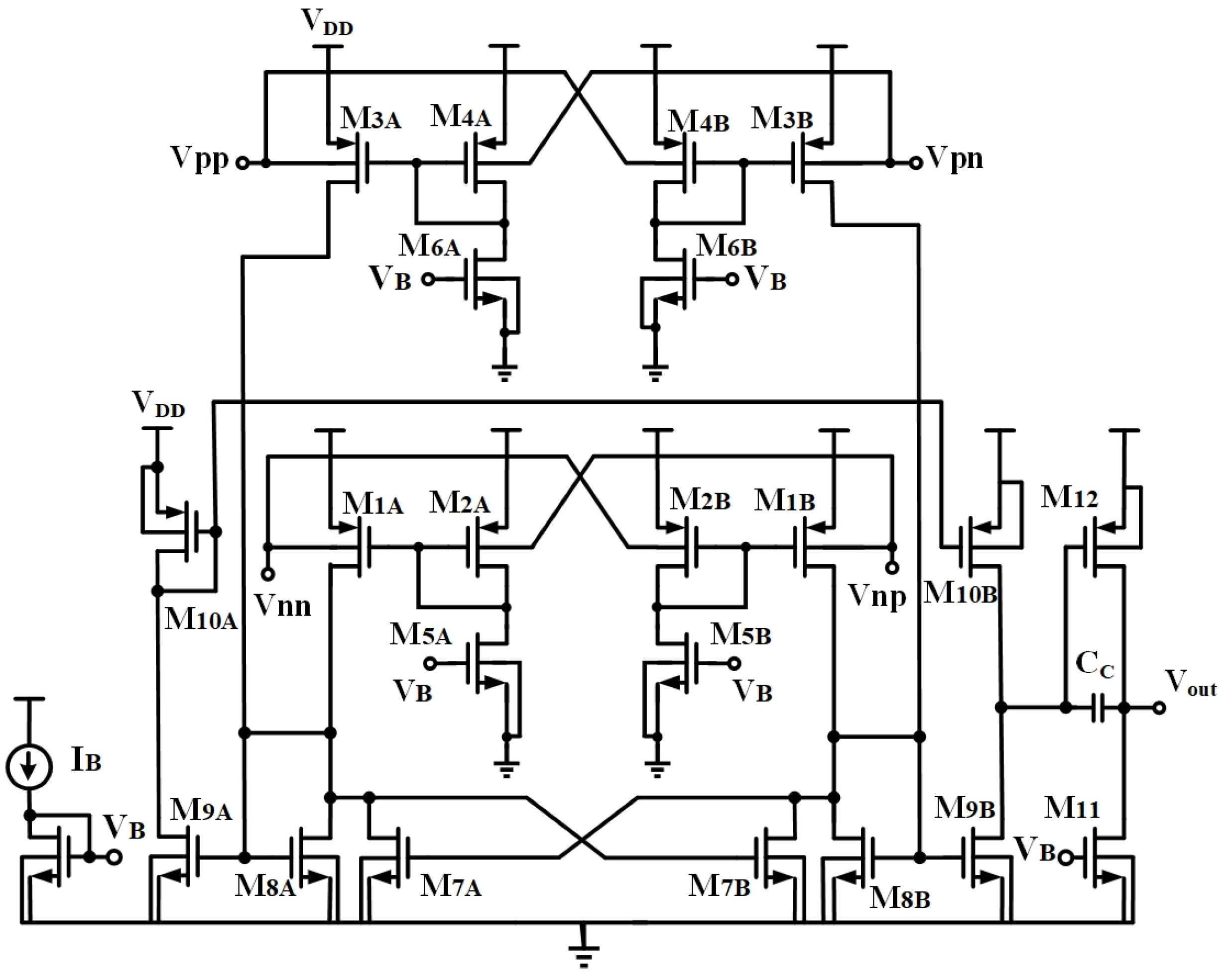
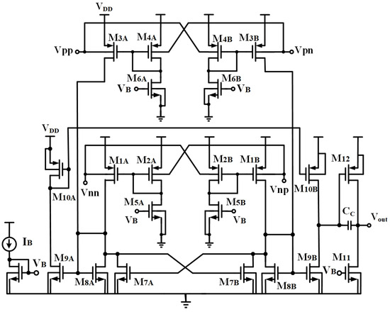
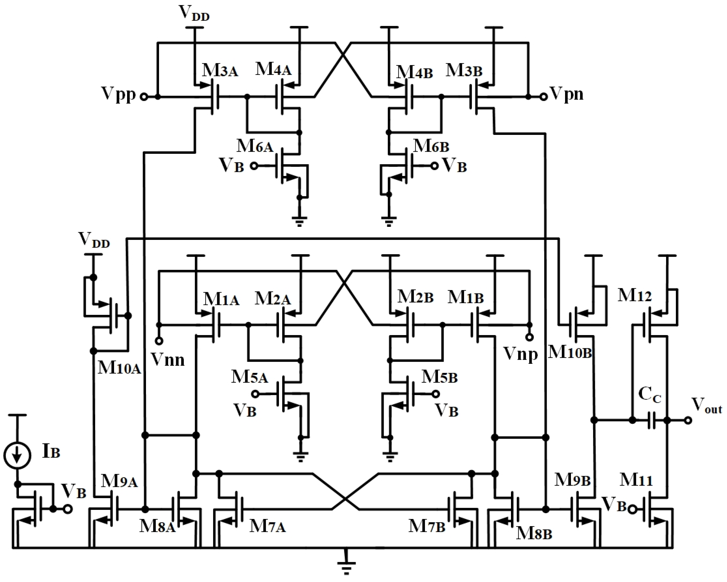
3.2. Circuit Topology
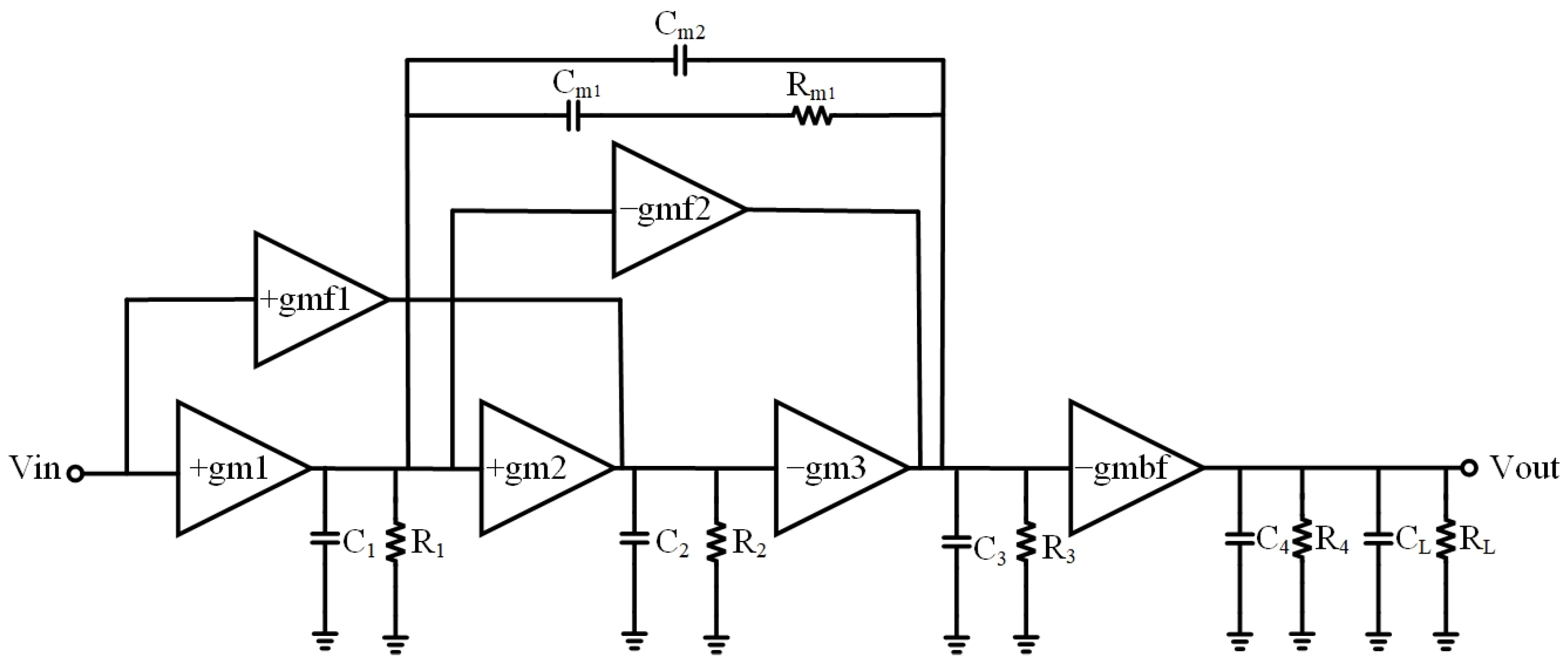
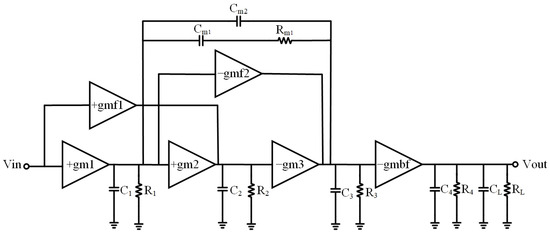
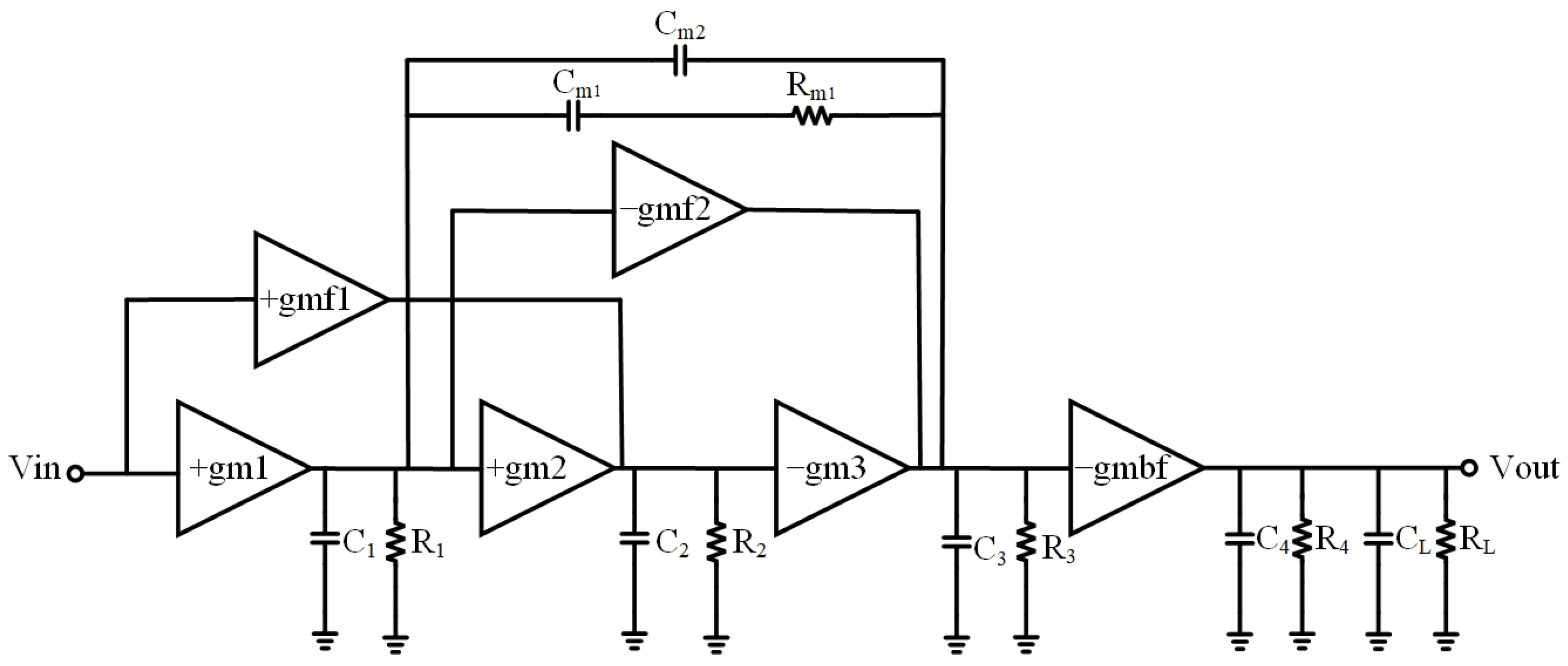
3.3. Frequency Compensation of Proposed DDA
3.3.1. Transfer Function
3.3.2. Stability Analysis
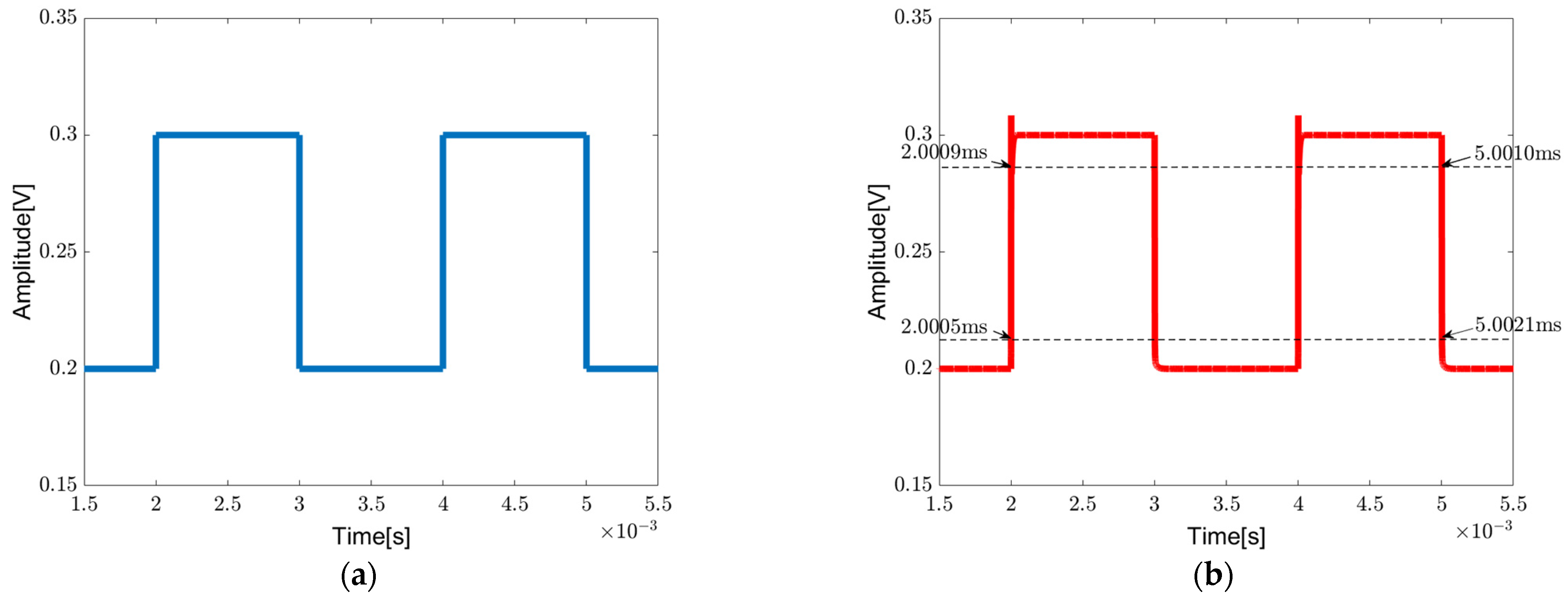
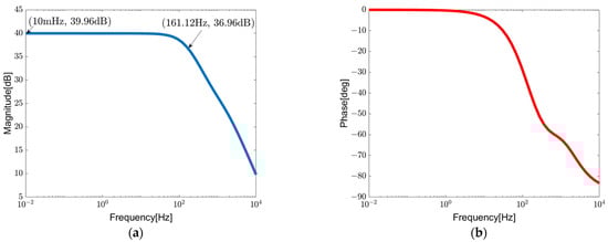
4. Simulation Results and Discussions
5. Conclusions
Author Contributions
Funding
Institutional Review Board Statement
Informed Consent Statement
Data Availability Statement
Conflicts of Interest
References
- Hanson, S.; Zhai, B.; Seok, M.; Cline, B.; Zhou, K.; Singhal, M.; Minuth, M.; Olson, J.; Nazhandali, L.; Austin, T.; et al. Exploring Variability and Performance in a Sub-200-mV Processor. IEEE J. Solid-State Circuits 2008, 43, 881–891. [Google Scholar] [CrossRef]
- Lotze, N.; Manoli, Y. A 62 mV 0.13 μ m CMOS Standard-Cell-Based Design Technique Using Schmitt-Trigger Logic. IEEE J. Solid-State Circuits 2012, 47, 47–60. [Google Scholar] [CrossRef]
- Seok, M.; Jeon, D.; Chakrabarti, C.; Blaauw, D.; Sylvester, D. A 0.27V 30MHz 17.7nJ/Transform 1024-Pt Complex FFT Core with Super-Pipelining. In Proceedings of the 2011 IEEE International Solid-State Circuits Conference, San Francisco, CA, USA, 20–24 February 2011; pp. 342–344. [Google Scholar]
- Yip, M.; Chandrakasan, A.P. A Resolution-Reconfigurable 5-to-10b 0.4-to-1V Power Scalable SAR ADC. In Proceedings of the 2011 IEEE International Solid-State Circuits Conference, San Francisco, CA, USA, 20–24 February 2011; pp. 190–192. [Google Scholar]
- Michel, F.; Steyaert, M.S.J. A 250 mV 7.5 μW 61 dB SNDR SC ΔΣ Modulator Using Near-Threshold-Voltage-Biased Inverter Amplifiers in 130 nm CMOS. IEEE J. Solid-State Circuits 2012, 47, 709–721. [Google Scholar] [CrossRef]
- Muller, R.; Gambini, S.; Rabaey, J.M. A 0.013 mm2 5 μW DC-coupled neural signal acquisition IC with 0.5V supply. IEEE J. Solid-State Circuits 2012, 47, 232–243. [Google Scholar] [CrossRef]
- Kulej, T.; Khateb, F. 0.4-V Bulk-Driven Differential-Difference Amplifier. Microelectron. J. 2015, 46, 362–369. [Google Scholar] [CrossRef]
- Leung, K.N.; Mok, P.K.T. Analysis of Multistage Amplifier-Frequency Compensation. IEEE Trans. Circuits Syst. Fundam. Theory Appl. 2001, 48, 1041–1056. [Google Scholar] [CrossRef]
- Eschauzier, R.G.H.; Kerklaan, L.P.T.; Huijsing, J.H. A 100-MHz 100-dB Operational Amplifier with Multipath Nested Miller Compensation Structure. IEEE J. Solid-State Circuits 1992, 27, 1709–1717. [Google Scholar] [CrossRef]
- You, F.; Embabi, S.H.K.; Sanchez-Sinencio, E. A Multistage Amplifier Topology with Nested Gm-C Compensation for Low-Voltage Application. In Proceedings of the 1997 IEEE International Solids-State Circuits Conference, San Francisco, CA, USA, 8 February 1997; pp. 348–349. [Google Scholar]
- Leung, K.N.; Mok, P.K.T.; Ki, W.-H.; Sin, J.K.O. Three-Stage Large Capacitive Load Amplifier with Damping-Factor-Control Frequency Compensation. IEEE J. Solid-State Circuits 2000, 35, 221–230. [Google Scholar] [CrossRef]
- Zhao, Y.; Shang, Z.; Lian, Y. A 2.55 NEF 76 dB CMRR DC-Coupled Fully Differential Difference Amplifier Based Analog Front End for Wearable Biomedical Sensors. IEEE Trans. Biomed. Circuits Syst. 2019, 13, 918–926. [Google Scholar] [CrossRef] [PubMed]
- Oreggioni, J.; Caputi, A.A.; Silveira, F. Current-Efficient Preamplifier Architecture for CMRR Sensitive Neural Recording Applications. IEEE Trans. Biomed. Circuits Syst. 2018, 12, 689–699. [Google Scholar] [CrossRef] [PubMed]
- Sacristan, J.; Oses, M.T. Low Noise Amplifier for Recording ENG Signals in Implantable Systems. In Proceedings of the 2004 IEEE International Symposium on Circuits and Systems, Vancouver, BC, Canada, 23–26 May 2004; Volume 4, p. IV-33. [Google Scholar]
- Ng, K.A.; Chan, P.K. A CMOS Analog Front-End IC for Portable EEG/ECG Monitoring Applications. IEEE Trans. Circuits Syst. Regul. Pap. 2005, 52, 2335–2347. [Google Scholar] [CrossRef]
- Kumngern, M.; Khateb, F. Fully Differential Difference Transconductance Amplifier Using FG-MOS Transistors. In Proceedings of the 2015 International Symposium on Intelligent Signal Processing and Communication Systems (ISPACS), Nusa Dua Bali, Indonesia, 9–12 November 2015; pp. 337–341. [Google Scholar]
- Sotner, R.; Herencsar, N.; Kledrowetz, V.; Kartci, A.; Jerabek, J. New Low-Voltage CMOS Differential Difference Amplifier (DDA) and an Application Example. In Proceedings of the 2018 IEEE 61st International Midwest Symposium on Circuits and Systems (MWSCAS), Windsor, ON, Canada, 5–8 August 2018; pp. 133–136. [Google Scholar]
- Huang, S.-C.; Ismail, M. Design of a CMOS Differential Difference Amplifier and Its Applications in A/D and D/A Converters. In Proceedings of the APCCAS’94—1994 Asia Pacific Conference on Circuits and Systems, Grand Hotel, Taipei, 5–8 December 1994; pp. 478–483. [Google Scholar]
- Sackinger, E.; Guggenbuhl, W. A Versatile Building Block: The CMOS Differential Difference Amplifier. IEEE J. Solid-State Circuits 1987, 22, 287–294. [Google Scholar] [CrossRef]
- Zhang, J.; Chan, P.K. A CMOS PSR Enhancer with 87.3 mV PVT-Insensitive Dropout Voltage for Sensor Circuits. Sensors 2021, 21, 7856. [Google Scholar] [CrossRef] [PubMed]
- Dzahini, D.; Ghazlane, H. Auto-Zero Stabilized CMOS Amplifiers for Very Low Voltage or Current Offset. In Proceedings of the 2003 IEEE Nuclear Science Symposium. Conference Record, Portland, OR, USA, 19–25 October 2003; Volume 1, pp. 6–10. [Google Scholar]
- Taghizadeh, A.; Koozehkanani, Z.D.; Sobhi, J. A Modified Approach for CMOS Auto-Zeroed Offset-Stabilized Opamp. Circuits Syst. 2013, 4, 193–201. [Google Scholar] [CrossRef]
- Christoforou, Y. A Chopper-Based CMOS Current Sense Instrumentation Amplifier [for GSM]. In Proceedings of the IMTC/2002, 19th IEEE Instrumentation and Measurement Technology Conference, Anchorage, AK, USA, 21–23 May 2002; Volume 1, pp. 271–273. [Google Scholar]
- Ge, F. A Pseudo Rail-to-Rail Chopper-Stabilized Instrumentation Amplifier in 0.13 Μm CMOS. In Proceedings of the 2009 52nd IEEE International Midwest Symposium on Circuits and Systems, Cancun, Mexico, 2–5 August 2009; pp. 1–4. [Google Scholar]
- Bakker, A.; Thiele, K.; Huijsing, J.H. A CMOS Nested-Chopper Instrumentation Amplifier with 100-nV Offset. IEEE J. Solid-State Circuits 2000, 35, 1877–1883. [Google Scholar] [CrossRef]
- Chan, P.K.; Cui, J. Design of Chopper-Stabilized Amplifiers With Reduced Offset for Sensor Applications. IEEE Sens. J. 2008, 8, 1968–1980. [Google Scholar] [CrossRef]
- Chan, P.K.; Ng, K.A.; Zhang, X.L. A CMOS Chopper-Stabilized Differential Difference Amplifier for Biomedical Integrated Circuits. In Proceedings of the 2004 47th Midwest Symposium on Circuits and Systems MWSCAS ’04, Hiroshima, Japan, 25–28 July 2004; Volume 3, p. iii-33. [Google Scholar]
- Khateb, F.; Kulej, T.; Kumngern, M.; Arbet, D.; Jaikla, W. A 0.5-V 95-dB Rail-to-Rail DDA for Biosignal Processing. AEU Int. J. Electron. Commun. 2022, 145, 154098. [Google Scholar] [CrossRef]
- Khateb, F.; Kulej, T.; Kumngern, M.; Psychalinos, C. Multiple-Input Bulk-Driven MOS Transistor for Low-Voltage Low-Frequency Applications. Circuits Syst. Signal Process. 2019, 38, 2829–2845. [Google Scholar] [CrossRef]
- Khateb, F.; Kulej, T. Design and Implementation of a 0.3-V Differential Difference Amplifier. IEEE Trans. Circuits Syst. Regul. Pap. 2019, 66, 513–523. [Google Scholar] [CrossRef]
- Avoli, M.; Centurelli, F.; Monsurrò, P.; Scotti, G.; Trifiletti, A. Low Power DDA-Based Instrumentation Amplifier for Neural Recording Applications in 65 nm CMOS. AEU Int. J. Electron. Commun. 2018, 92, 30–35. [Google Scholar] [CrossRef]
- Huang, W.C.; Cheng, J.C.; Liou, P.C.; Liou, C.W. A Charge Pump Circuit Using Multi-Staged Voltage Doubler Clock Scheme. In Proceedings of the 2007 Internatonal Conference on Microelectronics, Cairo, Egypt, 29–31 December 2007; pp. 317–320. [Google Scholar]
- Ghosh, A.; Banerjee, S. Design and Implementation of Type-II Compensator in DC-DC Switch-Mode Step-up Power Supply. In Proceedings of the 2015 Third International Conference on Computer, Communication, Control and Information Technology (C3IT), Hooghly, India, 7–8 February 2015; pp. 1–5. [Google Scholar]





















| Parameter | Size |
|---|---|
| BW | 0–150 Hz |
| GBW | ≥100 kHz |
| PM | >50 degree |
| Max Allowable Gain | 100 |
| Input ECG Signal | 0.5–8 mV |
| Input-referred Offset | <1 mV |
| CMRR@10 Hz | ≥100 dB |
| PSRR@10 Hz | >60 dB |
| Power Consumption | <1 μW |
| Slew Rate | >100 mV/uS |
| CL | 50 pF |
| Components | Type | Size (W/L) |
|---|---|---|
| MB1 | Regular NMOS | 50/1 () |
| MB2 | Regular NMOS | 5/1 () |
| MB3, MB4 | Low-threshold PMOS | 28/1 () |
| MB5 | Low-threshold NMOS | 2.5/1 () |
| MB6 | Low-threshold NMOS | 12/1 () |
| M1, M2, M3, M4 | Low-threshold NMOS | 50/1 () |
| M5, M6 | Low-threshold PMOS | 50/1 () |
| M7, M8 | Low-threshold NMOS | 25/1 () |
| M9 | Low-threshold PMOS | 20/1 () |
| M10 | Low-threshold PMOS | 18.5/1 () |
| M11, M12 | Low-threshold NMOS | 1/1 () |
| M13 | Low-threshold PMOS | 40.5/1 () |
| M14 | Low-threshold NMOS | 26/1 () |
| M15 | Low-threshold PMOS | 8/1 () |
| M16 | Native NMOS | 70/1 () |
| M17 | Low-threshold NMOS | 1/7 () |
| M18 | High-threshold NMOS | 30/1 () |
| CB1, CB2 | Capacitor | 10 pF |
| Cm1 | Capacitor | 5 pF |
| Cm2 | Capacitor | 250 fF |
| CL | Capacitor | 50 pF |
| RB | Resistor | 4.5 MΩ |
| Rm1 | Resistor | 1.2 MΩ |
| RL | Resistor | 300 kΩ |
| Component | Size | Component | Size |
|---|---|---|---|
| M1, M2 | 3/1 (μm/μm) | C1 | 5 pF |
| M3, M5, M7 | 6/1 (μm/μm) | C2 | 1 pF |
| M4, M6, M8 | 3/1 (μm/μm) |
| Components | Type | Size (W/L) |
|---|---|---|
| Mp_hvt | High-threshold PMOS | 100/1 () |
| CP | Capacitor | 1 pF |
| R1 | Resistor | 990 kΩ |
| R2 | Resistor | 10 kΩ |
| Parameter (T = 27 °C, VDD = 0.5 V) | TT | SS | FF |
|---|---|---|---|
| Gain, (dB) | 88.87 | 91.87 | 81.09 |
| UGB, (kHz) | 170.46 | 113.49 | 239.68 |
| PM, (deg) | 63.98 | 53.24 | 66.28 |
| GM, (dB) | 18.58 | 20.50 | 15.64 |
| PSRR, (dB) | 78.56 | 80.42 | 76.84 |
| CMRR, (dB) | 100.81 | 96.58 | 101.79 |
| SR+, (V/ms) | 150.00 | 66.92 | 216.49 |
| SR−, (V/ms) | 54.54 | 34.12 | 386.67 |
| Input Noise, @1 kHz (nV/sqrt (Hz)) | 245.45 | 295.23 | 194.94 |
| Power Consumption, (μW) | 0.72 | 0.61 | 0.95 |
| CL | 50 pF | 50 pF | 50 pF |
| Parameter (TT corner, T = 27 °C) | 0.45 V | 0.5 V | 0.55 V |
| Gain, (dB) | 83.03 | 88.87 | 88.17 |
| UGB, (kHz) | 136.76 | 170.46 | 170.34 |
| PM, (deg) | 52.20 | 63.98 | 63.9 |
| GM, (dB) | 17.70 | 18.58 | 17.97 |
| PSRR, (dB) | 56.00 | 78.56 | 78.5 |
| CMRR, (dB) | 78.12 | 100.81 | 100.78 |
| SR+, (V/ms) | 22.36 | 150.00 | 251.26 |
| SR−, (V/ms) | 29.62 | 54.54 | 309.33 |
| Input Noise, @1 kHz (nV/sqrt (Hz)) | 269.03 | 245.45 | 245.08 |
| Power Consumption, (μW) | 0.59 | 0.72 | 0.99 |
| CL | 50 pF | 50 pF | 50 pF |
| Parameter (TT corner, VDD = 0.5 V) | −20 °C | 27 °C | 80 °C |
| Gain, (dB) | 93.16 | 88.87 | 80.02 |
| UGB, (kHz) | 90.24 | 170.46 | 425.39 |
| PM, (deg) | 59.10 | 63.98 | 52.02. |
| GM, (dB) | 14.36 | 18.58 | 22.14 |
| PSRR, (dB) | 76.00 | 78.56 | 92.08 |
| CMRR, (dB) | 95.89 | 100.81 | 85.16 |
| SR+, (V/ms) | 22.17 | 150.00 | 181.25 |
| SR−, (V/ms) | 23.15 | 54.54 | 226.89 |
| Input Noise, @1 kHz (nV/sqrt (Hz)) | 221.89 | 245.45 | 148.27 |
| Power Consumption, (μW) | 0.53 | 0.72 | 1.00 |
| CL | 50 pF | 50 pF | 50 pF |
| Parameter | Without Intentionally Added Parasitic Capacitors | With Intentionally Added Parasitic Capacitors |
|---|---|---|
| Gain, (dB) | 88.87 | 88.10 |
| UGB, (kHz) | 170.46 | 170.72 |
| PM, (deg) | 63.98 | 63.65 |
| GM, (dB) | 18.58 | 17.88 |
| PSRR, (dB) | 78.56 | 78. 87 |
| CMRR, (dB) | 100.81 | 101.17 |
| Input Noise, @1 kHz (nV/sqrt (Hz)) | 245.45 | 245.58 |
| Power Consumption, (μW) | 0.72 | 0.72 |
| CL | 50 pF | 50 pF |
| Units | This Work | [28] 2022 | [29] 2019 | [30] 2018 | [31] 2018 | |
|---|---|---|---|---|---|---|
| Process | μm | 0.04 | 0.18 | 0.18 | 0.18 | 0.065 |
| Supply Voltage | V | 0.5 | 0.5 | 0.5 | 0.5 | 1 |
| Power consumption | μW | 0.72 | 0.313 | 1.23 | 0.59 | 1.12 |
| ICMR | mV | 200 | 500 | 500 | 500 | - |
| Open-loop DC gain | dB | 89 | 95 | 62 | 64.7 | 104.4 |
| UGB | kHz | 170.46 | 12.82 | 56.4 | 33.3 | - |
| Power/Bandwidth | μW/kHz | 0.004 | 0.024 | 0.022 | 0.018 | - |
| Phase Margin | (°) | 63.98 | 55.7 | 54 | 58 | - |
| CMRR @ DC | dB | 101 | 60 | 58 | 78 | 124 |
| PSRR @ DC | dB | 79 | 66 | 60 | 62 | 88 |
| Input Noise | nV/sqrt(Hz) | 245 | 880 | - | 578 | - |
| Input-referred Offset | mV | 0.264 | 6.14 | 3.4 | 4.75 | - |
| FOM | 1.03 | 21.49 | - | 10.24 | - | |
| Average SR | V/ms | 150.00 | 16.25 | 51.9 | 93 | - |
| SR+ | V/ms | 54.54 | 15.81 | 74 | 152 | - |
| SR- | V/ms | 102.27 | 16.69 | 29.9 | 34 | - |
| CL | pF | 50 | 15 | 30 | 20 | - |
Disclaimer/Publisher’s Note: The statements, opinions and data contained in all publications are solely those of the individual author(s) and contributor(s) and not of MDPI and/or the editor(s). MDPI and/or the editor(s) disclaim responsibility for any injury to people or property resulting from any ideas, methods, instructions or products referred to in the content. |
© 2023 by the authors. Licensee MDPI, Basel, Switzerland. This article is an open access article distributed under the terms and conditions of the Creative Commons Attribution (CC BY) license (https://creativecommons.org/licenses/by/4.0/).
Share and Cite
Fan, X.; Gao, F.; Chan, P.K. Design of a 0.5 V Chopper-Stabilized Differential Difference Amplifier for Analog Signal Processing Applications. Sensors 2023, 23, 9808. https://doi.org/10.3390/s23249808
Fan X, Gao F, Chan PK. Design of a 0.5 V Chopper-Stabilized Differential Difference Amplifier for Analog Signal Processing Applications. Sensors. 2023; 23(24):9808. https://doi.org/10.3390/s23249808
Chicago/Turabian StyleFan, Xinlan, Feifan Gao, and Pak Kwong Chan. 2023. "Design of a 0.5 V Chopper-Stabilized Differential Difference Amplifier for Analog Signal Processing Applications" Sensors 23, no. 24: 9808. https://doi.org/10.3390/s23249808
APA StyleFan, X., Gao, F., & Chan, P. K. (2023). Design of a 0.5 V Chopper-Stabilized Differential Difference Amplifier for Analog Signal Processing Applications. Sensors, 23(24), 9808. https://doi.org/10.3390/s23249808

