Research on Recognition of Coal and Gangue Based on Laser Speckle Images
Abstract
:1. Introduction
2. Methods
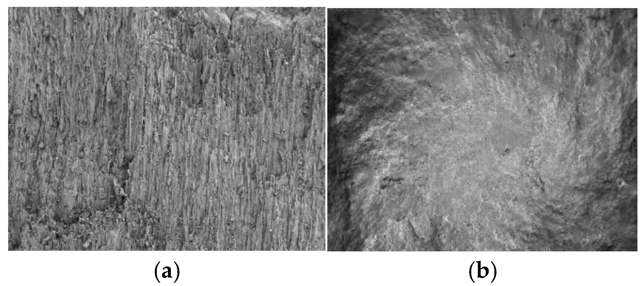
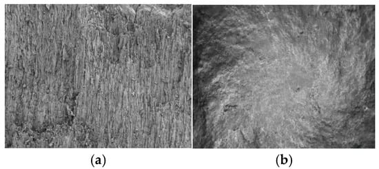
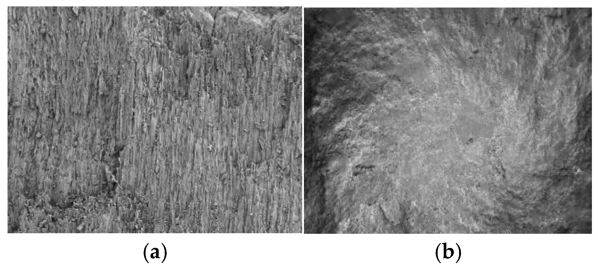
2.1. Laser Speckle Theory and Surface Characteristic Analysis of Coal Gangue
2.2. Feature Extraction
2.2.1. Grayscale Features
2.2.2. Texture Features
3. Experiment
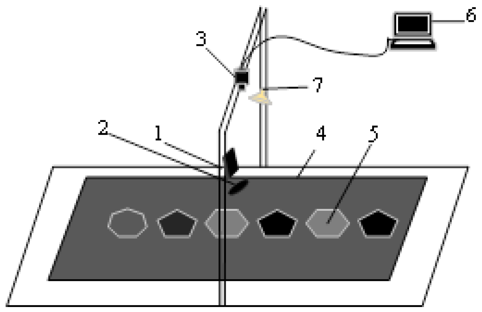
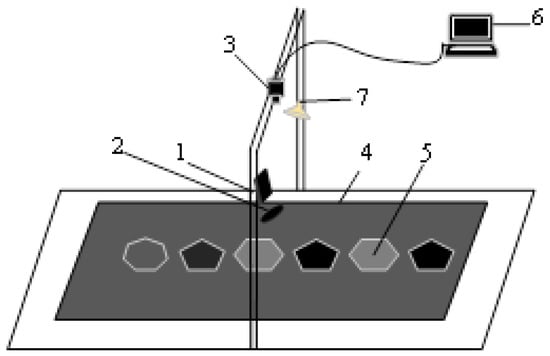
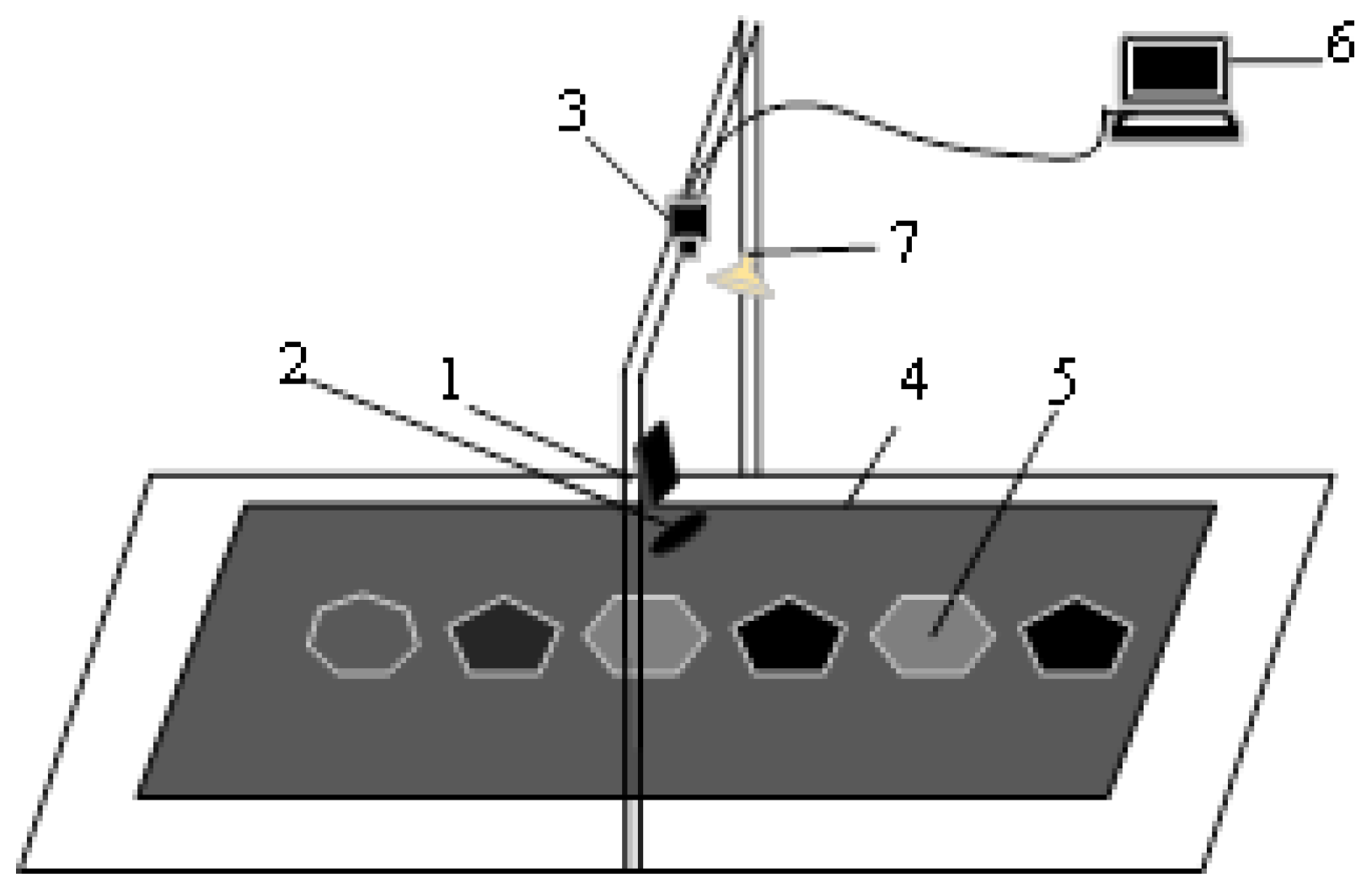
3.1. Experimental Instrument
3.2. The ROI Extraction of the Coal Gangue Laser Speckle Images
4. Results and Discussions
4.1. Feature Analysis of Coal Gangue Laser Speckle Images
4.2. Verification of Coal Gangue Recognition Based on Laser Speckle Image
4.3. Identification Stability of Coal Gangue Laser Speckle Images
5. Conclusions
Author Contributions
Funding
Institutional Review Board Statement
Informed Consent Statement
Data Availability Statement
Conflicts of Interest
References
- Ma, X.M. Study of on-line recognition and automatic separation of waste rock in coal mine. J. Xi’an Univ. Sci. Technol. 2003, 23, 66–68. [Google Scholar] [CrossRef]
- Miao, X.X.; Qian, M.G. Research on green mining of coal resources in China: Current status and future prospects. J. Min. Saf. Eng. 2009, 26, 1–14. Available online: https://kns.cnki.net/kcms2/article/abstract?v=JxCH2R2Ogokrj6zNiRBWZgi_A3VmvPRHYjVQix_O60iJoGSsCfWgAW4zTw9s9LNShV-R4L-TVfENOkDi9DcAn8SdhoKQTiCp1D3Kx0C2rp_jwcNWMjWvPR-t3OtfgetI&uniplatform=NZKPT&language=CHS (accessed on 8 November 2023).
- Ma, X.M. Coal Gangue Image Identification and Classification with Wavelet Transform. In Proceedings of the 2009 Second International Conference on Intelligent Computation Technology and Automation, Changsha, China, 10–11 October 2009; pp. 562–565. [Google Scholar] [CrossRef]
- Wang, J. Development and prospect on fully mechanized mining in Chinese coal mines. Int. J. Coal Sci. Technol. 2014, 1, 253–260. [Google Scholar] [CrossRef]
- Cao, X.G.; Li, Y.; Wang, P.; Wu, X.D. Research status and prospect of coal gangue identification method. Ind. Mine Autom. 2020, 46, 38–43. [Google Scholar] [CrossRef]
- Yaghoobi, H.; Mansouri, H.; Farsangi, M.A.E.; Nezamabadi-Pour, H. Determining the fragmented rock size distribution using textural feature extraction of images. Powder Technol. 2019, 342, 630–641. [Google Scholar] [CrossRef]
- McCoy, J.T.; Auret, L. Machine learning applications in minerals processing: A review. Miner. Eng. 2019, 132, 95–109. [Google Scholar] [CrossRef]
- Jemwa, G.T.; Aldrich, C. Estimating size fraction categories of coal particles on conveyor belts using image texture modeling methods. Expert Syst. Appl. 2012, 39, 7947–7960. [Google Scholar] [CrossRef]
- Li, M.; Sun, K. An image recognition approach for coal and gangue used in pick-up robot. In Proceedings of the 2018 IEEE International Conference on Real-time Computing and Robotics (RCAR), Kandima, Maldives, 1–5 August 2018; pp. 501–507. [Google Scholar] [CrossRef]
- Dou, D.; Zhou, D.; Yang, J.; Zhang, Y. Coal and gangue recognition under four operating conditions by using image analysis and relief-svm. Int. J. Coal Prep. Util. 2018, 40, 473–482. [Google Scholar] [CrossRef]
- Qiu, Z.; Dou, D.; Zhou, D.; Yang, J. On-line prediction of clean coal ash content based on image analysis. Measurement 2021, 173, 108663. [Google Scholar] [CrossRef]
- Liu, F.Q.; Wang, X.H.; Song, H.L. Automatic separation of coal gangue based on image processing and recognition technology. J. Coal Sci. Eng. 2000, 5, 534–537. [Google Scholar]
- Hobson, D.M.; Carter, R.M.; Yan, Y.; Lv, Z. Differentiation between coal and stone through image analysis of texture features. In Proceedings of the 2007 IEEE International Workshop on Imaging Systems and Techniques, Cracovia, Poland, 5 May 2007; pp. 1–4. [Google Scholar] [CrossRef]
- Antonypandiarajan, D.; Suganya, K. Performance analysis for coal texture classification. In Proceedings of the 2012 International Conference on Emerging Trends in Science, Engineering and Technology (INCOSET), Tiruchirappalli, India, 13–14 December 2012; pp. 251–254. [Google Scholar] [CrossRef]
- Tan, C.C.; Yang, J.M. Research on the extraction of gray information and texture features of coal and gangue images. Ind. Mine Autom. 2017, 43, 27–31. [Google Scholar] [CrossRef]
- Zhang, L.; Sui, Y.; Wang, H.; Hao, S.; Zhang, N. Image feature extraction and recognition model construction of coal and gangue based on image processing technology. Sci. Rep. 2022, 12, 20983. [Google Scholar] [CrossRef]
- Wang, W.; Lv, Z.; Lu, H. Research on methods to differentiate coal and gangue using image processing and a support vector machine. Int. J. Coal Prep. Util. 2021, 41, 603–616. [Google Scholar] [CrossRef]
- Wang, J.C.; Li, L.H.; Yang, S.L. Experimental study on gray and texture feature extraction of coal gangue image under different illumination. J. Coal Sci. Eng. 2018, 43, 3051–3061. [Google Scholar] [CrossRef]
- Li, M.; He, X.L.; Yuan, Y.; Yang, M.L. Experimental study on the influence of external factors on image features of coal and gangue. Int. J. Coal Prep. Util. 2022, 42, 2770–2787. [Google Scholar] [CrossRef]
- Zhao, Y.D.; Hu, S.P. Research on coal and gangue identification method based on infrared thermal wave detection. Appl. Mech. Mater. 2013, 313, 1285–1287. [Google Scholar] [CrossRef]
- Alfarzaeai, M.S.; Niu, Q.; Zhao, J.; Eshaq, R.M.A.; Hu, E. Coal/gangue recognition using convolutional neural networks and thermal images. IEEE Access 2020, 8, 76780–76789. [Google Scholar] [CrossRef]
- Yang, H.G.; Qiao, H.M. Design of coal and gangue separation system based on X-ray and machine vision. Ind. Mine Autom. 2017, 43, 85–89. [Google Scholar] [CrossRef]
- He, L.; Wang, S.; Guo, Y.; Cheng, G.; Hu, K.; Zhao, Y.; Wang, X. Multi-scale coal and gangue dual-energy X-ray image concave point detection and segmentation algorithm. Measurement 2022, 196, 111041. [Google Scholar] [CrossRef]
- Wang, W.; Zhang, C. Separating coal and gangue using three-dimensional laser scanning. Int. J. Miner. Process. 2017, 169, 79–84. [Google Scholar] [CrossRef]
- Tripathy, D.P.; Reddy, K.G.R. Novel methods for separation of gangue from limestone and coal using multispectral and joint color-texture features. J. Inst. Eng. (India) Ser. D 2017, 98, 109–117. [Google Scholar] [CrossRef]
- Hu, F.; Zhou, M.; Yan, P.; Bian, K.; Dai, R. Multispectral imaging: A new solution for identification of coal and gangue. IEEE Access 2019, 7, 169697–169704. [Google Scholar] [CrossRef]
- Rashid AS, A.; Shirazi, M.G.; Mohamad, H.; Sahdi, F. Bearing capacity of sandy soil treated by Kenaf fibre geotextile. Environ. Earth Sci. 2017, 76, 431. [Google Scholar] [CrossRef]
- Wang, Q.H.; Lu, R.S.; Yang, L.; Lei, L.Q. Grinding Surface Roughness Measurement Based on the Spatial Filtering of Speckle Pattern Texture. Acta Opt. Sin. 2010, 30, 2324. [Google Scholar] [CrossRef]
- Lei, Y.; Rongsheng, L.; Liqiao, L. Information extraction of surface roughness measurement based on wavelet transform of speckle pattern texture. J. Electron. Meas. Instrum. 2012, 26, 1091–1095. [Google Scholar] [CrossRef]
- Song, J.; Yang, J.; Liu, F.; Lu, K. Quality assessment of laser speckle patterns for digital image correlation by a multi-factor fusion index. Opt. Lasers Eng. 2020, 124, 105822. [Google Scholar] [CrossRef]
- Hamed, A.M.; El-Ghandoor, H.; El-Diasty, F.; Saudy, M. Analysis of speckle images to assess surface roughness. Opt. Laser Technol. 2004, 36, 249–253. [Google Scholar] [CrossRef]
- Al-Bared, M.A.; Harahap, I.S.; Marto, A.; Mohamad, H.; Alavi Nezhad Khalil Abad, S.V.; Mustaffa, Z. Cyclic behavior of RT-cement treated marine clay subjected to low and high loading frequencies. Geomech. Eng. 2020, 21, 433–445. [Google Scholar] [CrossRef]
- Chen, X.M.; Zhang, X.; Xu, L.L.; Liu, Y.; Du, Y.N. Study on fractal dimension differences of coal and gangue. Coal Sci. Technol. 2017, 45, 196–199. [Google Scholar] [CrossRef]
- Shimizu, M.; Sawano, H.; Yoshioka, H.; Shinno, H. Surface texture assessment of ultra-precision machined parts based on laser speckle pattern analysis. Precis. Eng. 2014, 38, 1–8. [Google Scholar] [CrossRef]
- Song, H.S.; Zhuang, Q.; Liu, G.Y.; Qin, X.F.; Cheng, C.F. Statistical characteristics and variation of speckle intensity in deep fresnel diffraction region. Chin. J. Phys. 2014, 63, 094201. [Google Scholar] [CrossRef]
- Liu, H.; Li, X.; Yu, Z.Y.; Tan, Y.; Ding, Y.S.; Chen, D.Y.; Wang, T. Influence of hole diameter on mechanical properties and stability of granite rock surrounding tunnels. Phys. Fluids 2023, 35, 064121. [Google Scholar] [CrossRef]
- Chen, S.J.; Du, Z.W.; Zhang, Z.; Zhang, H.W.; Xia, Z.G.; Feng, F. Effects of chloride on the early mechanical properties and microstructure of gangue-cemented paste backfill. Constr. Build. Mater. 2020, 235, 117504. [Google Scholar] [CrossRef]
- Murty, G.S.; Kiran, J.S.; Kumar, V.V. Facial expression recognition based on features derived from the distinct LBP and GLCM. Int. J. Image Graph. Signal Process. 2014, 6, 68–77. [Google Scholar] [CrossRef]
- Sun, J.P.; She, J. Wavelet-based coal-rock image feature extraction and recognition. J. China Coal Soc. 2013, 38, 1900–1904. [Google Scholar] [CrossRef]
- Yang, X.; Gao, Y.; Zhang, S.; Ge, Z.; Zhou, Y. Research on Rosewood Micro Image Classification Method Based on Feature Fusion and ELM. J. Renew. Mater. 2022, 10, 3587. [Google Scholar] [CrossRef]
- Fu, C.; Lu, F.; Zhang, G. Discrimination analysis of coal and gangue using multifractal properties of optical texture. Int. J. Coal Prep. Util. 2022, 42, 1925–1937. [Google Scholar] [CrossRef]
- Wang, G.; Chen, X.C.; Han, D.Y.; Qin, X.J.; Feng, J. Research on threshold segmentation algorithm of coal CT images based on improved Otsu. Coal Sci. Technol. 2021, 49, 264–271. [Google Scholar]
- Li, H.T.; Li, X.L.; Fu, J.H.; Gao, Z.L.; Chen, P.; Zhang, Z.B. Research on acoustic emission multi-parameter characteristics in the failure process of imitation steel fiber reinforced concrete. Phys. Fluids 2023, 35, 107109. [Google Scholar] [CrossRef]
- Ortegon, J.; Ledesma-Alonso, R.; Barbosa, R.; Castillo, J.V.; Atoche, A.C. Material phase classification by means of Support Vector Machines. Comput. Mater. Sci. 2018, 148, 336–342. [Google Scholar] [CrossRef]
- Maincer, D.; Benmahamed, Y.; Mansour, M.; Alharthi, M.; Ghonein, S.S. Fault Diagnosis in Robot Manipulators Using SVM and KNN. Intell. Autom. Soft Comput. 2022, 35, 1957–1969. [Google Scholar] [CrossRef]









| Feature | m | σ | s | k | ASM | ENT | CON | IDM | Feature Fusion |
|---|---|---|---|---|---|---|---|---|---|
| Accuracy/% | 52.8 | 83.3 | 80.6 | 68.6 | 80.6 | 93.1 | 83.3 | 87.5 | 94.4 |
Disclaimer/Publisher’s Note: The statements, opinions and data contained in all publications are solely those of the individual author(s) and contributor(s) and not of MDPI and/or the editor(s). MDPI and/or the editor(s) disclaim responsibility for any injury to people or property resulting from any ideas, methods, instructions or products referred to in the content. |
© 2023 by the authors. Licensee MDPI, Basel, Switzerland. This article is an open access article distributed under the terms and conditions of the Creative Commons Attribution (CC BY) license (https://creativecommons.org/licenses/by/4.0/).
Share and Cite
Li, H.; Wang, Q.; Ling, L.; Lv, Z.; Liu, Y.; Jiao, M. Research on Recognition of Coal and Gangue Based on Laser Speckle Images. Sensors 2023, 23, 9113. https://doi.org/10.3390/s23229113
Li H, Wang Q, Ling L, Lv Z, Liu Y, Jiao M. Research on Recognition of Coal and Gangue Based on Laser Speckle Images. Sensors. 2023; 23(22):9113. https://doi.org/10.3390/s23229113
Chicago/Turabian StyleLi, Hequn, Qiong Wang, Ling Ling, Ziqi Lv, Yun Liu, and Mingxing Jiao. 2023. "Research on Recognition of Coal and Gangue Based on Laser Speckle Images" Sensors 23, no. 22: 9113. https://doi.org/10.3390/s23229113
APA StyleLi, H., Wang, Q., Ling, L., Lv, Z., Liu, Y., & Jiao, M. (2023). Research on Recognition of Coal and Gangue Based on Laser Speckle Images. Sensors, 23(22), 9113. https://doi.org/10.3390/s23229113

