Multi-UAV Collaborative Search and Attack Mission Decision-Making in Unknown Environments
Abstract
:1. Introduction
- A distributed self-organized multi-UAV cooperative intelligent reconnaissance combat strategy (CISCS) is proposed for the multi-UAV cooperative reconnaissance combat problem;
- A formation controller with time constraints is proposed to extend the multi-layer artificial potential field to avoid the internal collision of multiple UAVs in fast formation and to solve the problem where the traditional artificial potential field method tends to fall into the optimal solution;
- Reinforcement learning is utilized to accelerate the convergence speed of the ACO algorithm and expand the search capability, and a colony disorientation strategy and a search-switching strategy are incorporated to prevent its premature maturity.
2. Scene Description and Modeling
2.1. Collaborative Search Attack Constraints
- (1)
- Maximum range constraint
- (2)
- Maximum turning angle constraint
- (3)
- Minimum flight distance between drones
- (4)
- Risk area avoidance constraints
2.2. Multi-UAV Collaborative Mission Description
- (1)
- Description of reconnaissance coverage
- (2)
- Description of the attack mission
2.3. Mathematical Model for Tasking
3. Algorithms for Multi-Drone Collaborative Intelligent Warfare
3.1. Formation Controller with Time Constraints
3.2. Reconnaissance Search Attack Tasking Algorithm
3.2.1. Q-Learning State Space
3.2.2. Q-Learning Action Space
3.2.3. Reward Function
3.2.4. Q-Value Update
3.2.5. Ant Colony Lost
3.2.6. Search Conversion Strategy
3.2.7. Improved Ant Colony Multi-Task Objective Optimization Algorithm Based on Q-Learning
| Algorithm 1: Improved Ant Colony Multi-Task Objective Optimization Algorithm Based on Q-Learning |
| Step 1: Initialization Set the maximum number of iterations tmax, maximum number of ants mmax, α, β, ρ parameters Initialize the total amount of pheromones, Q table, and global optimal solution set G Initialize the ant colony and randomly allocate starting points for the ants Set initial pheromone concentration Set evaluation function and multi-task goal planning task Step 2: Ant colony search For t = 1 to tmax do For m = 1 to mmax do Calculate the probability of movement for each ant Choose the next moving node Ant loss strategy, choose whether to be lost in the path with a certain probability Update the pheromone concentration Evaluate the ant colony, update the optimal solution set G Calculate ant reward, update the action value function End For Generate a transient optimal solution set G Perform search transformation strategy, update G End For Step 3: Output the results Output the global optimal solution set G |
3.2.8. Extended Artificial Potential Field Algorithm (EAPF)
4. Experimentation and Simulation
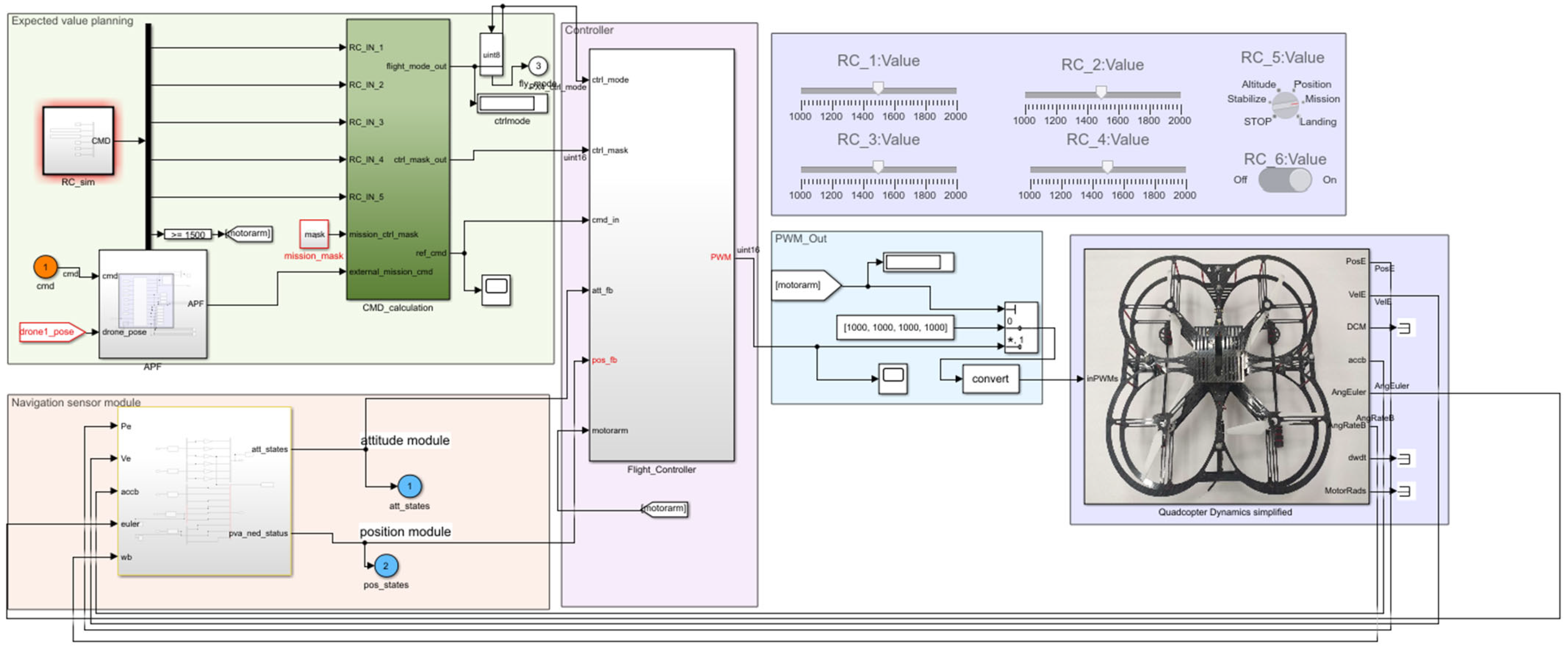
4.1. Formation Controller Simulation
4.2. Multi-UAV Cooperative Mission Simulation
5. Conclusions
Author Contributions
Funding
Informed Consent Statement
Data Availability Statement
Conflicts of Interest
References
- Khalil, H.; Rahman, S.U.; Ullah, I.; Khan, I.; Alghadhban, A.J.; Al-Adhaileh, M.H.; Ali, G.; ElAffendi, M. A UAV-Swarm-Communication Model Using a Machine-Learning Approach for Search-and-Rescue Applications. Drones 2022, 6, 372. [Google Scholar] [CrossRef]
- Dah-Achinanon, U.; Bajestani, S.E.M.; Lajoie, P.-Y.; Beltrame, G. Search and rescue with sparsely connected swarms. Auton. Robot. 2023. [Google Scholar] [CrossRef]
- Chen, W.; Meng, X.; Liu, J.; Guo, H.; Mao, B. Countering Large-Scale Drone Swarm Attack by Efficient Splitting. IEEE Trans. Veh. Technol. 2022, 71, 9967–9979. [Google Scholar] [CrossRef]
- Jinqiang, H.; Husheng, W.; Renjun, Z.; Rafik, M.; Xuanwu, Z. Self-organized search-attack mission planning for UAV swarm based on wolf pack hunting behavior. J. Syst. Eng. Electron. 2021, 32, 1463–1476. [Google Scholar] [CrossRef]
- Zhou, L.; Leng, S.; Liu, Q.; Wang, Q. Intelligent UAV Swarm Cooperation for Multiple Targets Tracking. IEEE Internet Things J. 2022, 9, 743–754. [Google Scholar] [CrossRef]
- Zhou, W.; Li, J.; Liu, Z.; Shen, L. Improving multi-target cooperative tracking guidance for UAV swarms using multi-agent reinforcement learning. Chin. J. Aeronaut. 2022, 35, 100–112. [Google Scholar] [CrossRef]
- Liu, L.; Xu, M.; Wang, Z.; Fang, C.; Li, Z.; Li, M.; Sun, Y.; Chen, H. Delay-Informed Intelligent Formation Control for UAV-Assisted IoT Application. Sensors 2023, 23, 6190. [Google Scholar] [CrossRef]
- Chen, Y.; Jiao, Y.; Wu, M.; Ma, H.; Lu, Z. Group Target Tracking for Highly Maneuverable Unmanned Aerial Vehicles Swarms: A Perspective. Sensors 2023, 23, 4465. [Google Scholar] [CrossRef]
- Rizk, Y.; Awad, M.; Tunstel, E. Cooperative Heterogeneous Multi-Robot Systems: A Survey. ACM Comput. Surv. 2019, 52, 29. [Google Scholar] [CrossRef]
- Campbell, A.; Wu, A.S. Multi-agent role allocation: Issues, approaches, and multiple perspectives. Auton. Agents Multi-Agent Syst. 2011, 22, 317–355. [Google Scholar] [CrossRef]
- Tang, S.-Y.; Zhu, Y.-F.; Li, Q.; Lei, Y.-L. Survey of task allocation in multi agent systems. Syst. Eng. Electron. 2010, 32, 2155–2161. [Google Scholar]
- Parker, L.; Tang, F. Building multirobot coalitions through automated task solution synthesis. Proc. IEEE 2006, 94, 1289–1305. [Google Scholar] [CrossRef]
- Gerkey, B.P.; Matari, M.J. Sold!: Auction methods for multirobot coordination. IEEE Trans. Robot. Autom. 2002, 18, 758–768. [Google Scholar] [CrossRef]
- Botelho, S.C.; Alami, R. M+: A scheme for multi-robot cooperation through negotiated task allocation and achievement. In Proceedings of the IEEE International Conference on Robotics and Automation, Detroit, MI, USA, 10–15 May 1999; Volume 2, pp. 1234–1239. [Google Scholar]
- Zlot, R.; Stentz, A. Complex task allocation for multiple robots. In Proceedings of the IEEE International Conference on Robotics and Automation, Barcelona, Spain, 18–22 April 2005; pp. 1515–1522. [Google Scholar]
- Oh, G.; Kim, Y.; Ahn, J.; Choi, H.-L. PSO-Based Optimal Task Allocation for Cooperative Timing Missions; Elsevier Ltd.: Amsterdam, The Netherlands, 2016; pp. 314–319. [Google Scholar]
- Elango, M.; Kanagaraj, G.; Ponnambalam, S.G. Ponnambalam. Sandholm algorithm with K-means clustering approach for multi-robot task allocation. Int. Conf. Softw. Process 2013, 8298, 14–22. [Google Scholar]
- Abukhalil, T.; Patil, M.; Patel, S.; Sobh, T. Coordinating a Heterogeneous Robot Swarm Using Robot Utility-based Task Assignment (RUTA). In Proceedings of the IEEE 14th International Workshop on Advanced Motion Control, Auckland, New Zealand, 22–24 April 2016; pp. 57–62. [Google Scholar]
- Fernandez-Gauna, B.; Etxeberria-Agiriano, I.; Graña, M. Learning Multirobot Hose Transportation and Deployment by Distributed Round-Robin Q-Learning. PLoS ONE 2015, 10, e127129. [Google Scholar] [CrossRef]
- Mathew, N.; Smith, S.L.; Waslander, S.L. Planning Paths for Package Delivery in Heterogeneous Multirobot Teams. IEEE Trans. Autom. Sci. Eng. 2015, 12, 1298–1308. [Google Scholar] [CrossRef]
- Chalkiadakis, G.; Boutilier, C. Sequentially optimal repeated coalition formation under uncertainty. Auton. Agents Multi-Agent Syst. 2012, 24, 441–484. [Google Scholar] [CrossRef]
- Matthews, T.; Ramchurn, S.; Chalkiadakis, G. Competing with humans at fantasy football: Team formation in large partially-observable domains. In Proceedings of the 26th AAAI Conference on Artificial Intelligence, Toronto, ON, Canada, 22–26 July 2012; pp. 1394–1400. [Google Scholar]
- Dasgupta, P.; Cheng, K.; Banerjee, B. Adaptive multi-robot team reconfiguration using a policy-reuse reinforcement learning approach. In Advanced Agent Technology; Springer: Berlin/Heidelberg, Germany, 2012; pp. 330–345. [Google Scholar]
- Liao, S.S.; Zhang, J.-D.; Lau, R.; Wu, T. Coalition formation based onmarginal contributions and the markov process. Decis. Supp. Syst. 2014, 57, 355–363. [Google Scholar] [CrossRef]
- Sen, S.D.; Adams, J.A. An influence diagram based multi-criteria decision making framework for multirobot coalition formation. Auton. Agents Multi-Agent Syst. 2015, 29, 1061–1090. [Google Scholar] [CrossRef]
- Zhu, P.; Fang, X. Multi-UAV Cooperative Task Assignment Based on Half Random Q-Learning. Symmetry 2021, 13, 2417. [Google Scholar] [CrossRef]
- Qie, H.; Shi, D.; Shen, T.; Xu, X.; Li, Y.; Wang, L. Joint Optimization of Multi-UAV Target Assignment and Path Planning Based on Multi-Agent Reinforcement Learning. IEEE Access 2019, 7, 146264–146272. [Google Scholar] [CrossRef]
- Li, M.; Liu, C.; Li, K.; Liao, X.; Li, K. Multi-task allocation with an optimized quantum particle swarm method. Appl. Soft Comput. 2020, 96, 106603. [Google Scholar] [CrossRef]
- Kurdi, H.; AlDaood, M.F.; Al-Megren, S.; Aloboud, E.; Aldawood, A.S.; Youcef-Toumi, K. Adaptive task allocation for multi-UAV systems based on bacteria foraging behavior. Appl. Soft Comput. 2019, 83, 105643. [Google Scholar] [CrossRef]
- Ma, X.; Dai, K.; Li, M.; Yu, H.; Shang, W.; Ding, L.; Zhang, H.; Wang, X. Optimal-Damage-Effectiveness Cooperative-Control Strategy for the Pursuit–Evasion Problem with Multiple Guided Missiles. Sensors 2022, 22, 9342. [Google Scholar] [CrossRef]
- Chen, X.; Liu, Y.; Yin, L.; Qi, L. Cooperative Task Assignment and Track Planning For Multi-UAV Attack Mobile Targets. J. Intell. Robot. Syst. 2020, 100, 1383–1400. [Google Scholar]
- Yoo, T.; Lee, S.; Yoo, K.; Kim, H. Reinforcement Learning Based Topology Control for UAV Networks. Sensors 2023, 23, 921. [Google Scholar] [CrossRef] [PubMed]
- Gao, Y.; Feng, H.; Chen, J.; Li, J.; Wei, Z. A Scalable Distributed Control Algorithm for Bearing-Only Passive UAV Formation Maintenance. Sensors 2023, 23, 3849. [Google Scholar] [CrossRef] [PubMed]
- Zhen, Z.; Xing, D.; Gao, C. Cooperative search-attack mission planning for multi-UAV based on intelligent self-organized algorithm. Aerosp. Sci. Technol. 2018, 76, 402–411. [Google Scholar] [CrossRef]
- Liu, Y.; Jiang, C.; Zhang, T.; Zhao, Z.Y.; Deng, Z.L. Multi-UAV finite-time circular formation control considering internal collision avoidance. J. Mech. Eng. 2022, 58, 61–68. [Google Scholar]
- Han, H.; Xu, Z.; Wang, J. A Q-learning-based Multi-task Multi-objective Particle Swarm Optimization Algorithm. Control. Decis. Mak. 2023, 1–9. [Google Scholar] [CrossRef]
- Huang, X.; Lei, B.; Ji, G.; Zhang, B. Energy Criticality Avoidance-Based Delay Minimization Ant Colony Algorithm for Task Assignment in Mobile-Server-Assisted Mobile Edge Computing. Sensors 2023, 23, 6041. [Google Scholar] [CrossRef] [PubMed]
- Vimal, S.; Khari, M.; Crespo, R.G.; Kalaivani, L.; Dey, N.; Kaliappan, M. Energy enhancement using Multi objective Ant colony optimization with Double Q learning algorithm for IoT based cognitive radio networks. Comput. Commun. 2020, 154, 481–490. [Google Scholar] [CrossRef]
- Fu, Y.; Shen, Y.; Tang, L. A Dynamic Task Allocation Framework in Mobile Crowd Sensing with D3QN. Sensors 2023, 23, 6088. [Google Scholar] [CrossRef] [PubMed]
- Zheng, L.; Yu, W.; Li, G.; Qin, G.; Luo, Y. Particle Swarm Algorithm Path-Planning Method for Mobile Robots Based on Artificial Potential Fields. Sensors 2023, 23, 6082. [Google Scholar] [CrossRef]


















| Ant Colony Update Parameters | |||
|---|---|---|---|
| α | β | ρ | |
| Global Search | 1.0 | 3.0 | 0.15 |
| Local Search | 1.25 | 3.50 | 0.25 |
| Maintenance Search | 1.50 | 4.0 | 0.45 |
| Slow convergence | 1.75 | 4.50 | 0.65 |
| Fast Convergence | 2.0 | 5.0 | 0.75 |
| Parameter Meaning | Parameter | Value |
|---|---|---|
| Finite time parameter | 20 | |
| Finite time gain | 1.0 | |
| Learning rate | 0.2 | |
| Discount | 0.9 | |
| Lost rate | 0.4 | |
| Gravitational coefficient | 9 | |
| Repulsion coefficient | 13 | |
| Arrival distance | 0.1 | |
| Distance threshold | 0.5 | |
| repulsive factor | 1.5 |
| UAV | Location |
|---|---|
| UAV1 | (0, 0, 0) |
| UAV2 | (0, 1, 0) |
| UAV3 | (0, −1, 0) |
| UAV4 | (0, 2, 0) |
| UAV5 | (0, −2, 0) |
| Number | Location | Number | Location |
|---|---|---|---|
| 1 | (100, 50, −1.2) | 6 | (175, 0, −0.9) |
| 2 | (200, 50, −0.8) | 7 | (125, 0, −1.5) |
| 3 | (150, 25, −1.2) | 8 | (100, −50, −0.7) |
| 4 | (150, 0, −0.7) | 9 | (150, −25, −1.0) |
| 5 | (200, 0, −0.9) | 10 | (200, −50, −1.1) |
| Number of UAV | Mission Sequence | Time of Mission |
|---|---|---|
| 1 | T1 → T2 → T5 → T10 → T8 → T7 → T3 → T6 → T9 → T4 | 223.584 s |
| 3 | T1 → T3 → T2; T7 → T4 → T6 → T5; T8 → T9 → T10; | 106.096 s |
| 5 | T3 → T4; T2 → T5; T7 → T9; T1 → T6;T8 → T10 | 93.312 s |
Disclaimer/Publisher’s Note: The statements, opinions and data contained in all publications are solely those of the individual author(s) and contributor(s) and not of MDPI and/or the editor(s). MDPI and/or the editor(s) disclaim responsibility for any injury to people or property resulting from any ideas, methods, instructions or products referred to in the content. |
© 2023 by the authors. Licensee MDPI, Basel, Switzerland. This article is an open access article distributed under the terms and conditions of the Creative Commons Attribution (CC BY) license (https://creativecommons.org/licenses/by/4.0/).
Share and Cite
Liang, Z.; Li, Q.; Fu, G. Multi-UAV Collaborative Search and Attack Mission Decision-Making in Unknown Environments. Sensors 2023, 23, 7398. https://doi.org/10.3390/s23177398
Liang Z, Li Q, Fu G. Multi-UAV Collaborative Search and Attack Mission Decision-Making in Unknown Environments. Sensors. 2023; 23(17):7398. https://doi.org/10.3390/s23177398
Chicago/Turabian StyleLiang, Zibin, Qing Li, and Guodong Fu. 2023. "Multi-UAV Collaborative Search and Attack Mission Decision-Making in Unknown Environments" Sensors 23, no. 17: 7398. https://doi.org/10.3390/s23177398
APA StyleLiang, Z., Li, Q., & Fu, G. (2023). Multi-UAV Collaborative Search and Attack Mission Decision-Making in Unknown Environments. Sensors, 23(17), 7398. https://doi.org/10.3390/s23177398

