A Wideband True Time Delay Circuit Using 0.25 µm GaN HEMT Technology
Abstract
1. Introduction
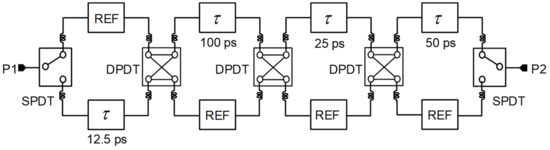
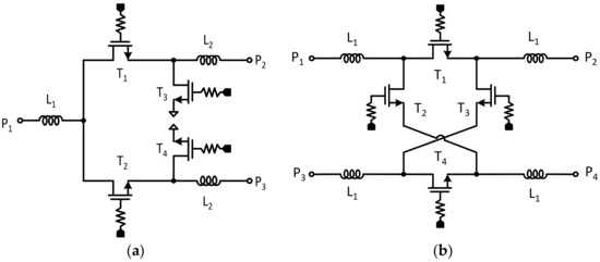
2. Design of the GaN 4-bit True Time Delay
3. Measurement Results
4. Conclusions
Author Contributions
Funding
Institutional Review Board Statement
Informed Consent Statement
Data Availability Statement
Conflicts of Interest
References
- Robinson, M.; Danielson, P.; Popovic, Z. Continuous Broadband GaAs and GaN MMIC Phase Shifters. IEEE Microw. Wirel. Compon. Lett. 2022, 32, 56–58. [Google Scholar] [CrossRef]
- Kang, D.; Hong, S. A 2–10 GHz Digital CMOS Phase Shifter for Ultra-Wideband Phased Array System. In Proceedings of the 2007 IEEE Radio Frequency Integrated Circuits Symposium, Honolulu, HI, USA, 3–5 June 2007; pp. 395–398. [Google Scholar]
- Kim, J.; Park, J.; Kim, J. CMOS true-time delay IC for wideband phased-array antenna. ETRI J. 2018, 40, 693–698. [Google Scholar] [CrossRef]
- Cho, M.; Han, J.; Kim, J.; Kim, J. An X/Ku-band Bi-directional true time delay T/R chipset in 0.13 μm CMOS technology. In Proceedings of the IEEE MTT-S International Microwave Symposium, Tampa, FL, USA, 1–6 June 2014; pp. 1–4. [Google Scholar]
- Choi, J.; Cho, M.; Baek, D.; Kim, J. A 5–20 GHz 5-Bit True Time Delay Circuit in 0.18 µm CMOS Technology. J. Semicond. Technol. Sci. 2013, 13, 193–197. [Google Scholar] [CrossRef]
- Willms, J.; Ouacha, A.; Boer, L.; Vliet, F. A wideband GaAs 6-bit true-time delay MMIC employing on-chip digital drivers. In Proceedings of the 2000 European Microwave Conference, Paris, France, 2–5 October 2000; pp. 309–312. [Google Scholar]
- Ouacha, A.; Alfredson, M.; Wilden, H. 638 mm Relative Delay 9-Bits MMIC TTD for Active Phased Array SAR/MTI. In Proceedings of the 2004 European Microwave Conference, Amsterdam, The Netherlands, 11–15 October 2004; pp. 309–312. [Google Scholar]
- Lee, W.; Valdes-Garcia, A. Continuous True-Time Delay Phase Shifter Using Distributed Inductive and Capacitive Miller Effect. IEEE Trans. Microw. Theory Tech. 2019, 67, 3053–3063. [Google Scholar] [CrossRef]
- Barker, N.; Rebeiz, G. Distributed MEMS True-Time Delay Phase Shifters and Wide-Band Switches. IEEE Trans. Microw. Theory Tech. 1998, 46, 1881–1890. [Google Scholar] [CrossRef]
- Kim, M.; Hacker, J.; Mihailovich, R.; DeNatale, J. A DC-to-40 GHz Four-Bit RF MEMS True-Time Delay Network. IEEE Microw. Wirel. Compon. Lett. 2001, 11, 56–58. [Google Scholar] [CrossRef]
- Sánchez-Escuderos, D.; Herranz-Herruzo, J.; Ferrando-Rocher, M.; Valero-Nogueira, A. True-Time-Delay Mechanical Phase Shifter in Gap Waveguide Technology for Slotted Waveguide Arrays in K a-Band. IEEE Trans. Antennas Propag. 2021, 69, 2727–2740. [Google Scholar] [CrossRef]
- Shin, D.; Yom, I.; Kim, D. 4–20 GHz GaAs True-Time Delay Amplifier MMIC. IEEE Microw. Wirel. Compon. Lett. 2017, 27, 1119–1121. [Google Scholar] [CrossRef]
- Yoon, M.; Nam, S. 7-Bit Multilayer True-Time Delay up to 1016 ps for Wideband Phased Array Antenna. IEICE Trans. Electron. 2019, E102-C, 622–626. [Google Scholar] [CrossRef]
- Chu, T.; Roderick, J.; Hashemi, H. An Integrated Ultra-Wideband Timed Array Receiver in 0.13 μm CMOS Using a Path-Sharing True Time Delay Architecture. IEEE J. Solid State Circuits 2007, 42, 2834–2850. [Google Scholar] [CrossRef]
- Ghazizadeh, M.; Medi, A. Novel Trombone Topology for Wideband True-Time-Delay Implementation. IEEE Trans. Microw. Theory Tech. 2020, 68, 1542–1552. [Google Scholar] [CrossRef]
- Hao, D.; Zhang, W.; Liu, Y. A Low Insertion Loss Variation Trombone True Time Delay in GaAs pHEMT Monolithic Microwave Integrated Circuit. IEEE Microw. Wirel. Compon. Lett. 2021, 31, 889–891. [Google Scholar] [CrossRef]
- Elamien, M.; Sheldon, A.; Maundy, B.; Belostotski, L.; Elwakil, A. Delay-Tunable Compact RC-Only All-Pass Filter. IEEE Microw. Wirel. Compon. Lett. 2021, 31, 461–464. [Google Scholar] [CrossRef]










| Reference | [5] | [6] | [13] | [16] | This Work |
|---|---|---|---|---|---|
| Frequency (GHz) | DC–20 | 2–20 | 1–7 | 6–16 | DC–7 |
| Technology | CMOS 0.18 μm | GaAs 0.2 μm | PCB | GaAs 0.25 μm | GaN 0.25 μm |
| Number of Bits | 5 | 6 | 7 | 3 | 4 |
| Time Delay Range (ps) | 106 | 145 | 1016 | 98 | 182 |
| Time Delay Resolution (ps) | 3.3 | 2.1 | 8 | 14 | 10.5 |
| Insertion Loss of Ref. (dB) | 18 | 11 | 15.6 | 3.8–10.5 | 2.8–8.3 |
| Return Loss of Ref. (dB) | ≥12 | - | ≥12 | ≥14 | ≥10 |
| RMS Amplitude Error (dB) | 2 | - | - | - | ≤0.6 |
| RMS Time Delay Error (ps) | 1 | 2.2 | - | - | ≤5 |
| Chip size (mm2) | 0.88 | 5.6 | 710 | 1.08 * | 4.3 |
Disclaimer/Publisher’s Note: The statements, opinions and data contained in all publications are solely those of the individual author(s) and contributor(s) and not of MDPI and/or the editor(s). MDPI and/or the editor(s) disclaim responsibility for any injury to people or property resulting from any ideas, methods, instructions or products referred to in the content. |
© 2023 by the authors. Licensee MDPI, Basel, Switzerland. This article is an open access article distributed under the terms and conditions of the Creative Commons Attribution (CC BY) license (https://creativecommons.org/licenses/by/4.0/).
Share and Cite
Kim, J.-G.; Baek, D. A Wideband True Time Delay Circuit Using 0.25 µm GaN HEMT Technology. Sensors 2023, 23, 6827. https://doi.org/10.3390/s23156827
Kim J-G, Baek D. A Wideband True Time Delay Circuit Using 0.25 µm GaN HEMT Technology. Sensors. 2023; 23(15):6827. https://doi.org/10.3390/s23156827
Chicago/Turabian StyleKim, Jeong-Geun, and Donghyun Baek. 2023. "A Wideband True Time Delay Circuit Using 0.25 µm GaN HEMT Technology" Sensors 23, no. 15: 6827. https://doi.org/10.3390/s23156827
APA StyleKim, J.-G., & Baek, D. (2023). A Wideband True Time Delay Circuit Using 0.25 µm GaN HEMT Technology. Sensors, 23(15), 6827. https://doi.org/10.3390/s23156827

