Interference Level Detector with PCB HDI Rogowski coil for PLC Narrow-Band Applications
Abstract
1. Introduction
1.1. Literature Review
1.2. Contributions
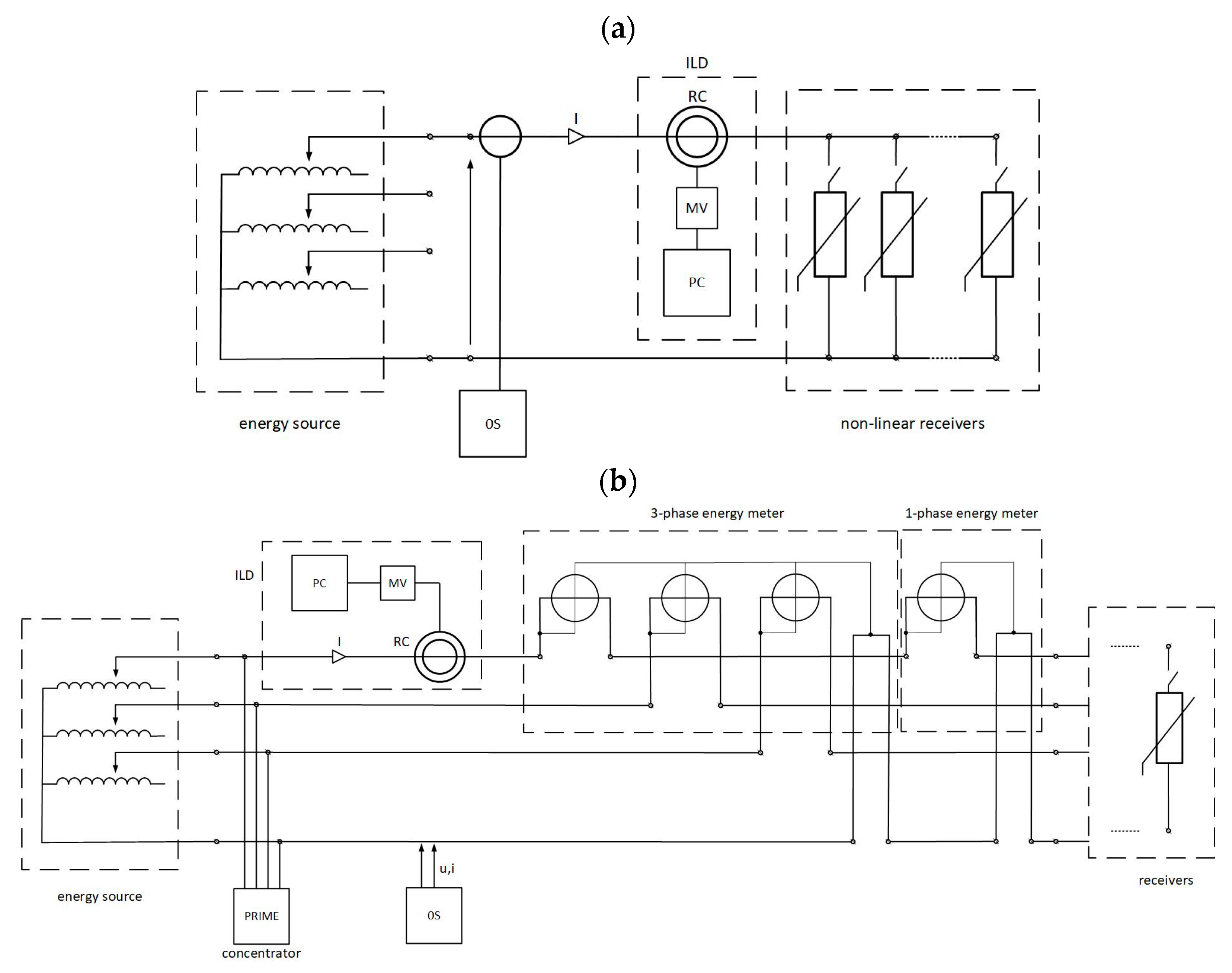
- Based on the Rogowski coil, appropriately designed and constructed with PCB HDI technology, the concept of the measuring system intended for e-management of detection and measurement of current harmonics with a frequency range from 2 kHz to 150 kHz was developed. Since the interference level detector is intended for use both in low-power and high-power grids, the geometric dimensions of the Rogowski coil have been carefully chosen so that it is possible to perform measurements in wires (cables) with a diameter of up to 0.05 m, which are the most common in such grids. The construction of the coil, made with PCB technology, was a compromise with respect to the value of the transformation ratio, equal to 1 mV/A (at 50 Hz), and the effective measurement frequency bandwidth, which was extended up to 150 kHz.
- Validation was performed for a harmonics current of 5 mA within the range of 1 kHz-150 kHz, respectively. The study of the PLC communication in a low-voltage power grid (in PRIME technology) and signal detection efficiency was carried out for randomly distorted currents as well as voltage waveforms due to linear and/or non-linear electrical energy receivers being fed from the grid.
2. Structure of the Assumed Design and Operational Parameters of the Detector
2.1. Construction of the Detector and the Principle of Operation
2.2. Advantages over Other Solutions
3. Method and Scope of Validation
4. Investigation of Interference in the Low-Voltage Network with PLC Transmission
4.1. Sources of Interference of Narrow-Band PLC Transmission in the Low-Voltage Power Grid
4.2. Purpose and Scope of Research
5. Conclusions
Author Contributions
Funding
Institutional Review Board Statement
Informed Consent Statement
Data Availability Statement
Conflicts of Interest
References
- Yigit, M.; Gungor, V.C.; Tuna, G.; Rangoussi, M.; Fadel, E. Power line communication technologies for smart grid applications: A review of advances and challenges. Comput. Netw. 2014, 70, 366–383. [Google Scholar] [CrossRef]
- Bian, D.; Kuzlu, M.; Pipattanasomporn, M.; Rahman, S.; Shi, D. Performance evaluation of communication technologies and network structure for smart grid applications. IET Commun. 2019, 13, 1025–1033. [Google Scholar] [CrossRef]
- Lopez, G.; Matanza, J.; De La Vega, D.; Castro, M.; Arrinda, A.; Moreno, J.I.; Sendin, A. The role of power line communications in the smart grid revisited: Applications, challenges, and research initiatives. IEEE Access 2019, 7, 117346–117368. [Google Scholar] [CrossRef]
- EN 5006; Signalling on Low-Voltage Electrical Installations in the Frequency Range 3 kHz to 148.5 kHz. European Committee for Electrotechnical Standardization (CENELEC): Brussels, Belgium, 2011.
- Rahman, M.J.; Lampe, L. On Noise Correlation in Interference Alignment for MIMO Power Line Communications. In Proceedings of the 2019 IEEE Global Communications Conference (GLOBECOM), Waikoloa, HI, USA, 9–13 December 2019; pp. 1–5. [Google Scholar]
- Wasowski, M.; Sikorski, T.; Wisniewski, G.; Kostyla, P.; Szymanda, J.; Habrych, M.; Gornicki, L.; Sokol, J.; Jurczyk, M. The impact of supply voltage waveform distortion on non-intentional emission in the frequency range 2–150 kHz: An experimental study with power-line communication and selected end-user equipment. Energies 2021, 14, 777. [Google Scholar] [CrossRef]
- Wasowski, M.; Habrych, M.; Sikorski, T.; Kostyła, P.; Jurczyk, M.; Gornicki, L.; Sokol, J.; Golemo, M. Sources of Non-Intentional Supraharmonics in LV Network and Its Impact on OSGP PLC Communication–Experimental Study. IEEE Trans. Power Deliv. 2022, 37, 5244–5254. [Google Scholar] [CrossRef]
- Mendes, T.M.; Duque, C.A.; da Silva, L.R.M.; Ferreira, D.D.; Meyer, J.; Ribeiro, P.F. Comparative analysis of the measurement methods for the supraharmonic range. Int. J. Electr. Power Energy Syst. 2020, 118, 105801. [Google Scholar] [CrossRef]
- Alfalahi, S.T.; Alkahtani, A.A.; Al-Shetwi, A.Q.; Al-Ogaili, A.S.; Abbood, A.A.; Mansor, M.B.; Fazea, Y. Supraharmonics in power grid: Identification, standards, and measurement techniques. IEEE Access 2021, 9, 103677–103690. [Google Scholar] [CrossRef]
- Rheem, Y.W.; Kim, C.G.; Kim, C.O.; Yoon, S.S. Current sensor application of asymmetric giant magnetoimpedance in amorphous materials. Sens. Actuators A Phys. 2003, 106, 19–21. [Google Scholar] [CrossRef]
- Ripka, P. Electric current sensors: A review. Meas. Sci. Technol. 2010, 21, 112001. [Google Scholar] [CrossRef]
- MV BPL Inductive Coupler UNIC. Available online: https://www.arteche.com/en/mv-bpl-inductive-coupler-unic (accessed on 31 May 2023).
- Habrych, M.; Miedzinski, B.; Wisniewski, G.; Lisowiec, A.; Michalski, P.; Solovev, D.B. Scalable System with Rogowski Coil for E-management of Detection and Measurement of PLC Interference in Electric Power Grids. In Proceedings of the 2019 International Multi-Conference on Industrial Engineering and Modern Technologies (FarEastCon), Vladivostok, Russia, 1–4 October 2019; pp. 1–7. [Google Scholar]
- Amaripadath, D.; Roche, R.; Joseph-Auguste, L.; Istrate, D.; Fortune, D.; Braun, J.P.; Gao, F. Measurement of supraharmonic emissions (2–150 kHz) in real grid scenarios. In Proceedings of the 2018 Conference on Precision Electromagnetic Measurements (CPEM 2018), Paris, France, 8–13 July 2018; pp. 1–2. [Google Scholar]
- Khokhlov, V.; Meyer, J.; Grevener, A.; Busatto, T.; Rönnberg, S. Comparison of measurement methods for the frequency range 2–150 kHz (supraharmonics) based on the present standards framework. IEEE Access 2020, 8, 77618–77630. [Google Scholar] [CrossRef]
- Li, F.C.; Liu, T.; Zhang, J.Y.; Shuang, S.; Wang, Q.; Wang, A.D.; Wang, J.G.; Yang, Y. Amorphous–nanocrystalline alloys: Fabrication, properties, and applications. Mater. Today Adv. 2019, 4, 100027. [Google Scholar] [CrossRef]
- Meyer, J.; Bollen, M.; Amaris, H.; Blanco, A.M.; de Castro, A.G.; Desmet, J.; Klatt, M.; Kocewiak, Ł.; Rönnberg, S.; Yang, K. Future work on harmonics-some expert opinions Part II-supraharmonics, standards and measurements. In Proceedings of the 2014 16th International Conference on Harmonics and Quality of Power (ICHQP), Bucharest, Romania, 25–28 May 2014; pp. 909–913. [Google Scholar]
- Amaripadath, D.; Roche, R.; Joseph-Auguste, L.; Istrate, D.; Fortune, D.; Braun, J.P.; Gao, F. Power quality disturbances on smart grids: Overview and grid measurement configurations. In Proceedings of the 2017 52nd International Universities Power Engineering Conference (UPEC), Crete, Greece, 28–31 August 2017; pp. 1–6. [Google Scholar]
- Habrych, M.; Wisniewski, G.; Miedziński, B.; Lisowiec, A.; Fjałkowski, Z. HDI PCB Rogowski coils for automated electrical power system applications. IEEE Trans. Power Deliv. 2017, 33, 1536–1544. [Google Scholar] [CrossRef]
- Jiao, C.; Zhang, J.; Zhao, Z.; Zhang, Z.; Fan, Y. Research on Small Square PCB Rogowski Coil Measuring Transient Current in the Power Electronics Devices. Sensors 2019, 19, 4176. [Google Scholar] [CrossRef] [PubMed]
- Liu, X.; He, Y.; Huang, H.; Thrimawithana, D.J. Design and Optimization Methods of the Header of HDI PCB Rogowski Current Sensors. IEEE Trans. Instrum. Meas. 2022, 71, 1–10. [Google Scholar] [CrossRef]














Disclaimer/Publisher’s Note: The statements, opinions and data contained in all publications are solely those of the individual author(s) and contributor(s) and not of MDPI and/or the editor(s). MDPI and/or the editor(s) disclaim responsibility for any injury to people or property resulting from any ideas, methods, instructions or products referred to in the content. |
© 2023 by the authors. Licensee MDPI, Basel, Switzerland. This article is an open access article distributed under the terms and conditions of the Creative Commons Attribution (CC BY) license (https://creativecommons.org/licenses/by/4.0/).
Share and Cite
Lisowiec, A.; Habrych, M.; Michalski, P.; Miedzinski, B.; Wisniewski, G. Interference Level Detector with PCB HDI Rogowski coil for PLC Narrow-Band Applications. Sensors 2023, 23, 6682. https://doi.org/10.3390/s23156682
Lisowiec A, Habrych M, Michalski P, Miedzinski B, Wisniewski G. Interference Level Detector with PCB HDI Rogowski coil for PLC Narrow-Band Applications. Sensors. 2023; 23(15):6682. https://doi.org/10.3390/s23156682
Chicago/Turabian StyleLisowiec, Aleksander, Marcin Habrych, Pawel Michalski, Bogdan Miedzinski, and Grzegorz Wisniewski. 2023. "Interference Level Detector with PCB HDI Rogowski coil for PLC Narrow-Band Applications" Sensors 23, no. 15: 6682. https://doi.org/10.3390/s23156682
APA StyleLisowiec, A., Habrych, M., Michalski, P., Miedzinski, B., & Wisniewski, G. (2023). Interference Level Detector with PCB HDI Rogowski coil for PLC Narrow-Band Applications. Sensors, 23(15), 6682. https://doi.org/10.3390/s23156682

