Design of a Low-Power and Low-Area 8-Bit Flash ADC Using a Double-Tail Comparator on 180 nm CMOS Process
Abstract
:1. Introduction
2. Design and Implementation
2.1. 8:1 Analog MUX
2.2. Comparator Block
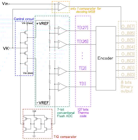
2.2.1. TIQ Comparator
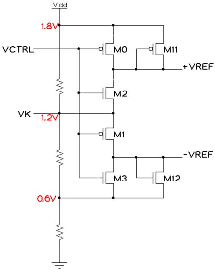
2.2.2. Control Circuit
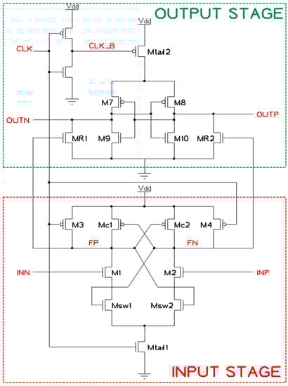
2.2.3. DT Comparator
2.3. Encoder Block
2.4. SPI Block
3. Simulation Results
3.1. 8:1 Analog MUX
3.2. Comparator Block
3.2.1. TIQ Comparator
3.2.2. Control Circuit
3.2.3. DT Comparator
3.2.4. Full Design of the Comparator Block
3.3. Encoder Block
3.4. SPI Block
3.5. Full Design Simulation
4. Measurements and Comparison
4.1. Characteristics and Measurements
4.2. Chip Fabrication
4.3. Summary and Comparison
5. Conclusions
Author Contributions
Funding
Institutional Review Board Statement
Informed Consent Statement
Data Availability Statement
Conflicts of Interest
References
- Smith, G.M. Types of A/D Converters—The Ultimate Guide. Available online: https://dewesoft.com/daq/types-of-adc-converters (accessed on 5 July 2021).
- Arunkumar, K.; Ramesh, R.; Geethalakshmi, R.; Archana, T. Low power dynamic comparator design for high speed ADC application. In Proceedings of the 2018 International Conference on Current Trends towards Converging Technologies (ICCTCT), Coimbatore, India, 1–3 March 2018; pp. 1–6. [Google Scholar]
- Wang, H.; Du, Y.; Jia, X.; Fan, Y. A Low-power Continuous-time Comparator with Enhanced Bias Current at the Flip Point. In Proceedings of the 11th IEEE, International Conference on ASIC (ASICON), Chengdu, China, 3–6 November 2015; pp. 1–4. [Google Scholar]
- Abumurad, A.; Choi, K. Design procedure and selection of TIQ comparators for flash ADCs. Circuits Syst. Signal Process 2018, 37, 500–531. [Google Scholar] [CrossRef]
- Talukder, A.A.; Sarker, M.S. A Three-bit Threshold Inverter Quantization based CMOS Flash ADC. In Proceedings of the 4th IEEE International Conference on Advances in Electrical Engineering (ICAEE), Dhaka, Bangladesh, 28–30 September 2017; pp. 352–356. [Google Scholar]
- Abumurad, A.; Ozdemir, A.; Choi, K. 10-bit flash ADCs and beyond: An automated framework for TIQ flash ADCs design. Circuits Syst. Signal Process 2019, 38, 4314–4330. [Google Scholar] [CrossRef]
- Rajashekar, G.; Bhat, M.S. Design of resolution adaptive TIQ flash ADC using AMS 0.35 μm technology. In Proceedings of the 2008 International Conference on Electronic Design, Penang, Malaysia, 1–3 December 2008; pp. 1–6. [Google Scholar]
- Al, A.; Reaz MB, I.; Jalil, J.; Ali, M.A.B.M. An improved a low power CMOS TIQ comparator flash ADC. TELKOMNIKA Indones. J. Electr. Eng. 2014, 12, 5204–5210. [Google Scholar] [CrossRef]
- Mayur, S.M.; Siddharth, R.K.; Nithin Kumar, Y.B.; Vasantha, M.H. Design of Low Power 4-Bit 400MS/s Standard Cell Based Flash ADC. In Proceedings of the IEEE Computer Society Annual Symposium on VLSI (ISVLSI), Bochum, Germany, 3–5 July 2017; pp. 600–603. [Google Scholar]
- Babayan-Mashhadi, S.; Lotfi, R. Analysis and Design of a Low-voltage Low-power Double-tail Comparator. IEEE Trans. Very Large-Scale Integr. (VLSI) Syst. 2013, 22, 343–352. [Google Scholar] [CrossRef]
- Aakash, S.; Anisha, A.; Das, G.J.; Abhiram, T.; Anita, J.P. Design of a low power, high speed double tail comparator. In Proceedings of the 2017 International Conference on Circuit, Power and Computing Technologies (ICCPCT), Kollam, India, 20–21 April 2017; pp. 1–5. [Google Scholar]
- Varshney, V.; Nagaria, R.K. Design and analysis of ultra high-speed low-power double tail dynamic comparator using charge sharing scheme. AEU-Int. J. Electron. Commun. 2020, 116, 153068. [Google Scholar] [CrossRef]
- Kumar, S.; Nagesh, C. Design of a Two-Step Low-Power and High-Speed CMOS Flash ADC Architecture. In Proceedings of the 24th IEEE International Symposium on VLSI Design and Test (VDAT), Bhubaneswar, India, 23–25 July 2020; pp. 1–6. [Google Scholar]
- Schiefer, M.J. “Verilog-Spi” Repository. Available online: https://github.com/janschiefer/verilog_spi (accessed on 12 August 2022).
- Wei, H.G.; Chio, U.F.; Zhu, Y.; Sin, S.W.; Seng-Pan, U.; Martins, R.P. A Power Scalable 6-bit 1.2 GS/s Flash ADC with Power on/off Track-and-Hold and Preamplifier. In Proceedings of the 2008 IEEE International Symposium on Circuits and Systems, Seattle, WA, USA, 18–21 May 2008; pp. 5–8. [Google Scholar]
- Ramesh, J.; Gunavathi, K. A 8-Bit TIQ Based 780 MSPS CMOS Flash A/D Converter. In Proceedings of the International Conference on Computational Intelligence and Multimedia Applications (ICCIMA 2007), Sivakasi, India, 13–15 December 2007; Volume 2, pp. 201–208. [Google Scholar]
- Xu, Y.; Wu, G.; Belostotski, L.; Haslett, J.W. 5-bit 5-GS/s noninterleaved time-based ADC in 65-nm CMOS for radio-astronomy applications. IEEE Trans. Very Large Scale Integr. (VLSI) Syst. 2016, 24, 3513–3525. [Google Scholar] [CrossRef]
- Wang, I.H.; Lee, H.Y.; Liu, S.I. An 8-bit 20-MS/s ZCBC time-domain analog-to-digital data converter. IEEE Trans. Circuits Syst. II Express Briefs 2009, 56, 545–549. [Google Scholar] [CrossRef]
- Yang, X.; Bae, S.J.; Lee, H.S. An 8-bit 2.8 GS/s Flash ADC with Time-based Offset Calibration and Interpolation in 65 nm CMOS. In Proceedings of the ESSCIRC 2019-IEEE 45th European Solid State Circuits Conference (ESSCIRC), Cracow, Poland, 23–26 September 2019; pp. 305–308. [Google Scholar]
- Murmann, B. ADC Performance Survey 1997–2022. Available online: http://web.stanford.edu/~murmann/adcsurvey.html (accessed on 5 December 2022).





















| SEL2 | SEL1 | SEL0 | OUT |
|---|---|---|---|
| 0 | 0 | 0 | IN0 |
| 0 | 0 | 1 | IN1 |
| 0 | 1 | 0 | IN2 |
| 0 | 1 | 1 | IN3 |
| 1 | 0 | 0 | IN4 |
| 1 | 0 | 1 | IN5 |
| 1 | 1 | 0 | IN6 |
| 1 | 1 | 1 | IN7 |
| Value | Unit | |
|---|---|---|
| INL (sigma) | 0.591 | LSB |
| DNL (sigma) | 0.189 | LSB |
| Sampling rate | 80 | MHz |
| ENOB | 5.323 | bit |
| SFDR | 31.44 | dB |
| Power | 2.81 | mW |
| FOM | 877.47 | fJ/step |
| This Design | [15] | [16] | [17] | [18] | [19] | |
|---|---|---|---|---|---|---|
| Process | 180 nm | 90 nm | 180 nm | 65 nm | 180 nm | 65 nm |
| Resolution | 8-bit | 6-bit | 8-bit | 5-bit | 8-bit | 8-bit |
| Supply | 1.8 V | 1.2 V | 1.8 V | 1.0 V | 1.8 V | 1.0 V |
| Samling rate | 80 MHz | 1.2 GHz | 780 MHz | 5 GHz | 20 MHz | 2.8 GHz |
| Area (mm2) | 0.088 | - | - | 0.17 | 0.84 | 0.22 |
| Power (mW) | 2.81 | 21.1 | 53.0 | 21.0 | 4.64 | 51.0 |
| FOM (fJ/step) | 877.47 | 900 | - | 170 | 1600 | 153 |
Disclaimer/Publisher’s Note: The statements, opinions and data contained in all publications are solely those of the individual author(s) and contributor(s) and not of MDPI and/or the editor(s). MDPI and/or the editor(s) disclaim responsibility for any injury to people or property resulting from any ideas, methods, instructions or products referred to in the content. |
© 2022 by the authors. Licensee MDPI, Basel, Switzerland. This article is an open access article distributed under the terms and conditions of the Creative Commons Attribution (CC BY) license (https://creativecommons.org/licenses/by/4.0/).
Share and Cite
Thai, H.-H.; Pham, C.-K.; Le, D.-H. Design of a Low-Power and Low-Area 8-Bit Flash ADC Using a Double-Tail Comparator on 180 nm CMOS Process. Sensors 2023, 23, 76. https://doi.org/10.3390/s23010076
Thai H-H, Pham C-K, Le D-H. Design of a Low-Power and Low-Area 8-Bit Flash ADC Using a Double-Tail Comparator on 180 nm CMOS Process. Sensors. 2023; 23(1):76. https://doi.org/10.3390/s23010076
Chicago/Turabian StyleThai, Hong-Hai, Cong-Kha Pham, and Duc-Hung Le. 2023. "Design of a Low-Power and Low-Area 8-Bit Flash ADC Using a Double-Tail Comparator on 180 nm CMOS Process" Sensors 23, no. 1: 76. https://doi.org/10.3390/s23010076
APA StyleThai, H.-H., Pham, C.-K., & Le, D.-H. (2023). Design of a Low-Power and Low-Area 8-Bit Flash ADC Using a Double-Tail Comparator on 180 nm CMOS Process. Sensors, 23(1), 76. https://doi.org/10.3390/s23010076

