A 40 MHz 11-Bit ENOB Delta Sigma ADC for Communication and Acquisition Systems
Abstract
1. Introduction
2. Delta Sigma ADC Architecture
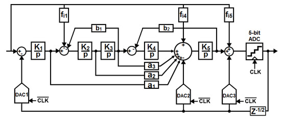
2.1. Loop Architecture
2.2. Decimation Filter
3. Circuit Design
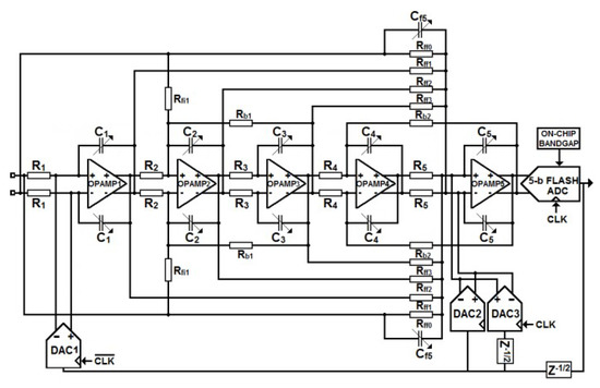
3.1. Loop Filter
- The inverting/non-inverting input of the opamp are virtual grounds
- All the noise source are uncorrelated
- The main contributor to DAC noise is the bottom NMOS transistor. The noise contribution of the NMOS cascode transistor and the switching transistors can be neglected.
- The main contributor to the opamp noise is the input transistors pair
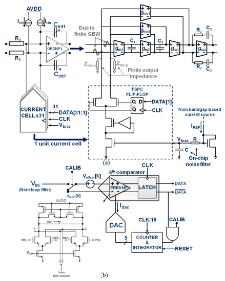
3.2. DACs and Quantizer
3.3. Decimation Filter
4. Prototype and Measurement Results
4.1. General
4.2. Measurement Results
5. Conclusions
Author Contributions
Funding
Institutional Review Board Statement
Informed Consent Statement
Conflicts of Interest
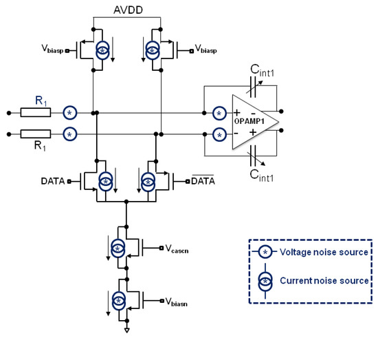
Appendix A. Front-End Noise Calculation
- The inverting/non-inverting input of the opamp are virtual grounds
- All the noise sources are uncorrelated
- The main contributor to DAC noise is the bottom NMOS transistor. The noise contribution of the NMOS cascode transistor and the switching transistors can be neglected
- The main contributor to the opamp noise is the input transistors pair
- K: Boltzmann constant
- T: absolute temperature
- N: quantizer resolution
- : input resistance of the main integrator
- : transconductance of a unit current cell in DAC1
- : transconductance of the current cells that control the common mode
- : transconductance of the input transistors of opamp1
- : The biasing current of opamp1
- : LSB current of DAC1
- : common-mode current
- f: frequency
- : Gate-oxide capacitance per unit area
- , : flicker noise constant of the bottom and top current, respectively
- : flicker noise constant of the input transistors of opamp1
- : channel length of the top PMOS current sources
- : channel length of the bottom NMOS current sources
- : channel length of the input transistors of opamp1

References
- Murmann, B. ADC Performance Survey 1997–2021. Available online: Http://web.stanford.edu/murmann/adcsurvey.html (accessed on 1 September 2022).
- Zhang, C.; Breems, L.; Liu, Q.; Radulov, G.; Bolatkale, M.; Bajoria, S.; Rutten, R.; van Roermund, A. A 6 GS/s 0.5 GHz BW continuous-time 2-1-1 MASH ΔΣ modulator with phase-boosted current-mode ELD compensation in 40 nm CMOS. In Proceedings of the ESSCIRC 2021—IEEE 47th European Solid State Circuits Conference (ESSCIRC), Grenoble, France, 13–22 September 2021; pp. 491–494. [Google Scholar] [CrossRef]
- Ortmanns, M. Wideband and Low-Power Delta-Sigma ADCs: State of the Art, Trends and Implementation Examples. In Proceedings of the ESSCIRC 2021—IEEE 47th European Solid State Circuits Conference (ESSCIRC), Grenoble, France, 13–22 September 2021; pp. 28–35. [Google Scholar] [CrossRef]
- Hayashi, T.; Inabe, Y.; Uchimura, K.; Kimura, T. A multistage delta-sigma modulator without double integration loop. In Proceedings of the 1986 IEEE International Solid-State Circuits Conference. Digest of Technical Papers, Anaheim, CA, USA, 19–21 February 1986; Volume XXIX; pp. 182–183. [Google Scholar] [CrossRef]
- Qi, L.; Liu, Y.; Sin, S.W.; Xing, X.; Wang, G.; Ortmanns, M.; Martins, R.P. Wideband Continuous-Time MASH Delta-Sigma Modulators: A Tutorial Review. IEEE Trans. Circuits Syst. II Express Briefs 2022, 69, 2623–2628. [Google Scholar] [CrossRef]
- Yoon, D.; Ho, S.; Lee, H. 15.1 An 85 dB-DR 74.6 dB-SNDR 50 MHz-BW CT MASH ΔΣ modulator in 28 nm CMOS. In Proceedings of the 2015 IEEE International Solid-State Circuits Conference— (ISSCC) Digest of Technical Papers, San Francisco, CA, USA, 22–26 February 2015; pp. 1–3. [Google Scholar] [CrossRef]
- Shettigar, P.; Pavan, S. A 15mW 3.6GS/s CT-ΔΣ ADC with 36MHz bandwidth and 83dB DR in 90nm CMOS. In Proceedings of the 2012 IEEE International Solid-State Circuits Conference, San Francisco, CA, USA, 19–23 February 2012; pp. 156–158. [Google Scholar] [CrossRef]
- Baluni, A.; Pavan, S. A 20 MHz Bandwidth Continuous-Time Delta-Sigma ADC Achieving 82.1 dB SNDR and >100 dB SFDR Using a Time-Interleaved Virtual-Ground-Switched FIR Feedback DAC. In Proceedings of the 2020 IEEE Custom Integrated Circuits Conference (CICC), Boston, MA, USA, 22–25 March 2020. [Google Scholar] [CrossRef]
- Lo, T.; Weng, C.; Hsieh, H.; Shu, Y.; Chiu, P. An 8 X–OSR 25MHz-BW 79.4 dB/74 dB DR/SNDR CT ΔΣ Modulator Using 7b Linearized Segmented DACs with Digital Noise-Coupling-Compensation Filter in 7 nm FinFET CMOS. In Proceedings of the 2019 IEEE International Solid- State Circuits Conference—(ISSCC), San Francisco, CA, USA, 17–21 February 2019; pp. 334–336. [Google Scholar] [CrossRef]
- Xing, K.; Wang, W.; Zhu, Y.; Chan, C.H.; Martins, R.P. A 10.4 mW 50 MHz-BW 80 dB-DR Single-Opamp Third-Order CTSDM with SAB-ELD-Merged Integrator and 3-Stage Opamp. In Proceedings of the 2020 IEEE Symposium on VLSI Circuits, Honolulu, HI, USA, 16–19 June 2020; pp. 1–2. [Google Scholar] [CrossRef]
- Mitteregger, G.; Ebner, C.; Mechnig, S.; Blon, T.; Holuigue, C.; Romani, E.; Melodia, A.; Melini, V. A 14b 20 mW 640 MHz CMOS CT ΔΣ ADC with 20 MHz Signal Bandwidth and 12b ENOB. In Proceedings of the 2006 IEEE International Solid State Circuits Conference—Digest of Technical Papers, San Francisco, CA, USA, 6–9 February 2006; pp. 131–140. [Google Scholar] [CrossRef]
- Jiang, R.; Fiez, T.S. A 14-bit delta-sigma ADC with 8 x OSR and 4-MHz conversion bandwidth in a 0.18-/spl mu/m CMOS process. IEEE J. Solid-State Circuits 2004, 39, 63–74. [Google Scholar] [CrossRef]
- He, T.; Ashburn, M.; Ho, S.; Zhang, Y.; Temes, G. A 50 MHz-BW continuous-time ΔΣ ADC with dynamic error correction achieving 79.8 dB SNDR and 95.2 dB SFDR. In Proceedings of the 2018 IEEE International Solid—State Circuits Conference—(ISSCC), San Francisco, CA, USA, 11–15 February 2018; pp. 230–232. [Google Scholar] [CrossRef]
- Baird, R.; Fiez, T. Stability analysis of high-order delta-sigma modulation for ADC’s. IEEE Trans. Circuits Syst. II Analog Digit. Signal Process. 1994, 41, 59–62. [Google Scholar] [CrossRef] [PubMed]
- Schreier, R.; Temes, G.C. Understanding Delta-Sigma Data Converters; Wiley: Hoboken, NJ, USA, 2005. [Google Scholar]
- Jiang, R.; Fiez, T. A 1.8 V 14 b /spl Delta//spl Sigma/ A/D converter with 4MSamples/s conversion. In Proceedings of the 2002 IEEE International Solid-State Circuits Conference. Digest of Technical Papers (Cat. No.02CH37315), San Francisco, CA, USA, 7 February 2002; Volume 1, pp. 220–461. [Google Scholar] [CrossRef]
- Samadpoor Rikan, B.; Kim, S.Y.; Ahmad, N.; Abbasizadeh, H.; Riaz Ur Rehman, M.; Shehzad, K.; Hejazi, A.; E. Rad, R.; Verma, D.; Lee, K.Y. A Sigma-Delta ADC for Signal Conditioning IC of Automotive Piezo-Resistive Pressure Sensors with over 80 dB SNR. Sensors 2018, 18, 4199. [Google Scholar] [CrossRef] [PubMed]
- Hogenauer, E. An economical class of digital filters for decimation and interpolation. IEEE Trans. Acoust. Speech Signal Process. 1981, 29, 155–162. [Google Scholar] [CrossRef]
- Jabbour, C.; Fakhoury, H.; Nguyen, V.T.; Loumeau, P. A novel design methodology for multiplierless filters applied on ΔΣ decimators. In Proceedings of the 18th IEEE International Conference on Electronics, Circuits and Systems (ICECS), Beirut, Lebanon, 11–14 December 2011; pp. 244–247. [Google Scholar] [CrossRef]
- Witte, P.; Kauffman, J.G.; Becker, J.; Manoli, Y.; Ortmanns, M. A 72dB-DR ΔΣ CT modulator using digitally estimated auxiliary DAC linearization achieving 88 fJ/conv in a 25 MHz BW. In Proceedings of the 2012 IEEE International Solid-State Circuits Conference, San Francisco, CA, USA, 19–23 February 2012; pp. 154–156. [Google Scholar] [CrossRef]
- Xia, B.; Yan, S.; Sanchez-Sinencio, E. An RC time constant auto-tuning structure for high linearity continuous-time Sigmal Delta modulators and active filters. IEEE Trans. Circuits Syst. I Regul. Pap. 2004, 51, 2179–2188. [Google Scholar] [CrossRef]
- Shu, Y.S.; Tsai, J.Y.; Chen, P.; Lo, T.Y.; Chiu, P.C. A 28 fJ/conv-step CT ΔΣ modulator with 78 dB DR and 18 MHz BW in 28 nm CMOS using a highly digital multibit quantizer. In Proceedings of the 2013 IEEE International Solid-State Circuits Conference Digest of Technical Papers, San Francisco, CA, USA, 17–21 February 2013; pp. 268–269. [Google Scholar] [CrossRef]
- Wu, B.; Zhu, S.; Xu, B.; Chiu, Y. 15.1 A 24.7 mW 45 MHz-BW 75.3 dB-SNDR SAR-assisted CT ΔΣ modulator with 2nd-order noise coupling in 65 nm CMOS. In Proceedings of the 2016 IEEE International Solid-State Circuits Conference (ISSCC), San Francisco, CA, USA, January 31–4 February 2016; pp. 270–271. [Google Scholar] [CrossRef]
- Dong, Y.; Schreier, R.; Yang, W.; Korrapati, S.; Sheikholeslami, A. 29.2 A 235 mW CT 0–3 MASH ADC achieving -167 dBFS/Hz NSD with 53 MHz BW. In Proceedings of the 2014 IEEE International Solid-State Circuits Conference Digest of Technical Papers (ISSCC), San Francisco, CA, USA, 9–13 February 2014; pp. 480–481. [Google Scholar] [CrossRef]












| Configuration | Without Feed-In | With Feed-In |
|---|---|---|
| Integrator 1 | ±261 mV | ±235 mV |
| Integrator 2 | ±247 mV | ±67 mV |
| Integrator 3 | ±313 mV | ±52 mV |
| Integrator 4 | ±450 mV | ±48 mV |
| Integrator 5 | ±766 mV | ±421 mV |
| Order | k1 | k2 | k3 | k4 | k5 | a1 |
|---|---|---|---|---|---|---|
| 5 | 1.44 | 0.69 | 0.44 | 0.22 | 8.90 | 5.93 |
| a2 | a3 | fi1 | fi4 | fi5 | b1 | b2 |
| 5.93 | 4.45 | 0.17 | 6.67 | 2 | 0.46 | 0.022 |
| OSR | Ripple | ||
|---|---|---|---|
| ADC Decimated | |||
| 8 | 88.01 dB | 77.14 dB | ±0.04 dB |
| 16 | 92.1 dB | 80.32 dB | ±0.13 dB |
| 32 | 92.2 dB | 83.22 dB | ±0.18 dB |
| Comb6 | HB | Equalizer | Overall | |
|---|---|---|---|---|
| nb of gates | 1449 | 1380 | 5349 | 8193 |
| area (mm2) | 0.025 | 0.02 | 0.077 | 0.122 |
| Leakage (mW) | Dynamic (mW) | Total (mW) | |
|---|---|---|---|
| OSR = 32 Comb | 0.175 | 4.871 | 5.046 |
| HB | 0.115 | 0.354 | 0.469 |
| EQ | 0.375 | 1.134 | 1.506 |
| Dec | 0.665 | 6.56 | 7.02 |
| OSR = 16 Comb | 0.175 | 4.825 | 5.001 |
| HB | 0.115 | 0.719 | 0.834 |
| EQ | 0.375 | 2.381 | 2.755 |
| Dec | 0.665 | 8.168 | 8.833 |
| OSR = 8 Comb | 0.175 | 4.820 | 5.001 |
| HB | 0.115 | 1.450 | 1.519 |
| EQ | 0.375 | 4.789 | 5.163 |
| Dec | 0.665 | 11.248 | 11.913 |
| Xing-20 [10] | Lo-19 [9] | He-18 [13] | Wu-16 [23] | Dong-14 [24] | Mit.-06 [11] | This Work | |
|---|---|---|---|---|---|---|---|
| Architecture | 2nd Order Loop with 4-Bit SAR | 1st Order Loop with 7-Bit SAR | 4th Order Loop with ISI Calib | 6th Order Noise Coupling | 3-1 Sturdy MASH | 3rd Order Loop with 4-Bit Flash | 5th Order Loop with 5-Bit Flash |
| Process (nm) | 28 | 7 | 28 | 65 | 28 | 130 | 65 |
| (MHz) | 1560 | 400 | 2000 | 900 | 3200 | 640 | 640 |
| BW (MHz) | 50 | 25 | 50 | 45 | 45 | 20 | 40 |
| OSR | 15 | 8 | 20 | 10 | 35 | 16 | 8 |
| DR (dB) | 80.6 | 79.4 | 82.8 | 82.5 | 90 | 80 | 71.4 |
| SNDR (dB) | 74.4 | 74.0 | 79.8 | 75.3 | 72.6 | 74 | 68.6 |
| P. Mod. (mW) | 10.4 | 3.8 | 64.3 | 24.7 | 235 | 20 | 82.3 |
| P. Dec. (mW) | - | - | - | - | - | 20 | 12.3 |
| FOMW (fj/st.) | 24.2 | 18.6 | 80.5 | 57.7 | 748 | 120 | 503 |
| FOMS (dB) | 177.1 | 177.6 | 171.7 | 167.9 | 172.9 | 170 | 158.1 |
Disclaimer/Publisher’s Note: The statements, opinions and data contained in all publications are solely those of the individual author(s) and contributor(s) and not of MDPI and/or the editor(s). MDPI and/or the editor(s) disclaim responsibility for any injury to people or property resulting from any ideas, methods, instructions or products referred to in the content. |
© 2022 by the authors. Licensee MDPI, Basel, Switzerland. This article is an open access article distributed under the terms and conditions of the Creative Commons Attribution (CC BY) license (https://creativecommons.org/licenses/by/4.0/).
Share and Cite
Fakhoury, H.; Jabbour, C.; Nguyen, V.-T. A 40 MHz 11-Bit ENOB Delta Sigma ADC for Communication and Acquisition Systems. Sensors 2023, 23, 36. https://doi.org/10.3390/s23010036
Fakhoury H, Jabbour C, Nguyen V-T. A 40 MHz 11-Bit ENOB Delta Sigma ADC for Communication and Acquisition Systems. Sensors. 2023; 23(1):36. https://doi.org/10.3390/s23010036
Chicago/Turabian StyleFakhoury, Hussein, Chadi Jabbour, and Van-Tam Nguyen. 2023. "A 40 MHz 11-Bit ENOB Delta Sigma ADC for Communication and Acquisition Systems" Sensors 23, no. 1: 36. https://doi.org/10.3390/s23010036
APA StyleFakhoury, H., Jabbour, C., & Nguyen, V.-T. (2023). A 40 MHz 11-Bit ENOB Delta Sigma ADC for Communication and Acquisition Systems. Sensors, 23(1), 36. https://doi.org/10.3390/s23010036
