An Infinity Tube with an Expansion Chamber for Noise Control in the Ductwork System
Abstract
1. Introduction
2. Analytical Model of the ITEC
2.1. Sound Propagation Inside the Duct System and Transfer Matrix Method
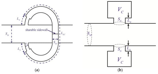
2.2. Transfer Matrix of the ITEC
3. Results and Discussion
3.1. Validation of Theoretical Prediction
3.2. Noise Attenuation Ability of the ITEC
3.3. Parametric Study of the ITEC
- (1)
- Under the lower-frequency domain, length ratios have little influence on resonance frequency and attenuation bandwidth. ITECs with a higher length ratio would slightly decrease transmission loss peaks and have slightly narrower attenuation bands.
- (2)
- Under the moderate frequency domain, the length ratio significantly influences transmission loss performance. ITECs with higher length ratios have a higher resonance frequency and narrower attenuation bands. Compared with the low-frequency condition, ITECs have significantly narrower attenuation bands under the moderate frequency domain, which indicates that ITECs with higher length ratios are not suitable for medium-frequency noise attenuation.
- (3)
- Length ratio has a significant influence on transmission loss under the higher-frequency domain. With the length ratio changing from 1/10 to 1/4, the transmission loss peak has increased by nearly 100 Hz. In addition, ITECs with a length ratio equal to 1/4 have a significantly wider bandwidth than the other length ratios, which indicates that the increase in neck length of the ITECs would be good for high-frequency noise attenuation.
4. Conclusions
Author Contributions
Funding
Institutional Review Board Statement
Informed Consent Statement
Data Availability Statement
Conflicts of Interest
Nomenclature
| A | Cross-section area of an acoustical element |
| c0 | Sound speed of air |
| f0 | The resonance frequency of the Helmholtz resonator |
| k | Wave number |
| LEC | Length of the expansion chamber |
| LN | Neck length of the ITEC |
| p | Acoustic pressure |
| pI | Sound pressure of incident plane wave |
| pR | Sound pressure of reflected plane wave |
| SEC | Area of the expansion chamber |
| SN | Area of the ITEC neck |
| T | Transfer matrix of an acoustical element |
| TL | Transmission Loss |
| u | Particle velocity |
| ρ0 | Air density |
| ω | Angular frequency |
References
- Munjal, M.L. Acoustics of Ducts and Mufflers; Wiley: New York, NY, USA, 2014. [Google Scholar]
- Cai, C.; Mak, C.M. Generalized flow-generated noise prediction method for multiple elements in air ducts. Appl. Acoust. 2018, 135, 136–141. [Google Scholar] [CrossRef]
- Mori, M.; Masumoto, T.; Ishihara, K. Study on acoustic, vibration and flow induced noise characteristics of T-shaped pipe with a square cross-section. Appl. Acoust. 2017, 120, 137–147. [Google Scholar] [CrossRef]
- Perrey-Debain, E.; Maréchal, R.; Ville, J.M. Side-branch resonators modelling with Green׳s function methods. J. Sound Vib. 2014, 333, 4458–4472. [Google Scholar] [CrossRef]
- Shi, X.; Mak, C.-M. Sound attenuation of a periodic array of micro-perforated tube mufflers. Appl. Acoust. 2017, 115, 15–22. [Google Scholar] [CrossRef]
- Rayleigh, L. The Theory of the Helmholtz Resonator. Proc. R. Soc. London. Ser. A Contain. Pap. A Math. Phys. Character 1916, 92, 265–275. [Google Scholar]
- Davis, D.D.; Stokes, G.M.; Moore, D.; Stevens, G.L.; Aeronautics, U.S. Theoretical and Experimental Investigation of Mufflers with Comments on Engine-Exhaust Muffler Design. Patent Application No. NACA-TR-1192, 1 January 1954.
- Munjal, M.L. Acoustics of Ducts and Mufflers with Application to Exhaust and Ventilation System Design; John Wiley & Sons: New York, NY, USA, 1987. [Google Scholar]
- Rossing, T.D. Springer Handbook of Acoustics; Springer: New York, NY, USA, 2014. [Google Scholar]
- Herschel, J.F.W. On the absorption of light by coloured media, viewed in connexion with the undulatory theory. Lond. Edinb. Dublin Philos. Mag. J. Sci. 1833, 3, 401–412. [Google Scholar] [CrossRef]
- Quincke, G. Ueber Interferenzapparate für Schallwellen (On an interfer-ence device for sound waves). Ann. Der Phys. 1866, 128, 177–192. [Google Scholar] [CrossRef][Green Version]
- Stewart, G.W. The Theory of the Herschel-Quincke Tube. Phys. Rev. 1928, 31, 696–698. [Google Scholar] [CrossRef]
- Selamet, A.; Dickey, N.; Novak, J. The Herschel-Quincke tube: A theoretical, computational, and experimental investigation. J. Acoust. Soc. Am. 1994, 96, 3177–3185. [Google Scholar] [CrossRef]
- Selamet, A.; Easwaran, V. Modified Herschel-Quincke tube: Attenuation and resonance for n-duct configuration. J. Acoust. Soc. Am. 1997, 102, 164–169. [Google Scholar] [CrossRef]
- Kim, D.-Y.; Ih, J.-G.; Åbom, M. Virtual Herschel-Quincke tube using the multiple small resonators and acoustic metamaterials. J. Sound Vib. 2020, 466, 115045. [Google Scholar] [CrossRef]
- Wang, Z.B.; Chiang, Y.K.; Choy, Y.S.; Wang, C.Q.; Xi, Q. Noise control for a dipole sound source using micro-perforated panel housing integrated with a Herschel–Quincke tube. Appl. Acoust. 2019, 148, 202–211. [Google Scholar] [CrossRef]
- Ahmadian, H.; Najafi, G.; Ghobadian, B.; Reza Hassan-Beygi, S.; Bastiaans, R.J.M. Analytical and numerical modeling, sensitivity analysis, and multi-objective optimization of the acoustic performance of the herschel-quincke tube. Appl. Acoust. 2021, 180, 108096. [Google Scholar] [CrossRef]
- Siqueira Mazzaro, R.; de Morais Hanriot, S.; Jorge Amorim, R.; Américo Almeida Magalhães Júnior, P. Numerical analysis of the air flow in internal combustion engine intake ducts using Herschel-Quincke tubes. Appl. Acoust. 2020, 165, 107310. [Google Scholar] [CrossRef]
- Lato, T.; Mohany, A.; Hassan, M. A passive damping device for suppressing acoustic pressure pulsations: The infinity tube. J. Acoust. Soc. Am. 2019, 146, 4534–4544. [Google Scholar] [CrossRef] [PubMed]
- Torregrosa, A.; Broatch, A.; Payri, R. A study of the influence of mean flow on the acoustic performance of Herschel-Quincke tubes. J. Acoust. Soc. Am. 2000, 107, 1874–1879. [Google Scholar] [CrossRef] [PubMed]
- Cai, C.; Mak, C.M. Acoustic performance of different Helmholtz resonator array configurations. Appl. Acoust. 2018, 130, 204–209. [Google Scholar] [CrossRef]
- Ingard, U. On the Theory and Design of Acoustic Resonators. J. Acoust. Soc. Am. 1953, 25, 1037–1061. [Google Scholar] [CrossRef]











| Length (mm) | Area (mm2) | |
|---|---|---|
| Main duct | LM = 1000 | SM = 5674.5 |
| Neck | LN = 95.91 | SN = 1418.6 |
| Expansion Chamber | LEC = 958.19 | SEC = 5674.5 |
| TMM | FEM | |
|---|---|---|
| 1st peak | 115 Hz | 119 Hz |
| 2nd peak | 403 Hz | 409 Hz |
| 3rd peak | 733 Hz | 743 Hz |
| LN/LEC | LN | LEC |
|---|---|---|
| 1/10 | 95.91 mm | 958.19 mm |
| 1/6 | 143.75 mm | 862.5 mm |
| 1/4 | 191.65 mm | 766.67 mm |
| SN/SEC | RN | REC |
|---|---|---|
| 1/1.44 | 21.25 mm | 25.5 mm |
| 1/2.25 | 21.25 mm | 31.875 mm |
| 1/4 | 21.25 mm | 42.5 mm |
| Peak 1 | Peak 2 | Peak 3 | ||||
|---|---|---|---|---|---|---|
| TLmax (dB) | f0 (Hz) | TLmax (dB) | f0 (Hz) | TLmax (dB) | f0 (Hz) | |
| Ln/LEC = 1/10 | 41.40 | 119.00 | 37.06 | 409.00 | 29.27 | 743.00 |
| Ln/LEC = 1/6 | 35.20 | 105.00 | 25.20 | 427.00 | 18.01 | 797.00 |
| Ln/LEC = 1/4 | 38.10 | 99.00 | 32.20 | 459.00 | 36.90 | 851.00 |
| Sn/SEC = 1/4 | 41.43 | 119.00 | 37.06 | 409.00 | 29.27 | 743.00 |
| Sn/SEC = 1/2.25 | 42.30 | 139.00 | 32.30 | 435.00 | 33.10 | 759.00 |
| Sn/SEC = 1/1.44 | 45.10 | 151.00 | 44.40 | 459.00 | 33.30 | 777.00 |
| L | 41.40 | 119.00 | 37.06 | 409.00 | 29.27 | 743.00 |
| 0.75 L | 49.22 | 165.00 | 37.86 | 557.00 | 27.60 | 997.00 |
| 0.60 L | 48.97 | 217.00 | 38.79 | 711.00 | - | - |
Disclaimer/Publisher’s Note: The statements, opinions and data contained in all publications are solely those of the individual author(s) and contributor(s) and not of MDPI and/or the editor(s). MDPI and/or the editor(s) disclaim responsibility for any injury to people or property resulting from any ideas, methods, instructions or products referred to in the content. |
© 2022 by the authors. Licensee MDPI, Basel, Switzerland. This article is an open access article distributed under the terms and conditions of the Creative Commons Attribution (CC BY) license (https://creativecommons.org/licenses/by/4.0/).
Share and Cite
Xue, R.; Mak, C.M.; Cai, C.; Ma, K.W. An Infinity Tube with an Expansion Chamber for Noise Control in the Ductwork System. Sensors 2023, 23, 305. https://doi.org/10.3390/s23010305
Xue R, Mak CM, Cai C, Ma KW. An Infinity Tube with an Expansion Chamber for Noise Control in the Ductwork System. Sensors. 2023; 23(1):305. https://doi.org/10.3390/s23010305
Chicago/Turabian StyleXue, Rong, Cheuk Ming Mak, Chenzhi Cai, and Kuen Wai Ma. 2023. "An Infinity Tube with an Expansion Chamber for Noise Control in the Ductwork System" Sensors 23, no. 1: 305. https://doi.org/10.3390/s23010305
APA StyleXue, R., Mak, C. M., Cai, C., & Ma, K. W. (2023). An Infinity Tube with an Expansion Chamber for Noise Control in the Ductwork System. Sensors, 23(1), 305. https://doi.org/10.3390/s23010305

