Study on the Control Method of Knee Joint Human–Exoskeleton Interactive System
Abstract
:1. Introduction
2. Mathematical Modeling of the HESY
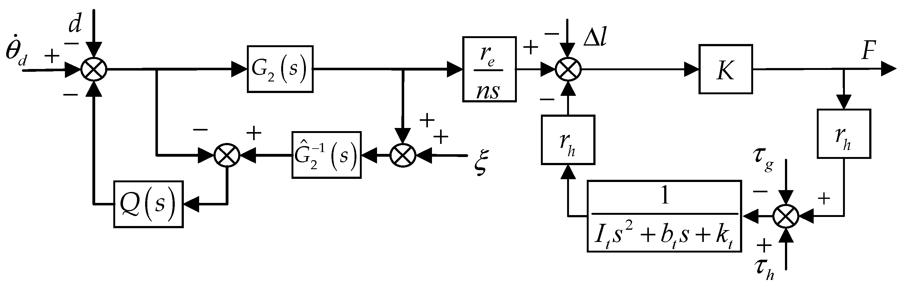
3. Controller Design
3.1. Design of the Inner Loop Controller
3.2. Design of the HEIF
3.3. Design of the Angle Prediction Method
4. Results
4.1. Test Setup
4.2. PID Control in Both Inner and Outer Loop
4.3. The HEIF in the Outer Loop and the DOB in the Inner Loop
4.4. The HEIF-AO in the Outer Loop and the DOB in the Inner Loop
5. Conclusions
Author Contributions
Funding
Institutional Review Board Statement
Informed Consent Statement
Acknowledgments
Conflicts of Interest
Abbreviations
| HESY | Human–exoskeleton system |
| DOB | Disturbance observer |
| sEMG | Surface electromyography signal |
| HEI | Human–exoskeleton interaction |
| HEIF | Human–exoskeleton interaction feedforward model |
| LCFB | Lightweight carbon fiber boards |
| AO | Adaptive oscillator |
References
- Liu, J.; He, Y.; Yang, J.; Cao, W.; Wu, X. Design and analysis of a novel 12-DOF self-balancing lower extremity exoskeleton for walking assistance. Mech. Mach. Theory 2022, 167, 104519. [Google Scholar] [CrossRef]
- Hussain, F.; Goecke, R.; Mohammadian, M. Exoskeleton robots for lower limb assistance: A review of materials, actuation, and manufacturing methods. Proc. Inst. Mech. Eng. Part H J. Eng. Med. 2021, 235, 1375–1385. [Google Scholar] [CrossRef] [PubMed]
- Vaida, C.; Birlescu, I.; Pisla, A.; Ulinici, I.; Tarnita, D.; Carbone, G.; Pisla, D. Systematic design of a parallel robotic system for lower limb rehabilitation. IEEE Access 2020, 8, 34522–34537. [Google Scholar] [CrossRef]
- Barazesh, H.; Sharbafi, M.A. A biarticular passive exosuit to support balance control can reduce metabolic cost of walking. Bioinspir. Biomim. 2020, 15, 036009. [Google Scholar] [CrossRef]
- Chen, C.; Zhang, Y.; Li, Y.; Wang, Z.; Liu, Y.; Cao, W.; Wu, X. Iterative learning control for a soft exoskeleton with hip and knee joint assistance. Sensors 2020, 20, 4333. [Google Scholar] [CrossRef]
- Kim, C.; Kim, G.; Lee, Y.; Lee, G.; Han, S.; Kang, D.; Koh, J.S. Shape memory alloy actuator-embedded smart clothes for ankle assistance. Smart Mater. Struct. 2020, 29, 055003. [Google Scholar] [CrossRef]
- Wang, L.; Du, Z.; Dong, W.; Shen, Y.; Zhao, G. Intrinsic sensing and evolving internal model control of compact elastic module for a lower extremity exoskeleton. Sensors 2018, 18, 909. [Google Scholar] [CrossRef] [Green Version]
- Zhu, S.; Jin, X.; Yao, B.; Chen, Q.; Pei, X.; Pan, Z. Non-linear sliding mode control of the lower extremity exoskeleton based on human–robot cooperation. Int. J. Adv. Robot. Syst. 2016, 13, 1–10. [Google Scholar] [CrossRef]
- Kesner, S.; Howe, R. Position control of motion compensation cardiac catheters. IEEE Trans. Robot. 2011, 27, 1045–1055. [Google Scholar] [CrossRef] [Green Version]
- Kuan, J.; Pasch, K.; Herr, H. A High-Performance Cable-Drive Module for the Development of Wearable Devices. IEEE/ASME Trans. Mechatron. 2018, 23, 1238–1248. [Google Scholar] [CrossRef]
- Siviy, C.; Bae, J.; Baker, L.; Porciuncula, F.; Baker, T.; Ellis, T.D.; Awad, L.N.; Walsh, C.J. Offline assistance optimization of a soft exosuit for augmenting ankle power of stroke survivors during walking. IEEE Robot. Autom. Lett. 2020, 5, 828–835. [Google Scholar] [CrossRef] [PubMed]
- Zhao, J.; Yang, T.; Sun, X.; Dong, J.; Wang, Z.; Yang, C. Sliding mode control combined with extended state observer for an ankle exoskeleton driven by electrical motor. Mechatronics 2021, 76, 102554. [Google Scholar] [CrossRef]
- Lu, X.; Du, F.; Wang, X.; Jia, S.; Xu, F. Development and fuzzy sliding mode compensation control of a power assist lower extremity exoskeleton. Mechanika 2018, 24, 92–99. [Google Scholar] [CrossRef]
- Han, H.; Wang, W.; Zhang, F.; Li, X.; Chen, J.; Han, J.; Zhang, J. Selection of Muscle-Activity-Based Cost Function in Human-in-the-Loop Optimization of Multi-Gait Ankle Exoskeleton Assistance. IEEE Trans. Neural Syst. Rehabil. Eng. 2021, 29, 944–952. [Google Scholar] [CrossRef] [PubMed]
- Lee, G.; Ding, Y.; Bujanda, I.G.; Karavas, N.; Zhou, Y.M.; Walsh, C.J. Improved assistive profile tracking of soft exosuits for walking and jogging with off-board actuation. In Proceedings of the 2017 IEEE/RSJ International Conference on Intelligent Robots and Systems (IROS), Vancouver, BC, Canada, 24–28 September 2017; pp. 1699–1706. [Google Scholar]
- Chang, C.C.; McGorry, R.W.; Lin, J.H.; Xu, X.; Hsiang, S.M. Prediction accuracy in estimating joint angle trajectories using a video posture coding method for sagittal lifting tasks. Ergonomics 2010, 53, 1039–1047. [Google Scholar] [CrossRef]
- Li, L.; Baum, B.S. Electromechanical delay estimated by using electromyography during cycling at different pedaling frequencies. J. Electromyogr. Kinesiol. 2004, 14, 647–652. [Google Scholar] [CrossRef] [PubMed]
- Chen, J.; Zhang, X.; Cheng, Y.; Xi, N. Surface EMG based continuous estimation of human lower limb joint angles by using deep belief networks. Biomed. Signal Process. Control 2018, 40, 335–342. [Google Scholar] [CrossRef]
- Yang, J.; Li, G.; Zhao, X.; Xie, H. Research on Joint-Angle Prediction Based on Artificial Neural Network for Above-Knee Amputees. Sensors 2021, 21, 7199. [Google Scholar] [CrossRef]
- Liu, Q.; Ma, L.; Ai, Q.; Chen, K.; Meng, W. Knee joint angle prediction based on muscle synergy theory and generalized regression neural network. In Proceedings of the 2018 IEEE/ASME International Conference on Advanced Intelligent Mechatronics (AIM), Auckland, New Zealand, 9–12 July 2018; pp. 28–32. [Google Scholar]
- Zhou, Y.; Liu, J.; Zeng, J.; Li, K.; Liu, H. Bio-signal based elbow angle and torque simultaneous prediction during isokinetic contraction. Sci. China Technol. Sci. 2019, 62, 21–30. [Google Scholar] [CrossRef] [Green Version]
- Qiu, S.; Guo, W.; Zha, F.; Deng, J.; Wang, X. Exoskeleton Active Walking Assistance Control Framework Based on Frequency Adaptive Dynamics Movement Primitives. Front. Neurorobot. 2021, 15, 61. [Google Scholar] [CrossRef]
- Zhang, T.; Tran, M.; Huang, H. Admittance shaping-based assistive control of SEA-driven robotic hip exoskeleton. IEEE-ASME Trans. Mechatron. 2019, 24, 1508–1519. [Google Scholar] [CrossRef]
- Li, J.; Zheng, R.; Zhang, Y.; Yao, J. iHandRehab: An interactive hand exoskeleton for active and passive rehabilitation. In Proceedings of the 2011 IEEE International Conference on Rehabilitation Robotics (ICORR), Zurich, Switzerland, 27 June–1 July 2011; pp. 1–6. [Google Scholar]
- Bae, J.; Tomizuka, M. A gait rehabilitation strategy inspired by an iterative learning algorithm. Mechatronics 2011, 44, 2857–2864. [Google Scholar]
- Zhang, J.; Cheah, C.C.; Collins, S.H. Experimental comparison of torque control methods on an ankle exoskeleton during human walking. In Proceedings of the 2015 IEEE International Conference on Robotics and Automation (ICRA), Seattle, WA, USA, 26–30 May 2015; pp. 5584–5589. [Google Scholar]
- Nagarajan, U.; Aguirre-Ollinger, G.; Goswami, A. Integral admittance shaping: A unified framework for active exoskeleton control. Robot. Auton. Syst. 2016, 75, 310–324. [Google Scholar] [CrossRef]
- Aguirre-Ollinger, G.; Nagarajan, U.; Goswami, A. An admittance shaping controller for exoskeleton assistance of the lower extremities. Auton. Robot. 2016, 40, 701–728. [Google Scholar] [CrossRef]
- Kong, K.; Bae, J.; Tomizuka, M. Control of rotary series elastic actuator for ideal force-mode actuation in human–robot interaction applications. IEEE-ASME Trans. Mechatron. 2009, 14, 105–118. [Google Scholar] [CrossRef]
- Liu, L.; Hong, Z.; Penzlin, B.; Misgeld, B.; Ngo, C.; Bergmann, L.; Leonhardt, S. Low impedance-guaranteed gain-scheduled GESO for torque-controlled VSA, with application of exoskeleton-assisted sit-to-stand. IEEE-ASME Trans. Mechatron. 2020, 26, 2080–2091. [Google Scholar] [CrossRef]
- Wang, Z.; Rho, S.; Yang, C.; Jiang, F.; Ding, Z.; Yi, C.; Wei, B. Active Loading Control Design for a Wearable Exoskeleton with a Bowden Cable for Transmission. Actuators 2021, 10, 108. [Google Scholar] [CrossRef]
- Righetti, L.; Ijspeert, A.J. Programmable central pattern generators: An application to biped locomotion control. In Proceedings of the 2006 IEEE International Conference on Robotics and Automation (ICRA), Orlando, FL, USA, 15–19 May 2006; pp. 1585–1590. [Google Scholar]
- Chaparro-Rico, B.; Cafolla, D.; Tortola, P.; Galardi, G. Assessing stiffness, joint torque and rom for paretic and non-paretic lower limbs during the subacute phase of stroke using lokomat tools. Appl. Sci. 2020, 10, 6168. [Google Scholar] [CrossRef]


















Publisher’s Note: MDPI stays neutral with regard to jurisdictional claims in published maps and institutional affiliations. |
© 2022 by the authors. Licensee MDPI, Basel, Switzerland. This article is an open access article distributed under the terms and conditions of the Creative Commons Attribution (CC BY) license (https://creativecommons.org/licenses/by/4.0/).
Share and Cite
Wang, Z.; Yang, C.; Ding, Z.; Yang, T.; Guo, H.; Jiang, F.; Tian, B. Study on the Control Method of Knee Joint Human–Exoskeleton Interactive System. Sensors 2022, 22, 1040. https://doi.org/10.3390/s22031040
Wang Z, Yang C, Ding Z, Yang T, Guo H, Jiang F, Tian B. Study on the Control Method of Knee Joint Human–Exoskeleton Interactive System. Sensors. 2022; 22(3):1040. https://doi.org/10.3390/s22031040
Chicago/Turabian StyleWang, Zhipeng, Chifu Yang, Zhen Ding, Tao Yang, Hao Guo, Feng Jiang, and Bowen Tian. 2022. "Study on the Control Method of Knee Joint Human–Exoskeleton Interactive System" Sensors 22, no. 3: 1040. https://doi.org/10.3390/s22031040
APA StyleWang, Z., Yang, C., Ding, Z., Yang, T., Guo, H., Jiang, F., & Tian, B. (2022). Study on the Control Method of Knee Joint Human–Exoskeleton Interactive System. Sensors, 22(3), 1040. https://doi.org/10.3390/s22031040
