Design of a Ultra-Stable Low-Noise Space Camera Based on a Large Target CMOS Detector and Image Data Analysis
Abstract
1. Introduction
2. Design of Camera System
- (1)
- Generating power supplies required by the circuit through DC/DC converters and LDO-linear-regulated power supplies;
- (2)
- Providing drive signals for CMOS detectors;
- (3)
- Acquiring, superimposing, and caching digital images. Packaging working parameters into the image data and transmitting them down to the image-receiving ground detection equipment through the fiber optic interface after completing the target image element superimposition selection;
- (4)
- Setting working parameters, switching working mode, and controlling the working state according to remote control commands received;
- (5)
- Completing the acquisition and output of telemetry data.
2.1. Secondary Power Supply Design for Camera
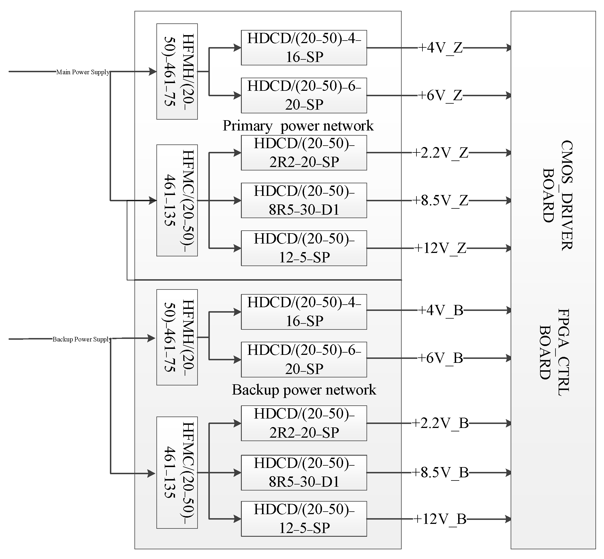
2.2. Design of CMOS Detector Power Supply, Bias Voltage and Driver
2.3. Design of FPGA Control
3. Data Collection and Test Result Analysis
3.1. Test at Room Temperature
3.2. Test Results under Low-Temperature and Image Data Analysis
4. Conclusions
Author Contributions
Funding
Institutional Review Board Statement
Informed Consent Statement
Data Availability Statement
Acknowledgments
Conflicts of Interest
References
- Ishirara, Y.; Takeuchi, E.; Teranishi, N.; Kohono, A.; Aizawa, T.; Arai, K.; Shiraki, H. CCD image sensor for single sensor color camera. In Proceedings of the Solid-State Circuits Conference Digest of Technical Papers IEEE International, San Francisco, CA, USA, 13–15 February 1980. [Google Scholar]
- Fan, X.; Zou, G.; Wei, J.; Qiu, Y.; Gao, W.; Wang, W.; Yang, W.; Zhang, J.; Li, C.; Zhao, H.; et al. The Visible Telescope onboard the Chinese-French SVOM Satellite. In Space Telescopes and Instrumentation 2020: Optical, Infrared, and Millimeter Wave; SPIE: Bellingham, WA, USA, 2020. [Google Scholar]
- Gamal, A.E.; Eltoukhy, H. CMOS image sensors. IEEE Circuits Devices Mag. 2005, 21, 6–20. [Google Scholar] [CrossRef]
- Mayer, F.; Bugnet, H.; Pesenti, S.; Guicherd, C.; Gili, B.; Bell, R.; De Monte, B.; Ligozat, T. First measurements of true charge transfer TDI(Time Delay Integration) using a standard CMOS technology. In Proceedings of the International Conference on Space Optics, Naha, Japan, 14–16 November 2017. [Google Scholar]
- Theuwissen, A.J.P. CMOS image sensors: State-of-the-art. Solid State Electron. 2008, 52, 1401–1406. [Google Scholar] [CrossRef]
- Yeh, S.F.; Hsieh, C.C. Novel Single-Slope ADC Design for Full Well Capacity Expansion of CMOS Image Sensor. IEEE Sens. J. 2013, 13, 1012–1017. [Google Scholar] [CrossRef]
- Nie, K.M.; Xu, J.T.; Gao, Z.Y. A 128-Stage CMOS TDI Image Sensor with On-Chip Digital Accumulator. IEEE Sens. J. 2016, 16, 1319–1324. [Google Scholar] [CrossRef]
- Kawahito, S. Low noise sensor signal readout circuits with a response time acceleration technique. IEICE Trans. Electron. 2017, 34, 1159–1162. [Google Scholar]
- Seo, M.W.; Kawahito, S.; Kagawa, K.; Yasutomi, K. A 0.27e-rms Read Noise 220-μV/e- Conversion Gain Reset-Gate-Less CMOS Image Sensor With 0.11-μm CIS Process. Electron Device Lett. IEEE 2015, 36, 1344–1347. [Google Scholar]
- Lotto, C.; Seitz, P.; Baechler, T. A sub-electron readout noise CMOS image sensor with pixel-level open-loop voltage amplification. In Proceedings of the IEEE International Solid-State Circuits Conference, San Francisco, CA, USA, 20–24 February 2011. [Google Scholar]
- Suh, S.; Itoh, S.; Aoyama, S.; Kawahito, S. Column-Parallel Correlated Multiple Sampling Circuits for CMOS Image Sensors and Their Noise Reduction Effects. Sensors 2010, 10, 9139–9154. [Google Scholar] [CrossRef] [PubMed]
- Yang, T.; Wu, S.; Guo, D. Analysis of noise behavior in CMOS image sensor. J. Xiamen Univ. Nat. Sci. 2012, 51, 321–326. [Google Scholar]
- Hao, X.; Zhang, R.; Tao, H. Design of high-speed image transmission system based on FPGA. Infrared Laser Eng. 2015, 44, 3483–3487. [Google Scholar]
- Ning, Y.; Liu, H.; Zhao, Q. Design of CMOS imaging electronics system with large area array and high frame rate. Optics Precis. Eng. 2019, 1167–1177. [Google Scholar] [CrossRef]
- Lian, X.; Yan, Y. Thermal design of focal plane assembly on space -borne camera based on thermos electriccooling technology. Spacecr. Recovery Remote Sens. 2011, 32, 43–50. [Google Scholar]
- Chander, G.; Markam, B. Revised Landsat-5 TM radiometric calibration procedures and post calibration dynamic ranges. IEEE Trans. Geosci. Remote Sens. 2003, 41, 2674–2677. [Google Scholar] [CrossRef]
- Boukhayma, A. Ultra Low Noise CMOS Image Sensors; Springer: Cham, Switzerland, 2018. [Google Scholar]
- Janesick, J.R. Photon Transfer DN→λ; SPIE Press: Bellingham, WA, USA, 2007; ISBN 978-0-8194-6722-5. [Google Scholar]
- Liu, Z.; Quan, X.; Ren, J.; Li, X.; Wan, Z.; Li, B.; Sun, J. Calibration of CCD camera’s output non-uniformity linear corrected coefficient. Infrared Laser Eng. 2012, 41, 2211–2215. [Google Scholar]
- Janesick, J.R. Scientific Charge-Coupled Devices; SPIE Press: Bellingham, WA, USA, 2001; p. 612. [Google Scholar]



















| Order Number | Indicator Term | Technical Indicator |
|---|---|---|
| 1 | Pixel number (uint: mm) | ≥6144 × 6144 |
| 2 | Pixel size | 10 um × 10 um |
| 3 | Readout noise(e−/pixel/frame) | ≤5e− |
| 4 | Resolution | 16 bit |
| 5 | Dark current e−/(pix·s)@ −40 °C | ≤0.1e−/(pix·s) |
| 6 | Nonlinearity (10–90% FW) | ≤1% |
| 7 | PTC (10–90% FW) | ≤3% |
| Number | Parameter | Value |
|---|---|---|
| 1 | Photosensitive area | 89.00 mm × 91.20 mm |
| 2 | Pixel size | 10 μm × 10 μm |
| 3 | Number of active pixels | 8900 (H) × 9120 (V) |
| 4 | Shutter type | Rolling shutter |
| 5 | Pixel clock rate | Up to 15.625 MHz @ 16-bit |
| 6 | Output format | 5 pairs of LVDS in total: - 4 for pixel data; - 1 for DDR clock; |
| 7 | Data rate | 500 Mbps @ 2 pairs of LVDS running at 250 MHz |
| 8 | Max Frame rate | 0.34 fps @ 2 pairs of LVDS |
| 9 | Full well capacity (FWC) | 91.7 ke- |
| 10 | Dynamic range | 84.5 dB |
| 11 | Dark current | 0.00373e−/s/pix @ −70 °C |
| 12 | Peak QE | 97.11% @ 610 nm |
| 13 | Power consumption | 1.4 W @ full resolution & full speed |
| 14 | Operation temperature | −85 °C to +50 °C |
| Name | Classification | Voltage Typical Value (V) |
|---|---|---|
| VDD5A | Supply Voltage | +5.0 |
| VDD5ABIAS | Supply Voltage | +5.0 |
| VDD18D | Supply Voltage | +1.8 |
| VDD18AD | Supply Voltage | +1.8 |
| VDDSF | Supply Voltage | +6.0 |
| VDDCH | Bias Voltage | +4.7 |
| VDDCL | Bias Voltage | +2.0 |
| VRH | Bias Voltage | +5.7 |
| VRL | Bias Voltage | 0.0 |
| VTXH | Bias Voltage | +4.7 |
| VTXL | Bias Voltage | 0.0 |
| VSH | Bias Voltage | +5.0 or +6.0 (Change according to exposure time) |
| VBSH | Bias Voltage | +5.0 |
| VBG | Bias Voltage | +1.25 |
| VPC_LOAD | Bias Voltage | +1.0 |
| VRAMP_INIT | Bias Voltage | +4.7 |
| VRAMP_PC | Bias Voltage | +4.55 |
| Date | Gain(e−/ADU) | Readout Noise (e−/pixel/frame) |
|---|---|---|
| 28 June 2022 | 1.52540 | 4.38770 |
| 1 July 2022 | 1.52630 | 4.32070 |
| 4 July 2022 | 1.52150 | 4.32380 |
| 5 July 2022 | 1.52850 | 4.31770 |
| 6 July 2022 | 1.53070 | 4.33590 |
| 7 July 2022 | 1.53470 | 4.31730 |
| 8 July 2022 | 1.53390 | 4.32360 |
| 11 July 2022 | 1.52330 | 4.34720 |
| 19 July 2022 | 1.53060 | 4.31980 |
| 4 August 2022 | 1.53690 | 4.39340 |
| Median | 1.52918 | 4.33839 |
| Nonlinearity (10–90% FW) | PTC (10–90% FW) | Dark Current e−/(pix·s) −40 °C |
|---|---|---|
| ~0.805% | 2.360% | 0.01964 |
| ~0.647% | 2.045% | 0.01473 |
| ~0.574% | 2.255% | 0.01634 |
| ~0.485% | 2.286% | 0.02093 |
| ~0.281% | 2.260% | 0.02111 |
| ~0.826% | 2.372% | 0.01688 |
| ~0.632% | 2.331% | 0.02069 |
| ~0.835% | 2.203% | 0.01854 |
| ~0.305% | 2.271% | 0.02030 |
| ~0.837% | 2.360% | 0.02008 |
| ~0.630% | 2.271% | 0.01886 |
Publisher’s Note: MDPI stays neutral with regard to jurisdictional claims in published maps and institutional affiliations. |
© 2022 by the authors. Licensee MDPI, Basel, Switzerland. This article is an open access article distributed under the terms and conditions of the Creative Commons Attribution (CC BY) license (https://creativecommons.org/licenses/by/4.0/).
Share and Cite
Shen, C.; Ma, C.; Gao, W. Design of a Ultra-Stable Low-Noise Space Camera Based on a Large Target CMOS Detector and Image Data Analysis. Sensors 2022, 22, 9991. https://doi.org/10.3390/s22249991
Shen C, Ma C, Gao W. Design of a Ultra-Stable Low-Noise Space Camera Based on a Large Target CMOS Detector and Image Data Analysis. Sensors. 2022; 22(24):9991. https://doi.org/10.3390/s22249991
Chicago/Turabian StyleShen, Chao, Caiwen Ma, and Wei Gao. 2022. "Design of a Ultra-Stable Low-Noise Space Camera Based on a Large Target CMOS Detector and Image Data Analysis" Sensors 22, no. 24: 9991. https://doi.org/10.3390/s22249991
APA StyleShen, C., Ma, C., & Gao, W. (2022). Design of a Ultra-Stable Low-Noise Space Camera Based on a Large Target CMOS Detector and Image Data Analysis. Sensors, 22(24), 9991. https://doi.org/10.3390/s22249991
