Conductivity Classification of Multi-Shape Nonmagnetic Metal Considering Spatial Position Drift Effect with a Triple-Coil Electromagnetic Sensor
Abstract
:1. Introduction
2. Sensor Structure and Theoretical Basis
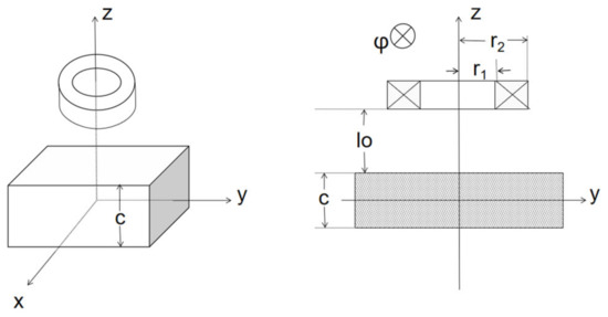
2.1. Sensor Structure
2.2. Theoretical Basis
3. Experiments and Discussion
3.1. Experimental Setup
3.2. Experimental Results and Analysis
3.3. Data Reliability Statistics
4. Classification Method and Error Analysis
- Detect the shape of the sample first by means of machine vision, etc.
- Measure the impedance change of two coil pairs with and without sample with an impedance analyzer, and obtain the lift-off height with a distance measurement module.
- Obtain the phase tangent difference feature by data processing.
- Based on the sample shape detected in the first step, mark the data points with the lift-off height as the horizontal coordinate and the feature amount as the vertical coordinate on the feature versus lift-off plot under the corresponding shape.
- Using the formula for the distance from a point to a line, calculate the nearest line to this data point.
- Based on the nearest line to the data point obtained from the calculation, determine the type of metal.
5. Conclusions
Supplementary Materials
Author Contributions
Funding
Institutional Review Board Statement
Informed Consent Statement
Data Availability Statement
Conflicts of Interest
Appendix A
| Experiment Number | Imag (∆Z), TR1 (mOhm) | Real (∆Z), TR1 (mOhm) | Imag (∆Z), TR2 (mOhm) | Real (∆Z), TR2 (mOhm) |
|---|---|---|---|---|
| 1 | 68.9 | 13.35 | 27.04 | 3.862 |
| 2 | 69 | 13.41 | 27.27 | 3.915 |
| 3 | 69.2 | 13.46 | 27.22 | 3.942 |
| 4 | 69.6 | 13.35 | 27.49 | 3.957 |
| 5 | 69.2 | 13.47 | 27.39 | 3.947 |
| 6 | 69.4 | 13.46 | 27.73 | 3.99 |
| 7 | 70.2 | 13.71 | 27.82 | 3.99 |
| 8 | 70 | 13.62 | 27.62 | 3.983 |
| 9 | 69.8 | 13.6 | 27.47 | 3.922 |
| 10 | 69.7 | 13.69 | 27.51 | 3.981 |
| 11 | 69.5 | 13.62 | 27.63 | 3.973 |
| 12 | 69.3 | 13.47 | 27.85 | 3.998 |
| 13 | 69.2 | 13.6 | 27.54 | 3.945 |
| 14 | 69.7 | 13.5 | 27.78 | 3.989 |
| 15 | 69.3 | 13.5 | 27.67 | 3.954 |
| 16 | 69 | 13.56 | 27.53 | 3.961 |
| 17 | 69.1 | 13.54 | 27.47 | 3.961 |
| 18 | 69.5 | 13.49 | 27.75 | 3.976 |
| 19 | 70.2 | 13.73 | 27.68 | 3.949 |
| 20 | 70.5 | 13.79 | 27.75 | 3.993 |
| Experiment Number | Imag (∆Z), TR1 (mOhm) | Real (∆Z), TR1 (mOhm) | Imag (∆Z), TR2 (mOhm) | Real (∆Z), TR2 (mOhm) |
|---|---|---|---|---|
| 1 | 9.92 | 1.002 | 4.86 | 0.428 |
| 2 | 9.89 | 0.995 | 4.87 | 0.435 |
| 3 | 9.89 | 1.001 | 4.85 | 0.426 |
| 4 | 9.87 | 0.999 | 4.87 | 0.425 |
| 5 | 9.92 | 0.994 | 4.89 | 0.432 |
| 6 | 9.85 | 0.998 | 4.85 | 0.433 |
| 7 | 9.94 | 1 | 4.89 | 0.438 |
| 8 | 9.91 | 1.001 | 4.91 | 0.436 |
| 9 | 9.87 | 1.005 | 4.9 | 0.43 |
| 10 | 9.86 | 0.998 | 4.88 | 0.431 |
| 11 | 9.86 | 0.996 | 5.1 | 0.457 |
| 12 | 10.36 | 1.053 | 5.09 | 0.452 |
| 13 | 10.44 | 1.066 | 5.09 | 0.452 |
| 14 | 10.44 | 1.059 | 5.08 | 0.45 |
| 15 | 10.3 | 1.053 | 5.08 | 0.451 |
| 16 | 10.33 | 1.056 | 5.04 | 0.448 |
| 17 | 10.46 | 1.069 | 5.13 | 0.456 |
| 18 | 10.52 | 1.074 | 5.11 | 0.457 |
| 19 | 10.43 | 1.068 | 5.17 | 0.456 |
| 20 | 10.6 | 1.09 | 5.18 | 0.458 |
| Experiment Number | Imag (∆Z), TR1 (mOhm) | Real (∆Z), TR1 (mOhm) | Imag (∆Z), TR2 (mOhm) | Real (∆Z), TR2 (mOhm) |
|---|---|---|---|---|
| 1 | 6.08 | 0.658 | 3.591 | 0.344 |
| 2 | 6.14 | 0.655 | 3.498 | 0.334 |
| 3 | 6.35 | 0.685 | 3.515 | 0.34 |
| 4 | 6.33 | 0.695 | 3.555 | 0.349 |
| 5 | 6.2 | 0.672 | 3.488 | 0.337 |
| 6 | 6.19 | 0.669 | 3.539 | 0.346 |
| 7 | 6.31 | 0.68 | 3.542 | 0.344 |
| 8 | 6.38 | 0.699 | 3.545 | 0.344 |
| 9 | 6.26 | 0.677 | 3.534 | 0.345 |
| 10 | 6.21 | 0.675 | 3.56 | 0.346 |
| 11 | 6.16 | 0.661 | 3.513 | 0.341 |
| 12 | 6.21 | 0.668 | 3.524 | 0.341 |
| 13 | 6.2 | 0.66 | 3.514 | 0.337 |
| 14 | 6.49 | 0.71 | 3.694 | 0.36 |
| 15 | 6.5 | 0.719 | 3.685 | 0.359 |
| 16 | 6.47 | 0.7 | 3.624 | 0.353 |
| 17 | 6.51 | 0.718 | 3.625 | 0.352 |
| 18 | 6.38 | 0.696 | 3.572 | 0.346 |
| 19 | 6.4 | 0.695 | 3.639 | 0.354 |
| 20 | 6.37 | 0.691 | 3.635 | 0.354 |
References
- Soo, V.K.; Doolan, M.; Compston, P.; Duflou, J.R.; Peeters, J.; Umeda, Y. The influence of end-of-life regulation on vehicle material circularity: A comparison of Europe, Japan, Australia and the US. Resour. Conserv. Recycl. 2021, 168, 105294. [Google Scholar] [CrossRef]
- Soo, V.K.; Peeters, J.; Compston, P.; Doolan, M.; Duflou, J.R. Comparative study of end-of-life vehicle recycling in Australia and Belgium. Proc. CIRP 2017, 61, 269–274. [Google Scholar] [CrossRef]
- Santini, A.; Morselli, L.; Passarini, F.; Vassura, I.; di Carlo, S.; Bonino, F. End-of-life vehicles management: Italian material and energy recovery efficiency. Waste Manag. 2011, 31, 489–494. [Google Scholar] [CrossRef] [PubMed]
- Picón, A.; Ghita, O.; Whelan, P.F.; Iriondo, P.M. Fuzzy spectral and spatial feature integration for classification of nonferrous materials in hyperspectral data. IEEE Trans. Ind. Informat. 2009, 5, 483–494. [Google Scholar] [CrossRef] [Green Version]
- Chen, X.; Lei, Y. Electrical conductivity measurement of ferromagnetic metallic materials using pulsed eddy current method. NDT E Int. 2015, 75, 33–38. [Google Scholar] [CrossRef]
- AbdAlla, A.N.; Faraj, M.A.; Samsuri, F.; Rifai, D.; Ali, K.; Al-Douri, Y. Challenges in improving the performance of eddy current testing: Review. Meas. Control 2019, 52, 46–64. [Google Scholar] [CrossRef] [Green Version]
- Efremov, A.; Karpenko, O.; Udpa, L. Generalized multifrequency fusion algorithm for defect detection in eddy current inspection data. NDT E Int. 2022, 129, 102654. [Google Scholar] [CrossRef]
- Huang, R.; Lu, M.; Peyton, A.; Yin, W. Thickness measurement of metallic plates with finite planar dimension using eddy current method. IEEE Trans. Instrum. Meas. 2020, 69, 8424–8431. [Google Scholar] [CrossRef]
- Yin, W.; Huang, R.; Lu, M.; Zhang, Z.; Peyton, A. Measurements of thickness for metallic plates with co-axial holes using a novel analytical method with the modified integration range. IEEE Access 2020, 8, 198301–198306. [Google Scholar] [CrossRef]
- Wang, C.; Fan, M.; Cao, B.; Ye, B.; Li, W. Novel noncontact eddy current measurement of electrical conductivity. IEEE Sensors J. 2018, 18, 9352–9359. [Google Scholar] [CrossRef]
- Lu, M.; Xie, Y.; Zhu, W.; Peyton, A.J.; Yin, W. Determination of the magnetic permeability, electrical conductivity, and thickness of ferrite metallic plates using a multifrequency electromagnetic sensing system. IEEE Trans. Ind. Informat. 2019, 15, 4111–4119. [Google Scholar] [CrossRef] [Green Version]
- Lu, M.; Xu, H.; Zhu, W.; Yin, L.; Zhao, Q.; Peyton, A.; Yin, W. Conductivity Lift-off Invariance and measurement of permeability for ferrite metallic plates. NDT E Int. 2018, 95, 36–44. [Google Scholar] [CrossRef]
- Lu, M.; Zhu, W.; Yin, L.; Peyton, A.J.; Yin, W.; Qu, Z. Reducing the lift-off effect on permeability measurement for magnetic plates from multifrequency induction data. IEEE Trans. Instrum. Meas. 2018, 67, 167–174. [Google Scholar] [CrossRef] [Green Version]
- Lu, M.; Meng, X.; Huang, R.; Chen, L.; Peyton, A.; Yin, W. Lift-off invariant inductance of steels in multi-frequency eddy-current testing. NDT E Int. 2021, 121, 102458. [Google Scholar] [CrossRef]
- Lu, M.; Meng, X.; Huang, R.; Chen, L.; Peyton, A.; Yin, W.; Qu, Z. Thickness measurement of circular metallic film using single-frequency eddy current sensor. NDT E Int. 2021, 119, 102420. [Google Scholar] [CrossRef]
- Lu, M.; Meng, X.; Huang, R.; Chen, L.; Peyton, A.; Yin, W. Inversion of Distance and Magnetic Permeability Based on Material-Independent and Liftoff Insensitive Algorithms Using Eddy Current Sensor. IEEE Trans. Instrum. Meas. 2021, 70, 1–9. [Google Scholar] [CrossRef]
- Dodd, C.V.; Deeds, W.E. Analytical solutions to eddy-current probe-coil problems. J. Appl. Phys. 1968, 39, 2829–2839. [Google Scholar] [CrossRef] [Green Version]
- Du, Y.; Zhang, Z.; Yin, W.; Zhu, S.; Chen, Z.; Xu, H. Conductivity classification of non-magnetic tilting metals by eddy current sensors. Sensors 2020, 20, 2608. [Google Scholar] [CrossRef]
- Liu, Y.; Zhang, Z.; Yin, W.; Chen, H.; Yu, Z.; Wang, Q. A Novel Conductivity Classification Technique for Nonmagnetic Metal Immune to Tilt Variations Using Eddy Current Testing. IEEE Access 2021, 9, 135334–135342. [Google Scholar] [CrossRef]
- Yin, W.; Xu, K. A Novel Triple-Coil Electromagnetic Sensor for Thickness Measurement Immune to Lift-Off Variations. IEEE Trans. Instrum. Meas. 2016, 65, 164–169. [Google Scholar] [CrossRef]
- Theodoulidis, T.; Skarlatos, A. Eddy Current Interaction of an Arbitrarily Positioned Probe Coil with a Conductive Cylinder. IEEE Trans. Magn. 2012, 48, 2392–2394. [Google Scholar] [CrossRef]
- Theodoulidis, T.P.; Kriezis, E.E. Coil impedance due to a sphere of arbitrary radial conductivity and permeability profiles. IEEE Trans. Magn. 2002, 38, 1452–1460. [Google Scholar] [CrossRef]
- Hu, G.; Huang, R.; Lu, M.; Zhou, L.; Yin, W. Measurement of radius of a metallic ball using eddy current testing based on peak frequency difference feature. Measurement 2021, 184, 109876. [Google Scholar] [CrossRef]
- Kolyshkin, A.A.; Vaillancourt, R. Impedance of a single-turn coil due to a double-layered sphere with varying properties. IEEE Trans. Magn. 1995, 31, 2274–2279. [Google Scholar] [CrossRef] [Green Version]
- Ren, F. (Ed.) Fundamentals of Materials Physics; Machinery Industry Press: Beijing, China, 2006. [Google Scholar]
- Gao, Z.; Sui, X.; Meng, X. (Eds.) Physical Properties of Materials and Their Analytical Test Methods; Harbin Institute of Technology Press: Harbin, China, 2015. [Google Scholar]










| Parameter | Value |
|---|---|
| Inner radius of the coil (r1) | 0.8 mm |
| Outer radius of the coil (r2) | 1.5 mm |
| Height of the coil (h) | 1.9 mm |
| Gap between the coils (g) | 1 mm |
| Number of turns (N) | 100 |
| Sample of Feature Value | Sample Mean | Sample Standard Deviation | Confidence Interval of Mean at 95% Confidence Level | Confidence Interval of Standard Deviation at 95% Confidence Level |
|---|---|---|---|---|
| Cu, planar, lift-off = 1 mm | 1.8289 | 0.0407 | (1.8099, 1.8480) | (0.0310, 0.0595) |
| Al, spherical, lift-off = 3 mm | 1.4303 | 0.1092 | (1.3793, 1.4815) | (0.0830, 0.0595) |
| Zn, cylindrical, lift-off = 5 mm | 1.0878 | 0.0780 | (1.0513, 1.1243) | (0.0593, 0.1139) |
Publisher’s Note: MDPI stays neutral with regard to jurisdictional claims in published maps and institutional affiliations. |
© 2022 by the authors. Licensee MDPI, Basel, Switzerland. This article is an open access article distributed under the terms and conditions of the Creative Commons Attribution (CC BY) license (https://creativecommons.org/licenses/by/4.0/).
Share and Cite
Wang, D.; Zhang, Z.; Yin, W.; Chen, H.; Ma, H.; Zhou, G.; Zhang, Y. Conductivity Classification of Multi-Shape Nonmagnetic Metal Considering Spatial Position Drift Effect with a Triple-Coil Electromagnetic Sensor. Sensors 2022, 22, 5694. https://doi.org/10.3390/s22155694
Wang D, Zhang Z, Yin W, Chen H, Ma H, Zhou G, Zhang Y. Conductivity Classification of Multi-Shape Nonmagnetic Metal Considering Spatial Position Drift Effect with a Triple-Coil Electromagnetic Sensor. Sensors. 2022; 22(15):5694. https://doi.org/10.3390/s22155694
Chicago/Turabian StyleWang, Dong, Zhijie Zhang, Wuliang Yin, Haoze Chen, Huidong Ma, Guangyu Zhou, and Yuchen Zhang. 2022. "Conductivity Classification of Multi-Shape Nonmagnetic Metal Considering Spatial Position Drift Effect with a Triple-Coil Electromagnetic Sensor" Sensors 22, no. 15: 5694. https://doi.org/10.3390/s22155694
APA StyleWang, D., Zhang, Z., Yin, W., Chen, H., Ma, H., Zhou, G., & Zhang, Y. (2022). Conductivity Classification of Multi-Shape Nonmagnetic Metal Considering Spatial Position Drift Effect with a Triple-Coil Electromagnetic Sensor. Sensors, 22(15), 5694. https://doi.org/10.3390/s22155694

