A Chip Antenna for Bluetooth Earphones with Cross-Head Interference Tested from Received-Signal Sensing
Abstract
:1. Introduction
2. Design of the Compact Antenna and Its Performances
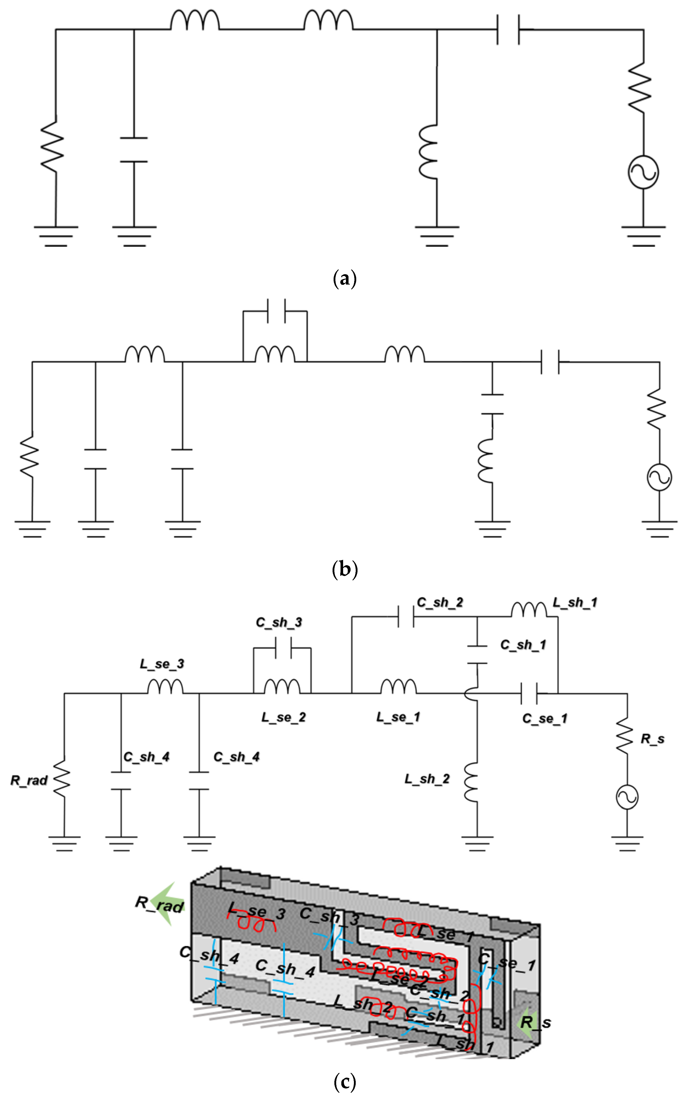
2.1. Initial Step to Shape the Structure with the Left-Handed Metamaterial Equivalent Circuit
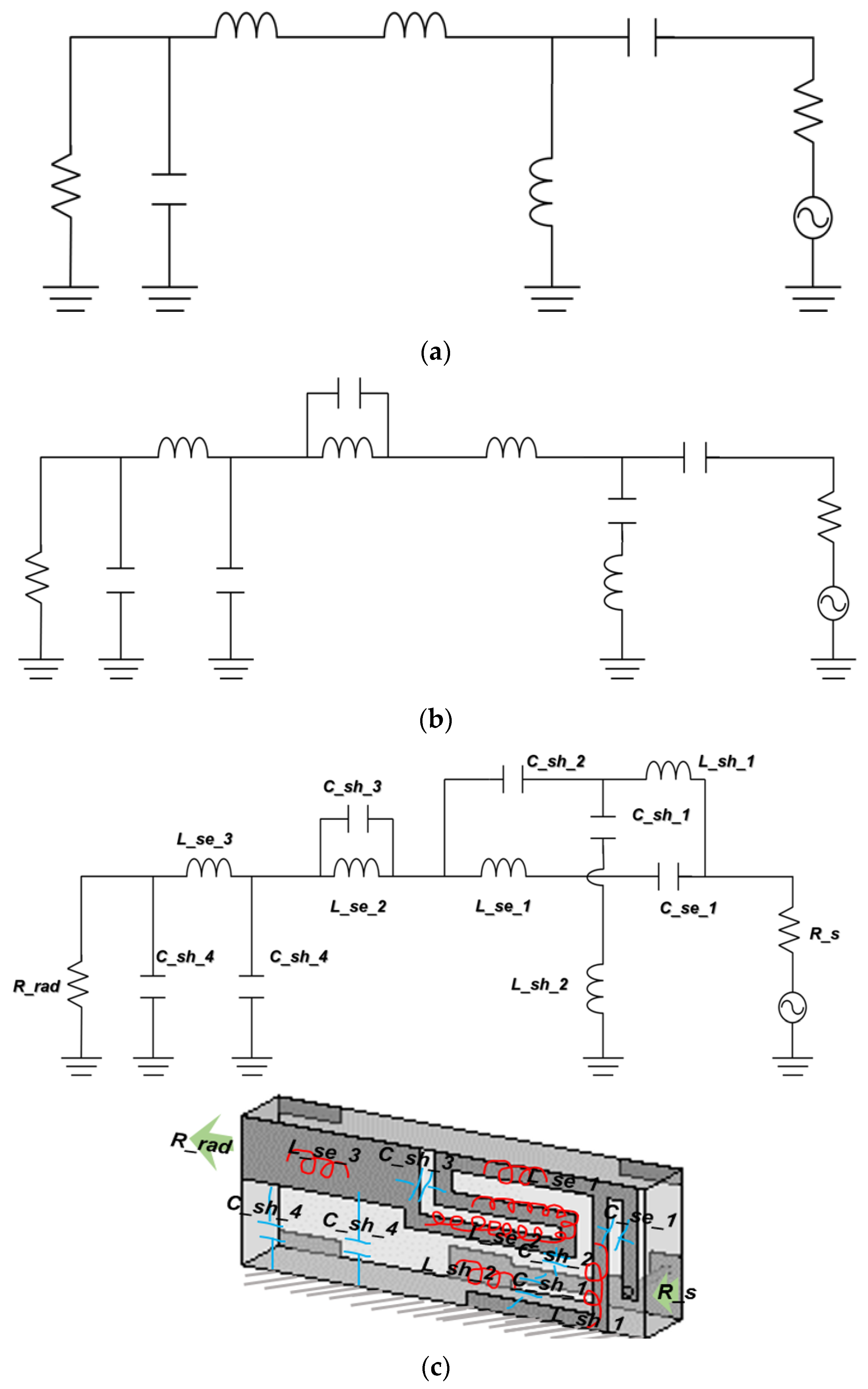
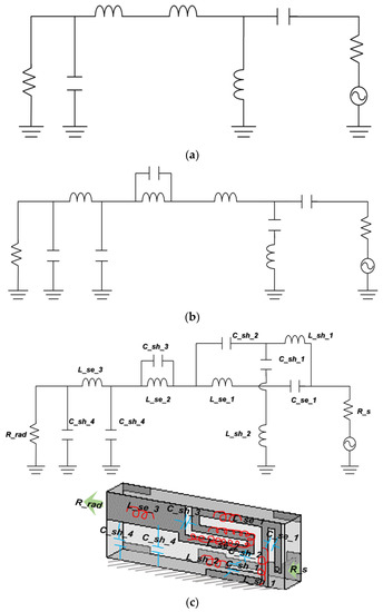
2.2. Shaping the Antenna Structure from the E-CRLH Circuit Model Approach
3. Electromagnetic Tests of the Antenna Alone and Placed in the Earphone
3.1. Electromagnetic Connectivity Created and Sensed by the Proposed Antenna
3.2. Electromagnetic Connectivity Test with the Head-Ear-Phantom
4. Received Signal Sensitivity Index Test on the Proposed Electromagnetic Sensor
5. Setting a Reference Link and Apparatus Used in the Tests
6. Conclusions
Author Contributions
Funding
Institutional Review Board Statement
Informed Consent Statement
Data Availability Statement
Acknowledgments
Conflicts of Interest
References
- Garrity, J.; CISCO. Harnessing the Internet of Things for Global Development. SSRN Electron. J. 2015. [Google Scholar] [CrossRef]
- Chen, Y. Challenges and opportunities of Internet of Things. In Proceedings of the 2002 Asia and South Pacific Design Automation Conference, Sydney, Australia, 30 January–2 February 2012. [Google Scholar]
- Gazis, V.; Sasloglou, K.; Frangiadakis, N.; Kikiras, P.; Merentitis, A.; Mathioudakis, K.; Mazarakis, G. Architectural Blueprints of a Unified Sensing Platform for the Internet of Things. In Proceedings of the 2013 International Conference on Computer Communication and Networks, Nassau, Bahamas, 30 July–2 August 2013. [Google Scholar]
- Routray, S.K.; Sharmila, K.; Javali, A.; Ghosh, A.D.; Sarangi, S. An Outlook of Narrowband IoT for Industry 4.0. In Proceedings of the 2020 International Conference on Inventive Research in Computing Applications, Coimbatore, India, 15–17 July 2020. [Google Scholar]
- Nagakannan, M.; Inbaraj, C.J.; Kannan, K.M.; Ramkumar, S. A Recent Review on IoT Based Techniques and Applications. In Proceedings of the International Conference I-SMAC (IoT Social, Mobile, Analytics and Cloud), Palladam, India, 30–31 August 2018. [Google Scholar]
- Imran, M.A.; Zoha, A.; Zhang, L.; Abbasi, Q.H. Grand Challenges in IoT and Sensor Networks. Front. Comms. 2020, 1. [Google Scholar] [CrossRef]
- Surantha, N.; Atmaja, P.D.; Wicaksono, M. A Review of Wearable Internet-of-Things Device for Healthcare. Procedia Comput. Sci. 2021, 179, 936–943. [Google Scholar] [CrossRef]
- Ometov, A.; Shubina, V.; Klus, L.; Skibińska, J.; Saafi, S.; Pascacio, P.; Flueratoru, L.; Gaibor, D.Q.; Chukhno, N.; Chukhno, O.; et al. A Survey on Wearable Technology: History, State-of-the-Art and Current Challenges. Comput. Netw. 2021, 193, 108074. [Google Scholar] [CrossRef]
- Sun, Y.; Cheung, S.W.; Yuk, T.I. Design of a textile ultra-wideband antenna with stable performance for body-centric wireless communications. IET Microw. Antennas. Propag. 2014, 8, 1363–1375. [Google Scholar] [CrossRef]
- Mendes, C.; Peixeiro, C. A Dual-Mode Single-Band Wearable Microstrip Antenna for Body Area Networks. IEEE Antennas Wireless Propag. Lett. 2017, 16, 3055–3058. [Google Scholar] [CrossRef]
- Liu, Z.-G.; Guo, Y. Compact Low-Profile Dual Band Metamaterial Antenna for Body Centric Communications. IEEE Antennas Wireless Propag. Lett. 2014, 14, 863–866. [Google Scholar] [CrossRef]
- Zhang, X.Y.; Wong, H.; Mo, T.; Cao, Y.F. Dual-Band Dual-Mode Button Antenna for On-Body and Off-Body Communications. IEEE Trans. Biomed. Circuits Syst. 2017, 11, 933–941. [Google Scholar] [CrossRef] [PubMed]
- Tong, X.; Liu, C.; Liu, X.; Guo, H.; Yang, X. Switchable ON-/OFF-Body Antenna for 2.45 GHz WBAN Applications. IEEE Trans. Antennas. Propag. 2018, 66, 967–971. [Google Scholar] [CrossRef]
- Arif, A.; Zubair, M.; Ali, M.; Khan, M.U.; Mehmood, M.Q. A Compact, Low-Profile Fractal Antenna for Wearable On-Body WBAN Applications. IEEE Antennas Wirel. Propag. Lett. 2019, 18, 981–985. [Google Scholar] [CrossRef]
- Li, X.; Jalilvand, M.; Sit, Y.L.; Zwick, T. A Compact Double-Layer On-Body Matched Bowtie Antenna for Medical Diagnosis. IEEE Trans. Antennas. Propag. 2014, 62, 1808–1816. [Google Scholar] [CrossRef]
- Khan, T.; Rahman, M. Wearable Tri-Band Antenna for Switching Between WLAN and Bluetooth for Body Centric Wireless Communication. Wirel. Pers. Commun. 2020, 117, 1459–1470. [Google Scholar] [CrossRef]
- Su, W.; Zhu, J.; Liao, H.; Tentzeris, M.M. Wearable Antennas for Cross-Body Communication and Human Activity Recognition. IEEE Access 2020, 8, 58575–58584. [Google Scholar] [CrossRef]
- Cihangir, A.; Gianesello, F.; Luxey, C. Dual-Antenna Concept with Complementary Radiation Patterns for Eyewear Applications. IEEE Trans. Antennas. Propag. 2018, 66, 3056–3063. [Google Scholar] [CrossRef]
- Zahid, Z.; Lee, H.; Kim, M.; Kim, H.; Kim, H. Antenna design using speaker wire for a Bluetooth ear set. Microw. Opt. Technol. Lett. 2019, 3, 747–752. [Google Scholar] [CrossRef]
- Zhekov, S.S.; Mikkelsen, J.H.; Pedersen, G.F. Over-the-Air Evaluation of User Body Loss for Popular In-Ear Bluetooth Earbuds. Int. J. Antennas Propag. 2021, 2021, 5534119. [Google Scholar] [CrossRef]
- Alibakhshikenari, M.; Virdee, B.S.; Azpilicueta, L.; Naser-Moghadasi, M.; Akinsolu, M.O.; See, C.H.; Liu, B.; Abd-Alhameed, R.A.; Falcone, F.; Huynen, I.; et al. A Comprehensive Survey of “Metamaterial Transmission-Line Based Antennas: Design, Challenges, and Applications”. IEEE Access 2020, 8, 144778–144808. [Google Scholar] [CrossRef]
- Stutzman, W.L.; Thiele, G.A. Antenna Theory and Design, 3rd ed.; John Wiley & Son: Hoboken, NJ, USA, 2012; ISBN 978-0-470-57664-9. [Google Scholar]
- Caloz, C.; Itoh, T. Electromagnetic Metamaterials: Transmission Line Theory and Microwave Applications; Wiley-IEEE Press: Hoboken, NJ, USA, 2005; ISBN 978-0-471-66985-2. [Google Scholar]
- Khattak, M.K.; Lee, C.; Park, H.; Kahng, S. RF Channel-Selectivity Sensing by a Small Antenna of Metamaterial Channel Filters for 5G Sub-6-GHz Bands. Sensors 2020, 20, 1989. [Google Scholar] [CrossRef] [PubMed] [Green Version]
- Khattak, M.K.; Lee, C.; Park, H.; Kahng, S. A Fully-Printed CRLH Dual-Band Dipole Antenna Fed by a Compact CRLH Dual-Band Balun. Sensors 2020, 20, 4991. [Google Scholar] [CrossRef] [PubMed]
- Rennings, A.; Otto, S.; Mosig, J.; Caloz, C.; Wolf, I. Extended composite right/left-handed (E-CRLH) metamaterial and its application as quadband quarter-wavelength transmission line. In Proceedings of the 2006 Asia-Pacific Microwave Conference, Yokohama, Japan, 12–15 December 2006. [Google Scholar]
- Jang, G.; Kahng, S. Compact metamaterial zeroth-order resonator bandpass filter for a UHF band and its stopband improvement by transmission zeros. IET Microw. Antennas Propag. 2011, 5, 1175–1181. [Google Scholar] [CrossRef]
- Veltz3D. Available online: http://temp2.bizsite.co.kr/sub02_a.html (accessed on 3 October 2021).
- Anritsu. Available online: https://www.anritsu.com/ko-kr/test-measurement/products/ms46122a (accessed on 3 October 2021).
- Speag. Available online: https://speag.swiss/products/em-phantoms/phantoms-3/head-p10/ (accessed on 3 October 2021).



















| Variable Name | Value | Variable Name | Value |
|---|---|---|---|
| R_s | 50 Ohm | R_rad | 377 Ohm |
| C_se_1 | 0.8 pF | C_sh_1 | 0.7 pF |
| C_sh_2 | 0.6 pF | C_sh_3 | 0.25 pF |
| C_sh_4 | 1 pF | L_se_1 | 0.8 nH |
| L_se_2 | 0.5 nH | L_se_3 | 0.3 nH |
| L_sh_1 | 0.4 nH | L_sh_2 | 0.6 nH |
| (a) | |||
|---|---|---|---|
| Variable Name | Value [mm] | Variable Name | Value [mm] |
| L_T1 | 3.6 | L_T2 | 6.5 |
| L_T3 | 1.7 | L_T4 | 4 |
| L_T5 | 1.4 | L_T6 | 5.5 |
| L_T7 | 0.6 | L_T8 | 5.75 |
| L_T9 | 4.3 | L_T10 | 4.5 |
| W_T1 | 0.5 | W_T2 | 2 |
| Gap_T1 | 0.5 | Gap_T2 | 0.45 |
| (b) | |||
| Variable Name | Value [mm] | Variable Name | Value [mm] |
| L_1 | 13 | L_2 | 4.8 |
| L_B1 | 2 | L_B2 | 3 |
| L_B3 | 2.5 | L_B4 | 2 |
| L_B5 | 2 | W_B1 | 1 |
| W_B2 | 0.5 | W_B3 | 1 |
| Via_D | 0.3 | H | 2 |
Publisher’s Note: MDPI stays neutral with regard to jurisdictional claims in published maps and institutional affiliations. |
© 2022 by the authors. Licensee MDPI, Basel, Switzerland. This article is an open access article distributed under the terms and conditions of the Creative Commons Attribution (CC BY) license (https://creativecommons.org/licenses/by/4.0/).
Share and Cite
Seo, Y.; Cho, J.; Lee, Y.; Jang, J.; Kwon, H.-W.; Kahng, S. A Chip Antenna for Bluetooth Earphones with Cross-Head Interference Tested from Received-Signal Sensing. Sensors 2022, 22, 3969. https://doi.org/10.3390/s22113969
Seo Y, Cho J, Lee Y, Jang J, Kwon H-W, Kahng S. A Chip Antenna for Bluetooth Earphones with Cross-Head Interference Tested from Received-Signal Sensing. Sensors. 2022; 22(11):3969. https://doi.org/10.3390/s22113969
Chicago/Turabian StyleSeo, Yejune, Junghyun Cho, Yejin Lee, Jiyeon Jang, Hyung-Wook Kwon, and Sungtek Kahng. 2022. "A Chip Antenna for Bluetooth Earphones with Cross-Head Interference Tested from Received-Signal Sensing" Sensors 22, no. 11: 3969. https://doi.org/10.3390/s22113969
APA StyleSeo, Y., Cho, J., Lee, Y., Jang, J., Kwon, H.-W., & Kahng, S. (2022). A Chip Antenna for Bluetooth Earphones with Cross-Head Interference Tested from Received-Signal Sensing. Sensors, 22(11), 3969. https://doi.org/10.3390/s22113969


