A 24-to-30 GHz Ultra-High-Linearity Down-Conversion Mixer for 5G Applications Using a New Linearization Method
Abstract
:1. Introduction
2. Principle of Linearity Improvement
2.1. Analysis of the Principle of “Reverse Uplift”
2.2. Circuit Behaviors under “Reverse Uplift”
2.3. Phase Condition and Amplitude Analysis of “Reverse Uplift”
2.4. Steps of Circuit Implementation
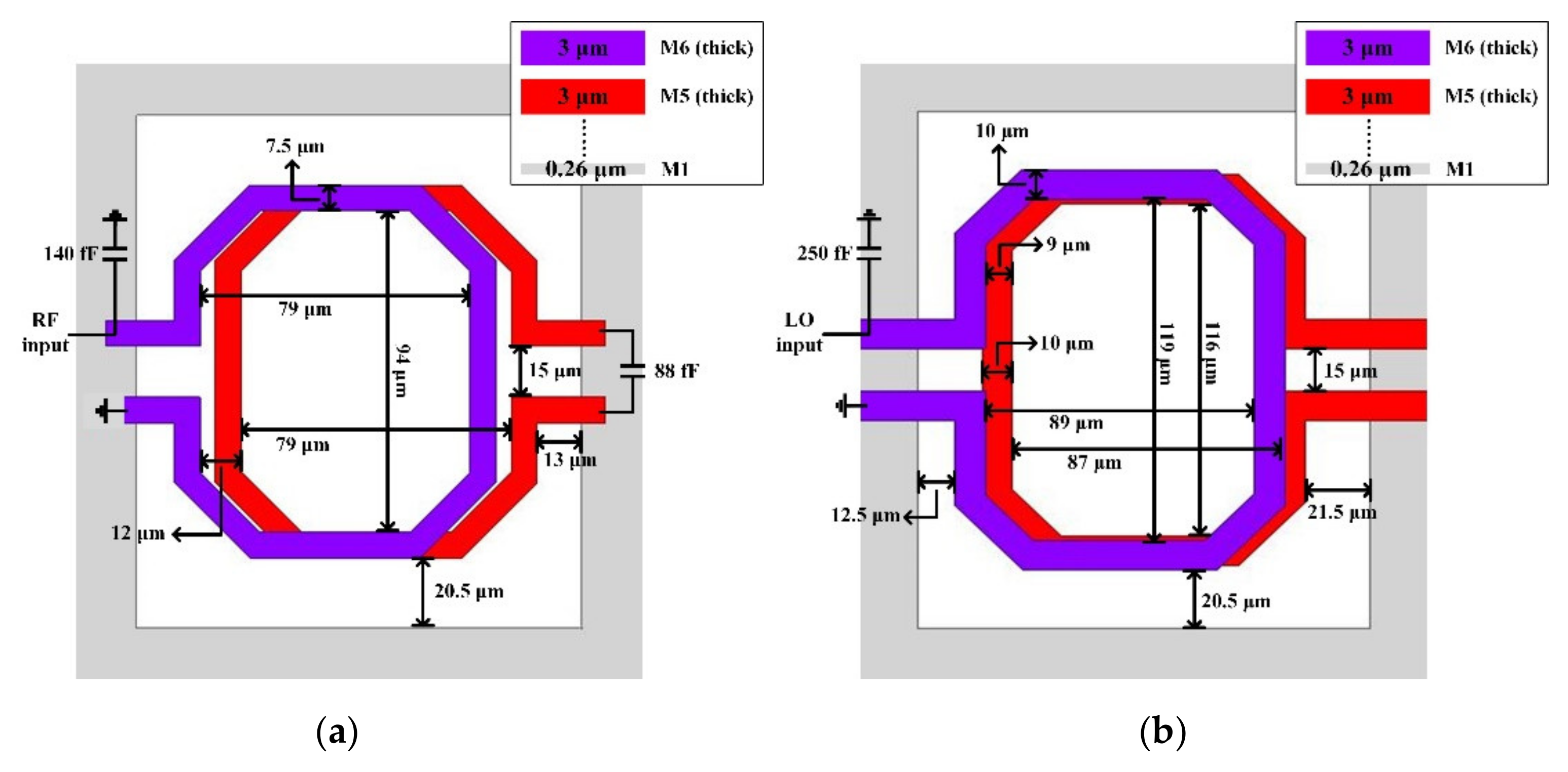
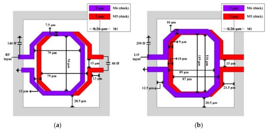
3. Implementation of a High-Linearity Down-Conversion Active Mixer
4. Simulations and Measurements
5. Conclusions
Author Contributions
Funding
Institutional Review Board Statement
Informed Consent Statement
Data Availability Statement
Conflicts of Interest
References
- Gao, L.; Ma, Q.; Rebeiz, G.M. A 20–44-GHz image-rejection receiver with >75-dB image-rejection ratio in 22 nm CMOS FD-SOI for 5G applications. IEEE Trans. Microw. Theory Technol. 2020, 68, 2823–2832. [Google Scholar] [CrossRef]
- Huang, M.Y.; Chi, T.; Li, S.; Huang, T.Y.; Wang, H. A 24.5–43.5–GHz ultra-compact CMOS receiver front end with calibration-free instantaneous full-band image rejection for multiband 5G massive MIMO. IEEE J. Solid-State Circuits 2020, 55, 1177–1186. [Google Scholar] [CrossRef]
- Parlak, M.; Buckwalter, J.F. A passive I/Q millimeter-wave mixer and switch in 45 nm CMOS SOI. IEEE Trans. Microw. Theory Technol. 2013, 61, 1131–1139. [Google Scholar] [CrossRef]
- Wu, C.L.; Yun, Y.H.; Yu, C.; Kenneth, K.O. High linearity 23–33 GHz SOI CMOS down-conversion double balanced mixer. Electron. Lett. 2011, 47, 1283–1284. [Google Scholar] [CrossRef]
- Wu, C.L.; Yu, C.; Kenneth, K.O. Amplification of nonlinearity in multiple gate transistor millimeter wave mixer for improvement of linearity and noise figure. IEEE Microw. Wireless Compon. Lett. 2015, 25, 310–312. [Google Scholar] [CrossRef]
- Lin, H.H.; Lin, Y.H.; Wang, H. A high linearity 24-GHz downconversion mixer using distributed derivative superposition technique in 0.18-μm CMOS process. IEEE Microw. Wireless Compon. Lett. 2018, 28, 49–51. [Google Scholar] [CrossRef]
- Pan, D.; Duan, Z.; Huang, L.; Wang, Y.; Zhou, Y.; Wu, B.; Sun, L. A 76–81 GHz CMOS down-conversion mixer for automotive radar. In Proceedings of the 2018 International Conference on IC Design & Technology (ICICDT), Otranto, Italy, 4–6 June 2018. [Google Scholar]
- Liu, Z.Q.; Dong, J.Y.; Chen, Z.L.; Jiang, Z.D.; Liu, P.X.; Wu, Y.Q.; Zhao, C.X.; Kang, K. A 62–90 GHz high linearity and low noise CMOS mixer using transformer-coupling cascode topology. IEEE Access 2018, 6, 19338–19344. [Google Scholar] [CrossRef]
- Yang, H.Y.; Tsai, J.H.; Huang, T.W.; Wang, H. Analysis of a new 33–58–GHz doubly balanced drain mixer in 90 nm CMOS technology. IEEE Trans. Microw. Theory Technol. 2012, 60, 1057–1068. [Google Scholar] [CrossRef]
- Kuo, J.-J.; Lien, C.H.; Tsai, Z.M.; Lin, K.Y.; Schmalz, K.; Scheytt, J.C.; Wang, H. Design and analysis of down-conversion gate/base-pumped harmonic mixers using novel reduced-size 180° hybrid with different input frequencies. IEEE Trans. Microw. Theory Technol. 2012, 60, 2473–2485. [Google Scholar] [CrossRef]
- Li, W.; Yang, H.; Chiang, Y.; Tsai, J.; Wu, M.; Huang, T. A 453-μW 53-70-GHz ultra-low-power double-balanced source-driven mixer using 90 nm CMOS technology. IEEE Trans. Microw. Theory Technol. 2013, 61, 1903–1912. [Google Scholar] [CrossRef]
- Chiou, H.K.; Chou, H.T.; Liang, C.J. A 35-to-83 GHz multiconductor-lines signal combiner for high linear and wideband mixer. IEEE Microw. Wireless Compon. Lett. 2013, 23, 548–550. [Google Scholar] [CrossRef]
- Mazor, N.; Sheinman, B.; Katz, O.; Levinger, R.; Bloch, E.; Carmon, R.; Yishay, R.B.; Elad, D. Highly linear 60-GHz SiGe downconversion/ upconversion mixers. IEEE Microw. Wireless Compon. Lett. 2017, 27, 401–403. [Google Scholar] [CrossRef]
- Boon, C.C.; Yi, X. A 10–67 GHz 1.44 mW 20.7 dB gain VGA-embedded downconversion mixer with 40 dB variable gain range. IEEE Microw. Wireless Compon. Lett. 2014, 24, 466–468. [Google Scholar] [CrossRef]
- Wang, C.Y.; Tsai, J.H. A 51 to 65 GHz low-power bulk-driven mixer using 0.13 μm CMOS technology. IEEE Microw. Wireless Compon. Lett. 2009, 19, 521–523. [Google Scholar] [CrossRef]
- Wu, Y.C.; Chiong, C.C.; Tsai, J.H.; Wang, H. A novel 30–90-GHz singly balanced mixer with broadband LO/IF. IEEE Trans. Microw. Theory Technol. 2016, 64, 4611–4623. [Google Scholar] [CrossRef]
- Choi, C.; Son, J.H.; Lee, O.; Nam, I. A + 12-dBm OIP3 60-GHz RF downconversion mixer with an output-matching, noise- and distortion-canceling active balun for 5G applications. IEEE Microw. Wirel. Compon. Lett. 2017, 27, 284–286. [Google Scholar] [CrossRef]
- Li, C.H.; Ko, C.L.; Kuo, M.C.; Chang, D.C. A 7.1-mW K/Ka - band mixer with configurable bondwire resonators in 65 nm CMOS. IEEE Trans. Very Large Scale Integr. (VLSI) Syst. 2017, 25, 2635–2648. [Google Scholar] [CrossRef]
- Liu, Y.C.; Chang, Y.W.; Yeh, Y.C.; Weng, S.H.; Tsai, J.H.; Chang, H.Y. A 2-to-67 GHz 0-dBm LO power broadband distributed NMOS-HBT Darlington mixer in 0.18 μm SiGe process. In Proceedings of the 2016 IEEE MTT-S International Microwave Symposium (IMS), San Francisco, CA, USA, 22–27 May 2016. [Google Scholar]
- Li, Y.; Goh, W.L.; Xiong, Y.Z. A broadband mixer up to 110 GHz with I–Q outputs. IEEE Trans. THz Sci. Technol. 2015, 5, 251–259. [Google Scholar] [CrossRef]
- Zhu, F.; Hong, W.; Chen, J.X.; Jiang, X.; Wu, K.; Yan, P.P.; Han, C.L. A broadband low-power millimeter wave CMOS downconversion mixer with improved linearity. IEEE Trans. Circuits Syst. II Exp. Briefs. 2014, 61, 138–142. [Google Scholar] [CrossRef]
- Lin, K.C.; Chiou, H.K.; Chien, K.H.; Yang, T.Y.; Wu, P.C.; Ko, C.L.; Juang, Y.Z. A 4.2-mW 6-dB gain 5–65-GHz gate-pumped downconversion mixer using Darlington cell for 60-GHz CMOS Receiver. IEEE Trans. Microw. Theory Technol. 2013, 61, 1516–1522. [Google Scholar] [CrossRef]
- Lin, Y.S.; Lu, C.L.; Wang, Y.H. A 5 to 45 GHz distributed mixer with cascoded complementary switching pairs. IEEE Microw. Wirel. Compon. Lett. 2013, 23, 495–497. [Google Scholar] [CrossRef]
- Zhou, S.H. Experimentally investigating the degradations of the GaN PA indexes under different temperature conditions. Microw. Opt. Technol. Lett. 2021, 63, 758–763. [Google Scholar] [CrossRef]

















| Q1 | LE = 12 μm*3 | Rrf1 | 200 ohms |
| Q2 | LE = 8 μm*5 | Rrf2 | 200 ohms |
| Q3 | LE = 12 μm*3 | Rlo1 | 20 ohms |
| M1 | W = 40 μm, L = 130 nm | Rlo2 | 200 ohms |
| L1 | 80 pH | VDD | 1.6 V |
| LO Frequency | 16 GHz | 17 GHz | 18 GHz |
|---|---|---|---|
| Simulated and measured CG versus RF frequency | ![]() | ![]() | ![]() |
| LO Frequency | 19 GHz | 20 GHz | 21 GHz |
| Simulated and measured CG versus RF frequency | ![]() | ![]() | ![]() |
| LO Frequency | 22 GHz | 23 GHz | 24 GHz |
| Simulated and measured CG versus RF frequency | ![]() | ![]() | ![]() |
| Frequency | RF: 24 GHz; LO: 17 GHz; IF: 7 GHz | RF: 24 GHz; LO: 18 GHz; IF: 6 GHz | RF: 24 GHz; LO: 19 GHz; IF: 5 GHz |
|---|---|---|---|
| Simulated and measured CG versus RF power | ![]() | ![]() | ![]() |
| Frequency | RF: 24 GHz; LO: 20 GHz; IF: 4 GHz | RF: 27 GHz; LO: 16 GHz; IF: 11 GHz | RF: 20 GHz; LO: 21 GHz; IF: 9 GHz |
| Simulated and measured CG versus RF power | ![]() | ![]() | ![]() |
| Frequency | RF: 30 GHz; LO: 22 GHz; IF: 8 GHz | RF: 30 GHz; LO: 23 GHz; IF: 7 GHz | RF: 30 GHz; LO: 24 GHz; IF: 6 GHz |
| Simulated and measured CG versus RF power | ![]() | ![]() | ![]() |
| LO Frequency | 16 GHz | 17 GHz | 18 GHz |
|---|---|---|---|
| Simulated and measured IP1dB versus RF frequency | ![]() | ![]() | ![]() |
| LO Frequency | 19 GHz | 20 GHz | 21 GHz |
| Simulated and measured IP1dB versus RF frequency | ![]() | ![]() | ![]() |
| LO Frequency | 22 GHz | 23 GHz | 24 GHz |
| Simulated and measured IP1dB versus RF frequency | ![]() | ![]() | ![]() |
| Ref. | Process | RF Freq. (GHz) | IF Bandwidth (GHz) | LO Power (dBm) | CG (dB) | IP1dB (dBm) | OP1dB (dBm) | SSB NF (dB) | LO-RF Isolation (dB) | PDC (mW) | Chip Area (mm2) | FOM | FOMIF |
|---|---|---|---|---|---|---|---|---|---|---|---|---|---|
| [4] | 45 nm CMOS SOI | 23~33 | 4 | 2 | −3.5 | −0.2 | −4.7 | 15.3 | 31 | 24 | 0.78 | 12.25 | 18.27 |
| [6] | 180 nm CMOS | 23~25 | N/A | 5 | −4.5 ± 0.6 | −4.9 | −11 | N/A | N/A | 16 | 0.72 | 6.11 | N/A |
| [16] | 90 nm CMOS | 35~83 | N/A | 1 | −1 ± 1.5 | 0 | −2 | N/A | >30 | 6.5 | 0.54 | 21.12 | N/A |
| [18] | 65 nm CMOS | 22.5~28.5 | 1.5 | 3 | 17.2 ± 0.2 | N/A | N/A | 11.2~19.4 (DSB) | >48 | 7.1 | 0.88 | N/A | N/A |
| [19] | 180 nm SiGe BiCMOS | 2~67 | 0.59 | 0 | 2.5 ± 1.4 (20~67 GHz) | −7.4 (40 GHz) | −5.4 (40 GHz) | N/A | >10 | 17.5 | 0.42 | 11.67 | 9.38 |
| [20] | 130 nm SiGe BiCMOS | 5~95 | 4 | 1 | 5.5 ± 2.5 (5~90 GHz) | −10 (20 GHz) | −5.5 (20 GHz) | 12~6 (Sim.) | 50 | 130 | 1.2 | 1.86 | 7.88 |
| [21] | 90 nm CMOS | 20~50 | 2.6 | 0 | 0 ± 2 | −1 | −2 | 16 | >46 | 6 | 0.49 | 22.22 | 26.37 |
| [22] | 90 nm CMOS | 5~65 | 2.5 | 0 | 5 ± 1.5 | −3 | +2 | N/A | >30 | 4.2 | 0.14 | 24.02 | 28 |
| [23] | 130 nm CMOS | 5~45 | 5 | 8 | −12.1 ± 1.1 | +5.4 | −6.9 | 7.6~10.2 | 33~47 | 1.4 | 0.66 | 20.29 | 27.28 |
| This work | 130 nm SiGe BiCMOS | 24~30 | 8 (3~11 GHz) | 2 | −2.3 ± 1.5 (LO:16 GHz) −2.5 ± 1.5 (LO:17 GHz) −2.7 ± 1.6 (LO:18 GHz) −2.7 ± 1.6 (LO:19 GHz) −2.7 ± 1.6 (LO:20 GHz) −2.8 ± 1.6 (LO:21 GHz −3.0 ± 1.5 (LO:22 GHz) −2.9 ± 1.3 (LO:23 GHz) −3.4 ± 0.9 (LO:24 GHz) | +7.2~+10.1 | +5.4 | 9.7~12.1 (Sim.) | >34.5 | 19.8 | 0.48 | 24.73 | 33.76 |
Publisher’s Note: MDPI stays neutral with regard to jurisdictional claims in published maps and institutional affiliations. |
© 2022 by the authors. Licensee MDPI, Basel, Switzerland. This article is an open access article distributed under the terms and conditions of the Creative Commons Attribution (CC BY) license (https://creativecommons.org/licenses/by/4.0/).
Share and Cite
Yang, S.; Hu, K.; Fu, H.; Ma, K.; Lu, M. A 24-to-30 GHz Ultra-High-Linearity Down-Conversion Mixer for 5G Applications Using a New Linearization Method. Sensors 2022, 22, 3802. https://doi.org/10.3390/s22103802
Yang S, Hu K, Fu H, Ma K, Lu M. A 24-to-30 GHz Ultra-High-Linearity Down-Conversion Mixer for 5G Applications Using a New Linearization Method. Sensors. 2022; 22(10):3802. https://doi.org/10.3390/s22103802
Chicago/Turabian StyleYang, Shenghui, Kejie Hu, Haipeng Fu, Kaixue Ma, and Min Lu. 2022. "A 24-to-30 GHz Ultra-High-Linearity Down-Conversion Mixer for 5G Applications Using a New Linearization Method" Sensors 22, no. 10: 3802. https://doi.org/10.3390/s22103802
APA StyleYang, S., Hu, K., Fu, H., Ma, K., & Lu, M. (2022). A 24-to-30 GHz Ultra-High-Linearity Down-Conversion Mixer for 5G Applications Using a New Linearization Method. Sensors, 22(10), 3802. https://doi.org/10.3390/s22103802




























