Vibration Analysis for Fault Detection of Wind Turbine Drivetrains—A Comprehensive Investigation
Abstract
1. Introduction
2. Structure of Wind Turbine Drivetrain
2.1. Drivetrain of Doubly Fed Wind Turbine
- (1)
- In Figure 1a, the front main bearing is independent, but the rear one is enclosed in the speed-up gearbox. The drivetrain is supported by the front main bearing and two torque arms in the front of the gearbox. This type assures compact structure and sufficient distance between the two main bearings, which may reduce the pressure of the front main bearing. This structure is widely adopted in large-scale wind turbines. The disadvantage of this structure is that the main shaft and gearbox need to be hoisted simultaneously during an installation or replacement.
- (2)
- In Figure 1b, both the front and rear main bearings are independent of the gearbox. To bear the bending moment from blades, the distance between the two main bearings should be long enough, which may enhance the size of the drivetrain. Since the main shaft and gearbox are separated, hoisting can be separately implemented, enabling convenience in maintenance.
- (3)
- In Figure 1c, both the front and rear main bearings are enclosed by a bearing box, which is connected with the gearbox. This structure helps to reduce the length of the cantilever of the rotor hub but enhance the difficulty of maintenance. For example, the precondition of repairing a gearbox is to dismantle the main bearing box. On the other hand, the assembly of the gearbox and generator does not refer to the same benchmark, leading to obvious misalignment between the high-speed shaft of gearbox and the shaft of generator. The bearings on the high-speed shaft of the gearbox and the bearing at the drive end of generator are damageable in this structure.
- (4)
- In Figure 1d, the front and rear main bearings are mounted in one bearing pedestal. The two main bearings need to sustain a large bending moment, thus leading them to be prone to failure. This structure is utilized by early wind turbines whose rated power is less than 1 MW. After over a decade of operation, the main bearings in this structure should be paid more attention.
2.2. Drivetrain of Direct-Drive Wind Turbine
- (1)
- In Figure 2a, there are two main bearings supporting the rotor system consisting of the blades, rotor hub, connector and generator rotor. The generator rotor is outside of the generator stator. Generally, the front bearing is a double row tapered roller bearing, and the rear one is a cylindrical roller bearing. The DDWT with an external rotor has higher energy density than the other generators [20].
- (2)
- In Figure 2b, the generator rotor is covered by the generator stator, named the internal rotor DDWT. Only one bearing is adopted to support the heavy rotor system.
3. Fault Characteristic Frequency in Wind Turbine Drivetrain
3.1. One Planetary Stage Combined with Two Parallel Stages
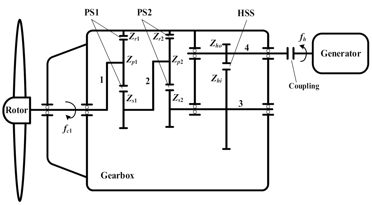
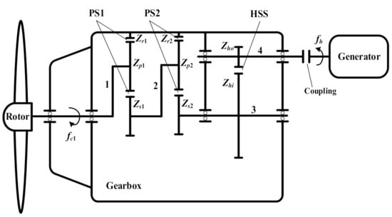
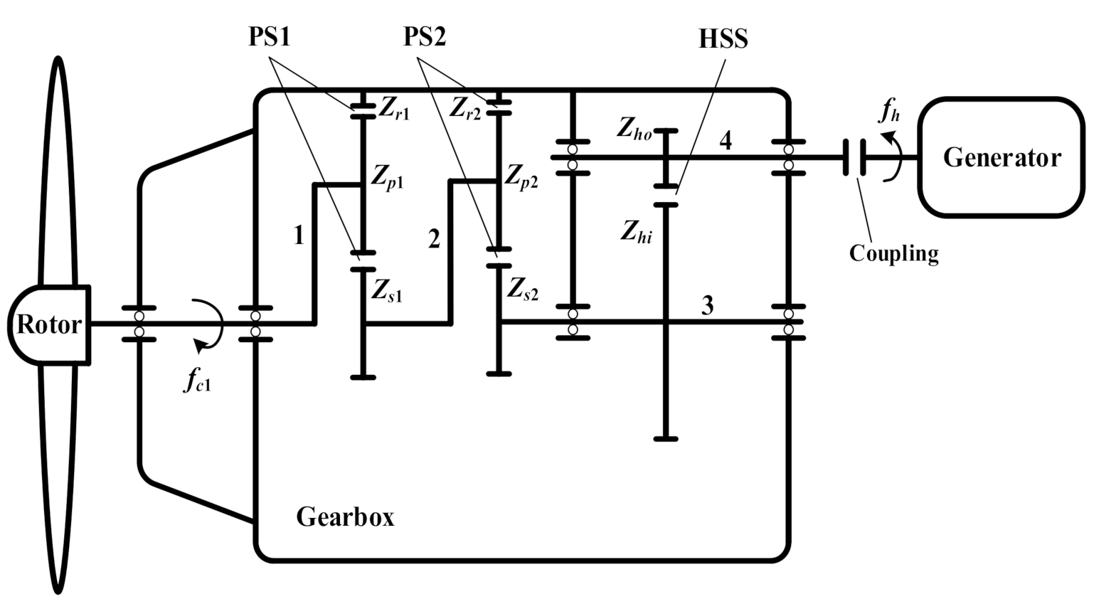
3.2. Two Planetary Stages Combined with One Parallel Stage
3.3. Fault Characteristic Frequency in Planetary Stage
3.4. Bearing Supporting Fixed-Axis Gear or Rotor
3.5. Planet Bearings
4. Vibration Data Acquisition and Analysis System
4.1. Online Condition Monitoring System
4.2. Portable Vibration Data Acquisition System
4.3. Layout of Accelerometers
5. Common Mechanical Faults in Wind Turbine Drivetrains
5.1. Faulty Main Bearing of DFWT
5.2. Faulty Gears in Parallel Stages of Wind Turbine Gearboxes
5.3. Bearing Fault in the Generator of DFWT
5.4. Bearing Looseness
5.5. Insufficient Lubrication of Generator Bearings
6. Challenging Issues and Solutions
6.1. Fault Detection of Planetary Subassemblies in Wind Turbine Gearbox
6.1.1. Local Fault of Planet Gear
6.1.2. Distributed Fault of Planetary Stage
6.2. Fault Feature Extraction under Nonstationary Conditions
6.3. Fault Information Enhancement of Vibration Signal
6.3.1. Compound Faults in Wind Turbine Gearbox
6.3.2. Signal Decomposition Methods
6.3.3. Bearing Fault in Wind Turbine Generator under Intensive Interference
6.3.4. Denoising for Fault Enhancement
6.4. Health Indicator for Vibration-Based Condition Monitoring
6.5. Pedestal Looseness
7. Research Needs and Future Challenges
- (1)
- The parameters of the vibration data acquisition system, e.g., the sensitivity of accelerometer, measurement range and frequency response range, are various, accounting for nonstandard data sources from wind turbine drivetrains. Urgent work is expected to standardize the condition monitoring system for manufacturers, researchers and operators.
- (2)
- During the operation of wind turbines, massive vibration signals are generated each second, which causes a challenge for data archiving and communication. It is suggested that the instantaneous vibration signal should be stored once four hours, with a 30 s duration each time. The signals at other times are processed as status parameters in order to save storage space.
- (3)
- The fault detection for planetary subassemblies in wind turbine gearboxes is still an intractable task due to varying transmission path and adjacent fault characteristic frequencies caused by low rotational speed. The higher vibration energy from intermediate and high-speed stages also masks the fault features of planetary subassemblies.
- (4)
- After extracting the fault characteristics and constructing the health indicator, remaining useful life prediction is a significant task that can help schedule the maintenance of gearboxes or generators for wind turbines.
- (5)
- Vibration analysis and fault diagnosis for wind turbine drivetrains mainly depend on the experiences of professional engineers, which lacks intelligent diagnosis function. Certainly, it is necessary to take account of the following situations in the intelligent diagnosis of wind turbine drivetrains: different sampling frequency at different measurement positions, complex drivetrain structure, varying working condition, etc.
8. Conclusions
Author Contributions
Funding
Institutional Review Board Statement
Informed Consent Statement
Data Availability Statement
Conflicts of Interest
References
- Available online: https://library.wwindea.org/global-statistics/ (accessed on 12 June 2020).
- Salem, A.A.; Abu-Siada, A.; Islam, S. Condition monitoring techniques of the wind turbines gearbox and rotor. Int. J. Electr. Energy 2014, 2, 53–56. [Google Scholar] [CrossRef]
- Amirat, Y.; Benbouzid, M.E.H.; Al-Ahmar, E.; Bensaker, B.; Turri, S. A brief status on condition monitoring and fault diagnosis in wind energy conversion systems. Renew. Sustain. Energy Rev. 2009, 13, 2629–2636. [Google Scholar] [CrossRef]
- Igba, J.; Alemzadeh, K.; Durugbo, C.; Henningsen, K. Performance assessment of wind turbine gearboxes using in-service data: Current approaches and future trends. Renew. Sustain. Energy Rev. 2015, 50, 144–159. [Google Scholar] [CrossRef]
- Ribrant, J.; Bertling, L.M. Survey of failures in wind power systems with focus on Swedish wind power plants during 1997–2005. IEEE Trans. Energy Convers. 2007, 22, 167–173. [Google Scholar] [CrossRef]
- Dupuis, R. Application of oil debris monitoring for wind turbine gearbox prognostics and health management. In Proceedings of the Annual Conference of the Prognostics and Health Management Society, Portland, OR, USA, 10–16 October 2010. [Google Scholar]
- Zhang, Y.; Lu, W.; Chu, F. Planet gear fault localization for wind turbine gearbox using acoustic emission signals. Renew. Energy 2017, 109, 449–460. [Google Scholar] [CrossRef]
- Wei, J.; McCarty, J. Acoustic emission evaluation of composite wind turbine blades during fatigue testing. Wind Eng. 1993, 17, 266–274. [Google Scholar]
- Yin, Y.; Wang, W.; Yan, X.; Xiao, H.; Wang, C. An integrated online oil analysis method for condition monitoring. Meas. Sci. Technol. 2003, 14, 1973–1977. [Google Scholar]
- Zhu, J.; Yoon, J.; He, D.; Qiu, B.; Bechhoefer, E. Online condition monitoring and remaining useful life prediction of particle contaminated lubrication oil. In Proceedings of the 2013 IEEE Conference on Prognostics and Health Management (PHM), Gaithersburg, MD, USA, 24–27 June 2013; pp. 1–14. [Google Scholar]
- Mohanty, A.R.; Kar, C. Fault detection in a multistage gearbox by demodulation of motor current waveform. IEEE Trans. Ind. Electron. 2006, 53, 1285–1297. [Google Scholar] [CrossRef]
- Yang, W.; Tavner, P.J.; Wilkinson, M.R. Condition monitoring and fault diagnosis of a wind turbine synchronous generator drive train. IET Renew. Power Gener. 2009, 3, 1–11. [Google Scholar] [CrossRef]
- Azevedo, H.D.M.; Araújo, A.M.; Bouchonneau, N. A review of wind turbine bearing condition monitoring: State of the art and challenges. Renew. Sustain. Energy Rev. 2016, 56, 368–379. [Google Scholar] [CrossRef]
- Nejad, A.R.; Odgaard, P.F.; Gao, Z.; Moan, T. A prognostic method for fault detection in wind turbine drivetrains. Eng. Fail. Anal. 2014, 42, 324–336. [Google Scholar] [CrossRef]
- Márquez, F.P.G.; Tobias, A.M.; Pérez, J.M.P.; Papaelias, M. Condition monitoring of wind turbines: Techniques and methods. Renew. Energy 2012, 48, 110–116. [Google Scholar]
- Hameed, Z.; Hong, Y.S.; Cho, Y.M.; Ahn, S.H.; Song, C.K. Condition monitoring and fault detection of wind turbines and related algorithms: A review. Renew. Sustain. Energy Rev. 2009, 13, 1–39. [Google Scholar] [CrossRef]
- Kandukuri, S.T.; Klausen, A.; Karimi, H.R.; Robbersmyr, K.G. A review of diagnostics and prognostics of low-speed machinery towards wind turbine farm-level health management. Renew. Sustain. Energy Rev. 2016, 53, 697–708. [Google Scholar] [CrossRef]
- Qiao, W.; Lu, D. A survey on wind turbine condition monitoring and fault diagnosis—Part I: Components and subsystems. IEEE Trans. Ind. Electron. 2015, 62, 6536–6545. [Google Scholar] [CrossRef]
- Qiao, W.; Lu, D. A survey on wind turbine condition monitoring and fault diagnosis—Part II: Signals and signal processing methods. IEEE Trans. Ind. Electron. 2015, 62, 6546–6557. [Google Scholar] [CrossRef]
- Polinder, H.; Pijl, F.F.; Vilder, G.J.; Tavner, P.J. Comparison of direct-drive and geared generator concepts for wind turbines. In Proceedings of the IEEE International Conference on Electric Machines and Drives, San Antonio, TX, USA, 15 May 2005; pp. 543–550. [Google Scholar]
- Teng, W.; Jiang, R.; Ding, X.; Liu, Y.; Ma, Z. Detection and quantization of bearing fault in direct drive wind turbine via comparative analysis. Shock Vib. 2016, 2016, 2378435. [Google Scholar] [CrossRef]
- Vicuña, C.M. Theoretical frequency analysis of vibrations from planetary gearboxes. Forsch Ing. 2012, 76, 15–31. [Google Scholar]
- Koch, J.P.T.; Vicuña, C.M. Dynamic and phenomenological vibration models for failure prediction on planet gears of planetary gearboxes. J. Braz. Soc. Mech. Sci. Eng. 2014, 36, 533–545. [Google Scholar] [CrossRef]
- Parra, J.; Vicuña, C.M. Two methods for modeling vibrations of planetary gearboxes including faults: Comparison and validation. Mech. Syst. Signal Process. 2017, 92, 213–225. [Google Scholar] [CrossRef]
- Inalpolat, M.; Kahraman, A. A dynamic model to predict modulation sidebands of a planetary gear set having manufacturing errors. J. Sound Vib. 2010, 329, 371–393. [Google Scholar] [CrossRef]
- Chaari, F.; Fakhfakh, T.; Hbaieb, R.; Louati, J.; Haddar, M. Influence of manufacturing errors on the dynamic behavior of planetary gears. Int. J. Adv. Manuf. Technol. 2006, 27, 738–746. [Google Scholar] [CrossRef]
- Chaari, F.; Fakhfakh, T.; Haddar, M. Dynamic analysis of a planetary gear failure caused by tooth pitting and cracking. J. Fail. Anal. Prev. 2006, 6, 73–78. [Google Scholar] [CrossRef]
- Feng, Z.; Zuo, M. Vibration signal models for fault diagnosis of planetary gearboxes. J. Sound Vib. 2012, 331, 4919–4939. [Google Scholar] [CrossRef]
- Lei, Y.; Liu, Z.; Lin, J.; Lu, F. Phenomenological models of vibration signals for condition monitoring and fault diagnosis of epicyclic gearboxes. J. Sound Vib. 2016, 369, 266–281. [Google Scholar] [CrossRef]
- Liang, X.; Zuo, M.; Hoseini, M.R. Vibration signal modeling of a planetary gear set for tooth crack detection. Eng. Fail. Anal. 2015, 48, 185–200. [Google Scholar] [CrossRef]
- Chen, Z.; Shao, Y. Dynamic simulation of planetary gear with tooth root crack in ring gear. Eng. Fail. Anal. 2013, 31, 8–18. [Google Scholar] [CrossRef]
- Feldman, M. Hilbert transform in vibration analysis. Mech. Syst. Signal Process. 2011, 25, 735–802. [Google Scholar] [CrossRef]
- VDI 3834. In Measurement and Evaluation of the Mechanical Vibration of Wind Energy Turbines and Their Components Onshore Wind Energy Turbines with Gears; VDI: Düsseldorf, Germany, 2009; p. 16.
- Practical Solutions to Machinery and Maintenance Vibration Problems, Chapter 8, Vibration in Bearings, Section 10, Vibration Symptoms of a Loose Bearing. Available online: http://www.update-intl.com/VibrationBook8j.htm (accessed on 22 May 2015).
- McFadden, P.D.; Smith, J.D. An explanation for the asymmetry of the modulation sidebands about the tooth meshing frequency in epicyclic gear vibration. Proc. Inst. Mech. Eng. 1985, 199, 65–70. [Google Scholar] [CrossRef]
- McFadden, P.D. A technique for calculating the time domain averages of the vibration of the individual planet gears and the sun gear in an epicyclic gearbox. J. Sound Vib. 1991, 144, 163–172. [Google Scholar] [CrossRef]
- Hong, L.; Dhupia, J.S.; Sheng, S. An explanation of frequency features enabling detection of faults in equally spaced planetary gearbox. Mech. Mach. Theory 2014, 73, 169–183. [Google Scholar] [CrossRef]
- Feng, Z.; Zuo, M.; Qu, J.; Tian, T.; Liu, Z. Joint amplitude and frequency demodulation analysis based on local mean decomposition for fault diagnosis of planetary gearboxes. Mech. Syst. Signal Process. 2013, 40, 56–75. [Google Scholar] [CrossRef]
- Feng, Z.; Lin, X.; Zuo, M. Joint amplitude and frequency demodulation analysis based on intrinsic time-scale decomposition for planetary gearbox fault diagnosis. Mech. Syst. Signal Process. 2016, 72–73, 223–240. [Google Scholar] [CrossRef]
- Feng, Z.; Liang, M.; Zhang, Y.; Hou, S. Fault diagnosis for wind turbine planetary gearboxes via demodulation analysis based on ensemble empirical mode decomposition and energy separation. Renew. Energy 2012, 47, 112–126. [Google Scholar] [CrossRef]
- Wang, L.; Shao, Y.; Cao, Z. Optimal demodulation subband selection for sun gear crack fault diagnosis in planetary gearbox. Measurement 2018, 125, 554–563. [Google Scholar] [CrossRef]
- Lei, Y.; Han, D.; Lin, J.; He, Z. Planetary gearbox fault diagnosis using an adaptive stochastic resonance method. Mech. Syst. Signal Process. 2013, 38, 113–124. [Google Scholar] [CrossRef]
- Chen, X.; Cheng, G.; Shan, X.; Hu, X.; Guo, Q.; Liu, H. Research of weak fault feature information extraction of planetary gear based on ensemble empirical mode decomposition and adaptive stochastic resonance. Measurement 2015, 73, 55–67. [Google Scholar] [CrossRef]
- Ha, J.M.; Youn, B.D.; Oh, H.; Han, B.; Jung, Y.; Park, J. Autocorrelation-based time synchronous averaging for condition monitoring of planetary gearboxes in wind turbines. Mech. Syst. Signal Process. 2016, 70–71, 161–175. [Google Scholar] [CrossRef]
- Liang, X.; Zuo, M.; Liu, L. A windowing and mapping strategy for gear tooth fault detection of a planetary gearbox. Mech. Syst. Signal Process. 2016, 80, 445–459. [Google Scholar] [CrossRef]
- Feng, Z.; Liang, M. Complex signal analysis for planetary gearbox fault diagnosis via shift invariant dictionary learning. Measurement 2016, 90, 382–395. [Google Scholar] [CrossRef]
- Wang, T.; Chu, F.; Han, Q. Fault diagnosis for wind turbine planetary ring gear via a meshing resonance based filtering algorithm. ISA Trans. 2017, 67, 173–182. [Google Scholar] [CrossRef]
- Kong, Y.; Wang, T.; Chu, F. Meshing frequency modulation assisted empirical wavelet transform for fault diagnosis of wind turbine planetary ring gear. Renew. Energy 2019, 132, 1373–1388. [Google Scholar] [CrossRef]
- Teng, W.; Ding, X.; Cheng, H.; Han, C.; Liu, Y.; Mu, H. Compound faults diagnosis and analysis for a wind turbine gearbox via a novel vibration model and empirical wavelet transform. Renew. Energy 2019, 136, 393–402. [Google Scholar] [CrossRef]
- Feng, Z.; Liang, M. Complex signal analysis for wind turbine planetary gearbox fault diagnosis via iterative atomic decomposition thresholding. J. Sound Vib. 2014, 333, 5196–5211. [Google Scholar] [CrossRef]
- Barszcz, T.; Randall, R.B. Application of spectral kurtosis for detection of a tooth crack in the planetary gear of a wind turbine. Mech. Syst. Signal Process. 2009, 23, 1352–1365. [Google Scholar] [CrossRef]
- Bonnardot, F.; Randall, R.B.; Antoni, J.; Guillet, F. Enhanced unsupervised noise cancellation (E-SANC) using angular resampling application for planetary bearing fault diagnosis. Surveillance 2004, 5, 11–13. [Google Scholar]
- Fan, Z.; Li, H. A hybrid approach for fault diagnosis of planetary bearings using an internal vibration sensor. Measurement 2015, 64, 71–80. [Google Scholar] [CrossRef]
- Wang, T.; Han, Q.; Chu, F.; Feng, Z. A new SKRgram based demodulation technique for planet bearing fault detection. J. Sound Vib. 2016, 385, 330–349. [Google Scholar] [CrossRef]
- Wang, T.; Chu, F.; Feng, Z. Meshing frequency modulation (MFM) index-based kurtogram for planet bearing fault detection. J. Sound Vib. 2018, 432, 437–453. [Google Scholar] [CrossRef]
- Feng, Z.; Ma, H.; Zuo, M. Spectral negentropy based sidebands and demodulation analysis for planet bearing fault diagnosis. J. Sound Vib. 2017, 410, 124–150. [Google Scholar] [CrossRef]
- Jain, S.; Whiteley, P.E.; Hunt, H.E.M. Detection of planet bearing faults in wind turbine gearboxes. In Proceedings of the International Conference on Noise and Vibration Engineering (ISMA)/International Conference on Uncertainty in Structural Dynamics (USD), Leuven, Belgium, 17–19 September 2012. [Google Scholar]
- Selesnick, I.W. Wavelet transform with tunable Q-factor. IEEE Trans. Signal Process. 2011, 59, 3560–3575. [Google Scholar] [CrossRef]
- Selesnick, I.W. Resonance-based signal decomposition: A new sparsity-enabled signal analysis method. Signal Process. 2011, 91, 2793–2809. [Google Scholar] [CrossRef]
- Teng, W.; Liu, Y.; Huang, Y.; Song, L.; Liu, Y.; Ma, Z. Fault detection of planetary subassemblies in a wind turbine gearbox using TQWT based sparse representation. J. Sound Vib. 2021, 490, 1–22. [Google Scholar] [CrossRef]
- Maheswari, R.U.; Umamaheswari, R. Trends in non-stationary signal processing techniques applied to vibration analysis of wind turbine drive train—A contemporary survey. Mech. Syst. Signal Process. 2017, 85, 296–311. [Google Scholar] [CrossRef]
- Yang, Y.; Peng, Z.; Dong, X.; Zhang, W.; Meng, G. General parameterized time-frequency transform. IEEE Trans. Signal Process. 2014, 62, 2751–2764. [Google Scholar] [CrossRef]
- Yang, Y.; Peng, Z.; Meng, G.; Zhang, W. Spline-kernelled chirplet transform for the analysis of signals with time-varying frequency and its application. IEEE Trans. Ind. Electron. 2012, 59, 1612–1621. [Google Scholar] [CrossRef]
- Yang, W.; Tavner, P.J.; Tian, W. Wind turbine condition monitoring based on an improved spline-kernelled chirplet transform. IEEE Trans. Ind. Electron. 2015, 62, 6565–6574. [Google Scholar] [CrossRef]
- Guan, Y.; Liang, M.; Necsulescu, D.S. Velocity synchronous bilinear distribution for planetary gearbox fault diagnosis under non-stationary conditions. J. Sound Vib. 2019, 443, 212–229. [Google Scholar] [CrossRef]
- Feng, Z.; Chen, X.; Liang, M.; Ma, F. Time-frequency demodulation analysis based on iterative generalized demodulation for fault diagnosis of planetary gearbox under nonstationary conditions. Mech. Syst. Signal Process. 2015, 62–63, 54–74. [Google Scholar] [CrossRef]
- Feng, Z.; Chen, X.; Liang, M. Iterative generalized synchrosqueezing transform for fault diagnosis of wind turbine planetary gearbox under nonstationary conditions. Mech. Syst. Signal Process. 2015, 52–53, 360–375. [Google Scholar] [CrossRef]
- Feng, Z.; Liang, M. Fault diagnosis of wind turbine planetary gearbox under nonstationary conditions via adaptive optimal kernel time-frequency analysis. Renew. Energy 2014, 66, 468–477. [Google Scholar] [CrossRef]
- Feng, Z.; Qin, S.; Liang, M. Time-frequency analysis based on Vold-Kalman filter and higher order energy separation for fault diagnosis of wind turbine planetary gearbox under nonstationary conditions. Renew. Energy 2016, 85, 45–56. [Google Scholar] [CrossRef]
- Chen, X.; Feng, Z. Iterative generalized time-frequency reassignment for planetary gearbox fault diagnosis under nonstationary conditions. Mech. Syst. Signal Process. 2016, 80, 429–444. [Google Scholar] [CrossRef]
- Daubechies, I. Ten Lectures on Wavelets; SIAM: Philadelphia, PA, USA, 1992. [Google Scholar]
- Park, J.; Hamadache, M.; Ha, J.M.; Kim, Y.; Na, K.; Youn, B.D. A positive energy residual (PER) based planetary gear fault detection method under variable speed conditions. Mech. Syst. Signal Process. 2019, 117, 347–360. [Google Scholar] [CrossRef]
- Feng, Z.; Chen, X.; Liang, M. Joint envelope and frequency order spectrum analysis based on iterative generalized demodulation for planetary gearbox fault diagnosis under nonstationary conditions. Mech. Syst. Signal Process. 2016, 76–77, 242–264. [Google Scholar] [CrossRef]
- Jiang, X.; Li, S. A dual path optimization ridge estimation method for condition monitoring of planetary gearbox under varying-speed operation. Measurement 2016, 94, 630–644. [Google Scholar] [CrossRef]
- Hong, L.; Qu, Y.; Dhupia, J.S.; Sheng, S.; Tan, Y.; Zhou, Z. A novel vibration-based fault diagnostic algorithm for gearboxes under speed fluctuations without rotational speed measurement. Mech. Syst. Signal Process. 2017, 94, 14–32. [Google Scholar] [CrossRef]
- He, G.; Ding, K.; Li, W.; Jiao, X. A novel order tracking method for wind turbine planetary gearbox vibration analysis based on discrete spectrum correction technique. Renew. Energy 2016, 87, 364–375. [Google Scholar] [CrossRef]
- Li, Z.; Jiang, Y.; Guo, Q.; Hu, C.; Peng, Z. Multi-dimensional variational mode decomposition for bearing-crack detection in wind turbines with large driving-speed variations. Renew. Energy 2018, 116, 55–73. [Google Scholar] [CrossRef]
- Antoniadou, I.; Manson, G.; Staszewski, W.J.; Barszcz, T.; Worden, K. A time-frequency analysis approach for condition monitoring of a wind turbine gearbox under varying load conditions. Mech. Syst. Signal Process. 2015, 64–65, 188–216. [Google Scholar] [CrossRef]
- Sawalhi, N.; Randall, R.B. Gear parameter identification in a wind turbine gearbox using vibration signals. Mech. Syst. Signal Process. 2014, 42, 368–376. [Google Scholar] [CrossRef]
- Villa, L.F.; Renones, A.; Peran, J.R.; Miguel, L.J. Angular resampling for vibration analysis in wind turbines under non-linear speed fluctuation. Mech. Syst. Signal Process. 2011, 25, 2157–2168. [Google Scholar] [CrossRef]
- Pezzani, C.M.; Bossio, J.M.; Castellino, A.M.; Bossio, G.R.; Angelo, C.H. A PLL-based resampling technique for vibration analysis in variable-speed wind turbines with PMSG: A bearing fault case. Mech. Syst. Signal Process. 2017, 85, 354–366. [Google Scholar] [CrossRef]
- Teng, W.; Ding, X.; Zhang, X.; Liu, Y.; Ma, Z. Multi-fault detection and failure analysis of wind turbine gearbox using complex wavelet transform. Renew. Energy 2016, 93, 591–598. [Google Scholar] [CrossRef]
- Yan, R.; Gao, R.X. Multi-scale enveloping spectrogram for vibration analysis in bearing defect diagnosis. Tribol. Int. 2009, 42, 293–302. [Google Scholar] [CrossRef]
- Sawalhi, N.; Randall, R.B. Signal pre-whitening using cepstrum editing (Liftering) to enhance fault detection in rolling element bearings. In Proceedings of the 24th International Congress on Condition Monitoring and Diagnostics Engineering Management (COMADEM), Stavanger, Norway, 30 May–1 June 2011. [Google Scholar]
- Ma, Z.; Teng, W.; Liu, Y.; Wang, D.; Kusiak, A. Application of the multi-scale enveloping spectrogram to detect weak faults in a wind turbine gearbox. IET Renew. Power Gener. 2017, 11, 578–584. [Google Scholar] [CrossRef]
- Du, Z.; Chen, X.; Zhang, H.; Yan, R. Sparse feature identification based on union of redundant dictionary for wind turbine gearbox fault diagnosis. IEEE Trans. Ind. Electron. 2015, 62, 6594–6605. [Google Scholar] [CrossRef]
- Teng, W.; Wang, F.; Zhang, K.; Liu, Y.; Ding, X. Pitting fault detection of a wind turbine gearbox using empirical mode decomposition. Stroj. Vestn. J. Mech. Eng. 2014, 60, 12–20. [Google Scholar] [CrossRef]
- Liu, W.; Zhang, W.; Han, J.; Wang, G. A new wind turbine fault diagnosis method based on the local mean decomposition. Renew. Energy 2012, 48, 411–415. [Google Scholar] [CrossRef]
- Liu, W.; Gao, Q.; Ye, G.; Ma, R.; Lu, X.; Han, J. A novel wind turbine bearing fault diagnosis method based on integral extension LMD. Measurement 2015, 74, 70–77. [Google Scholar] [CrossRef]
- Wang, J.; Gao, R.X.; Yan, R. Integration of EEMD and ICA for wind turbine gearbox diagnosis. Wind Energy 2014, 17, 757–773. [Google Scholar] [CrossRef]
- Hu, A.; Yan, X.; Xiang, L. A new wind turbine fault diagnosis method based on ensemble intrinsic time-scale decomposition and WPT-fractal dimension. Renew. Energy 2015, 83, 767–778. [Google Scholar] [CrossRef]
- Chen, J.; Pan, J.; Li, Z.; Zi, Y.; Chen, X. Generator bearing fault diagnosis for wind turbine via empirical wavelet transform using measured vibration signals. Renew. Energy 2016, 89, 80–92. [Google Scholar] [CrossRef]
- Teng, W.; Wang, W.; Ma, H.; Liu, Y.; Ma, Z.; Mu, H. Adaptive fault detection of the bearing in wind turbine generators using parameterless empirical wavelet transform and margin factor. J. Vib. Control 2019, 25, 1263–1278. [Google Scholar] [CrossRef]
- Teng, W.; Ding, X.; Zhang, Y.; Liu, Y.; Ma, Z.; Kusiak, A. Application of cyclic coherence function to bearing fault detection in a wind turbine generator under electromagnetic vibration. Mech. Syst. Signal Process. 2017, 87, 279–293. [Google Scholar] [CrossRef]
- Antoni, J. Cyclic spectral analysis in practice. Mech. Syst. Signal Process. 2007, 21, 597–630. [Google Scholar] [CrossRef]
- Ma, Z.; Liu, Y.; Wang, D.; Teng, W.; Kusiak, A. Cyclostationary analysis of a faulty bearing in the wind turbine. J. Sol. Energy Eng. 2017, 139, 031006. [Google Scholar] [CrossRef]
- Sun, H.; Zi, Y.; He, Z. Wind turbine fault detection using multiwavelet denoising with the data-driven block threshold. Appl. Acoust. 2014, 77, 122–129. [Google Scholar] [CrossRef]
- Barszcz, T.; Sawalhi, N. Wind turbines’ rolling element bearings fault detection enhancement using minimum entropy deconvolution. Diagn. Struct. Health Monit. 2011, 3, 53–59. [Google Scholar]
- Tang, B.; Liu, W.; Song, T. Wind turbine fault diagnosis based on Morlet wavelet transformation and Wigner-Ville distribution. Renew. Energy 2010, 35, 2862–2866. [Google Scholar] [CrossRef]
- Jiang, Y.; Tang, B.; Qin, Y.; Liu, W. Feature extraction method of wind turbine based on adaptive Morlet wavelet and SVD. Renew. Energy 2011, 36, 2146–2153. [Google Scholar] [CrossRef]
- Yang, D.; Li, H.; Hu, Y.; Zhao, J.; Xiao, H.W.; Lan, Y. Vibration condition monitoring system for wind turbine bearings based on noise suppression with multi-point data fusion. Renew. Energy 2016, 92, 104–116. [Google Scholar] [CrossRef]
- Li, J.; Chen, X.; Du, Z.; Fang, Z.; He, Z. A new noise-controlled second-order enhanced stochastic resonance method with its application in wind turbine drivetrain fault diagnosis. Renew. Energy 2013, 60, 7–19. [Google Scholar] [CrossRef]
- Li, J.; Li, M.; Zhang, J.; Jiang, G. Frequency-shift multiscale noise tuning stochastic resonance method for fault diagnosis of generator bearing in wind turbine. Measurement 2019, 133, 421–432. [Google Scholar] [CrossRef]
- Ren, H.; Liu, W.; Jiang, Y.; Su, X. A novel wind turbine weak feature extraction method based on cross genetic algorithm optimal MHW. Measurement 2017, 109, 242–246. [Google Scholar] [CrossRef]
- Hong, L.; Dhupia, J.S. A time domain approach to diagnose gearbox fault based on measured vibration signals. J. Sound Vib. 2014, 333, 2164–2180. [Google Scholar] [CrossRef]
- Li, Z.; Yan, X.; Wang, X.; Peng, Z. Detection of gear cracks in a complex gearbox of wind turbines using supervised bounded component analysis of vibration signals collected from multi-channel sensors. J. Sound Vib. 2016, 371, 406–433. [Google Scholar] [CrossRef]
- Shanbr, S.; Elasha, F.; Elforjani, M.; Teixeira, J. Detection of natural crack in wind turbine gearbox. Renew. Energy 2018, 118, 172–179. [Google Scholar] [CrossRef]
- Zappalá, D.; Tavner, P.J.; Crabtree, C.J.; Sheng, S. Side-band algorithm for automatic wind turbine gearbox fault detection and diagnosis. IET Renew. Power Gener. 2014, 8, 380–389. [Google Scholar] [CrossRef]
- Pattabiraman, T.R.; Srinivasan, K.; Malarmohan, K. Assessment of sideband energy ratio technique in detection of wind turbine gear defects. Case Stud. Mech. Syst. Signal Process. 2015, 2, 1–11. [Google Scholar]
- Ni, Q.; Feng, K.; Wang, K.; Yang, B.; Wang, Y. A case study of sample entropy analysis to the fault detection of bearing in wind turbine. Case Stud. Eng. Fail. Anal. 2017, 9, 99–111. [Google Scholar] [CrossRef]
- Guo, L.; Li, N.; Jia, F.; Lei, Y.; Lin, J. A recurrent neural network based health indicator for remaining useful life prediction of bearings. Neurocomputing 2017, 240, 98–109. [Google Scholar] [CrossRef]
- An, X.; Jiang, D.; Li, S.; Zhao, M. Application of the ensemble empirical mode decomposition and Hilbert transform to pedestal looseness study of direct-drive wind turbine. Energy 2011, 36, 5508–5520. [Google Scholar] [CrossRef]































| Formula | |
|---|---|
| Planetary stage | |
| Intermediate stage | |
| High speed stage |
| Formula | |
|---|---|
| Sun shaft | |
| Intermediate shaft | |
| High-speed shaft |
| Formula | |
|---|---|
| The first planetary stage | |
| The second planetary stage | |
| High speed stage |
| Formula | |
|---|---|
| The sun shaft of the first PS (The planet carrier of the second PS) | |
| The sun shaft of the second PS | |
| High-speed shaft |
| Only Faulty Gear Considered | Potential Combination | |
|---|---|---|
| Planet gear | ||
| Sun gear | ||
| Ring gear |
| Formula | |
|---|---|
| Inner race | |
| Outer race | |
| Rolling elements | |
| Cage |
| Only Faulty Bearing Parts Considered | Potential Combination | |
|---|---|---|
| Inner race | ||
| Outer race | ||
| Rolling elements | ||
| Cage |
| No. | Frequency Response Rang of Accelerometers | Sensitivity of Accelerometers | Positions | Sampling Frequency | Sampling Duration |
|---|---|---|---|---|---|
| 1 | 0.1~5000 Hz | 500 mV/g | Front main bearing | Low/5120 Hz | Long/16 s |
| 2 | 0.1~5000 Hz | 500 mV/g | Rear main bearing | Low/5120 Hz | Long/16 s |
| 3 | 0.1~5000 Hz | 500 mV/g | Outer of the ring gear | Low/5120 Hz | Long/16 s |
| 4 | 0.5~8000 Hz | 100 mV/g | Sun shaft | High/25,600 Hz | Short/4 s |
| 5 | 0.5~8000 Hz | 100 mV/g | Intermediate shaft | High/25,600 Hz | Short/4 s |
| 6 | 0.5~8000 Hz | 100 mV/g | High-speed shaft | High/25,600 Hz | Short/4 s |
| 7 | 0.5~8000 Hz | 100 mV/g | Drive end of the generator | High/25,600 Hz | Short/4 s |
| 8 | 0.5~8000 Hz | 100 mV/g | Nondrive end of the generator | High/25,600 Hz | Short/4 s |
Publisher’s Note: MDPI stays neutral with regard to jurisdictional claims in published maps and institutional affiliations. |
© 2021 by the authors. Licensee MDPI, Basel, Switzerland. This article is an open access article distributed under the terms and conditions of the Creative Commons Attribution (CC BY) license (http://creativecommons.org/licenses/by/4.0/).
Share and Cite
Teng, W.; Ding, X.; Tang, S.; Xu, J.; Shi, B.; Liu, Y. Vibration Analysis for Fault Detection of Wind Turbine Drivetrains—A Comprehensive Investigation. Sensors 2021, 21, 1686. https://doi.org/10.3390/s21051686
Teng W, Ding X, Tang S, Xu J, Shi B, Liu Y. Vibration Analysis for Fault Detection of Wind Turbine Drivetrains—A Comprehensive Investigation. Sensors. 2021; 21(5):1686. https://doi.org/10.3390/s21051686
Chicago/Turabian StyleTeng, Wei, Xian Ding, Shiyao Tang, Jin Xu, Bingshuai Shi, and Yibing Liu. 2021. "Vibration Analysis for Fault Detection of Wind Turbine Drivetrains—A Comprehensive Investigation" Sensors 21, no. 5: 1686. https://doi.org/10.3390/s21051686
APA StyleTeng, W., Ding, X., Tang, S., Xu, J., Shi, B., & Liu, Y. (2021). Vibration Analysis for Fault Detection of Wind Turbine Drivetrains—A Comprehensive Investigation. Sensors, 21(5), 1686. https://doi.org/10.3390/s21051686

