EE-ACML: Energy-Efficient Adiabatic CMOS/MTJ Logic for CPA-Resistant IoT Devices †
Abstract
:1. Introduction
2. Background
2.1. Adiabatic Logic and Power Analysis Attacks
2.2. Magnetic Tunnel Junctions and CMOS/MTJ Hybrid Circuits
2.3. Adiabatic Clock Generator
2.4. Security Parameters for CPA Resistant Circuits
3. Proposed Energy-Efficient Adiabatic CMOS/MTJ Logic (EE-ACML)
3.1. Proposed Adiabatic CMOS/MTJ Operation
3.1.1. Discharge Stage
3.1.2. Evaluation Phase
3.1.3. Recover Phase
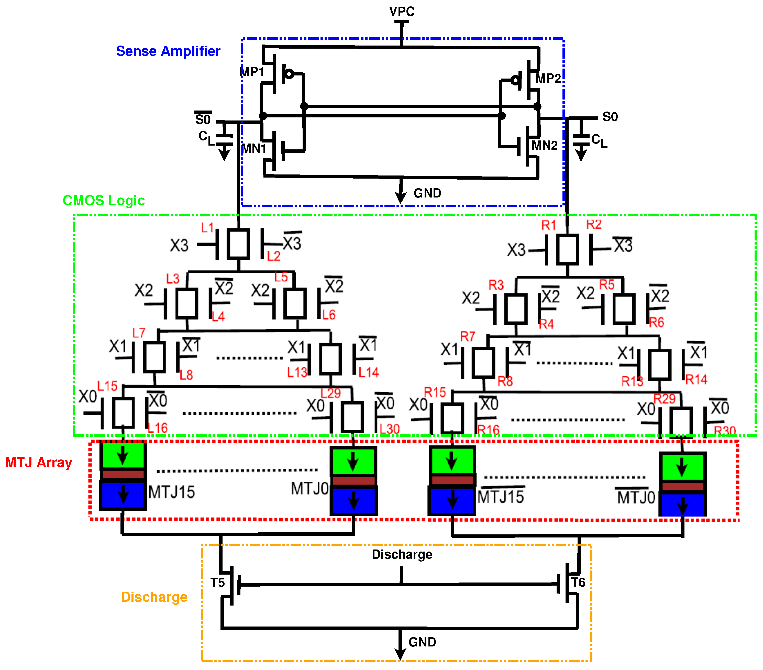
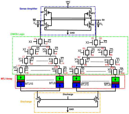
3.2. Low Energy and Secure EE-ACML PRESENT Implementation
3.2.1. Substitution Box
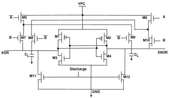
3.2.2. Add Round Key (XOR) Layer
4. Results
4.1. Analysis of the Energy-Efficiency of the Proposed EE-ACML with Integrated Power Clock Generator
4.2. Device Count of Proposed Energy-Efficient Adiabatic CMOS/MTJ Logic
4.3. Analysis of Security of the Proposed EE-ACML S-Box
5. Correlation Power Analysis Attack on EE-ACML-Based PRESENT
6. Discussion and Conclusions
Author Contributions
Funding
Institutional Review Board Statement
Informed Consent Statement
Data Availability Statement
Conflicts of Interest
References
- Mourtzis, D.; Vlachou, E.; Milas, N. Industrial big data as a result of IoT adoption in manufacturing. Procedia Cirp 2016, 55, 290–295. [Google Scholar] [CrossRef] [Green Version]
- Thapliyal, H. Internet of things-based consumer electronics: Reviewing existing consumer electronic devices, systems, and platforms and exploring new research paradigms. IEEE Consum. Electron. Mag. 2017, 7, 66–67. [Google Scholar] [CrossRef]
- Shepherd, A.; Kesa, C.; Cooper, J. Internet of Things (IOT) medical security: Taxonomy and perception. Issues Inf. Syst. 2020, 21, 227–235. [Google Scholar]
- Amponis, G.; Lagkas, T.; Sarigiannidis, P.; Vitsas, V.; Fouliras, P. Inter-UAV Routing Scheme Testbeds. Drones 2021, 5, 2. [Google Scholar] [CrossRef]
- Kocher, P.; Jaffe, J.; Jun, B. Differential power analysis. In Proceedings of the Annual International Cryptology Conference, Santa Barbara, CA, USA, 15–19 August 1999; pp. 388–397. [Google Scholar]
- Dhem, J.F.; Koeune, F.; Leroux, P.A.; Mestré, P.; Quisquater, J.J.; Willems, J.L. A practical implementation of the timing attack. In Proceedings of the International Conference on Smart Card Research and Advanced Applications, Louvain-la-Neuve, Belgium, 14–16 September 1998; pp. 167–182. [Google Scholar]
- Tiri, K.; Verbauwhede, I. A logic level design methodology for a secure DPA resistant ASIC or FPGA implementation. In Proceedings of the Design, Automation and Test in Europe Conference and Exhibition, Paris, France, 16–20 February 2004; Volume 1, pp. 246–251. [Google Scholar]
- Tiri, K.; Akmal, M.; Verbauwhede, I. A dynamic and differential CMOS logic with signal independent power consumption to withstand differential power analysis on smart cards. In Proceedings of the 28th European Solid-State Circuits Conference, Firenze, Italy, 24–26 September 2002; pp. 403–406. [Google Scholar]
- Kumar, S.D.; Thapliyal, H.; Mohammad, A. EE-SPFAL: A Novel Energy-Efficient Secure Positive Feedback Adiabatic Logic for DPA Resistant RFID and Smart Card. IEEE Trans. Emerg. Top. Comput. 2019, 7, 281–293. [Google Scholar] [CrossRef]
- Athas, W.C.; Svensson, L.J.; Koller, J.G.; Tzartzanis, N.; Chou, E.Y.C. Low-power digital systems based on adiabatic-switching principles. IEEE Trans. Very Large Scale Integr. (VLSI) Syst. 1994, 2, 398–407. [Google Scholar] [CrossRef]
- Moradi, A.; Shalmani, M.T.M.; Salmasizadeh, M. Dual-rail transition logic: A logic style for counteracting power analysis attacks. Comput. Electr. Eng. 2009, 35, 359–369. [Google Scholar] [CrossRef]
- Bucci, M.; Giancane, L.; Luzzi, R.; Scotti, G.; Trifiletti, A. Delay-based dual-rail precharge logic. IEEE Trans. Very Large Scale Integr. (VLSI) Syst. 2010, 19, 1147–1153. [Google Scholar] [CrossRef]
- Monteiro, C.; Takahashi, Y.; Sekine, T. Low power secure CSSAL bit-parallel multiplier over GF (2 4) in 0.18 μm CMOS technology. In Proceedings of the 2013 European Conference on Circuit Theory and Design (ECCTD), Dresden, Germany, 8–12 September 2013; pp. 1–4. [Google Scholar]
- Kumar, S.D.; Thapliyal, H.; Mohammad, A.; Singh, V.; Perumalla, K.S. Energy-efficient and secure s-box circuit using symmetric pass gate adiabatic logic. In Proceedings of the 2016 IEEE Computer Society Annual Symposium on VLSI (ISVLSI), Pittsburgh, PA, USA, 11–13 July 2016; pp. 308–313. [Google Scholar]
- Huai, Y. Spin-transfer torque MRAM (STT-MRAM): Challenges and prospects. AAPPS Bull. 2008, 18, 33–40. [Google Scholar]
- Gang, Y.; Zhao, W.; Klein, J.O.; Chappert, C.; Mazoyer, P. A high-reliability, low-power magnetic full adder. IEEE Trans. Magn. 2011, 47, 4611–4616. [Google Scholar] [CrossRef]
- Kang, W.; Lv, W.; Zhang, Y.; Zhao, W. Low store power high-speed high-density nonvolatile SRAM design with spin Hall effect-driven magnetic tunnel junctions. IEEE Trans. Nanotechnol. 2016, 16, 148–154. [Google Scholar] [CrossRef]
- Kang, W.; Zhang, Y.; Wang, Z.; Klein, J.O.; Chappert, C.; Ravelosona, D.; Wang, G.; Zhang, Y.; Zhao, W. Spintronics: Emerging ultra-low-power circuits and systems beyond MOS technology. ACM J. Emerg. Technol. Comput. Syst. (JETC) 2015, 12, 1–42. [Google Scholar] [CrossRef]
- Zhao, W.; Moreau, M.; Deng, E.; Zhang, Y.; Portal, J.M.; Klein, J.O.; Bocquet, M.; Aziza, H.; Deleruyelle, D.; Muller, C.; et al. Synchronous non-volatile logic gate design based on resistive switching memories. IEEE Trans. Circuits Syst. I Regul. Pap. 2013, 61, 443–454. [Google Scholar] [CrossRef]
- Kahleifeh, Z.; Thapliyal, H. Low-Energy and CPA-Resistant Adiabatic CMOS/MTJ Logic for IoT Devices. In Proceedings of the 2021 IEEE Computer Society Annual Symposium on VLSI (ISVLSI), Tampa, FL, USA, 7–9 July 2021; pp. 314–319. [Google Scholar] [CrossRef]
- Brier, E.; Clavier, C.; Olivier, F. Correlation power analysis with a leakage model. In Proceedings of the International Workshop on Cryptographic Hardware and Embedded Systems, Cambridge, MA, USA, 11–13 August 2004; pp. 16–29. [Google Scholar]
- Sundaresan, V.; Rammohan, S.; Vemuri, R. Defense against side-channel power analysis attacks on microelectronic systems. In Proceedings of the 2008 IEEE National Aerospace and Electronics Conference, Dayton, OH, USA, 16–18 July 2008; pp. 144–150. [Google Scholar]
- Vosoughi, M.A.; Wang, L.; Köse, S. Bus-invert coding as a low-power countermeasure against correlation power analysis attack. In Proceedings of the 2019 ACM/IEEE International Workshop on System Level Interconnect Prediction (SLIP), Las Vegas, NV, USA, 1–2 June 2019; pp. 1–5. [Google Scholar]
- Moodera, J.S.; Kinder, L.R.; Wong, T.M.; Meservey, R. Large magnetoresistance at room temperature in ferromagnetic thin film tunnel junctions. Phys. Rev. Lett. 1995, 74, 3273. [Google Scholar] [CrossRef] [PubMed]
- Zand, R.; Roohi, A.; Salehi, S.; DeMara, R.F. Scalable adaptive spintronic reconfigurable logic using area-matched MTJ design. IEEE Trans. Circuits Syst. II Express Briefs 2016, 63, 678–682. [Google Scholar] [CrossRef]
- Behin-Aein, B.; Wang, J.P.; Wiesendanger, R. Computing with spins and magnets. arXiv 2014, arXiv:1411.6960. [Google Scholar] [CrossRef] [Green Version]
- Ren, F. Energy-Performance Characterization of CMOS/Magnetic Tunnel Junction (MTJ) Hybrid Logic Circuits. Ph.D. Thesis, University of California, Los Angeles, CA, USA, 2010. [Google Scholar]
- Deng, E.; Zhang, Y.; Klein, J.O.; Ravelsona, D.; Chappert, C.; Zhao, W. Low power magnetic full-adder based on spin transfer torque MRAM. IEEE Trans. Magn. 2013, 49, 4982–4987. [Google Scholar] [CrossRef]
- Mahmoodi-Meimand, H.; Afzali-Kusha, A. Efficient power clock generation for adiabatic logic. In Proceedings of the IEEE International Symposium on Circuits and Systems, Sydney, Australia, 6–9 May 2001; pp. 642–645. [Google Scholar]
- Kahleifeh, Z.; Thapliyal, H. Adiabatic Logic Based Energy-Efficient Security for Smart Consumer Electronics. IEEE Consum. Electron. Mag. 2020. [Google Scholar] [CrossRef]
- Bogdanov, A.; Knudsen, L.R.; Leander, G.; Paar, C.; Poschmann, A.; Robshaw, M.J.; Seurin, Y.; Vikkelsoe, C. PRESENT: An ultra-lightweight block cipher. In Proceedings of the International Workshop on Cryptographic Hardware and Embedded Systems, Vienna, Austria, 10–13 September 2007; pp. 450–466. [Google Scholar]
- Kahleifeh, Z.; Thapliyal, H. 2-Phase Energy-Efficient Secure Positive Feedback Adiabatic Logic for CPA-Resistant IoT Devices. In Proceedings of the 2020 IEEE 6th World Forum on Internet of Things (WF-IoT), New Orleans, LA, USA, 2–16 June 2020; pp. 1–5. [Google Scholar]
- Wang, Y.; Cai, H.; de Barros Naviner, L.A.; Zhang, Y.; Zhao, X.; Deng, E.; Klein, J.O.; Zhao, W. Compact model of dielectric breakdown in spin-transfer torque magnetic tunnel junction. IEEE Trans. Electron Devices 2016, 63, 1762–1767. [Google Scholar] [CrossRef]
- Wu, J.; Shi, Y.; Choi, M. Measurement and evaluation of power analysis attacks on asynchronous S-box. IEEE Trans. Instrum. Meas. 2012, 61, 2765–2775. [Google Scholar] [CrossRef]
- Ju, T.; Chunlian, Z. MLP-Based Power Analysis Attacks with Two-Point Joint Feature Selection. In Proceedings of the 2020 17th International Computer Conference on Wavelet Active Media Technology and Information Processing (ICCWAMTIP), Chengdu, China, 18–20 December 2020; pp. 250–254. [Google Scholar]















| Parameter | Description | Value |
|---|---|---|
| Thickness of free layer | 1.3 nm | |
| a | Length of surface long axis | 40 nm |
| b | Width of surface short axis | 40 nm |
| Thickness of the Oxide barrier | 0.85 nm | |
| TMR | Tunnel Magneto Resistance ratio | 150% |
| RA | Resistance Area Product | 5 |
| Area | MTJ layout surface | 40 nm × 40 nm × /4 |
| Parallel resistance | 6.21 k | |
| Antiparallel resistance | 18.64 k |
| Frequency | Capacitor (fF) | Inductor (μH) |
|---|---|---|
| 12.5 M | 351.67 | 921.96 |
| 25 M | 351.67 | 230.49 |
| 50 M | 351.67 | 57.62 |
| 100 M | 351.67 | 14.40 |
| Frequency | Proposed EE-ACML | CMOS/MTJ [16] | Energy Savings (%) |
|---|---|---|---|
| 12.5 M | 162.25 | 491.56 | 66.99 |
| 25 M | 157.81 | 482.00 | 67.25 |
| 50 M | 114.71 | 465.62 | 75.36 |
| 100 M | 61.19 | 459.56 | 86.58 |
| Logic Family | Logic Gate | Transistor Count |
|---|---|---|
| EE-ACML | NAND | 10 |
| XOR | 10 | |
| SBOX | 264 | |
| 1-Round PRESENT | 4996 | |
| CMOS/MTJ [16] | NAND | 11 |
| XOR | 11 | |
| SBOX | 268 | |
| 1-Round PRESENT | 4992 | |
| CMOS | NAND | 4 |
| XOR | 8 | |
| SBOX | 216 | |
| 1-Round PRESENT | 5120 |
Publisher’s Note: MDPI stays neutral with regard to jurisdictional claims in published maps and institutional affiliations. |
© 2021 by the authors. Licensee MDPI, Basel, Switzerland. This article is an open access article distributed under the terms and conditions of the Creative Commons Attribution (CC BY) license (https://creativecommons.org/licenses/by/4.0/).
Share and Cite
Kahleifeh, Z.; Thapliyal, H. EE-ACML: Energy-Efficient Adiabatic CMOS/MTJ Logic for CPA-Resistant IoT Devices. Sensors 2021, 21, 7651. https://doi.org/10.3390/s21227651
Kahleifeh Z, Thapliyal H. EE-ACML: Energy-Efficient Adiabatic CMOS/MTJ Logic for CPA-Resistant IoT Devices. Sensors. 2021; 21(22):7651. https://doi.org/10.3390/s21227651
Chicago/Turabian StyleKahleifeh, Zachary, and Himanshu Thapliyal. 2021. "EE-ACML: Energy-Efficient Adiabatic CMOS/MTJ Logic for CPA-Resistant IoT Devices" Sensors 21, no. 22: 7651. https://doi.org/10.3390/s21227651
APA StyleKahleifeh, Z., & Thapliyal, H. (2021). EE-ACML: Energy-Efficient Adiabatic CMOS/MTJ Logic for CPA-Resistant IoT Devices. Sensors, 21(22), 7651. https://doi.org/10.3390/s21227651

