A Sensor Fault Detection Scheme as a Functional Safety Feature for DC-DC Converters
Abstract
:1. Introduction
- Systematic failures
- Random failures.
- Error correction code
- Hardware redundancy
- Built-in-self-test.
- Building a DC-DC state space-averaged converter model;
- Producing real measurements to show the effectiveness of the proposed technique.
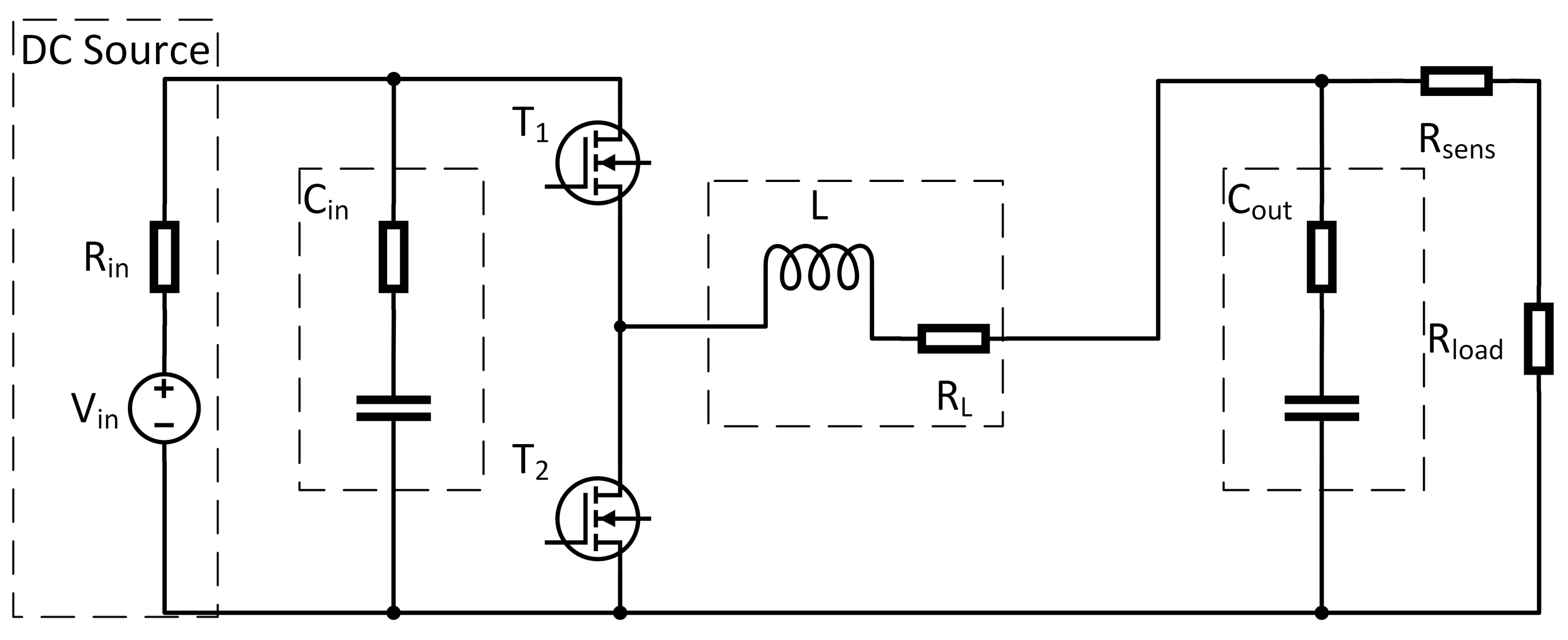
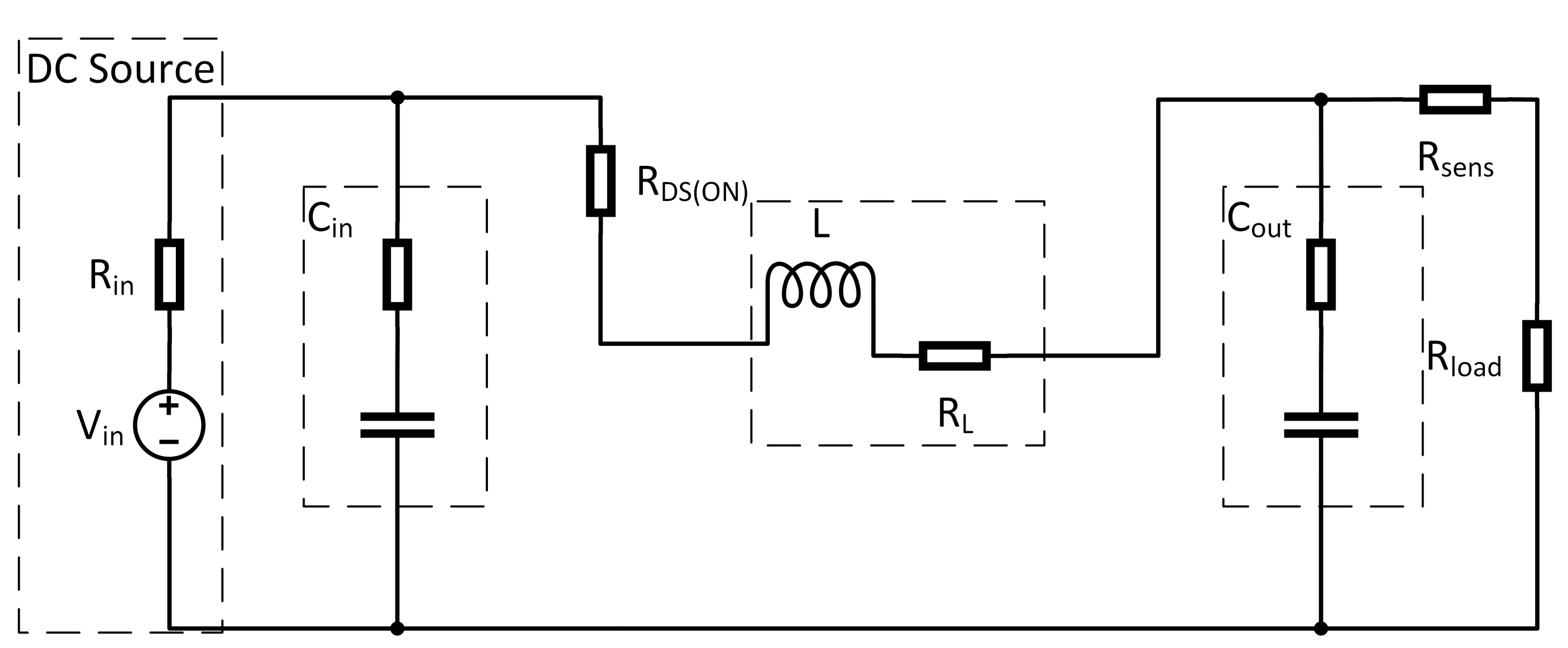
2. DC-DC Converter Model
- equilibrium state vector;
- equilibrium input vector;
- equilibrium output vector;
- equilibrium duty cycle.
3. State Estimation Using Augmented Extended Kalman Filters
- state transition matrix;
- measurement matrix;
- covariance matrix of measurement noise;
- covariance matrix of process noise.
4. Residual-Based Fault Detection and Isolation
5. Experimental Results
- The starting values of the Kalman filters for the current estimation and especially the covariances;
- Current measurement becomes more inaccurate with smaller currents;
- Current sensor only works with a minimal current.
- Switching off the converter by setting ;
- Continue operation with estimated signals.
6. Conclusions and Future Perspectives
Author Contributions
Funding
Institutional Review Board Statement
Informed Consent Statement
Data Availability Statement
Acknowledgments
Conflicts of Interest
Nomenclature
| A | State-transition averaged matrix for a full switching interval |
| B | Input averaged matrix for a full switching interval |
| C | Output averaged matrix for a full switching interval |
| E | Input-output averaged matrix for a full switching interval |
| D | Duty cycle of the pulse width modulated (PWM) switch control input |
| State-transition matrix during the first subinterval | |
| where switch is closed and switch open, | |
| see Figure 3 and Figure 4 | |
| Input matrix during the first subinterval | |
| where switch is closed and switch open, | |
| see Figure 3 and Figure 4 | |
| Output matrix during the first subinterval | |
| where switch is closed and switch open, | |
| see Figure 3 and Figure 4 |
| Input-Output matrix during the first subinterval | |
| where switch is closed and switch open, | |
| see Figure 3 and Figure 4 | |
| State-transition matrix during the second subinterval | |
| where switch is closed and switch open | |
| see Figure 3 and Figure 5 | |
| Input matrix during the second subinterval | |
| where switch is closed and switch open | |
| see Figure 3 and Figure 5 | |
| Output matrix during the second subinterval | |
| where switch is closed and switch open | |
| see Figure 3 and Figure 5 | |
| Input-Output matrix during the second subinterval | |
| where switch is closed and switch open | |
| see Figure 3 and Figure 5 |
Appendix A. Matlab Code for Fault Detection Scheme
| Listing A1. Matlab commands for fault detection. |
|
Appendix B. Jacobian
References
- Schimmack, M.; Mercorelli, P. An Adaptive Derivative Estimator for Fault-Detection Using a Dynamic System with a Suboptimal Parameter. Algorithms 2019, 12, 101. [Google Scholar] [CrossRef] [Green Version]
- Mercorelli, P. A Fault Detection and Data Reconciliation Algorithm in Technical Processes with the Help of Haar Wavelets Packets. Algorithms 2017, 10, 13. [Google Scholar] [CrossRef] [Green Version]
- Cui, H.; Guan, Y.; Chen, H.; Deng, W. A Novel Advancing Signal Processing Method Based on Coupled Multi-Stable Stochastic Resonance for Fault Detection. Appl. Sci. 2021, 11, 5385. [Google Scholar] [CrossRef]
- Jin, T.; Ding, H.; Xia, H.; Bao, J. Reliability index and Asian barrier option pricing formulas of the uncertain fractional first-hitting time model with Caputo type. Chaos Solitons Fractals 2021, 142, 110409. [Google Scholar] [CrossRef]
- Zhang, X.; Foo, G.; Vilathgamuwa, M.; Tsengt, K.; Bhangu, B.; Gajanayake, C. Sensor fault detection, isolation and system reconfiguration based on extended Kalman filter for induction motor drives. IET Electr. Power Appl. 2013, 7, 607–617. [Google Scholar] [CrossRef]
- Kobayashi, T.; Simon, D. Application of a Bank of Kalman Filters for Aircraft Engine Fault Diagnostics. 2003, pp. 461–470. Available online: https://www.researchgate.net/publication/24295369_Application_of_a_Bank_of_Kalman_Filters_for_Aircraft_Engine_Fault_Diagnostics (accessed on 22 September 2021).
- Yoshida, H.; Iwami, T.; Yuzawa, H.; Suzuki, M. Typical Faults of Air Conditioning Systems and Fault Detection by ARX Model and Extended Kalman Filter; Technical Report; American Society of Heating, Refrigerating and Air-Conditioning Engineers: Atlanta, GA, USA, 1996. Available online: https://www.osti.gov/biblio/392482-typical-faults-air-conditioning-systems-fault-detection-arx-model-extended-kalman-filter (accessed on 22 September 2021).
- Deng, F.; Chen, Z.; Khan, M.R.; Zhu, R. Fault Detection and Localization Method for Modular Multilevel Converters. IEEE Trans. Power Electron. 2015, 30, 2721–2732. [Google Scholar] [CrossRef]
- Al-Sheikh, H.; Hoblos, G.; Moubayed, N.; Karami, N. A sensor fault diagnosis scheme for a DC/DC converter used in hybrid electric vehicles. IFAC-PapersOnLine 2015, 48, 713–719. [Google Scholar] [CrossRef]
- Li, H.; Gao, Y.; Shi, P.; Lam, K.K. Observer-based fault detection for nonlinear systems with sensor fault and limited communication capacity. IEEE Trans. Autom. Control 2016, 61, 2745–2751. [Google Scholar] [CrossRef]
- Kalman, R.E. A new approach to linear filtering and prediction problems. J. Basic Eng. 1960, 82, 35–45. [Google Scholar] [CrossRef] [Green Version]
- Anderson, B.; Moore, J. Optimal Filtering; Prentice-Hall: Englewood Cliffs, NJ, USA, 1979. [Google Scholar]
- Anderson, B.; Moore, J.B. Detectability and stabilizability of time-varying discrete-time linear systems. SIAM J. Contr. Optim. 1981, 19, 20–32. [Google Scholar] [CrossRef]
- Reif, K.; Unbehauen, R. The extended Kalman filter as an exponential observer for nonlinear systems. IEEE Trans. Signal Process. 1999, 47, 2324–2328. [Google Scholar] [CrossRef]
- Welch, G.; Bishop, G. An Introduction to the Kalman Filter; University of North Carolina at Chapel Hill: Chapel Hill, NC, USA, 1995. [Google Scholar]
- Mercorelli, P. A Hysteresis Hybrid Extended Kalman Filter as an Observer for Sensorless Valve Control in Camless Internal Combustion Engines. IEEE Trans. Ind. Appl. 2012, 48, 1940–1949. [Google Scholar] [CrossRef]
- Mercorelli, P. An Anti-Saturating Adaptive Pre-action and a Slide Surface to Achieve Soft Landing Control for Electromagnetic Actuators. IEEE/ASME Trans. Mechatron. 2012, 17, 76–85. [Google Scholar] [CrossRef]
- Mercorelli, P. A Two-Stage Augmented Extended Kalman Filter as an Observer for Sensorless Valve Control in Camless Internal Combustion Engines. IEEE Trans. Ind. Electron. 2012, 59, 4236–4247. [Google Scholar] [CrossRef]
- Mercorelli, P. A Two-Stage Sliding-Mode High-Gain Observer to Reduce Uncertainties and Disturbances Effects for Sensorless Control in Automotive Applications. IEEE Trans. Ind. Electron. 2015, 62, 5929–5940. [Google Scholar] [CrossRef]
- Han, J.; Kim, D.; Sunwoo, M. State-of-charge estimation of lead-acid batteries using an adaptive extended Kalman filter. J. Power Sources 2009, 188, 606–612. [Google Scholar] [CrossRef]
- Domenico, D.D.; Stefanopoulou, A.; Fiengo, G. Lithium-ion battery state of charge and critical surface charge estimation using an electrochemical model-based extended Kalman filter. J. Dyn. Syst. Meas. Control 2010, 132, 061302. [Google Scholar] [CrossRef]
- Bartlett, A.; Marcicki, J.; Onori, S.; Rizzoni, G.; Yang, X.G.; Miller, T. Electrochemical Model-Based State of Charge and Capacity Estimation for a Composite Electrode Lithium-Ion Battery. IEEE Trans. Control Syst. Technol. 2016, 24, 384–399. [Google Scholar] [CrossRef]
- Lin, X. Theoretical Analysis of Battery SOC Estimation Errors Under Sensor Bias and Variance. IEEE Trans. Ind. Electron. 2018, 65, 7138–7148. [Google Scholar] [CrossRef]
- Bolognani, S.; Tubiana, L.; Zigliotto, M. Extended Kalman filter tuning in sensorless PMSM drives. IEEE Trans. Ind. Appl. 2003, 39, 1741–1747. [Google Scholar] [CrossRef]
- Bagheri, A.; Mardaneh, M.; Rajaei, A.; Rahideh, A. Detection of Grid Voltage Fundamental and Harmonic Components Using Kalman Filter and Generalized Averaging Method. IEEE Trans. Power Electron. 2016, 31, 1064–1073. [Google Scholar] [CrossRef]
- Renaudineau, H.; Martin, J.P.; Nahid-Mobarakeh, B.; Pierfederici, S. DC–DC converters dynamic modeling with state observer-based parameter estimation. IEEE Trans. Power Electron. 2015, 30, 3356–3363. [Google Scholar] [CrossRef] [Green Version]
- Ahmeid, M.; Armstrong, M.; Gadoue, S.; Al-Greer, M.; Missailidis, P. Real-time parameter estimation of DC–DC converters using a self-tuned Kalman filter. IEEE Trans. Power Electron. 2017, 32, 5666–5674. [Google Scholar] [CrossRef] [Green Version]
- Algreer, M.; Armstrong, M.; Giaouris, D. Active online system identification of switch mode DC–DC power converter based on efficient recursive DCD-IIR adaptive filter. IEEE Trans. Power Electron. 2012, 27, 4425–4435. [Google Scholar] [CrossRef]
- Eleffendi, M.A.; Johnson, C.M. Application of Kalman Filter to Estimate Junction Temperature in IGBT Power Modules. IEEE Trans. Power Electron. 2016, 31, 1576–1587. [Google Scholar] [CrossRef]
- Forouzesh, M.; Siwakoti, Y.P.; Gorji, S.A.; Blaabjerg, F.; Lehman, B. Step-Up DC-DC Converters: A Comprehensive Review of Voltage-Boosting Techniques, Topologies, and Applications. IEEE Trans. Power Electron. 2017, 32, 9143–9178. [Google Scholar] [CrossRef]
- Zhao, B.; Song, Q.; Liu, W.; Sun, Y. Overview of Dual-Active-Bridge Isolated Bidirectional DC-DC Converter for High-Frequency-Link Power-Conversion System. IEEE Trans. Power Electron. 2014, 29, 4091–4106. [Google Scholar] [CrossRef]
- Mirzaei, M.; Afzalian, A.A. Hybrid modelling and control of a synchronous DC-DC converter. Int. J. Power Electron. 2009, 1, 414–433. [Google Scholar] [CrossRef] [Green Version]
- Burcea, F.; Tannir, D.; Graeb, H. Fast SPICE-Compatible Simulation of Low-Power On-Chip PWM DC-DC Converters with Improved Ripple Accuracy. IEEE Trans. Power Electron. 2019, 35, 8173–8185. [Google Scholar] [CrossRef]
- Erickson, R.W.; Maksimovic, D. Fundamentals of Power Electronics; Springer Science & Business Media: New York, NY, USA, 2007. [Google Scholar]
- Haykin, S. Kalman Filtering and Neural Networks; John Wiley & Sons: Hoboken, NJ, USA, 2004; Volume 47. [Google Scholar]
- Simon, J.; Jeffrey, U. New extension of the Kalman filter to nonlinear systems. In Proceedings of the Signal Processing, Sensor Fusion, and Target Recognition VI, Orlando, FL, USA, 21–25 April 1997; International Society for Optics and Photonics: San Diego, CA, USA, 1997; Volume 3068, pp. 182–194. [Google Scholar]
- Johnson, R.A.; Wichern, D.W. Applied Multivariate Statistical Analysis; Prentice Hall: Upper Saddle River, NJ, USA, 2002; Volume 5. [Google Scholar]

















| Symbol | Value | Description |
|---|---|---|
| – | Current through the inductance (State variable) | |
| – | Input capacitor Voltage (State variable) | |
| – | Output capacitor Voltage (State variable) | |
| – | Load (Augmented state variable) | |
| D | – | Duty cycle |
| Winding resistance of inductance | ||
| ON resistance of switch | ||
| Input voltage | ||
| Resistance associated to the source input | ||
| Resistance associated to the input capacitor | ||
| Resistance associated to the output capacitor | ||
| Input capacitance | ||
| Output capacitance | ||
| Sample time |
Publisher’s Note: MDPI stays neutral with regard to jurisdictional claims in published maps and institutional affiliations. |
© 2021 by the authors. Licensee MDPI, Basel, Switzerland. This article is an open access article distributed under the terms and conditions of the Creative Commons Attribution (CC BY) license (https://creativecommons.org/licenses/by/4.0/).
Share and Cite
Schmidt, S.; Oberrath, J.; Mercorelli, P. A Sensor Fault Detection Scheme as a Functional Safety Feature for DC-DC Converters. Sensors 2021, 21, 6516. https://doi.org/10.3390/s21196516
Schmidt S, Oberrath J, Mercorelli P. A Sensor Fault Detection Scheme as a Functional Safety Feature for DC-DC Converters. Sensors. 2021; 21(19):6516. https://doi.org/10.3390/s21196516
Chicago/Turabian StyleSchmidt, Simon, Jens Oberrath, and Paolo Mercorelli. 2021. "A Sensor Fault Detection Scheme as a Functional Safety Feature for DC-DC Converters" Sensors 21, no. 19: 6516. https://doi.org/10.3390/s21196516
APA StyleSchmidt, S., Oberrath, J., & Mercorelli, P. (2021). A Sensor Fault Detection Scheme as a Functional Safety Feature for DC-DC Converters. Sensors, 21(19), 6516. https://doi.org/10.3390/s21196516

